RIELLO 40 G10 Light Oil Burner

TECHNICAL DATA
| TYPE | 464 T58 |
| Thermal power – Output | 54 – 120 kW – 4.5 – 10 kg/h |
| Fuel | Light oil, viscosity 4 – 6 mm2/s at 20 °C |
| Electrical supply | Single phase, 220 V + 10% –15 % ~ 60Hz |
| Motor | Run current 1.1 A – 3300 rpm – 345 rad/s |
| Capacitor | 2.5 mF |
| Ignition transformer | Secondary 8 kV – 16 mA |
| Pump | Pressure 8 – 15 bar |
| Absorbed electrical power | 0.2 kW |
- Burner with CE marking in conformity with EEC Directives: Electromagnetic Compatibility 2014/30/UE, Low Voltage 2014/35/UE, Machines 2006/42/EC.
- The burner meets protection level of IP 40, EN 60529.
Fig. 1

- Return line
- Suction line
- Gauge connection
- Pump pressure regulator
- Vacuum gauge connection
- Screws fixing air damper
- Hydraulic jack with air damper
- Reset button with lock-out lamp
- Flange with insulating gasket
- Combustion head adjustment screw
HYDRAULIC JACK OPERATION 7)(Fig. 1)
It is strongly recommended a periodic check of the pump pressure operation (annually or bet-ter every six months, if the burner operation is continuous). If the value is lower than 1 bar, compared to that one of the initial setting, please check the cleaning of the pump and line filters. In case the pressure setting was not restora-ble, please replace the pump, in order to guar-antee that the pump pressure during the pre-purge time is at least 3.7 bar.
BURNER EQUIPMENT
| Quantity | Description |
| 2 | Flexible pipes with nipples |
| 1 | Flange with insulating gasket |
| 4 | Screws and nuts for flange |
| 1 | Maintenance assembly |
| 1 | Screw with two nuts for flange |
WORKING FIELD (as EN 267)

OVERALL DIMENSIONS

INSTALLATION
BOILER FIXING
- Put on the flange (1) the screw and two nuts, (see fig. 2).
- Widen, if necessary, the insulating gasket holes (5), (see fig. 3).
- Fix the flange (1) to the boiler door (4) using screws (2) and (if necessary) the nuts (3) interposing the insulating gasket (5), (see fig. 4).
MAINTENANCE POSITION
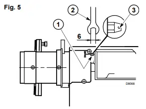
Access to the combustion head, diffuser disc / electrodes unit and nozzle, (see fig. 5).
- Remove the burner out of the boiler, after loosing the fixing nut to the flange.
- Hook the burner to the flange (1), by removing the combustion head (6) after loosing the fixing screws (7).
- Remove the diffuser disc-holder assembly (9) from the nozzle-holder (8) after loosing its fixing screw.
- Screw the nozzle (10).

Verify that the installed burner is lightly leaned towards the button. (See figure 6).The burner is designed to allow entry of the flexible oil-lines on either side of the burner.

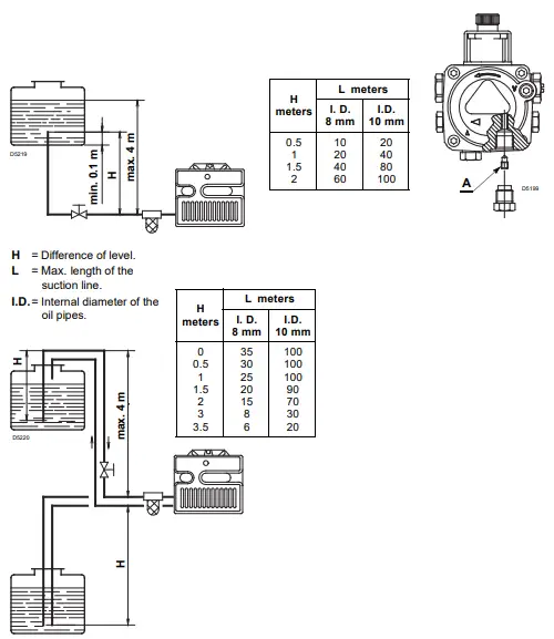
HYDRAULIC SYSTEMS
Warning: before starting the burner make sure that the return pipe-line is not clogged: any obstruction would cause the pump seals to break.
WARNING
The pump is supplied for use with a two pipe system. For use on a one pipe system, it is necessary to remove the by-pass screw (A), (see figure).

PRIMING THE PUMP
Loosen the plug of the vacuum gauge (5, fig. 1) and wait until the fuel flows out.
- The pump vacuum should not exceed a maximum of 0.4 bar (30 cm Hg). Beyond this limit gas is released from the oil.
- Oil lines must be completely airtight.
- The return line should terminate in the oil tank at the same level as the suction line; in this case a non-return valve is not required.
- When the return line arrives over the fuel level, a non-return valve must be used.
- This solution however is less safe than previous one, due to the possibility of leakage of the valve.
PRIMING THE PUMP
Start the burner and wait for the priming. Should lock-out occur prior to the arrival of the fuel, await at least 20 seconds before repeating the operation.
A filter must be installed on the suction fuel line.
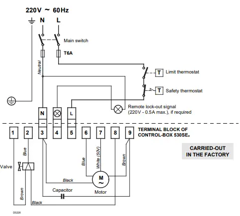
ELECTRICAL WIRING
WARNING
DO NOT EXCHANGE THE NEUTRAL WITH THE PHASE
FOR CONNECTION TO BOILERS WITHOUT PLUG, see page 6.
NOTE:
The burner is provided with a socket for the direct electrical connection to the boiler’s plug (see diagram at page 5). Should the boiler be without plug, it is then necessary:
- remove the socket and respective cable mounted on the burner;
- carry out the electrical connection direct to the wiring terminal block of the burner as shown on the diagram below.
WARNING
DO NOT EXCHANGE THE NEUTRAL WITH THE PHASE
NOTES:- Wires of min. 1 mm2 section. (Unless requested otherwise by local standards and legislation).
- The electrical wiring carried out by the installer must be in compliance with the rules in force in the Country.
CONTROL BOX (see fig. 3)
To remove the control box from the burner, loosen screw (A) and pull towards the arrow.

RUN OF THE ELECTRICAL CABLE
- Cable gland
- Cable-clamp
- Terminal block

COMBUSTION ADJUSTMENT
In conformity with EN267 the application of the burner on the boiler, adjustment and testing must be carried out observing the instruction manual of the boiler, including verification of the CO andCO2 concentration in the flue gases, their temperatures and the average temperature of the water in the boiler. To suit the required appliance output, fit the nozzle then adjust the pump pressure, the setting of the combustion head and the air damper opening in accordance with the following schedule.
| Nozzle
1 | Pump pressure
2 | Burner output | Comb. head adjustment 3 | Air damper adjustment 4 | |
| GPH | Angle | bar | kg/h ± 4% | Set-point | Set-point |
| 1.10 | 60° | 12 | 4.7 | 2 | 2.6 |
| 1.25 | 60° | 12 | 5.4 | 2.5 | 3.1 |
| 1.50 | 60° | 12 | 6.4 | 3 | 3.6 |
| 1.75 | 60° | 12 | 7.5 | 4 | 3.9 |
| 2.00 | 60° | 12 | 8.6 | 5 | 4.5 |
| 2.25 | 60° | 12 | 10.0 | 6 | 5.5 |
- NOZZLES RECOMMENDED
- Monarch type R
- Delavan type W – B
- Steinen type S – Q
- Danfoss type S
For 2.00 – 2.25 GPH nozzles it is advisable to use, if possible, full cones.
- PUMP PRESSURE
- 12 bar : The pump leaves the factory set at this value.
- 14 bar : Improves flame retention; it is therefore suitable for ignitions at low temperatures.
- COMBUSTION HEAD SETTING
(see fig. 4 and 5)

This is done when fitting the nozzle, with the blast tube removed. It depends on the output of the burner and is carried out by rotating the regulating rod, till the terminal plane of the blast tube is level with the set-point, as indicated in the schedule.
The combustion head is set for an output of 1.50 GPH at 12 bar, while the shutter is level with set-point 3, as required in the table.
Combustion head settings indicated in the table are valid for most cases. The setting of the fan output according to the installation should normally be done only through the air damper. Should one sub-sequently want to retouch also the setting of the combustion head, with the burner running, operate on the rod (1) with a 6 mm spanner (2) as follows:- TURN TO THE RIGHT: (sign +)
In order to increase the volume of air entering the combustion chamber and thus diminishing its pres-sure. There is a reduction of CO2 and the adhesion of the flame to the air diffuser disc improves.
(Setting advisable for ignitions at low temperatures). - TURN TO THE LEFT: (sign –)
In order to reduce the volume of air entering the combustion chamber and thus increasing its pres-sure. The CO2 improves and the adhesion of the flame to the diffuser tends to reduce. (This setting is not advisable for ignitions at low temperatures).
In any case do not bring the combustion head set-ting more than one point away from that indicated in the schedule. One set-point corresponds to 3 turns of the rod; a hole (3) at its end facilitates counting the number of turns.
- TURN TO THE RIGHT: (sign +)
- AIR DAMPER ADJUSTMENT (see fig. 6)

- The mobile air damper (A) operated by the jack (B) assures the complete opening of the air intake. The regulation of the air-rate is made by adjusting the fixed air damper (C), after loosing the screws (D). When the optimal regulation is reached, screw tight the screws (D) to assure a free movement of the mobile air damper (A).
- The settings indicated in the schedule refer to the burner with its metal cover fitted and the com-bustion chamber with “zero” depression.
- These regulations are purely indicative. Each installation however, has its own unpredictable working conditions: actual nozzle output; positive or negative pressure in the combustion-cham-ber, the need of excess air, etc. All these conditions may require a different air-damper setting.
- It is important to take account of the fact that the air output of the fan differs according to whether the burner has its metal cover fitted or not. Therefore we recommended to proceed as follows:

- adjust the air damper as indicated in the schedule;
- mount the cover, simply by means of the upper screw;
- check smoke number;
- should it become necessary to modify the air output, remove the cover by loosening the screw, adjust the air damper, remount the cover and finally recheck the smoke number.
NOTE: When the burner works at a firing rate higher than 9 kg/h remove the panel fitted inside the metal cover. (See figure).
ELECTRODES ADJUSTMENTS
Attention:
Before assembling or removing the nozzle, loosen the screw (A) and move the electrodes ahead.

BURNER START-UP CYCLE

ADJUSTMENTS, TO AVOID FLAME – DETACHMENT, AT BURNER – IGNITION
This inconvenience can occur, when the temperature of the light oil decreases below + 5 °C.
- CORRECT POSITIONING OF THE ELECTRODES

- PUMP – SETTING
The pump is factory set, at a pressure of 12 bar. When the temperature of the light oil decreases below + 5 °C, increase the pressure to 14 bar. - COMBUSTION-HEAD SETTING
Regulate the combustion-head one set-point further ahead than indicated in the instructions. Example: the instructions require to set the combustion-head on set-point 3.Instead, the setting is made on set-point 4. - FAN – AIR DAMPER ADJUSTMENT
Adjust the damper, reducing the excess air until the Bacharach number is not near 1.(i.e. a combustion with the lowest possible excess-air).


NOTES:























