ICM CONTROLS ICM2911 Direct Spark Ignition Control Board

Features
- Direct Spark Ignition (DSI) control board
- Microprocessor-based
- Monitors system timing, trial for ignition, system switches, flame sensing and lockout
- 100% lockout safety feature monitors for repeated over-temperature faults or flame losses and disables the heat operation for safety.
- Continuously monitors the gas valve output to verify the gas valve does not turn on or off incorrectly.
- Compatible with LP or Natural Gas
- LED indication for status and fault codes to aid in troubleshooting
- Twinning feature allows two furnace boards to be controlled with a single thermostat.
Replaces
- Modine Spark Ignition Control 5H79749.
Specifications
Input
- Line Voltage: 120 VAC, 50/60 HZ
- Control Voltage: 18 – 30 VAC, 50/60 HZ
Output
- Heat Blower: 15 FLA/30 LRA @ 120 VAC
- Inducer Fan: ½ HP, (9.8FLA/58.8LRA) @120 VAC
- Gas Valve: 2.3A Pilot Duty @ 24 VAC
Environmental
- Operating Temperature: -40°F to 175°F (-40°C to 80°C), -40°F to 185°F (-40°C to 85°C)
Mechanical
- Dimensions: 6.0”L x 5.0”W x 3.0”D
> > > CAUTION < < <
ELECTRICAL SHOCK HAZARD! Before installing this unit, turn off power at the main service panel by removing the fuse or switching the appropriate circuit breaker to the OFF position. Follow all Local, State and National Electrical Codes when installing this device.
CAUTION! Only trained personnel should install or service heating equipment. When working with heating equipment, be sure to read and understand all precautions in the documentation, on labels, and on tags that accompany the equipment. Failure to follow all safety guidelines may result in damage to equipment, severe personal injury or death.
Electrostatic Discharge (ESD) Precautions
Use caution when installing and servicing the furnace to avoid and control electrostatic discharge; ESD can impact electronic components. These precautions must be followed to prevent electrostatic discharge from hand tools and personnel. Following the precautions will protect the control from ESD by discharging static electricity buildup to ground.
- Disconnect all power to the furnace. Do not touch the control or the wiring prior to discharging your body’s electrostatic charge to ground.
- To ground yourself, touch your hand and tools to a clean, metal (unpainted) furnace surface near the control board.
- Service the furnace after touching the chassis. Your body will recharge with static electricity as you shuffle your feet or move around, and you must reground yourself.
- Reground yourself if you touch ungrounded items.
- Before handling a new control, reground yourself, this will protect the control. Store the used and new controls in separate; containers before touching ungrounded objects.
- ESD damage can also be prevented by using an ESD service kit feet or move around, and you must reground yourself.
Remove Existing Control
CAUTION! To service control, and prior to disconnection, label all wires. Failure to do so may result in wiring errors that can cause dangerous operation.
- Turn thermostat to the OFF position or set it to the lowest possible setting.
- Turn OFF the electrical supply to furnace.
- Turn OFF the gas supply to furnace.
CAUTION! Failure to turn off gas and electric supplies can result in explosion, fire, death or personal injury. - Remove the furnace blower and control access doors.
- Disconnect the thermostat wires and humidifier wires (if equipped with a humidifier).
- Disconnect the line voltage, blower, electronic air cleaner wires (if equipped) and transformer wires.
- Remove screws and any other fasteners and the old circuit board.
- Examine the control and the control box for water stains.
- Make repairs if any sources of water leakage are found. Be sure to check humidifiers, evaporator coils and vent systems in the area of the control.
Install New Control
- Ground yourself. When handling the circuit board; hold it by the edges.
- Fasten the circuit board with the retaining screws.
- Connect all line voltage, low voltage and accessory wires.
- Verify the sequence of operation.
Sequence of Operation
When a call for heat is made by connecting the W and R terminals, the control runs through the following sequence to start the furnace:
- Control board ensures pressure switch is initially open
- The draft inducer motor is energized
- The board confirms draft pressure through closure of the pressure switch
- Inducer performs a 30-second pre-purge delay
- Following the inducer pre-purge delay, the gas valve & spark ignitor energize
- Gas flows into the burners and is lit by the spark igniter
- The flame sensor confirms the presence of flame
- The spark ignitor stops sparking and the gas stays on with the burners lit
- A thirty-second (30S) heat blower pre-heat on delay is enacted to pre- heat the plenum
- Following the 30 second pre-heat delay, the heat blower turns on.
- Loss of the heat call deactivates the gas valve immediately and both the inducer and heat blowers remain running
- The inducer performs a 60 second post–purge delay upon the loss of the heat call
- The heat blower performs a 90 second post purge following the loss of the heat call
Flame Sense Diagnostics
Flame sensing – The system will use the flame rectification method of flame sensing; using a remote flame sensing element connected to pin 7 of the P1 connector. The flame sense circuitry will operate continuously, providing ignition lockout in case flame is sensed without the gas valve being energized.
Flame sense check – The control expects normal flame to be within 3-5 micro amps and a sensed flame signal of 1.1 micro amps or below as a weak flame. If flame is sensed during the 7 second Ignition activation period, the spark ignitor will de-energized after 2 seconds.
Flame circuit is not sensing a flame signal – If the control detects a flame signal when flame is not expected; the control goes into a 1-hour lockout which engages the inducer and heat blowers.
Flame loss lockout – If a trial for ignition succeeds and then the flame sensor detects no flame afterwards, the control will immediately shut off the gas valve and activate the main blower. If the pressure switch is still closed, the control will attempt another ignition trial after a 30-second pre-purge delay. If flame is lost 5 times in one call for heat, the control will go into soft lockout. The inducer will turn off after a 60-second post-purge delay, and the heat blower will turn off after 90 seconds. The status LED blinks code 7 for the duration of
lockout.
Field Test Mode
Connecting the C terminal to the Test/Twin terminal and disconnecting it in less than 0.9 seconds shall put the control into field test mode. In this mode, pre-purge and heat blower delay times are reduced. Trial for ignition and inducer post-purge times remains the same.
Test Mode Delay | Duration (sec) |
Inducer Pre-purge | 5 |
| Trial for Ignition | 7 |
Blower-On Delay | 10 |
| Inducer Post-purge | 60 |
Blower-Off Delay | 10 |
Twinning Connection
When the twin terminals of 2 controls are wired together, the controls will operate their heat blowers at the same time. Connecting a G call on one control will immediately activate the heat blower on both controls. Removing the G call will immediately deactivate the heat blower on both controls. When the heat blower turns on during the heat cycle of one unit, the heat blower of the second unit turns on at the same time.
A twin communication fault is detected if the 24 VAC supplies to the twins are not in phase with each other, or power is removed from one of the twins. While a Twin Fault exists, the control does not respond to thermostat commands and flashes “5” on the status LED. If a twin fault occurs during a heat cycle, both furnaces terminate the call for heat immediately. If a twin fault occurs during high speed fan or continuous fan, both controls shut blowers off immediate.
Fault Codes, Status Lights and Troubleshooting
Flashes | Fault Condition | Trouble Shooting |
Solid On | Normal operation | Normal operation |
Solid Off | Gas valve fault | Check gas supply to the furnace is turned on. Check for proper voltage to the gas valve during the cycle, check for shorted or miswired gas valve, and check harness for any shorts or breaks in the wires. |
| 1 | Pressure switch stays open continuously | Check for obstructed pressure switch tubing or defective pressure switch. Check for oxidation on terminals, broken wires, or defective inducer motor . Check for proper voltage at the inducer motor input. |
2 | Pressure stays in closed position continuously | Check to see if inducer is constantly running and keeping pressure switch closed, check if voltage is being inadvertently applied to the pressure switch when it should not be, and check or replace pressure switch. |
| 3 | Open Limit switch | Check for blocked airflow, blocked ductwork, defective rollout switches |
4 | Ignition failure Lockout | The number of retry’ s or recycles has exceeded the limit for the control. Clean or replace the flame sensor, check the spark igniter for proper operation and grounding, and check the transformer’s common is grounded to earthground. |
| 5 | Twining fault | Ensure the commons of both furnace’s transformers are tied together and tied to earth ground. Check the wire between the twin terminals of each furnace is good, clean,& tight. Check that each furnace is earth grounded. If twinning persists, reverse the polarity of the secondary wires on the step-down transformer (SEC and COM at the transformer 24 VAC). |
6 | Limit Switch Lockout | Max number of trials for open limit switch reached and unit is in a safety lockout. Check the high temperature limit switch and rollout switches with a multimeter for proper operation and check the wiring attached to the limit switch circuit for any breaks or oxidation of terminals. Check for any airflow obstructions. Replace limit switch or rollout switches if defective. |
| 7 | Flame loss lockout | Maximum number of trials for flame establishment reached, unit in lockout due to no flame sensed. Clean or replace flame sensor assembly and check the earth ground to the furnace. |
**Note: Gas valve fault lockout – If the control senses voltage across the gas valve terminals when it is supposed to be deactivated, the control goes into lockout. The status LED turns off, and the inducer comes on after 15s. If the gas valve fault is cleared, the inducer will turn off immediately, but the status LED will stay off and the control remains in lockout. The gas valve lockout cannot be cleared by toggling a W call; the control must be power cycled, or wait 1 hour after the gas valve fault clears.
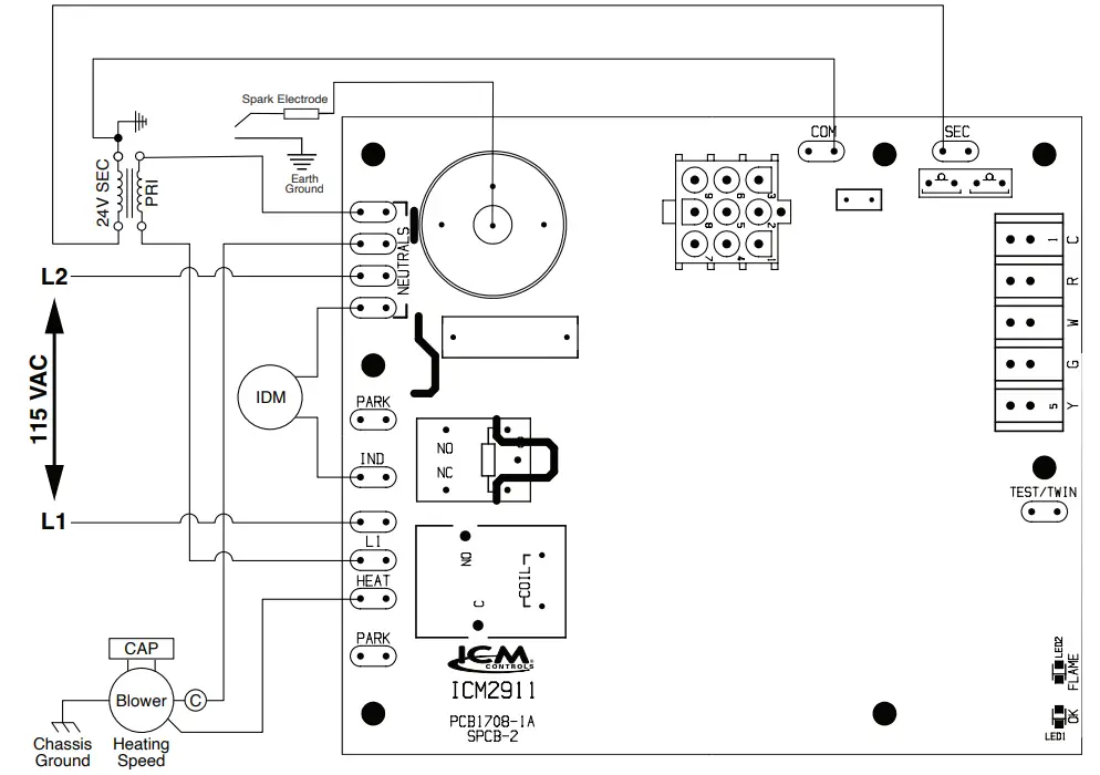
Wiring Diagram


LEGEND
N.C. | Normally Closed |
| N.O. | Normally Open |
N/C | No Connection |
| PS | Pressure Switch |
GND | Earth Ground |
| IDM | Inducer Draft Motor |
PRI | Primary |
| SEC | Secondary |
L1 | Line 1 (115 VAC) |
| L2 | Line 2 Neutral |
CAP | Capacitor |
| GV | Gas Valve |
FS | Flame Sensor |
| LIM | Limit Switch |
9-Pin Harness Connector
- N/C
- Gas valve 24 VAC COM
- Limit switch IN
- Gas valve OUT
- Pressure switch IN
- Pressure switch OUT
- Flame sensor
- Limit switch OUT
- Flame sensor/chassis ground (24 VAC Common)






















