bryant 80GSFRN-B-03OM Gas Furnace

Product Information – Non-Condensing, 80% AFUE Gas Furnace
Owner’s Manual
NOTE: Read the entire instruction manual before starting the installation.
Our products are designed, tested, and built in accordance with Department of Energy (DOE) standardized procedures; however, actual operating results and efficiencies may vary based on manufacturing and supplier tolerances, equipment configuration, operating conditions, and installation practices.
NOTE TO INSTALLER: This manual must be left with the equipment user.
USER: Please read all instructions in the manual and retain all manuals for future reference.
WARNING – FIRE OR EXPLOSION HAZARD
Failure to follow safety warnings exactly could result in serious injury, death, or property damage. Do not store or use gasoline or other flammable vapors and liquids in the vicinity of this or any other appliance.
WHAT TO DO IF YOU SMELL GAS:
- Do not try to light any appliance.
- Do not touch any electrical switch; do not use any phone in your building.
- Leave the building immediately.
- Immediately call your gas supplier from a neighbor’s phone. Follow the gas supplier’s instructions.
- If you cannot reach your gas supplier, call the fire department.
Installation and service must be performed by a qualified installer, service agency, or the gas supplier.
WARNING – CARBON MONOXIDE POISONING HAZARD
Failure to follow this warning could result in personal injury and/or death. Carbon Monoxide (CO) is a colorless, odorless, and tasteless poisonous gas that can be fatal when inhaled. Follow all installation, maintenance, and service instructions. See additional information below regarding the installation of a CO Alarm.
WARNING – ELECTRICAL OPERATION HAZARD
Failure to follow this warning could result in personal injury, death, or property damage. Do not use this furnace if any part has been under water. A flood-damaged furnace is extremely dangerous. Attempts to use the furnace can result in fire or explosion. A qualified service agency should be contacted to inspect the furnace and to replace all gas controls, control system parts, electrical parts that have been wet or the furnace if deemed necessary.
Welcome to Today’s Generation of Comfort
Congratulations! Your new gas furnace is a sound investment which will reward you and your family with years of warm memories winter after winter.
Not only is your new furnace energy efficient, it is also extremely reliable. Spend just a few minutes with this booklet to learn about the operation of your new furnace-and the small amount of maintenance it takes to keep it operating at peak efficiency. Years went into the development of your new furnace. Take a little time now to assure its most efficient operation for years to come.
Important Facts (Do’s and Don’ts)
During remodeling, be sure the combustion air is fresh and uncontaminated. If these compounds are burned in your furnace, the heat exchangers and metal vent system may deteriorate.
OWNER’S MANUAL
NOTE: Read the entire instruction manual before starting the installation.
Our products are designed, tested and built in accordance with Department of Energy (DOE) standardized procedures; however, actual operating results and efficiencies may vary based on manufacturing and supplier tolerances, equipment configuration, operating conditions and installation practices.
NOTE TO INSTALLER: This manual must be left with the equipment user.
USER: Please read all instructions in the manual and retain all manuals for future reference.

Use of the AHRI Certified TM Mark indicates a manufacturer’s participation in the program. For verification of certification for individual products, go to www.ahridirectory.org .
WARNING
FIRE OR EXPLOSION HAZARD
Failure to follow safety warnings exactly could result in serious injury, death, or property damage.
Do not store or use gasoline or other flammable vapors and liquids in the vicinity of this or any other appliance.
WHAT TO DO IF YOU SMELL GAS
- Do not try to light any appliance.
- Do not touch any electrical switch; do not use any phone in your building.
- Leave the building immediately.
- Immediately call your gas supplier from a neighbor’s phone. Follow the gas supplier’s instructions.
- If you cannot reach your gas supplier, call the fire department.
Installation and service must be performed by a qualified installer, service agency or the gas supplier.
WARNING
CARBON MONOXIDE POISONING HAZARD
Failure to follow this warning could result in personal injury and/or death.
Carbon Monoxide (CO) is a colorless, odorless, and tasteless poisonous gas that can be fatal when inhaled. Follow all installation, maintenance, and service instructions. See additional information below regarding the installation of a CO Alarm.
Most states in the USA and jurisdictions in Canada have laws that require the use of Carbon Monoxide (CO) alarms with fuel burning products. Examples of fuel burning products are furnaces, boilers, space heaters, generators, water heaters, stoves/ranges, clothes dryers, fireplaces, incinerators, automobiles, and other internal combustion engines. Even if there are no laws in your jurisdiction requiring a CO Alarm, it’s highly recommended that whenever any fuel burning product is used in or around the home or business that the dwelling be equipped with a CO Alarm(s). The Consumer Product Safety Commission recommends the use of CO Alarm(s). The CO Alarm(s) must be installed, operated, and maintained according to the CO Alarm manufacturer’s instructions. For more information about Carbon Monoxide, local laws, or to purchase a CO Alarm online, please visit the following website. https://www.kidde.com
WARNING
ELECTRICAL OPERATION HAZARD
Failure to follow this warning could result in personal injury, death, or property damage.
Do not use this furnace if any part has been under water. A flood-damaged furnace is extremely dangerous. Attempts to use the furnace can result in fire or explosion. A qualified service agency should be contacted to inspect the furnace and to replace all gas controls, control system parts, electrical parts that have been wet or the furnace if deemed necessary.
WELCOME TO TODAY’S GENERATION OF COMFORT
Congratulations! Your new gas furnace is a sound investment which will reward you and your family with years of warm memories winter after winter.
Not only is your new furnace energy efficient, it is also extremely reliable. Spend just a few minutes with this booklet to learn about the operation of your new furnace-and the small amount of maintenance it takes to keep it operating at peak efficiency. Years went into the development of your new furnace. Take a little time now to assure its most efficient operation for years to come.
IMPORTANT FACTS (DO’S AND DON’TS)
- DO: READ AND UNDERSTAND THIS MANUAL.
- DO: Have your furnace and vent system inspected annually by a qualified service technician.
- DO: Inspect your filter monthly and clean or replace when needed.
- DO: Provide adequate airflow to the furnace for efficient combustion and safe ventilation.
- DO: Keep your furnace free and clear of insulating material (some materials may be combustible. Examine the furnace area when the furnace is installed or when insulation is added.
- DO NOT: Enclose your furnace in an airtight room or seal it behind solid doors.
- DO NOT: Keep combustible materials, gasoline, and other flammable liquids or vapors around your furnace.
- DO NOT: Cover your furnace in any manner.
- DO NOT: Store anything (including trash or debris) near your furnace.
- DO NOT: In any way block or restrict airflow around your furnace.
- DO NOT: In any way block or restrict airflow to your supply air and return air grills.
- DO NOT: Use your furnace room as a broom closet or a place to store any kind of chemical or cleaner.
- DO NOT: Contaminate the air used for combustion of your furnace with any kind of chemical or fumes. This could also cause heat exchangers, metal vent systems or components to deteriorate.
NOTE: These chemicals or fumes are present in many products around the home, such as: water softener salts, any type of household cleaning product, any type of laundry product, adhesives, paints, varnishes, paint strippers, waxes and plastics, etc.
During remodeling be sure the combustion air is fresh and uncontaminated. If these compounds are burned in your furnace, the heat exchangers and metal vent system may deteriorate.
NOTE: The qualified installer or agency must use only factory-authorized replacement parts, kits, and accessories when modifying this product.
This furnace contains safety devices which must be manually reset. If the furnace is left unattended for an extended period of time, have it checked periodically for proper operation. This precaution will prevent problems associated with no heat, such as frozen water pipes, etc (see “Before You Request a Service Call” section in this manual.)
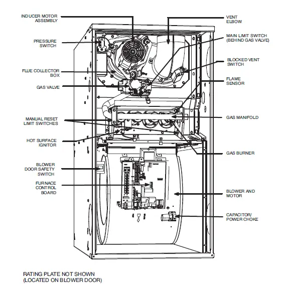
FURNACE COMPONENTS
Furnace shown in upflow position; may be used in downflow or horizontal orientation or applications. Vent Elbow may be turned to a different position, depending on type of installation.

Fig. 1 – 80% AFUE Single Stage Furnace Components

Fig. 2 – 80% AFUE Two-Stage Furnace Components
WARNING
FIRE OR EXPLOSION HAZARD
Failure to follow this warning could result in injury, death, or property damage.
Do not keep combustible materials, gasoline, and other flammable liquids or vapors around your furnace.
WARNING
FIRE OR EXPLOSION HAZARD
Failure to follow warnings could result in personal injury, death, or property damage.
Keep insulation clear of furnace and maintain clearances shown on unit clearance label.
SAFETY CONSIDERATIONS
Installing and servicing heating equipment can be hazardous due to gas and electrical components. Only trained and qualified personnel should install, repair, or service heating equipment.
Untrained personnel can perform basic maintenance functions such as cleaning or replacing air filters. All other operations must be performed by trained service personnel. Observe safety precautions in this manual, on tags, and on labels attached to the furnace, and other safety precautions that may apply.
Recognize safety information. This is the safety-alert symbol . When you see this symbol on the furnace and in instructions or manuals, be alert to the potential for personal injury.
Understand the signal words DANGER, WARNING, and CAUTION. These words are used with the safety-alert symbol. DANGER identifies the most serious hazards which will result in severe personal injury or death. WARNING signifies hazards which could result in personal injury or death. CAUTION is used to identify unsafe practices which would result in minor personal injury or product and property damage. NOTE is used to highlight suggestions which will result in enhanced installation, reliability or operation.
BEFORE STARTING YOUR FURNACE
Examine the furnace installation to determine that:
- All flue gas carrying areas external to the furnace (i.e. chimney, vent connector) are clear and free of obstructions.
- The vent connector is in place, slopes upward and is physically sound without holes or excessive corrosion.
- The return-air duct connection(s) is physically sound, is sealed to the furnace casing, and terminates outside the space containing the furnace.
- The physical support of the furnace is sound without sagging cracks, gaps, etc. around the base.
- There are no obvious signs of deterioration of the furnace.
STARTING YOUR FURNACE
Your furnace uses an automatic, hot surface ignition system to light the burners each time the thermostat signals the furnace to start.
Follow these important safeguards:
- Never attempt to manually light the burners with a match or other source of flame.

Read and follow the operating instructions on inside of main furnace door, especially the item that reads as follows:
- “Wait 5 minutes to clear out any gas. Then smell for gas, including near the floor. If you smell gas, STOP! Follow “B” in the safety information above on this furnace label. If you don’t smell gas, go to the next step.”
- If a suspected malfunction occurs with your gas control system, such as the burners do not light when they should, refer to the shutdown procedures on inside of main furnace door, or in the “Shutting Down Your Furnace” section and call your dealer as soon as possible.
- Should the gas supply fail to shut off or if overheating occurs, shut off the gas valve to the furnace before shutting off the electrical supply.
WARNING
FIRE AND EXPLOSION HAZARD
Failure to follow this warning could result in personal injury, death or property damage.
Should the gas supply fail to shut off or if overheating occurs, shut off the gas valve to the furnace BEFORE shutting off the electrical supply and install lockout tag.
- CHECK AIR FILTER: Before attempting to start your furnace, be sure the furnace filter is clean and in place (see “Performing Routine Maintenance” section in this manual. Do not run the furnace without a filter in place. Then proceed as follows:
STEPS FOR STARTING YOUR FURNACE
- Set your room thermostat to the lowest temperature setting (see Fig. 4).

- Close the external manual gas valve (see Fig. 5).

- Turn OFF electrical supply to the furnace (see Fig. 6).

- Remove the outer door by loosening the thumbscrew and pulling the door forward (see Fig. 7).

- Turn the control switch on the gas control to the OFF position and wait 5 minutes (see Fig. 8). Then smell for gas, including near the floor. If you smell gas, STOP! Follow “B” on furnace label. If you don’t smell gas, go to next step.

- After waiting 5 minutes, if you still smell gas, STOP! Follow the safety information on the cover of this manual. If you do not smell gas, go to the next step.
- Turn the control switch to ON (see Fig. 9).

- Replace the outer door and tighten the thumbscrew (see Fig. 10).

- Turn ON the electrical supply to the furnace (see Fig. 11).

- Open the external manual gas valve (see Fig. 12).

- Set the room thermostat to a temperature slightly above the room temperature. This will automatically signal the furnace to start. The inducer motor will start and the hot surface igniter will energize. When hot, the igniter will have an orange glow.
- After about 17 seconds, the gas valve permits gas to flow to the main burners where it is ignited. Hot flames begin to warm the furnace’s heat exchanger. After a time delay of approximately 25- 45 seconds the furnace blower is switched on.
NOTE: If the main burners fail to ignite, the furnace control system will go through three more ignition cycles. Then if burners fail to ignite, the system will lockout. If lockout occurs or the blower does not come on, shut down your furnace and call your dealer for service. - Set your thermostat to the temperature that satisfies your comfort requirements.
SUGGESTION: Setting the thermostat back a few degrees—and compensating for the difference with warmer clothing—can make a big difference in your fuel consumption on extremely cold days. The few degrees at the top of your thermostat “comfort level” are the most costly degrees to obtain.
When the room temperature drops below the temperature selected on the thermostat, the furnace will switch on automatically. When the room temperature reaches the setting selected on the thermostat, the furnace will be automatically switched off.
Continuous Fan Operation – Some thermostats have a “FAN” switch with 2 selections: AUTO and ON. When thermostat is set on AUTO, the furnace blower cycles on and off, controlled by the thermostat. In ON position, the furnace blower runs continuously except for a 42-62 sec delay at the “call for heat.” Continuous fan keeps the temperature level in your home more evenly balanced. It also continuously filters the indoor air.
SHUTTING DOWN YOUR FURNACE
Should you ever suspect a malfunction in your furnace, you will need to turn the furnace off. The following procedures must be followed:
- Set your room thermostat to the lowest temperature setting (see Fig. 4).
- Close the external manual gas valve (see Fig. 5).
- Turn off electrical supply to the furnace (see Fig. 6).
- Remove outer furnace door (see Fig. 7).
- Turn the switch on the gas control to the OFF position (see Fig. 8).
- Replace the outer furnace door (see Fig. 10).
- If the furnace is being shut down because of a malfunction, call your dealer as soon as possible.
PERFORMING ROUTINE MAINTENANCE
With proper maintenance and care, your furnace will operate economically and dependably. Instructions for basic maintenance are found on this and the following pages. However, before beginning maintenance, follow these safety precautions:
WARNING
ELECTRICAL SHOCK HAZARD
Failure to follow this warning could result in personal injury or death. Turn off electrical power supply to your furnace before removing the access doors to service or perform maintenance.
CAUTION
CUT HAZARD
Failure to follow this caution may result in personal injury.
Although special care has been taken to minimize sharp edges, be extremely careful when handling parts or reaching into the furnace. Wear safety glasses, gloves, and appropriate protective clothing.
FILTERING OUT TROUBLE
CAUTION
UNIT PERFORMANCE HAZARD
Failure to follow this caution may result in product damage.
Never operate your furnace without a filter in place. Doing so may damage the furnace blower motor. An accumulation of dust and lint on internal parts of your furnace can cause a loss of efficiency.
A dirty filter will cause excessive stress on the furnace, heat exchanger, and blower motor and can cause it to overheat and automatically shut down. The furnace filter should be checked every 4 weeks and cleaned or replaced if necessary.
If installed with factory specified disposable media filter, check or replace filter before each heating and cooling season. Replace disposable media filter at least twice a year.
If your furnace filter needs replacing, be sure to use the same size and type of filter that was originally specified.
The air filter for the furnace may be located in a filter cabinet/rack attached to the side or bottom of the furnace. If air filter has been installed in another location, contact your dealer for instructions. To inspect, clean and/or replace the air filter(s), follow these steps:
- Turn off the electrical supply to the furnace (see Fig. 13).

- Remove filter cabinet door/rack.
- Remove filter cabinet door (see Fig. 14 and Fig. 15).
- It may be necessary to remove 1 thumbscrew.

- Slide air filter out of filter cabinet. Keep dirty side up (if dirty) to avoid spilling dirt (see Fig. 16 and Fig. 17).

- Inspect the filter. If torn, replace it.
NOTE: If a washable filter has been replaced with:- Factory specified disposable media filter — Do not clean. If dirty, replace only with media filter having the same part number and size. Install with airflow direction arrow pointing towards blower (some models may vary).
- Electronic Air Cleaner (EAC) — Refer to EAC Owner’s Manual for maintenance information (some models may vary).
- Factory specified disposable filter, do not clean. Replace it with a new filter of same size.
- Wash filter (if dirty) in sink, bathtub, or outside with a garden hose. Always use cold tap water. A mild liquid detergent may be used if necessary. Spray water through filter in the opposite direction of airflow. Allow filter to dry.
- Reinstall clean air filter.
- Replace filter cabinet door (see Fig. 18 and Fig. 19).
- Turn on electrical supply to furnace (see Fig. 11).

NOTE: If side return ducts are used, two filters may be required in some models. The procedure listed above may be used to remove side filters.
Filters may be field modified by cutting filter material and support rods in filters. Alternate sizes and additional filters may be ordered from your dealer.
CAUTION
PERSONAL INJURY HAZARD
Failure to follow this caution may result in personal injury.
Use care when cutting support rods in filters to protect against flying pieces and sharp rod ends. Wear safety glasses, gloves, and appropriate protective clothing.
| FURNACE | FILTER QUANITITY AND SIZE* | FILTER TYPE† | |
| SIDE RETURN IN(MM) | BOTTOM RETURN IN(MM) | ||
| 14-1/2 (368) | (1) 16 x 25 | (1) 14 x 25 | Washable |
| (406 x 635) | (356 x 635) | ||
| 17-1/2 (445) | (1) 16 x 25 | (1) 16 x 25 | Washable |
| (406 x 635) | (406 x 635) | ||
| 21 (533 ) | (1) 16 x 25 | (1) 20 x 25 | Washable |
| (406 x 635) | (508 x 635) | ||
| 24 (610) | (1) 16 x 25 | (1) 24 x 25 | Washable |
| (406 x 635) | (610 x 635) | ||
- Some furnaces may have 2 filters
- Recommended
COMBUSTION AREA AND VENT SYSTEM
WARNING
ELECTRICAL OPERATION HAZARD
Failure to follow this warning could result in personal injury or death. For proper and safe operation the furnace needs air for combustion and ventilation. Do not block or obstruct air openings on the furnace, air opening to the area in which the furnace is installed, and the space around the furnace.
WARNING
UNIT OPERATION HAZARD
Failure to follow this caution may result in personal injury.
Failure to follow this warning could result in personal injury or death. For proper and safe operation the furnace needs air for combustion and ventilation. Do not block or obstruct air openings on the furnace, air opening to the area in which the furnace is installed, and the space around the furnace.
Inspect the combustion area and vent system before each heating season. An accumulation of dirt, soot, or rust can mean a loss of efficiency and improper performance. Buildups on the main burners can cause faulty firing. This “delayed ignition” is characterized by an alarmingly loud sound.
NOTE: If your furnace makes a loud noise when the main burners are ignited, shut down the furnace and call your servicing dealer. Use your flashlight and follow these steps for inspecting the combustion area and vent system of your furnace:
- Turn off electrical supply to the furnace and remove the access door (see Fig. 6 and Fig. 7).
- Carefully inspect the gas burner for dirt, rust, or scale. Inspect the elbow, flue connection area, and the vent pipe for rust.

WARNING
CARBON MONOXIDE POISONING HAZARD
Failure to follow this warning could result in personal injury or death. If dirt, rust, soot, or scale accumulations are found, call your dealer. Do not operate your furnace. - Inspect the vent pipe for a sag, holes, or a disconnection. A horizontal vent pipe must slope upward away from furnace. If rusty joints or seams, or signs of water leakages are found, call your dealer for service.
WARNING
CARBON MONOXIDE POISONING HAZARD
Failure to follow this warning could result in personal injury or death. If holes are found or if the vent pipe is obstructed or is not connected, toxic fumes can escape into your home. DO NOT OPERATE YOUR FURNACE. Call your dealer for service. - Restore electrical power to the furnace (see Fig. 11).
- Start the furnace and observe its operation. If possible, watch the burner flames. Are they burning bright blue? If not or if you suspect some other malfunction, call your servicing dealer.
- Replace the access door (see Fig. 10).
BEFORE YOU REQUEST A “SERVICE CALL”
Before you call for service, check for several easily solved problems:
- Check for sufficient airflow. Check the air filter for dirt. Check for blocked return-air or supply-air grilles. Be sure they are open and unobstructed. If this isn’t the cause of the problem, call your servicing dealer. If your furnace isn’t operating at all, check the following list for easily solved problems:
Is your thermostat set above room temperature? Is the HEAT mode selected? - Is the electrical power supply switch on? Is the blower access door firmly in place? Are any fuses blown? (There is a fuse on the furnace control.) Has a circuit breaker tripped?
- Is the manual shut-off valve in the gas supply pipe leading to the furnace open? Does the lever point in the same direction that the pipe runs (open)? Or is it at a right angle to the pipe (closed)?
NOTE: Before proceeding with the next checks, turn off the electrical power supply to the furnace. Remove access door. - Is the switch on the gas valve turned to the ON position? If this or the preceding check shows an interruption in the gas supply, make sure the gas has not been shut off for safety reasons. If nothing else seems to be wrong, follow the start-up procedures found on pages 3 and 4 of this booklet.
CAUTION
UNIT OPERATION HAZARD
Failure to follow this caution may result in personal injury.
If for some reason the vent is blocked, the draft safeguard switch will shut off the furnace. (See Page 2 for switch location.) The switch will automatically reset after the furnace cools off. If the furnace fails to operate, contact a qualified service agency.
- Check the manual reset limit switches located on the ends of the burner enclosure (see Fig. 1 and Fig. 2). If the furnace has experienced a high-temperature condition due to inadequate combustion air, these switches will shut off the furnace. Reset the switches by pushing the button on the switch. If the switch trips a second time, turn off the furnace and call for service.
- If your furnace still fails to operate, call your servicing dealer for troubleshooting and repairs. Tell your dealer the model and serial numbers for your furnace. (You should have them recorded on page 7 of this booklet.) By knowing exactly which furnace you have, the dealer may be able to offer suggestions over the phone or save valuable time through knowledgeable preparation for the service call.
In addition to the type of routine maintenance you might be willing to perform, your furnace should be inspected regularly by a properly trained service technician. You should work with your dealer or service technician to assure your inspection includes the following at a minimum.
NOTE TO EQUIPMENT OWNER:
For your convenience, please record the model and serial numbers of your new equipment in the spaces provided. This information, along with the installation data and dealer contact information will be helpful should your system require maintenance or service.
FURNACE
- Model # _____________________________________
- Serial # ______________________________________
- AIR CONDITIONER OR HEAT PUMP
- Model # _____________________________________
- Serial # _____________________________________
- INDOOR COIL (Furnace Coil or Fan Coil) Model # _____________________________________
- Serial # _____________________________________
INSTALLATION INFORMATION:
- Date Installed ________________________________
DEALERSHIP CONTACT INFORMATION:
- Company Name_______________________________
- Address______________________________________
- Phone Number _______________________________
- Technician Name _____________________________
MAINTENANCE CHECKLIST
In addition to the type of routine maintenance you might be willing to perform; your furnace should be inspected regularly by a properly trained service technician.
You should work with your dealer or service technician to assure your inspection includes the following at a minimum.
This list may not include all maintenance items, and inspection interval times may vary depending on operational conditions of the furnace.
| DESCRIPTION | INSPECTION INTERVAL | |||
| Monthly | Semi-Annually | Annually | ||
| Furnace specific, external items: | ||||
| Clean or replace air filters. | X | |||
| Inspect cabinet for signs of damage. | X | |||
| Inspect and clean door louvers if needed. | X | |||
| Inspect electrical disconnect for proper function. Repair or replace as necessary. | X | |||
| Inspect external wiring for damage. | X | |||
| Inspect gas supply line and manual shut-off for leaks. | X | |||
| Ensure there is no debris or clutter that could interfere with operation of furnace | X | |||
| Furnace specific, internal items: | ||||
| Inspect and clean blower assembly (includes blower housing, blower wheel and motor). | X | |||
| Inspect gas valve and check for proper manifold gas pressure Adjust as needed. | X | |||
| Inspect ignition system and safety controls. Clean and adjust as needed. | X | |||
| Inspect control box, associated controls, wiring and connections. | X | |||
| Check combustion blower housing for lint and debris and clean as necessary. | X | |||
| Inspect burner assembly – clean as needed. | X | |||
| Inspect heat exchanger – clean as needed. | X | |||
| Inspect flue system-check for proper attachment to the furnace, any dislocated sections, and for signs of corrosion. Replace if necessary. | X | |||
| System: | ||||
| Inspect airflow system (ductwork)-check for leaks and repair as needed. | X | |||
| Inspect evaporator coil, drain pan and condensate drain lines as applicable. Clean as needed. | X | |||
NOTE TO INSTALLER:
This manual must be left with the equipment owner.
© 2022 Carrier. All rights reserved.
Edition Date: 08/22
Catalog No: 80GSFRN-B-03OM
Manufacturer reserves the right to change, at any time, specifications and designs without notice and without obligations.




























