American Standard Freedom 80 Gas-Fired Furnace
General Features
Natural Gas Models
Central heating furnace designs are certified by the American Gas Association for both natural and L.P. gas. Limit setting and rating data were established and approved under standard rating conditions using American National Standards Institute standards.
Safe Operation
The Integrated System Control has solid state devices, which continuously monitor for presence of flame, when the system is in the heating mode of operation. Dual solenoid combination gas valve and regulator provide extra safety.
Quick Heating
Durable, cycle tested, heavy gauge aluminized steel heat exchanger quickly transfers heat to provide warm conditioned air to the structure.
Burners
Multi-port In-shot burners will give years of quiet and efficient service. All models can be converted to L.P. gas.
Integrated System Control
Exclusively designed operational program provides total control of furnace limit sensors, blowers, gas valve, flame control and includes self-diagnostics for ease of service. Also contains connection points for E.A.C./ Humidifier.
Air Delivery
The multispeed, direct drive blower motor, with sufficient airflow range for most heating and cooling requirements, will switch from heating to cooling speeds on demand from room thermostat. The blower door safety switch will prevent or terminate furnace operation when the blower door is removed.
Styling
Heavy gauge steel and “wrap-around” cabinet construction is used in the cabinet with baked-on enamel finish for strength and beauty. The heat exchanger section of the cabinet is completely lined with foil faced fiberglass insulation. This results in quiet and efficient operation due to the excellent acoustical and insulating qualities of fiberglass.
Features And General Operation
The FREEDOM 80 High Efficiency Gas Furnaces employ a Hot Surface Ignition system, which eliminates the waste of a constant burning pilot. The integrated system control lights the main burners upon a demand for heat from the room thermostat. Complete front service access.
- Low energy power venter.
- Vent proving differential switch
Features and Benefits
FREEDOM 80 Upflow/ Downflow Horizontal Right or Left Standard Equipment
- Convertible to horizontal with left or right airflow
- Power supply 115/1/60
- 2-stage gas valve
- 2-speed venter
- 2 heating blower speeds
- Silicon Nitride Hot surface igniter with adaptive heat up
- Integrated solid state control with self-diagnostics
- Single wire twinning
- Inner blower door panel
- Right and left hand side knockout for venting
- Attractive color accents
- Hinged blower door
- Prefect Fit door latches
- Insulated blower door
- Gasketed blower door
- Internal filter rack
- Standard filter sizes
- Heavy gauge aluminized steel heat exchanger
- Blower door safety switch
- Multi-port In-shot burners
- Complete front service access
- Alternate bottom/ left/ right return air
- Slide out blower assembly
- Direct drive, 4-speed motors
- Adjustable fan off times
- Common vent capability
- Heavy gauge reinforced wrap-around steel cabinet
- Optional L.P. conversion kit
- Left/ right gas connection
- Accessory hook-up capability
- Selectable cooling fan off eliminates need for BAY24X045 time delay relay
- 24 volt fuse
- Manual reset flame roll-out switches
Optional Equipment
- Comfort Control, Mechanical 2-Stage Heating/1-Stage Cooling ………………………………………………………. BAYSTAT241 [ ]
- Comfort Control, Heating/Cooling Single Stage (Mounts Horizontally) ……………………………………………………AY28X092 [ ]
- Comfort Control, Heating/Cooling Single Stage (Mounts Vertically) …………………………………………………. BAYSTAT305 [ ]
- Comfort Control, Electronic Programmable 2-Stage Heating/1-Stage Cooling …………………………………. BAYSTAT302C [ ]
- Comfort Control, Electronic Programmable 1-Stage Heating/1-Stage Cooling …………………………………. BAYSTAT300C [ ]
- Comfort Control, Electronic Non-Programmable 1-Stage Heating/1-Stage Cooling ……………………………. TAYSTAT370 [ ]
- Comfort Control, Electronic Programmable (5/2) 1-Stage Heating/1-Stage Cooling ……………………………. TAYSTAT340 [ ]
- Comfort Control, Heating Only …………………………………………………………………………………………………… BAYSTAT388 [ ]
- Propane Conversion Kit ………………………………………………………………………………………………………….. BAYLPKT210A [ ]
- 5″ Media Air Filter, “Perfect Fit” High Efficiency (14-1/2″ Wide Gas Furnace) ……………………………………TFM145A9FR0 [ ]
- 5″ Media Air Filter, “Perfect Fit” High Efficiency (17-1/2″ Wide Gas Furnace) ……………………………………TFM175A9FR0 [ ]
- 5″ Media Air Filter, “Perfect Fit” High Efficiency (21″ Wide Gas Furnace) …………………………………………TFM210A9FR0 [ ]
- 5″ Media Air Filter, “Perfect Fit” High Efficiency (24-1/2″ Wide Gas Furnace) ……………………………………TFM245A9FR0 [ ]
- 1″ Media Air Filter, “Perfect Fit” Standard Efficiency (14-1/2″ Wide Gas Furnace) …………………………….. TFP145A9FR0 [ ]
- 1″ Media Air Filter, “Perfect Fit” Standard Efficiency (17-1/2″ Wide Gas Furnace) …………………………….. TFP175A9FR0 [ ]
- 1″ Media Air Filter, “Perfect Fit” Standard Efficiency (21″ Wide Gas Furnace) ………………………………….. TFP210A9FR0 [ ]
- 1″ Media Air Filter, “Perfect Fit” Standard Efficiency (24-1/2″ Wide Gas Furnace) …………………………….. TFP245A9FR0 [ ]
- Coil Enclosure (14-1/2″ Wide Cabinets) ………………………………………………………………………………… BAYCLE14A1422A [ ]
- Coil Enclosure (17-1/2″ Wide Cabinets) ………………………………………………………………………………… BAYCLE17A1722A [ ]
- Coil Enclosure (21″ Wide Cabinets) ……………………………………………………………………………………… BAYCLE21A2130A [ ]
- Coil Enclosure (24-1/2″ Wide Cabinets) ………………………………………………………………………………… BAYCLE24A2430A [ ]
- High Altitude Switch ………………………………………………………………………………………………………………….. BAYHALT239 [ ]
- High Altitude Switch ………………………………………………………………………………………………………………….. BAYHALT249 [ ]
- Downflow Subbase ……………………………………………………………………………………………………………………BAYBASE205 [ ]
- Filter Access Door Kit ……………………………………………………………………………………………………………….. BAYFLTR206 [ ]
- Masonry Chimney Vent Kit ……………………………………………………………………………………………………….BAYVENT800B [ ]
- Filter Rack Kit ………………………………………………………………………………………………………………………. BAYRACK960A [ ]
- Cleanable Filter (14.5″/17.5″ wide Upflow models) …………………………………………………………………………. BAYFLTR317 [ ]
- Cleanable Filter (21″ wide Upflow models) ……………………………………………………………………………………. BAYFLTR321 [ ]
- Cleanable Filter (24.5″ wide Upflow models) …………………………………………………………………………………. BAYFLTR324 [ ]
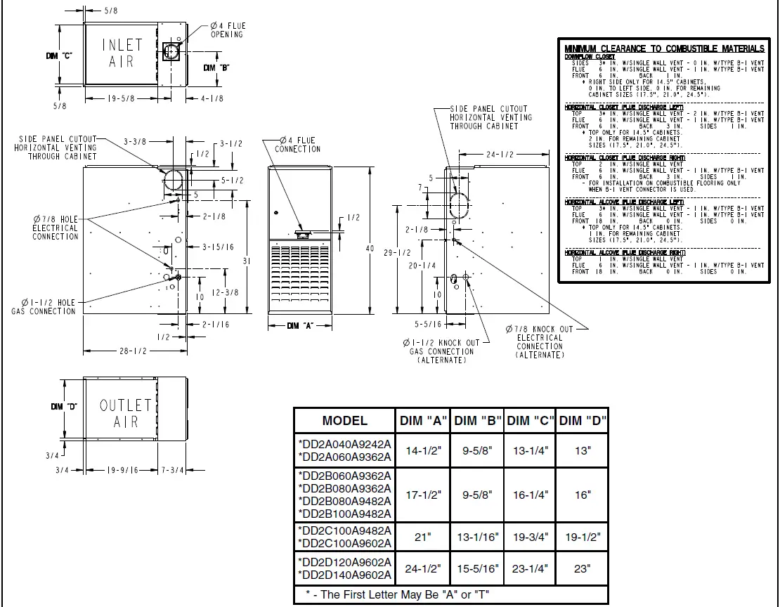
General Data
AUD2 Product Specifications
| MODEL | AUD2A040A9242A | AUD2A060A9362A | AUD2B060A9362A | AUD2B080A9362A |
| RATINGS2 | ||||
| 1st Stage Input BTUH | 26000 | 39000 | 39000 | 52000 |
| 1st Stage Capacity BTUH (ICS)3 | 20800 | 31200 | 31200 | 41600 |
| 2nd Stage Input BTUH | 40000 | 60000 | 60000 | 80000 |
| 2nd Stage Capacity BTUH (ICS)3 | 32000 | 47000 | 47000 | 63000 |
| AFUE (ICS) | 80.0 | 80.0 | 80.0 | 80.1 |
| Temp. Rise (Min.-Max.) °F. | 30 – 60 | 30 – 60 | 30 – 60 | 30 – 60 |
| BLOWER DRIVE | DIRECT | DIRECT | DIRECT | DIRECT |
| Dia.-Width (In.) | 10 x 6 | 10 x 6** | 10 x 6** | 10 x 7 |
| No. Used | 1 | 1 | 1 | 1 |
| Speeds (No.) | 4 | 4 | 4 | 4 |
| CFM vs. in. w.g. | SEE FAN PERF. TABLE | SEE FAN PERF. TABLE | SEE FAN PERF. TABLE | SEE FAN PERF. TABLE |
| Motor HP | 1/5 | 1/3 | 1/3 | 1/3 |
| R.P.M. | 1080 | 1075 | 1075 | 1075 |
| Volts/Ph/Hz | 115/1/60 | 115/1/60 | 115/1/60 | 115/1/60 |
| COMBUSTION FAN — TYPE | CENTRIFUGAL | CENTRIFUGAL | CENTRIFUGAL | CENTRIFUGAL |
| Drive – No. Speeds | DIRECT – 2 | DIRECT – 2 | DIRECT – 2 | DIRECT – 2 |
| Motor HP – RPM | 1/100 – 2544/1374 | 1/100 – 2543/1727 | 1/100 – 2543/1727 | 1/100 – 2543/1727 |
| Volts/Ph/Hz | 115/1/60 | 115/1/60 | 115/1/60 | 115/1/60 |
| FL Amps | .76/.37 | .70/.40 | .70/.40 | .70/.40 |
| FILTER — Furnished? | NO | NO | NO | NO |
| Type Recommended | HIGH VELOCITY | HIGH VELOCITY | HIGH VELOCITY | HIGH VELOCITY |
| Filter (No.-Size-Thk.) | 1 – 17 X 25 – 1 IN. | 1 – 17 X 25 – 1 IN. | 1 – 17 X 25 – 1 IN. | 1 – 17 X 25 – 1 IN. |
| VENT — Size (In.) | 4 ROUND | 4 ROUND | 4 ROUND | 4 ROUND |
| HEAT EXCHANGER | ||||
| Type -Fired | ALUMINIZED STEEL TYPE 1 | ALUMINIZED STEEL TYPE 1 | ALUMINIZED STEEL TYPE 1 | ALUMINIZED STEEL TYPE 1 |
| -Unfired | ||||
| Gauge (Fired) | 20 | 20 | 20 | 20 |
| ORIFICES — Main | ||||
| Nat. Gas. Qty. — Drill Size | 2 – 45 | 3 – 45 | 3 – 45 | 4 – 45 |
| L.P. Gas Qty. — Drill Size | 2 – 56 | 3 – 56 | 3 – 56 | 4 – 56 |
| GAS VALVE | REDUNDANT – TWO STAGE | REDUNDANT – TWO STAGE | REDUNDANT – TWO STAGE | REDUNDANT – TWO STAGE |
| DIRECT IGNITION DEVICE | ||||
| Type | HOT SURFACE | HOT SURFACE | HOT SURFACE | HOT SURFACE |
| BURNERS — Type | IN-SHOT | IN-SHOT | IN-SHOT | IN-SHOT |
| Number | 2 | 3 | 3 | 4 |
| POWER CONN. — V/Ph/Hz4 | 115/1/60 | 115/1/60 | 115/1/60 | 115/1/60 |
| Ampacity (In Amps) | 4.5 | 8.2 | 8.2 | 8.2 |
| Max. Overcurrent Protection (Amps) | 15 | 15 | 15 | 15 |
| PIPE CONN. SIZE (IN.) | 1/2 | 1/2 | 1/2 | 1/2 |
| DUCT CONN. | SEE OUTLINE DRAWING | SEE OUTLINE DRAWING | SEE OUTLINE DRAWING | SEE OUTLINE DRAWING |
| DIMENSIONS | H X W X D | H X W X D | H X W X D | H X W X D |
| Crated (In.) | 41-3/4 X 16-1/2 X 30-1/2 | 41-3/4 X 16-1/2 X 30-1/2 | 41-3/4 X 19-1/2 X 30-1/2 | 41-3/4 X 19-1/2 X 30-1/2 |
| Uncrated | SEE OUTLINE DRAWING | SEE OUTLINE DRAWING | SEE OUTLINE DRAWING | SEE OUTLINE DRAWING |
| WEIGHT | ||||
| Shipping (Lbs.)/Net (Lbs.) | 119/110 | 127/118 | 127/118 | 142/132 |
| MODEL | AUD2B080A9482A | AUD2D100A9362A | AUD2C100A9482A | AUD2C100A9602A |
| RATINGS2 | ||||
| 1st Stage Input BTUH | 52000 | 65000 | 65000 | 65000 |
| 1st Stage Capacity BTUH (ICS)3 | 41600 | 52000 | 52000 | 52000 |
| 2nd Stage Input BTUH | 80000 | 100000 | 100000 | 100000 |
| 2nd Stage Capacity BTUH (ICS)3 | 63000 | 79000 | 79000 | 80000 |
| AFUE (ICS) | 80.0 | 80.6 | 81.0 | 80.0 |
| Temp. Rise (Min.-Max.) °F. | 30 – 60 | 40 – 70 | 35 – 65 | 30 – 60 |
| BLOWER DRIVE | DIRECT | DIRECT | DIRECT | DIRECT |
| Dia.-Width (In.) | 10 x 8 | 10 x 7 | 10 x 8 | 11 x 10 |
| No. Used | 1 | 1 | 1 | 1 |
| Speeds (No.) | 4 | 4 | 4 | 4 |
| CFM vs. in. w.g. | SEE FAN PERF. TABLE | SEE FAN PERF. TABLE | SEE FAN PERF. TABLE | SEE FAN PERF. TABLE |
| Motor HP | 1/3 | 1/3 | 1/2 | 3/4 |
| R.P.M. | 1075 | 1075 | 1075 | 1075 |
| Volts/Ph/Hz | 115/1/60 | 115/1/60 | 115/1/60 | 115/1/60 |
| COMBUSTION FAN — TYPE | CENTRIFUGAL | CENTRIFUGAL | CENTRIFUGAL | CENTRIFUGAL |
| Drive – No. Speeds | DIRECT – 2 | DIRECT – 2 | DIRECT – 2 | DIRECT – 2 |
| Motor HP – RPM | 1/50 – 3000 | 1/50 – 3000 | 1/50 – 3000 | 1/50 – 3000 |
| Volts/Ph/Hz | 115/1/60 | 115/1/60 | 115/1/60 | 115/1/60 |
| FL Amps | 1.0 | 0.93 | 0.93 | 0.93 |
| FILTER — Furnished? | YES | YES | YES | YES |
| Type Recommended | HIGH VELOCITY | HIGH VELOCITY | HIGH VELOCITY | HIGH VELOCITY |
| Filter (No.-Size-Thk.) | 1 – 17 X 25 – 1 IN. | 1 – 17 X 25 – 1 IN. | 1 – 20 X 25 – 1 IN. | 1 – 20 X 25 – 1 IN. |
| VENT — Size (In.) | 4 ROUND | 4 ROUND | 4 ROUND | 4 ROUND |
| HEAT EXCHANGER | ||||
| Type -Fired | ALUMINIZED STEEL TYPE 1 | ALUMINIZED STEEL TYPE 1 | ALUMINIZED STEEL TYPE 1 | ALUMINIZED STEEL TYPE 1 |
| -Unfired | ||||
| Gauge (Fired) | 20 | 20 | 20 | 20 |
| ORIFICES — Main | ||||
| Nat. Gas. Qty. — Drill Size | 4 – 45 | 5 – 45 | 5 – 45 | 5 – 45 |
| L.P. Gas Qty. — Drill Size | 4 – 56 | 5 – 56 | 5 – 56 | 5 – 56 |
| GAS VALVE | REDUNDANT – TWO STAGE | REDUNDANT – TWO STAGE | REDUNDANT – TWO STAGE | REDUNDANT – TWO STAGE |
| DIRECT IGNITION DEVICE | ||||
| Type | HOT SURFACE | HOT SURFACE | HOT SURFACE | HOT SURFACE IGNITOR |
| BURNERS — Type | IN-SHOT | IN-SHOT | IN-SHOT | IN-SHOT |
| Number | 4 | 5 | 5 | 5 |
| POWER CONN. — V/Ph/Hz4 | 115/1/60 | 115/1/60 | 115/1/60 | 115/1/60 |
| Ampacity (In Amps) | 8.9 | 8.4 | 11.0 | 12.8 |
| Max. Overcurrent Protection (Amps) | 15 | 15 | 15 | 15 |
| PIPE CONN. SIZE (IN.) | 1/2 | 1/2 | 1/2 | 1/2 |
| DUCT CONN. | SEE OUTLINE DRAWING | SEE OUTLINE DRAWING | SEE OUTLINE DRAWING | SEE OUTLINE DRAWING |
| DIMENSIONS | H X W X D | H X W X D | H X W X D | H X W X D |
| Crated (In.) | 41-3/4 X 19-1/2 X 30-1/2 | 41-3/4 X 19-1/2 X 30-1/2 | 41-3/4 X 23 X 30-1/2 | 41-3/4 X 23 X 30-1/2 |
| Uncrated | SEE OUTLINE DRAWING | SEE OUTLINE DRAWING | SEE OUTLINE DRAWING | SEE OUTLINE DRAWING |
| WEIGHT | ||||
| Shipping (Lbs.)/Net (Lbs.) | 142/132 | 151/141 | 162/151 | 162/151 |
| MODEL | AUD2C100A9612A | AUD2D120A9542A | AUD2D120A9602A | AUD2D140A9602A |
| RATINGS2 | ||||
| 1st Stage Input BTUH | 65000 | 78000 | 78000 | 91000 |
| 1st Stage Capacity BTUH (ICS)3 | 52000 | 62400 | 62400 | 72800 |
| 2nd Stage Input BTUH | 100000 | 120000 | 120000 | 140000 |
| 2nd Stage Capacity BTUH (ICS)3 | 79000 | 94000 | 95000 | 111000 |
| AFUE (ICS) | 81.1 | 80.0 | 80.0 | 80.0 |
| Temp. Rise (Min.-Max.) °F. | 30 – 60 | 35 – 65 | 30 – 60 | 40 – 70 |
| BLOWER DRIVE | DIRECT | DIRECT | DIRECT | DIRECT |
| Dia.-Width (In.) | 10 x 10 | 11 x 10 | 11 x 10 | 11 x 10 |
| No. Used | 1 | 1 | 1 | 1 |
| Speeds (No.) | 4 | 4 | 4 | 4 |
| CFM vs. in. w.g. | SEE FAN PERF. TABLE | SEE FAN PERF. TABLE | SEE FAN PERF. TABLE | SEE FAN PERF. TABLE |
| Motor HP | 3/4 | 3/4 | 3/4 | 3/4 |
| R.P.M. | 1075 | 1075 | 1075 | 1075 |
| Volts/Ph/Hz | 115/1/60 | 115/1/60 | 115/1/60 | 115/1/60 |
| COMBUSTION FAN — TYPE | CENTRIFUGAL | CENTRIFUGAL | CENTRIFUGAL | CENTRIFUGAL |
| Drive – No. Speeds | DIRECT – 2 | DIRECT – 2 | DIRECT – 2 | DIRECT – 2 |
| Motor HP – RPM | 1/50 – 3000 | 1/50 – 3000 | 1/50 – 3000 | 1/50 – 3000 |
| Volts/Ph/Hz | 115/1/60 | 115/1/60 | 115/1/60 | 115/1/60 |
| FL Amps | 0.93 | .95 | .95 | .95 |
| FILTER — Furnished? | YES | YES | YES | YES |
| Type Recommended | HIGH VELOCITY | HIGH VELOCITY | HIGH VELOCITY | HIGH VELOCITY |
| Filter (No.-Size-Thk.) | 1 – 24 X 25 – 1 IN. | 1 – 20 X 25 – 1 IN. | 1 – 24 X 25 – 1 IN. | 1 – 24 X 25 – 1 IN. |
| VENT — Size (In.) | 4 ROUND | 4 ROUND | 4 ROUND | 4 ROUND |
| HEAT EXCHANGER | ||||
| Type -Fired | ALUMINIZED STEEL TYPE 1 | ALUMINIZED STEEL TYPE 1 | ALUMINIZED STEEL TYPE 1 | ALUMINIZED STEEL TYPE 1 |
| -Unfired | ||||
| Gauge (Fired) | 20 | 20 | 20 | 20 |
| ORIFICES — Main | ||||
| Nat. Gas. Qty. — Drill Size | 5 – 45 | 6 – 45 | 6 – 45 | 7 – 45 |
| L.P. Gas Qty. — Drill Size | 5 – 56 | 6 – 56 | 6 – 56 | 7 – 56 |
| GAS VALVE | REDUNDANT – TWO STAGE | REDUNDANT – TWO STAGE | REDUNDANT – TWO STAGE | REDUNDANT – TWO STAGE |
| DIRECT IGNITION DEVICE | ||||
| Type | HOT SURFACE | HOT SURFACE | HOT SURFACE | HOT SURFACE |
| BURNERS — Type | IN-SHOT | IN-SHOT | IN-SHOT | IN-SHOT |
| Number | 5 | 6 | 6 | 7 |
| POWER CONN. — V/Ph/Hz4 | 115/1/60 | 115/1/60 | 115/1/60 | 115/1/60 |
| Ampacity (In Amps) | 12.8 | 12.8 | 12.8 | 13.0 |
| Max. Overcurrent Protection (Amps) | 15 | 15 | 15 | 15 |
| PIPE CONN. SIZE (IN.) | 1/2 | 1/2 | 1/2 | 1/2 |
| DUCT CONN. | SEE OUTLINE DRAWING | SEE OUTLINE DRAWING | SEE OUTLINE DRAWING | SEE OUTLINE DRAWING |
| DIMENSIONS | H X W X D | H X W X D | H X W X D | H X W X D |
| Crated (In.) | 41-3/4 X 26-1/2 X 30-1/2 | 41-3/4 X 23 X 30-1/2 | 41-3/4 X 26-1/2 X 30-1/2 | 41-3/4 X 26-1/2 X 30-1/2 |
| Uncrated | SEE OUTLINE DRAWING | SEE OUTLINE DRAWING | SEE OUTLINE DRAWING | SEE OUTLINE DRAWING |
| WEIGHT | ||||
| Shipping (Lbs.)/Net (Lbs.) | 175/163 | 176/165 | 186/174 | 193/181 |
ADD2 Product Specifications
| MODEL | ADD2A040A9242A | ADD2A060A9362A | ADD2B060A9362A |
| RATINGS2 | |||
| 1st Stage Input BTUH | 26000 | 39000 | 39000 |
| 1st Stage Capacity BTUH (ICS)3 | 20800 | 31200 | 31200 |
| 2nd Stage Input BTUH | 40000 | 60000 | 60000 |
| 2nd Stage Capacity BTUH (ICS)3 | 32000 | 47000 | 47000 |
| AFUE (ICS) | 80.0 | 80.0 | 80.0 |
| Temp. Rise (Min.-Max.) °F. | 30 – 60 | 30 – 60 | 30 – 60 |
| BLOWER DRIVE | DIRECT | DIRECT | DIRECT |
| Dia.-Width (In.) | 10 x 6 | 10 x 7 | 10 x 7 |
| No. Used | 1 | 1 | 1 |
| Speeds (No.) | 4 | 4 | 4 |
| CFM vs. in. w.g. | SEE FAN PERF. TABLE | SEE FAN PERF. TABLE | SEE FAN PERF. TABLE |
| Motor HP | 1/5 | 1/3 | 1/3 |
| R.P.M. | 1075 | 1075 | 1075 |
| Volts/Ph/Hz | 115/1/60 | 115/1/60 | 115/1/60 |
| COMBUSTION FAN — TYPE | CENTRIFUGAL | CENTRIFUGAL | CENTRIFUGAL |
| Drive – No. Speeds | DIRECT – 2 | DIRECT – 2 | DIRECT – 2 |
| Motor HP – RPM | 1/50 – 3000 | 1/50 – 3000 | 1/50 – 3000 |
| Volts/Ph/Hz | 115/1/60 | 115/1/60 | 115/1/60 |
| FL Amps | 1.0 | 1.0 | 1.0 |
| FILTER — Furnished? | YES | YES | YES |
| Type Recommended | HIGH VELOCITY | HIGH VELOCITY | HIGH VELOCITY |
| Filter (No.-Size-Thk.) | 2 – 14 X 20 – 1 IN. | 2 – 14 X 20 – 1 IN | 2 – 14 X 20 – 1 IN |
| VENT — Size (In.) | 4 ROUND | 4 ROUND | 4 ROUND |
| HEAT EXCHANGER | |||
| Type -Fired | ALUMINIZED STEEL TYPE 1 | ALUMINIZED STEEL TYPE 1 | ALUMINIZED STEEL TYPE 1 |
| -Unfired | |||
| Gauge (Fired) | 20 | 20 | 20 |
| ORIFICES — Main | |||
| Nat. Gas. Qty. — Drill Size | 2 – 45 | 3 – 45 | 3 – 45 |
| L.P. Gas Qty. — Drill Size | 2 – 56 | 3 – 56 | 3 – 56 |
| GAS VALVE | REDUNDANT – TWO STAGE | REDUNDANT – TWO STAGE | REDUNDANT – TWO STAGE |
| DIRECT IGNITION DEVICE | |||
| Type | HOT SURFACE | HOT SURFACE | HOT SURFACE |
| BURNERS — Type | IN-SHOT | IN-SHOT | IN-SHOT |
| Number | 2 | 3 | 3 |
| POWER CONN. — V/Ph/Hz4 | 115/1/60 | 115/1/60 | 115/1/60 |
| Ampacity (In Amps) | 5.2 | 8.75 | 8.75 |
| Max. Overcurrent Protection (Amps) | 10 | 15 | 15 |
| PIPE CONN. SIZE (IN.) | 1/2 | 1/2 | 1/2 |
| DUCT CONN. | SEE OUTLINE DRAWING | SEE OUTLINE DRAWING | SEE OUTLINE DRAWING |
| DIMENSIONS | H X W X D | H X W X D | H X W X D |
| Crated (In.) | 41 X 15-1/2 X 29-1/2 | 41 X 15-1/2 X 29-1/2 | 41 X 18-1/2 X 29-1/2 |
| Uncrated | SEE OUTLINE DRAWING | SEE OUTLINE DRAWING | SEE OUTLINE DRAWING |
| WEIGHT | |||
| Shipping (Lbs.)/Net (Lbs.) | 119 / 109 | 129 / 119 | 129 / 119 |
| MODEL | ADD2B080A9362A | ADD2B100A9482A | ADD2C100A9482A |
| RATINGS2 | |||
| 1st Stage Input BTUH | 52000 | 65000 | 65000 |
| 1st Stage Capacity BTUH (ICS)3 | 41600 | 52000 | 52000 |
| 2nd Stage Input BTUH | 80000 | 100000 | 100000 |
| 2nd Stage Capacity BTUH (ICS)3 | 64000 | 79000 | 79000 |
| AFUE (ICS) | 80.0 | 80.0 | 80.0 |
| Temp. Rise (Min.-Max.) °F. | 35 – 65 | 40 – 70 | 35 – 65 |
| BLOWER DRIVE | DIRECT | DIRECT | DIRECT |
| Dia.-Width (In.) | 10 x 7 | 10 x 8 | 10 x 8 |
| No. Used | 1 | 1 | 1 |
| Speeds (No.) | 4 | 4 | 4 |
| CFM vs. in. w.g. | SEE FAN PERF. TABLE | SEE FAN PERF. TABLE | SEE FAN PERF. TABLE |
| Motor HP | 1/3 | 1/3 | 1/2 |
| R.P.M. | 1075 | 1075 | 1075 |
| Volts/Ph/Hz | 115/1/60 | 115/1/60 | 115/1/60 |
| COMBUSTION FAN — TYPE | CENTRIFUGAL | CENTRIFUGAL | CENTRIFUGAL |
| Drive – No. Speeds | DIRECT – 2 | DIRECT – 2 | DIRECT – 2 |
| Motor HP – RPM | 1/50 – 3000 | 1/50 – 3000 | 1/50 – 3000 |
| Volts/Ph/Hz | 115/1/60 | 115/1/60 | 115/1/60 |
| FL Amps | 1.0 | 0.93 | 0.93 |
| FILTER — Furnished? | YES | YES | YES |
| Type Recommended | HIGH VELOCITY | HIGH VELOCITY | HIGH VELOCITY |
| Filter (No.-Size-Thk.) | 2 – 14 X 20 – 1 IN | 2 – 16 X 20 – 1 IN | 2 – 16 X 20 – 1 IN |
| VENT — Size (In.) | 4 ROUND | 4 ROUND | 4 ROUND |
| HEAT EXCHANGER | |||
| Type -Fired | ALUMINIZED STEEL TYPE 1 | ALUMINIZED STEEL TYPE 1 | ALUMINIZED STEEL TYPE 1 |
| -Unfired | |||
| Gauge (Fired) | 20 | 20 | 20 |
| ORIFICES — Main | |||
| Nat. Gas. Qty. — Drill Size | 4 – 45 | 4 – 45 | 5 – 45 |
| L.P. Gas Qty. — Drill Size | 4 – 56 | 4 – 56 | 5 – 56 |
| GAS VALVE | REDUNDANT – TWO STAGE | REDUNDANT – TWO STAGE | REDUNDANT – TWO STAGE |
| DIRECT IGNITION DEVICE | |||
| Type | HOT SURFACE | HOT SURFACE | HOT SURFACE |
| BURNERS — Type | IN-SHOT | IN-SHOT | IN-SHOT |
| Number | 4 | 4 | 5 |
| POWER CONN. — V/Ph/Hz4 | 115/1/60 | 115/1/60 | 115/1/60 |
| Ampacity (In Amps) | 8.4 | 9.1 | 14.2 |
| Max. Overcurrent Protection (Amps) | 15 | 15 | 15 |
| PIPE CONN. SIZE (IN.) | 1/2 | 1/2 | 1/2 |
| DUCT CONN. | SEE OUTLINE DRAWING | SEE OUTLINE DRAWING | SEE OUTLINE DRAWING |
| DIMENSIONS | H X W X D | H X W X D | H X W X D |
| Crated (In.) | 41 X 18-1/2 X 29-1/2 | 41 X 18-1/2 X 29-1/2 | 41 X 22 X 29-1/2 |
| Uncrated | SEE OUTLINE DRAWING | SEE OUTLINE DRAWING | SEE OUTLINE DRAWING |
| WEIGHT | |||
| Shipping (Lbs.)/Net (Lbs.) | 146 / 135 | 156 / 145 | 165 / 154 |
| MODEL | ADD2C100A9602A | ADD2D120A9602A | ADD2D140A9602A |
| RATINGS2 | |||
| 1st Stage Input BTUH | 65000 | 78000 | 91000 |
| 1st Stage Capacity BTUH (ICS)3 | 52000 | 62400 | 72800 |
| 2nd Stage Input BTUH | 100000 | 120000 | 140000 |
| 2nd Stage Capacity BTUH (ICS)3 | 80000 | 95000 | 112000 |
| AFUE (ICS) | 80.0 | 80.0 | 80.0 |
| Temp. Rise (Min.-Max.) °F. | 30 – 60 | 30 – 60 | 45 – 75 |
| BLOWER DRIVE | DIRECT | DIRECT | DIRECT |
| Dia.-Width (In.) | 11 x 10 | 11 x 10 | 11 x 10 |
| No. Used | 1 | 1 | 1 |
| Speeds (No.) | 4 | 4 | 4 |
| CFM vs. in. w.g. | SEE FAN PERF. TABLE | SEE FAN PERF. TABLE | SEE FAN PERF. TABLE |
| Motor HP | 1/2 | 3/4 | 3/4 |
| R.P.M. | 1075 | 1075 | 1075 |
| Volts/Ph/Hz | 115/1/60 | 115/1/60 | 115/1/60 |
| COMBUSTION FAN — TYPE | CENTRIFUGAL | CENTRIFUGAL | CENTRIFUGAL |
| Drive – No. Speeds | DIRECT – 2 | DIRECT – 2 | DIRECT – 2 |
| Motor HP – RPM | 1/50 – 3000 | 1/50 – 3000 | 1/50 – 3000 |
| Volts/Ph/Hz | 115/1/60 | 115/1/60 | 115/1/60 |
| FL Amps | 0.93 | .95 | .95 |
| FILTER — Furnished? | YES | YES | YES |
| Type Recommended | HIGH VELOCITY | HIGH VELOCITY | HIGH VELOCITY |
| Filter (No.-Size-Thk.) | 2 – 16 X 20 – 1 IN | 2 – 16 X 20 – 1 IN | 2 – 16 X 20 – 1 IN |
| VENT — Size (In.) | 4 ROUND | 4 ROUND | 4 ROUND |
| HEAT EXCHANGER | |||
| Type -Fired | ALUMINIZED STEEL TYPE 1 | ALUMINIZED STEEL TYPE 1 | ALUMINIZED STEEL TYPE 1 |
| -Unfired | |||
| Gauge (Fired) | 20 | 20 | 20 |
| ORIFICES — Main | |||
| Nat. Gas. Qty. — Drill Size | 5 – 45 | 6 – 45 | 7 – 45 |
| L.P. Gas Qty. — Drill Size | 5 – 56 | 6 – 56 | 7 – 56 |
| GAS VALVE | REDUNDANT – TWO STAGE | REDUNDANT – TWO STAGE | REDUNDANT – TWO STAGE |
| DIRECT IGNITION DEVICE | |||
| Type | HOT SURFACE IGNITOR | HOT SURFACE | HOT SURFACE |
| BURNERS — Type | IN-SHOT | IN-SHOT | IN-SHOT |
| Number | 5 | 6 | 7 |
| POWER CONN. — V/Ph/Hz4 | 115/1/60 | 115/1/60 | 115/1/60 |
| Ampacity (In Amps) | 12.8 | 12.8 | 13.1 |
| Max. Overcurrent Protection (Amps) | 15 | 15 | 15 |
| PIPE CONN. SIZE (IN.) | 1/2 | 1/2 | 1/2 |
| DUCT CONN. | SEE OUTLINE DRAWING | SEE OUTLINE DRAWING | SEE OUTLINE DRAWING |
| DIMENSIONS | H X W X D | H X W X D | H X W X D |
| Crated (In.) | 41-3/4 X 23 X 30-1/2 | 41-3/4 X 26-1/2 X 30-1/2 | 41 X 25-1/2 X 29-1/2 |
| Uncrated | SEE OUTLINE DRAWING | SEE OUTLINE DRAWING | SEE OUTLINE DRAWING |
| WEIGHT | |||
| Shipping (Lbs.)/Net (Lbs.) | 167 / 155 | 186/174 | 197 / 184 |
Performance Data
AUD2
| FURNACE AIRFLOW (CFM) VS. EXTERNAL STATIC PRESSURE (IN. W.C.) | ||||||||||
| MODEL | SPEED TAP | 0.10 | 0.20 | 0.30 | 0.40 | 0.50 | 0.60 | 0.70 | 0.80 | 0.90 |
| 4 – HIGH – Black | 1018 | 1004 | 982 | 950 | 910 | 860 | 802 | 763 | 660 | |
| *UD2A040A9242A | 3 – MED.-HIGH – Blue 2 – MED.-LOW – Yellow | 847 716 | 832 701 | 809 678 | 779 648 | 742 610 | 697 585 | 644 512 | 585 452 | 517 384 |
| 1 – LOW – Red | 617 | 599 | 575 | 544 | 507 | 463 | 413 | 357 | 294 | |
| 4 – HIGH – Black | 1426 | 1389 | 1345 | 1298 | 1236 | 1171 | 1099 | 1020 | 934 | |
| *UD2A060A9362A | 3 – MED.-HIGH – Blue 2 – MED.-LOW – Yellow | 1243 1042 | 1225 1039 | 1197 1027 | 1160 1005 | 1113 973 | 1057 931 | 991 879 | 916 817 | 831 745 |
| 1 – LOW – Red | 900 | 903 | 895 | 877 | 848 | 809 | 760 | 700 | 629 | |
| 4 – HIGH – Black | 1588 | 1554 | 1517 | 1468 | 1412 | 1351 | 1278 | 1200 | 1102 | |
| *UD2B060A9362A | 3 – MED.-HIGH – Blue 2 – MED.-LOW – Yellow | 1329 1090 | 1318 1090 | 1299 1093 | 1268 1076 | 1228 1052 | 1186 1028 | 1135 978 | 1072 917 | 988 836 |
| 1 – LOW – Red | 894 | 901 | 904 | 894 | 881 | 860 | 828 | 777 | 638 | |
| 4 – HIGH – Black | 1393 | 1384 | 1364 | 1335 | 1296 | 1247 | 1189 | 1120 | 1042 | |
| *UD2B080A9362A | 3 – MED.-HIGH – Blue 2 – MED.-LOW – Yellow | 1210 1046 | 1209 1052 | 1198 1047 | 1177 1033 | 1147 1008 | 1107 973 | 1058 928 | 999 873 | 930 808 |
| 1 – LOW – Red | 900 | 903 | 895 | 888 | 869 | 842 | 808 | 766 | 717 | |
| 4 – HIGH – Black | 1839 | 1821 | 1796 | 1756 | 1710 | 1641 | 1573 | 1480 | 1392 | |
| *UD2B080A9482A | 3 – MED.-HIGH – Blue 2 – MED.-LOW – Yellow | 1323 1092 | 1325 1090 | 1329 1091 | 1319 1083 | 1308 1076 | 1275 1059 | 1246 1040 | 1201 1005 | 1165 970 |
| 1 – LOW – Red | 788 | 783 | 780 | 768 | 758 | 737 | 719 | 674 | 630 | |
| 4 – HIGH – Black | 1476 | 1464 | 1441 | 1408 | 1363 | 1307 | 1241 | 1163 | 1074 | |
| *UD2B100A9362A | 3 – MED.-HIGH – Blue 2 – MED.-LOW – Yellow | 1249 1020 | 1257 1046 | 1252 1058 | 1234 1050 | 1203 1028 | 1158 990 | 1101 936 | 1030 866 | 946 780 |
| 1 – LOW – Red | 873 | 887 | 890 | 883 | 864 | 834 | 794 | 742 | 680 | |
| 4 – HIGH – Black | 1880 | 1846 | 1799 | 1740 | 1669 | 1595 | 1489 | 1381 | 1260 | |
| *UD2C100A9482A | 3 – MED.-HIGH – Blue 2 – MED.-LOW – Yellow | 1662 1428 | 1635 1421 | 1598 1402 | 1551 1370 | 1493 1326 | 1424 1269 | 1345 1199 | 1256 1117 | 1157 1022 |
| 1 – LOW – Red | 1208 | 1215 | 1210 | 1193 | 1164 | 1124 | 1073 | 1009 | 935 | |
| 4 – HIGH – Black | 2181 | 2143 | 2104 | 2053 | 2001 | 1929 | 1856 | 1766 | 1676 | |
| *UD2C100A9602A | 3 – MED.-HIGH – Blue 2 – MED.-LOW – Yellow | 1908 1621 | 1888 1609 | 1868 1597 | 1834 1582 | 1800 1567 | 1745 1533 | 1690 1498 | 1631 1438 | 1572 1377 |
| 1 – LOW – Red | 1443 | 1419 | 1395 | 1381 | 1367 | 1335 | 1302 | 1256 | 1209 | |
| 4 – HIGH – Black | 2162 | 2130 | 2097 | 2067 | 2037 | 1976 | 1914 | 1833 | 1752 | |
| *UD2D120A9542A | 3 – MED.-HIGH – Blue 2 – MED.-LOW – Yellow | 1889 1654 | 1881 1643 | 1873 1631 | 1839 1619 | 1805 1606 | 1776 1572 | 1746 1538 | 1670 1483 | 1593 1428 |
| 1 – LOW – Red | 1427 | 1421 | 1414 | 1400 | 1386 | 1357 | 1327 | 1285 | 1243 | |
| 4 – HIGH – Black | 2250 | 2185 | 2120 | 2046 | 1972 | 1868 | 1762 | 1640 | 1517 | |
| *UD2C100A9602A | 3 – MED.-HIGH – Blue 2 – MED.-LOW – Yellow | 2085 1860 | 2039 1842 | 1992 1824 | 1918 1773 | 1843 1722 | 1760 1651 | 1677 1579 | 1567 1465 | 1456 1350 |
| 1 – LOW – Red | 1638 | 1630 | 1621 | 1591 | 1561 | 1497 | 1433 | 1321 | 1208 | |
| 4 – HIGH – Black | 2135 | 2101 | 2066 | 2036 | 2005 | 1923 | 1840 | 1750 | 1659 | |
| *UD2D120A9602A | 3 – MED.-HIGH – Blue 2 – MED.-LOW – Yellow | 1906 1646 | 1881 1632 | 1856 1617 | 1817 1596 | 1777 1575 | 1724 1535 | 1671 1494 | 1602 1427 | 1533 1360 |
| 1 – LOW – Red | 1423 | 1415 | 1407 | 1391 | 1375 | 1338 | 1300 | 1246 | 1192 | |
| 4 – HIGH – Black | 2462 | 2407 | 2351 | 2284 | 2216 | 2143 | 2069 | 1989 | 1908 | |
| *UD2D140A9602A | 3 – MED.-HIGH – Blue 2 – MED.-LOW – Yellow | 2128 1755 | 2112 1746 | 2096 1736 | 2054 1719 | 2011 1702 | 1949 1656 | 1887 1609 | 1797 1564 | 1706 1518 |
| 1 – LOW – Red | 1450 | 1446 | 1442 | 1427 | 1411 | 1383 | 1354 | 1298 | 1241 | |
| *- First letter may be “A” or “T” | ||||||||||
AUD2 CFM VS. TEMPERATURE RISE
| MODEL | CFM (CUBIC FEET PER MINUTE) | |||||||||||||||||||
| 500 | 600 | 700 | 800 | 900 | 1000 | 1100 | 1200 | 1300 | 1400 | 1500 | 1600 | 1700 | 1800 | 1900 | 2000 | 2100 | 2200 | 2300 | 2400 | |
| *UD2A040A9242A | 59 | 49 | 42 | 37 | 33 | 30 | ||||||||||||||
| *UD2A060A9362A | 56 | 49 | 44 | 40 | 37 | 34 | 32 | |||||||||||||
| *UD2B060A9362A | 56 | 49 | 44 | 40 | 37 | 34 | 32 | |||||||||||||
| *UD2B080A9362A | 59 | 54 | 49 | 46 | 42 | |||||||||||||||
| *UD2B080A9482A | 58 | 52 | 49 | 46 | 42 | 40 | 37 | 35 | 33 | |||||||||||
| *UD2B100A9362A | 67 | 62 | 57 | 53 | 49 | |||||||||||||||
| *UD2C100A9482A | 67 | 62 | 57 | 53 | 49 | 46 | 44 | 41 | 39 | 37 | ||||||||||
| *UD2C100A9602A | 62 | 57 | 53 | 49 | 46 | 44 | 41 | 39 | 37 | 35 | 34 | 32 | 31 | |||||||
| *UD2D100A9602A | 62 | 57 | 53 | 49 | 46 | 44 | 41 | 39 | 37 | 35 | 34 | 32 | 31 | |||||||
| *UD2D120A9542A | 63 | 59 | 56 | 52 | 49 | 47 | 44 | 42 | 40 | |||||||||||
| *UD2D120A9602A | 59 | 56 | 52 | 49 | 47 | 44 | 42 | 40 | ||||||||||||
| *UD2D140A9602A | 69 | 65 | 61 | 58 | 55 | 52 | 49 | 47 | 45 | |||||||||||
| *- May be “A” or “T” | ||||||||||||||||||||
ADD2 CFM VS. TEMPERATURE RISE
| MODEL | CFM (CUBIC FEET PER MINUTE) | |||||||||||||||||||
| 500 | 600 | 700 | 800 | 900 | 1000 | 1100 | 1200 | 1300 | 1400 | 1500 | 1600 | 1700 | 1800 | 1900 | 2000 | 2100 | 2200 | 2300 | 2400 | |
| *DD2A040A9242A | 59 | 49 | 42 | 37 | 33 | 30 | ||||||||||||||
| *DD2A060A9362A | 56 | 49 | 44 | 40 | 37 | 34 | 32 | |||||||||||||
| *DD2B060A9362A | 56 | 49 | 44 | 40 | 37 | 34 | 32 | |||||||||||||
| *DD2B080A9362A | 59 | 54 | 49 | 46 | 42 | |||||||||||||||
| *DD2B100A9482A | 62 | 57 | 53 | 49 | 46 | 44 | 41 | |||||||||||||
| *DD2C100A9482A | 62 | 57 | 53 | 49 | 46 | 44 | 41 | 39 | 37 | |||||||||||
| *DD2C100A9602A | 62 | 57 | 53 | 49 | 46 | 44 | 41 | 39 | 37 | 35 | 34 | 32 | 31 | |||||||
| *DD2D120A9602A | 59 | 56 | 52 | 49 | 47 | 44 | 42 | 40 | ||||||||||||
| *DD2D140A9602A | 69 | 65 | 61 | 58 | 55 | 52 | 49 | 47 | 45 | |||||||||||
ADD2
| FURNACE AIRFLOW (CFM) VS. EXTERNAL STATIC PRESSURE (IN. W.C.) | ||||||||||
| MODEL | SPEED TAP | 0.10 | 0.20 | 0.30 | 0.40 | 0.50 | 0.60 | 0.70 | 0.80 | 0.90 |
| 4 – HIGH – Black | 1070 | 1033 | 1000 | 960 | 920 | 860 | 810 | 740 | – | |
| *DD2A040A9242A | 3 – MED.-HIGH – Blue 2 – MED.-LOW – Yellow | 870 740 | 850 720 | 823 690 | 790 663 | 753 627 | 813 588 | 667 547 | 613 483 | 490 – |
| 1 – LOW – Red | 633 | 600 | 577 | 543 | 507 | 463 | 420 | 360 | – | |
| 4 – HIGH – Black | 1480 | 1429 | 1376 | 1318 | 1282 | 1188 | 1112 | 1029 | 959 | |
| *DD2A060A9362A | 3 – MED.-HIGH – Blue 2 – MED.-LOW – Yellow | 1302 1115 | 1276 1100 | 1229 1070 | 1188 1035 | 1141 1000 | 1088 965 | 1024 918 | 953 859 | 882 790 |
| 1 – LOW – Red | 956 | 947 | 918 | 888 | 859 | 824 | 788 | 741 | 682 | |
| 4 – HIGH – Black | 1644 | 1593 | 1525 | 1473 | 1408 | 1316 | 1269 | 1178 | 1056 | |
| *DD2B060A9362A | 3 – MED.-HIGH – Blue 2 – MED.-LOW – Yellow | 1467 1252 | 1431 1216 | 1383 1194 | 1332 1169 | 1277 1122 | 1209 1079 | 1137 1011 | 1064 933 | 970 840 |
| 1 – LOW – Red | 1025 | 1022 | 1003 | 986 | 955 | 910 | 862 | 793 | 672 | |
| 4 – HIGH – Black | 1523 | 1496 | 1463 | 1420 | 1369 | 1310 | 1243 | 1172 | 1100 | |
| *DD2B080A9362A | 3 – MED.-HIGH – Blue 2 – MED.-LOW – Yellow | 1317 1123 | 1307 1119 | 1261 1106 | 1260 1082 | 1223 1056 | 1175 1016 | 1122 976 | 1060 930 | 1000 880 |
| 1 – LOW – Red | 942 | 943 | 931 | 920 | 898 | 818 | 833 | 795 | 760 | |
| 4 – HIGH – Black | 1767 | 1731 | 1669 | 1615 | 1546 | 1469 | 1392 | 1300 | 1146 | |
| *DD2B100A9482A | 3 – MED.-HIGH – Blue 2 – MED.-LOW – Yellow | 1382 1130 | 1354 1138 | 1323 1115 | 1292 1085 | 1254 1054 | 1207 1015 | 1177 977 | 1108 938 | 1038 877 |
| 1 – LOW – Red | 840 | 831 | 815 | 792 | 762 | 731 | 700 | 654 | 625 | |
| 4 – HIGH – Black | 1965 | 1915 | 1865 | 1805 | 1740 | 1670 | 1587 | 1500 | 1370 | |
| *DD2C100A9482A | 3 – MED.-HIGH – Blue 2 – MED.-LOW – Yellow | 1645 1407 | 1627 1398 | 1605 1387 | 1575 1375 | 1535 1347 | 1482 1318 | 1421 1275 | 1330 1190 | 1220 1095 |
| 1 – LOW – Red | 1202 | 1208 | 1205 | 1195 | 1166 | 1140 | 1105 | 1045 | 970 | |
| 4 – HIGH – Black | 2165 | 2113 | 2060 | 1995 | 1929 | 1842 | 1755 | 1674 | 1593 | |
| *DD2C100A9602A | 3 – MED.-HIGH – Blue 2 – MED.-LOW – Yellow | 1962 1705 | 1927 1688 | 1891 1671 | 1839 1671 | 1786 1600 | 1724 1547 | 1662 1492 | 1581 1435 | 1500 1377 |
| 1 – LOW – Red | 1492 | 1467 | 1442 | 1442 | 1385 | 1346 | 1307 | 1243 | 1179 | |
| 4 – HIGH – Black | 2241 | 2202 | 2163 | 2106 | 2049 | 1979 | 1908 | 1804 | 1700 | |
| *DD2D120A9602A | 3 – MED.-HIGH – Blue 2 – MED.-LOW – Yellow | 1981 1721 | 1962 1705 | 1942 1688 | 1904 1671 | 1866 1653 | 1805 1611 | 1743 1569 | 1680 1515 | 1617 1461 |
| 1 – LOW – Red | 1476 | 1466 | 1456 | 1440 | 1423 | 1392 | 1361 | 1302 | 1243 | |
| 4 – HIGH – Black | 2377 | 2321 | 2265 | 2199 | 2133 | 2050 | 1967 | 1877 | 1786 | |
| *DD2D140A9602A | 3 – MED.-HIGH – Blue 2 – MED.-LOW – Yellow | 2115 1806 | 2081 1793 | 2046 1779 | 1992 1738 | 1938 1696 | 1872 1655 | 1805 1614 | 1727 1556 | 1649 1497 |
| 1 – LOW – Red | 1527 | 1507 | 1486 | 1473 | 1459 | 1422 | 1384 | 1329 | 1273 | |
| *- First letter may be “A” or “T” | ||||||||||
Electrical Data
AUD2 Schematic Diagrams For Gas Furnaces
ADD2 Schematic Diagrams For Gas Furnaces

Field Wiring

Twinning Field Wiring



Dimensions

American Standard
- Heating & Air Conditioning
- 6200 Troup Highway
- Tyler, TX 75707
- www.americanstandardair.com




















