RYOBI P320 18 GA Brad Nailer

GENERAL POWER TOOL SAFETY WARNINGS
WARNING
Read all safety warnings and all instructions. Failure to follow the warnings and instructions may result in electric shock, fire and/or serious injury.
Save all warnings and instructions for future reference.
The term “power tool” in the warnings refers to your mains-operated (corded) power tool or battery-operated (cordless) power tool.
WORK AREA SAFETY
- Keep work area clean and well lit. Cluttered or dark areas invite accidents.
- Do not operate power tools in explosive atmospheres, such as in the presence of flammable liquids, gases or dust. Power tools create sparks which may ignite the dust or fumes.
- Keep children and bystanders away while operating a power tool. Distractions can cause you to lose control.
ELECTRICAL SAFETY
- Power tool plugs must match the outlet. Never modify the plug in any way. Do not use any adapter plugs with earthed (grounded) power tools. Unmodified plugs and matching outlets will reduce risk of electric shock.
- Avoid body contact with earthed or grounded surfaces such as pipes, radiators, ranges and refrigerators. There is an increased risk of electric shock if your body is earthed or grounded.
- Do not expose power tools to rain or wet conditions. Water entering a power tool will increase the risk of electric shock.
- Do not abuse the cord. Never use the cord for carrying, pulling or unplugging the power tool. Keep cord away from heat, oil, sharp edges or moving parts. Damaged or entangled cords increase the risk of electric shock.
- When operating a power tool outdoors, use an exten-sion cord suitable for outdoor use. Use of a cord suitable for outdoor use reduces the risk of electric shock.
- If operating a power tool in a damp location is unavoidable, use a ground fault circuit interrupter (GFCI) protected supply. Use of a GFCI reduces the risk of electric shock.
- Use battery only with charger listed. For use with 18V lithium-ion battery packs, see tool/appliance/battery pack/charger correlation supplement 987000-432.
PERSONAL SAFETY
- Stay alert, watch what you are doing and use common sense when operating a power tool. Do not use a power tool while you are tired or under the influence of drugs, alcohol or medication. A moment of inattention while operating power tools may result in serious personal injury.
- Use personal protective equipment. Always wear eye protection. Protective equipment such as dust mask, non-skid safety shoes, hard hat, or hearing protection used for appropriate conditions will reduce personal injuries.
- Prevent unintentional starting. Ensure the switch is in the off-position before connecting to power source and/or battery pack, picking up or carrying the tool. Carrying power tools with your finger on the switch or energising power tools that have the switch on invites accidents.
- Remove any adjusting key or wrench before turning the power tool on. A wrench or a key left attached to a rotating part of the power tool may result in personal injury.
- Do not overreach. Keep proper footing and balance at all times. This enables better control of the power tool in unexpected situations.
- Dress properly. Do not wear loose clothing or jewellery. Keep your hair, clothing and gloves away from moving parts. Loose clothes, jewellery or long hair can be caught in moving parts.
- If devices are provided for the connection of dust extraction and collection facilities, ensure these are connected and properly used. Use of dust collection can reduce dust-related hazards.
- Do not wear loose clothing or jewellery. Contain long hair. Loose clothes, jewelry, or long hair can be drawn into air vents.
- Do not use on a ladder or unstable support. Stable footing on a solid surface enables better control of the power tool in unexpected situations.
POWER TOOL USE AND CARE
- Do not force the power tool. Use the correct power tool for your application. The correct power tool will do the job better and safer at the rate for which it was designed.
- Do not use the power tool if the switch does not turn it on and off. Any power tool that cannot be controlled with the switch is dangerous and must be repaired.
- Disconnect the plug from the power source and/or the battery pack from the power tool before making any adjustments, changing accessories, or storing power tools. Such preventive safety measures reduce the risk of starting the power tool accidentally.
- Store idle power tools out of the reach of children and do not allow persons unfamiliar with the power tool or these instructions to operate the power tool. Power tools are dangerous in the hands of untrained users.
- Maintain power tools. Check for misalignment or binding of moving parts, breakage of parts and any other condition that may affect the power tool’s operation. If damaged, have the power tool repaired before use. Many accidents are caused by poorly maintained power tools.
- Keep cutting tools sharp and clean. Properly maintained cutting tools with sharp cutting edges are less likely to bind and are easier to control.
- Use the power tool, accessories and tool bits etc. in accordance with these instructions, taking into account the working conditions and the work to be performed. Use of the power tool for operations different from those intended could result in a hazardous situation
BATTERY TOOL USE AND CARE
- Recharge only with the charger specified by the manufacturer. A charger that is suitable for one type of battery pack may create a risk of fire when used with another battery pack.
- Use power tools only with specifically designated battery packs. Use of any other battery packs may create a risk of injury and fire.
- When battery pack is not in use, keep it away from other metal objects, like paper clips, coins, keys, nails, screws or other small metal objects, that can make a connection from one terminal to another. Shorting the battery terminals together may cause burns or a fire.
- Under abusive conditions, liquid may be ejected from the battery; avoid contact. If contact accidentally occurs, flush with water. If liquid contacts eyes, additionally seek medical help. Liquid ejected from the battery may cause irritation or burns.
SERVICE
- Have your power tool serviced by a qualified repair person using only identical replacement parts. This will ensure that the safety of the power tool is maintained.
- When servicing a power tool, use only identical replacement parts. Follow instructions in the Main-tenance section of this manual. Use of unauthorized parts or failure to follow Maintenance instructions may create a risk of shock or injury.
NAILER SAFETY WARNINGS
- Always assume that the tool contains nails. Careless handling of the nailer can result in unexpected firing of nails and personal injury.
- Do not point the tool towards yourself or anyone nearby. Unexpected triggering will discharge the nail causing an injury.
- Do not actuate the tool unless the tool is placed firmly against the workpiece. If the tool is not in contact with the workpiece, the nail may be deflected away from your target.
- Disconnect the tool from the power source when the fastener jams in the tool. While removing a jammed fastener, the tacker may be accidentally activated if it is plugged in.
- Use caution while removing a jammed nail. The mechanism may be under compression and the nail may be forcefully discharged while attempting to free a jammed condition.
- Do not use this nailer for fastening electrical cables. It is not designed for electric cable installation and may damage the insulation of electric cables thereby causing electric shock or fire hazards.
- Hold power tool by insulated gripping surfaces, when performing an operation where the nail may contact hidden wiring. Nails contacting a “live” wire may make exposed metal parts of the power tool “live” and could give the operator an electric shock.
- Know your power tool. Read operator’s manual carefully. Learn its applications and limitations, as well as the specific potential hazards related to this power tool. Following this rule will reduce the risk of electric shock, fire, or serious injury.
- Always wear eye protection with side shields marked to comply with ANSI Z87.1. Everyday glasses have only impact-resistant lenses. They are not safety glasses. Folowing this rule will reduce the risk of serious personal injury.
- Eye protection which conforms to ANSI specifications and provides protection against flying particles both from the FRONT and SIDE should ALWAYS be worn by the operator and others in the work area when loading, operating or servicing this tool. Eye protection is required to guard against flying fasteners and debris, which could cause severe eye injury.
- The employer and/or user must ensure that proper eye protection is worn. We recommend Wide Vision Safety Mask for use over eyeglasses or standard safety glasses that provide protection against flying particles both from the front and side. Always use eye protection which is marked to comply with ANSI Z87.1.
- Additional safety protection will be required in some environments. For example, the working area may include exposure to noise level which can lead to hearing damage. The employer and user must ensure that any necessary hearing protection is provided and used by the operator and others in the work area. Some environments will require the use of head protection equipment. When required, the employer and user must ensure that head protection conforming to ANSI Z89.1-1997 is used.
- Keep fingers away from trigger when not driving fasteners to avoid accidental firing.
- Use safety equipment. Always wear eye protection. Dust mask, nonskid safety shoes, hard hat, or hearing protection must be used for appropriate conditions.
- Protect your lungs. Wear a face or dust mask if the operation is dusty. Following this rule will reduce the risk of serious personal injury.
- Protect your hearing. Wear hearing protection during extended periods of operation. Following this rule will reduce the risk of serious personal injury.
- Battery tools do not have to be plugged into an elec-trical outlet; therefore, they are always in operating condition. Be aware of possible hazards when not using your battery tool or when changing accessories. Following this rule will reduce the risk of electric shock, fire, or serious personal injury.
- Do not place battery tools or their batteries near fire or heat. This will reduce the risk of explosion and possibly injury.
- Use the tool only for its intended use. Do not discharge fasteners into open air.
- Use the tool only for the purpose for which it was designed.
- Use only the nails recommended for this tool. Use of the wrong nails could result in poor nail feeding, jammed nails, and nails leaving the tool at erratic angles. If nails are not feeding smoothly and properly, discontinue their use immediately. Jammed and improperly feeding nails could result in serious personal injury.
- Never use this tool in a manner that could cause a nail to be directed toward anything other than the workpiece.
- Do not use the tool as a hammer.
- Always carry the tool by the handle.
- Do not alter or modify this tool from the original design or function without approval from the manufacturer.
- Always be aware that misuse and improper handling of this tool can cause injury to yourself and others.
- Never clamp or tape the trigger or workpiece contact in an actuated position.
- Never leave tool unattended if the battery is installed.
- Do not operate this tool if it does not contain a legible warning label.
- Keep the tool and its handle dry, clean and free from oil and grease. Always use a clean cloth when cleaning. Never use brake fluids, gasoline, petroleum-based products, or any strong solvents to clean your tool. Following this rule will reduce the risk of loss of control and deterioration of the enclosure plastic.
OPERATION
- Do not use tool if trigger does not actuate properly. Any tool that cannot be controlled with the trigger is dangerous and must be repaired.
- Check operation of the workpiece contact mechanism frequently. Do not use the tool if the workpiece contact mechanism is not working correctly as accidental driv-ing of a nail may result. Do not interfere with the proper operation of the workpiece contact mechanism.
- Do not use a tool that does not work correctly.
- Always assume that the tool contains nails.
- Do not carry the tool from place to place holding the trigger. Accidental discharge could result.
- Always handle the tool with care:
- Respect the tool as a working implement.
- Never engage in horseplay.
- Never pull the trigger unless nose is directed toward the work.
- Keep others a safe distance from the tool while tool is in operation as accidental actuation may occur, possibly causing injury.
- Choice of triggering method is important. Check manual for triggering options.
- The brad nailer is designed for single-hand use. Do not hold the tool by the front of the magazine. Do not put hands, head, or other parts of your body near the bottom of the magazine where the nail exits the tool, as serious personal injury could result.
- Do not point the tool toward yourself or anyone whether it contains nails or not.
- Do not actuate the tool unless you intend to drive a nail into the workpiece.
- Always ensure that the workpiece contact is fully positioned above the workpiece. Positioning the workpiece contact only partially above the workpiece could cause the nail to miss the workpiece completely and result in serious personal injury.
- Do not drive nails near edge of material. The workpiece may split causing the nail to ricochet, injuring you or a co-worker. Be aware that the nail may follow the grain of the wood, causing it to protrude unexpectedly from the side of the work material or deflect, possibly causing injury.
- Keep hands and body parts clear of immediate work area. Hold workpiece with clamps when necessary to keep hands and body out of potential harm. Be sure the workpiece is properly secured before pressing the fas-tener against the material. The workpiece contact may cause the work material to shift unexpectedly.
- Keep face and body parts away from back of the tool cap when working in restricted areas. Sudden recoil can result in impact to the body, especially when nailing into hard or dense material.
- During normal use the tool will recoil immediately after driving a fastener. This is a normal function of the tool. Do not attempt to prevent the recoil by holding the nailer against the work. Restriction to the recoil can result in a second fastener being driven from the nailer. Grip the handle firmly, let the tool do the work and do not place second hand on top of tool or near exhaust at any time. Failure to heed this warning can result in serious personal injury.
- Do not drive fasteners on top of other fasteners or with the tool at an overly steep angle as this may cause deflection of fasteners which could cause injury.
LOADING TOOL
- Do not load the tool with fasteners when any one of the operating controls is activated.
When loading tool:
- Never place a hand or any part of body in fastener discharge area of tool.
- Never point tool at anyone.
- Do not pull the trigger or depress the workpiece contact as accidental actuation may occur, possibly causing injury.
- Refer to them frequently and use them to instruct others who may use this tool. If you loan someone this tool, loan them these instructions also.
SYMBOLS

Some of the following symbols may be used on this product. Please study them and learn their meaning. Proper interpretation of these symbols will allow you to operate the product better and safer.
Some of the following symbols may be used on this product. Please study them and learn their meaning. Proper interpretation of these symbols will allow you to operate the product better and safer.
![]() | Safety Alert | Indicates a potential personal injury hazard. |
![]() | Read Operator’s Manual | To reduce the risk of injury, user must read and understand operator’s manual before using this product. |
![]() | Eye Protection | Always wear eye protection with side shields marked to comply with ANSI Z87.1. |
![]() | Keep Hands Away | Keep hands and body away from the discharge area of the tool. |
![]() | Wet Conditions Alert | Do not expose to rain or use in damp locations. |
![]() | Recycle Symbol | This product uses lithium-ion (Li-ion) batteries. Local, state or federal laws may prohibit disposal of batteries in ordinary trash. Consult your local waste authority for information regarding available recycling and/or disposal options. |
| V | Volts | Voltage |
| A | Amperes | Current |
| Hz | Hertz | Frequency (cycles per second) |
| min | Minutes | Time |
| Direct Current | Type or a characteristic of current | |
| no | No Load Speed | Rotational speed, at no load |
| …/min | Per Minute | Revolutions, strokes, surface speed, orbits etc., per minute |
GLOSSARY
Activate (operating controls)
To move an operating control so that it is in a position that allows the tool to be actuated or that satisifes one requirement for the tool to be actuated.
Actuate (tool)
To cause movement of the tool component(s) intended to drive a fastener.
Actuation system
The use of a trigger, workpiece contact, and/or other operating control, separately or in some combination or sequence, to actuate the tool.
- Single sequential actuation
An actuation system in which there is more than one operating control and the operating controls must be activated in a specific sequence to actuate the tool.
Additional actuation can occur when a specific operating control, other than a workpiece contact, is released and re-activated. - Contact actuation
An actuation system in which there is more than one operating control and the operating controls can be activated in any sequence to actuate the tool. Additional actuation can occur when any operating control is released and re-activated.
Fastener
A staple, pin, brad, nail, or other fastening devices which is designed and manufactured for use in the tools within the scope of this standard.
Jam
An obstruction in the feed or drive areas of the tool.
Operating control
A control that separately, or as part of an actuation system,can cause the actuation of a tool.
Trigger
A tool operating control activated by a tool operator’s fingers.
Workpiece
The intended object into which a fastener is to be driven by a tool.
Workpiece contact
An operating control element or assembly on the tool intended to be activated by the material to be fastened.
FEATURES
PRODUCT SPECIFICATIONS
Magazine Capacity ………………………………………..105 Nails
Nailer Speed …………………………………..up to 60 shots/min.
Nail Type ………………………………………………………18 gauge
Brad Nail Length………………………………………….. 5/8 – 2 in.
ASSEMBLY
WARNING:
Do not use this product if it is not completely assembled or if any parts appear to be missing or damaged. Use of a product that is not properly and completely assembled or with damaged or missing parts could result in serious personal injury.
Do not attempt to modify this product or create accessories or attachments not recommended for use with this product. Any such alteration or modification is misuse and could result in a hazardous condition leading to possible serious personal injury.
OPERATION
WARNING:
Do not allow familiarity with products to make you careless. Remember that a careless fraction of a second is sufficient to inflict severe injury.
WARNING:
Always remove battery pack from the tool when you are assembling parts, making adjustments, cleaning, or when not in use. Removing battery pack will prevent accidental starting that could cause serious personal injury.
Always wear eye protection with side shields marked to comply with ANSI Z87.1. Failure to do so could result in objects being thrown into your eyes, resulting in possible serious injury.
APPLICATIONS
You may use this tool for the purposes listed below:
- Finish and Trim (Interior and exterior)
- Door & Window Casing
- Door Jambs
- Baseboard
- Crown Molding
- Cabinetry
- Cap and Shoe Molding
- Molding
- Staircases
- Door and Window Trim
- Chair Rail
- Brickmold
- Hardwood Flooring
- Paneling
- Furniture
ATTACH BELT CLIP
See Figure 1, page 12.
The belt clip can be installed on the left or right side of the nailer, depending on operator preference.
- Align belt clip and screw with right or left side screw hole.
- Using a phillips head screwdriver (not included) tighten securely.

A – Belt clip
B – Screw
NO-MAR PAD
TO INSTALL / REMOVE BATTERY PACK
See Figure 2, page 12.

- A – Depress latches
- B – Battery pack
To install battery pack:
- Place battery pack in the tool. Align raised rib inside tool with groove on battery pack.
- Make sure the latches on each side of the battery pack snap into place and battery pack is secured in tool before beginning operation.
NOTE: Squeeze LED light grip switch to reactivate nailer.
To remove battery pack:
- Locate latches on battery pack and depress to release battery pack from the tool.
For complete charging instructions, see the operator’s manuals for your battery pack and charger.
NO-MAR PAD
See Figure 3, page 12.

- A – No-mar pad
- B – No-mar pad storage
The no-mar pad attached to the nose of the tool helps prevent marring and denting when working with softer woods.
Remove the battery. Remove the pad by pulling it down and away from the nose. To replace the pad, fit it into place over the nose and push up to reseat.
On-board storage for the pad is located on the magazine of the tool. An extra no-mar pad is provided in the on-board storage area.
LOADING THE TOOL WITH BRAD NAILS
See Figures 4 – 5, page 12.

A – Magazine release button

A – Brad nails
WARNING:
Keep the tool pointed away from yourself and others when loading nails. Failure to do so could result in possible serious personal injury.
- Remove battery pack from the tool, if installed.
- With the nose of the tool pointed away from you, squeeze magazine release button located at the rear of the magazine and slide the magazine cover open.
- Place brad nails in the channel with nail tips pointing down and resting on bottom of the channel.
- Push the magazine cover closed until it securely snaps into place.
- Make sure that the magazine is securely locked in place.
- Reinstall battery, and reactivate nailer by pressing the worklight grip switch.
SETTING THE AIR PRESSURE
See Figure 6, page 13.

The amount of air pressure required will depend on the size of the nail and the workpiece material.
Begin testing the depth of drive by driving a test nail into the same type of workpiece material used for the actual job.
- Remove battery pack from the tool, if installed.
- Turn air pressure dial clockwise to increase air pressure or counterclockwise for decreased pressure.
It may be possible to achieve the desired depth with air pressure adjustments alone. If finer adjustments are needed, use the depth of drive adjustment on the tool.
NOTE: Under some conditions, the unit may not deliver a nail when the air pressure dial is turned to the MAXIMUM pressure setting. The user may need to decrease the pressure setting for desired operation
DEPTH OF DRIVE ADJUSTMENT
See Figure 7, page 13.

The driving depth of the nail may be adjusted beyond air pressure.
It is advisable to test the depth on a scrap workpiece to determine the required depth for the application.
To determine depth of drive, first adjust the air pressure and drive a test nail. To achieve the desired depth, use the depth of drive adjustment on the tool. Harder materials and longer nails will require more force to drive the nail.
- Remove battery pack from the tool, if installed.
- Turn the depth of drive adjustment left or right to change the driving depth.
- Reinstall battery and reactivate the tool by pressing the worklight grip switch.
- Drive a test nail after each adjustment until the desired depth is set.
NOTE: Set depth of drive at the shallowest depth that will meet your needs.
DRIVING BRAD NAILS
See Figures 8 – 9, page 13.

A – Mode selector
B – Single sequential mode
C – Contact actuation mode

A – Trigger
B – Workpiece
WARNING:
Never wedge or hold back the workpiece contact mechanism during operation of the tool. Doing so could result in possible serious injury.
Single sequential actuation mode:
Single sequential actuation provides the most accurate nail placement.
- Remove battery pack from the tool.
- Slide the selector to position (
).
WARNING:
The nailer will not function properly if the selector is not securely seated in either position (
) or (
). Always assure the selector is seated properly to avoid an unexpected nail discharge and possible serious personal injury.
- Reinstall the battery, reactivate tool.
- Grip the tool firmly to maintain control. Position the nose of the tool onto the work surface.
- Push the tool against the work surface to depress the workpiece contact.
- Squeeze the trigger to drive a nail. Push the tool against the work surface to depress the workpiece contact and drive a nail.
NOTE: Hold trigger until drive cycle is complete. - Always remove your finger from the trigger when the desired number of nails has been driven.
Contact actuation mode:
Contact actuation allows very fast repetitive nail placement.
- Remove battery pack from the tool.
- Slide the selector to position ( ).
- Reinstall the battery, reactivate tool.
- Grip the tool firmly to maintain control.
- Squeeze and hold the trigger. Push the tool against the work surface to depress the workpiece contact and drive a nail.
NOTE: Hold trigger until drive cycle is complete. - Always remove your finger from the trigger when the desired number of nails has been driven.
NOTE: In Contact Actuation Mode, the tool may also be operated by depressing the workpiece contact against the surface and squeezing the trigger.
DRY-FIRE LOCKOUT
When the magazine has 0-5 nails remaining, the dry-fire lockout feature will not allow continued operation.
To resume operation, reload the tool with nails.
LED WORK LIGHTS
See Figure 10, page 13.

- A- LED worklight grip switch
- B – LED worklights
Press LED worklight grip switch while firmly holding tool during operation.
DIAGNOSTIC FEEDBACK
The LED Worklights provide feedback to indicate whether the battery pack is charged sufficiently and/or if the tool is functioning properly.
If worklights are flashing, install fully charged battery. If light continue to flash, see Troubleshooting section for more information.
REMOVING NAILS FROM THE TOOL
See Figure 11, page 13.

- A – Magazine release button
- B – Brad nails
WARNING:
Remove the battery pack before removing nails or clearing a jammed nail. Failure to do so could result in serious personal injury.
- Remove battery pack from the tool.
- To remove a strip of nails from the tool, depress the magazine release button located at the rear of the magazine and slide the magazine open.
- Remove nails.
- Close the magazine.
REMOVING A JAMMED BRAD NAIL
See Figure 12

A – Screwdriver
B – Latch
C – Jam release
- Remove battery pack from the tool.
- Open magazine and remove nails from the tool.
- Pull up on the latch and open the jam release.
- Insert a flat blade screwdriver into the tip of the driving mechanism and push the driver mechanism back, freeing the nail jam.
- Remove the bent nail.
- Close the jam release and latch.
- Reinstall nails and close the magazine.
- Reinstall the battery, reactivate tool.
NOTE: Driving too deeply into the material, excess debris, or jammed nails may lead to a driver blade being stuck at its bottom position.
The driver blade can usually be returned to its operating position by depressing the work contact element against a scrap piece of wood and squeezing the trigger.
If the tool cycles without driving a nail, the nail channel may be dirty. See Cleaning the Nail Channel in the Maintenance section of this manual.
MAINTENANCE
WARNING:
When servicing, use only identical replacement parts.
Use of any other parts could create a hazard or cause product damage.
GENERAL MAINTENANCE
Avoid using solvents when cleaning plastic parts. Most plastics are susceptible to damage from various types of commercial solvents and may be damaged by their use. Use clean cloths to remove dirt, dust, oil, grease, etc.
CLEANING THE NAIL CHANNEL
See Figure 13

A – Latch
B – Nail
If the tool will not drive a nail, or cycles without driving a nail, glue residue from the nail strip may need to be cleaned from the area around the driving mechanism.
- Remove the battery pack.
- Remove nails from the tool.
- Open the jam release latch and the magazine.
- Use a small amount of air tool oil on a clean cloth or cotton swab to wipe down the nail channel, removing all traces of glue.
- Reinstall nails in the tool and close the magazine.
TROUBLESHOOTING
| PROBLEM | POSSIBLE CAUSE | SOLUTION |
| Work-contacting element does not de- press fully – tool does not operate | Low nails Work-contacting element is jammed | Replenish nails Remove battery and clear debris |
| Tool operates properly, but fasteners do not drive fully | Air pressure is too low Depth of drive isn’t deep enough Nail is too long for wood hardness | Increase air pressure Adjust depth of drive Use nail length that is appropriate for wood |
| Tool operates properly, but fasteners are driven too deep | Air pressure is too high Depth of drive is too deep | Decrease air pressure Adjust depth of drive |
| Tool jams frequently | Incorrect nails Damaged nails Loose magazine Dirty magazine | Verify that nails are the correct size Replace nails Tighten screws Clean magazine |
| Tool stops and LEDs flash rapidly | Battery is low or has no charge Tool is hot | Recharge battery Allow tool to cool |
| Tool has charged battery and LEDs are slowly flashing or LEDs do not turn off after approximately ten seconds of non-use | Tool has malfunctioned | Take tool to nearest authorized repair center |
| Tool will not drive a fastener or cycles without driving a fastener | Driving mechanism is dirty | Clean the nail channel as described in the Maintenance section of the manual |
NOTE: ILLUSTRATIONS START ON PAGE 12 AFTER FRENCH AND SPANISH LANGUAGE SECTIONS.
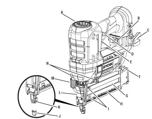
Overview

A – Air pressure dial
B – Mode selector
C – Belt clip
D – LED worklight grip switch
E – Trigger switch
F – Magazine release button
G – Side-loading magazine
H – Scale
I – Low nail indicator windows
J – No-mar pad
K – Workpiece contact
L – Jam release
M- Depth of drive adjustment
N – LED work lights
To request service, purchase replacement parts,locate an Authorized Service Center or obtain Customer or Technical Support:
Visit www.ryobitools.com or call 1-800-525-2579
If any parts or accessories are damaged or missing, do not return this product to the store.
Call 1-800-525-2579 for immediate service.
Please obtain your model and serial number from the product data plate.
This product is covered under a 3-year limited Warranty. Proof of purchase is required.
MODEL NUMBER* _______________ SERIAL NUMBER ____________________________
*Model number on product may have additional letters at the end. These letters designate manufacturing information and should be provided when calling for service.
RYOBI is a trademark of Ryobi Limited and is used pursuant to a license granted by Ryobi Limited.























