
REPAIR SHEET
BRAND RYOBI
MODEL NO. P320
DESCRIPTION
18 Volt 18 Gauge Brad Nailer
ONE WORLD TECHNOLOGIES, INC.
P.O. Box 1288, Anderson, SC 29622 ♦ 1-800-525-2579 ♦ www.ryobitools.com
The model number and manufacturing location will be found on a label attached to the product. Always mention this information in all communications regarding this product and when ordering parts.
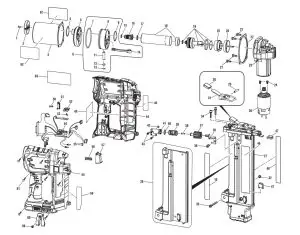
PARTS LIST
KEY NO. | PART NO. | DESCRIPTION | QTY. |
| 1 | 661858001 | Screw (M3 x 16 mm, T10 Torx Flat Hd.) | 1 |
| 2 | 524473001 | Knob | 1 |
| 3-CN | 202642002 | Piston Cylinder (Inc. Key No. 62) | 1 |
| 3-VN | 202642003 | Piston Cylinder (Inc. Key No. 62) | 1 |
| 4 | 562962001 | O-Ring | 1 |
| 5 | 305672001 | Valve Holder w/Insert | 1 |
| 6-CN | 206151003 | Piston and Rod Assembly (Inc. Key Nos. 7-14) | 1 |
| 6-VN | 206151004 | Piston and Rod Assembly (Inc. Key Nos. 7-14) | 1 |
| 7-CN | 563177001 | O-Ring | 1 |
| 7-VN | 562959002 | O-Ring | 1 |
| 8 | 524451003 | Piston | 1 |
| 9-CN | 563175001 | O-Ring | 1 |
| 9-VN | 562958001 | O-Ring | 1 |
| 10 | 941001071 | Worklight Label (LED, Right Side) | 1 |
| 11 | 673298001 | Pin | 1 |
| 12 | 693291001 | Magnet | 1 |
| 13 | 524752001 | Bumper | 1 |
| 14 | 693099003 | Connecting Rod | 1 |
| 15 | 562961001 | O-Ring | 1 |
| 16 | 524475003 | Valve Shaft | 1 |
| 17 | 562960001 | O-Ring | 1 |
| 18 | 311513001 | Drive Cylinder w/Magnet | 1 |
| 19 | 202604002 | Driver Assembly (Inc. Key No. 64) | 1 |
| 20 | 562963001 | Rubber Sleeve | 1 |
| 21 | 661923001 | Screw (M4 x 14 mm, T20 Torx Pan Hd.) | 4 |
| 22 | 634212001 | Gasket | 1 |
| 23 | 202605001 | Crank Case and Gear Assembly | 1 |
| 24 | 662103001 | Screw and Spring Washer Assembly | 2 |
| KEY NO. | PART NO. | DESCRIPTION | QTY. |
| 25-CN | 562964001 | Rubber Bumper | 1 |
| 25-VN | 564093001 | Rubber Bumper | 1 |
| 26-CN | 206384001 | Motor Assembly | 1 |
| 26-VN | 206384002 | Motor Assembly | 1 |
| 27 | 202638002 | Magazine Assembly (Inc. Key Nos. 28-31) | 1 |
| 28 | 305670001 | Magazine Support | 1 |
| 29 | 673107001 | Spiral Pin | 1 |
| 30 | 563112001 | Holder Cover | 1 |
| 31 | 634188001 | Lock Holder | 1 |
| 32 | 670974003 | Hex Nut (M5) | 1 |
| 33 | 660180005 | Screw (M5 x 32 mm, Soc. Hd.) | 1 |
| 34 | 661749001 | Screw w/Washer (M4 x 19 mm, Soc. Hd.) | 2 |
| 35 | 634187001 | Depth Adjustment Crank Handle | 1 |
| 36 | T661853001 | Screw (M4 x 4 mm, Soc. Hd.) | 1 |
| 37 | 305671001 | Depth Adjustment Knob | 1 |
| 38 | 661743001 | Screw (M2.5 x 18 mm, Hex) | 1 |
| 39 | 693475001 | Spring | 1 |
| 40 | 690046001 | Washer (OD14.8 x ID10.5 x 0.5t) | 1 |
| 41 | 524688001 | Depth Adjustment Knob Holder | 1 |
| 42 | 661742001 | Screw (T10 Torx, T.F) | 1 |
| 43 | 660380008 | Screw (M3 x 10 mm, T10 Torx Pan Hd.) | 2 |
| 44-CN | 202603001 | Housing Assembly (Inc. Key Nos. 45, 49, and 58) | 1 |
| 44-VN | 202603004 | Housing Assembly (Inc. Key Nos. 45, 49, and 58) | 1 |
| 45 | 940114178 | Logo Label | 1 |
| 46 | 941007012 | Danger Label (Magazine) | 1 |
| 47 | 527262002 | No-Mar Pad | 2 |
| 48 | 941001070 | Worklight Label (LED, Left Side) | 1 |
| 49 | 941007011 | POP Label | 1 |
If a key number has multiple part numbers, please order the part that corresponds with the country of origin shown on the product’s data label. CN = China VN = Vietnam
PARTS LIST (cont.)
| KEY NO. | PART NO. | DESCRIPTION | QTY. |
| 50 | 6.93E+08 | Compression Spring | 1 |
| 51 | 5.25E+08 | LED Trigger | 1 |
| 52 | 5.25E+08 | Model Selector | 1 |
| 53 | 6.34E+08 | Spring Plate | 1 |
| 54-CN | 2.7E+08 | Switch/Circuit Board Assembly | 1 |
| 54-VN | 2.05E+08 | Switch/Circuit Board Assembly | 1 |
| 55 | 6.62E+08 | Screw w/Washer (M2 x 14 mm, Pan Hd.) | 2 |
| 56 | 6.94E+08 | Compression Spring | 1 |
| 57 | 5.24E+08 | Trigger | 1 |
| 58-CN | 9.41E+08 | Data Label | 1 |
| 58-VN | 9.41E+08 | Data Label | 1 |
KEY NO. | PART NO. | DESCRIPTION | QTY. |
59 | 660212001 | Screw (M4 x 6 mm, Pan Hd.) | 1 |
60 | 636181001 | Belt Hook | 1 |
61 | 660031011 | Screw (M3.5 x 16 mm, T10 Torx Pan Hd.) | 9 |
62-CN | 941007015 | Air Strike Label | 2 |
62-VN | 941007047 | Air Strike Label | 2 |
| 63 | 941120019 | Warning Hang Tag | 1 |
| Not Shown: | Seal Kit | ||
| 202609001 | Operator’s Manual | ||
990000399 | |||


















