
RAK4200 WisDuo LoRa Module User Manual

1. Overview
1.1 Introduction
RAK4200(H) LoRa Module includes an STM32L071 MCU and an SX1276 LoRa chip. It has Ultra-Low Power Consumption of 1.5uA in sleep mode and high LoRa output power up to 19dBm max in work mode.
The module complies with LoRaWAN 1.0.2 protocols. It also supports Lora Point to Point communications. The module is suitable for various applications that require long range data acquisition and low power consumption.
1.2 Main Features
- LoRa module for Smart City, Smart Agriculture, Smart Industry
- Compact Form Factor: 15 x 15.5 x 2.5 mm
- 20 Pin Stamp Pad for PCB SMT mounting
- I/O ports: UART/I2C/GPIO
- Temperature range: -40°C to +85°C
- Supply voltage: 2.0 ~ 3.6V
- Frequency range: 863–870MHz (EU) / 902–928MHz (US)
- Low-Power Wireless Systems with 7.8kHz to 500KHz Bandwidth
- Ultra-Low Power Consumption 1.5uA in sleep mode
- Core: ARM 32-bit Cortex – M0+ with MPU
- Up to128KB flash memory with ECC
- 20KB RAM
- 6KB of data EEPROM with ECC
2. RAK4200(H) LoRa Module
2.1 Overview
The figure below shows the top view of the RAK4200(H) LoRa Module. The dimensions of the Module are 15 x 15.5 x 2.5 mm.

Figure 1 | RAK4200 LoRa Module
2.2 Block Diagram
The Block diagram below shows the external interfaces of the RAK4200(H) LoRa Module.

Figure 2 | Block Diagram
2.3 Supported LoRaWAN bands
The RAK4200(H) LoRa Module supports the high LoRaWAN bands (refer to the Table 1)


Table 1 | Operating Frequencies
2.4 Pin Definition & Pin Out
The figure below shows the pinout of the RAK4200(H) LoRa Module.

Figure 3 | Pinout
The table below shows the pin definition of the RAK4200(H) LoRa Module.



2.5 Power Consumption

Table 3 | Power Consumption
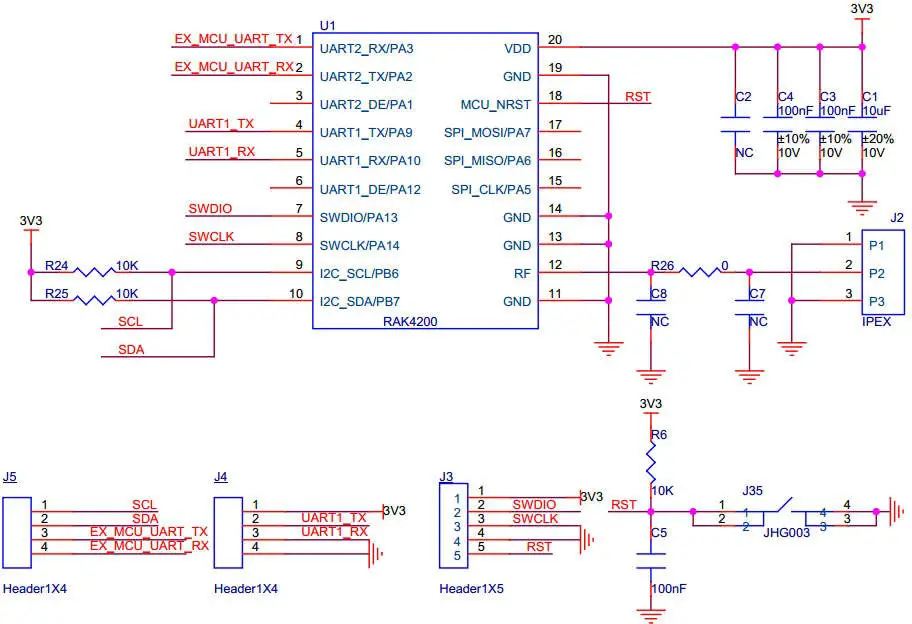
2.6 Recommended Circuit
RAK4200(H) module recommended circuit as below:

2.6.1 SWD programming Port
When programming with JLINK tool , it is need to connect 5 pins of 3V3,SWDIO, SWCLK,GND and MCU_NRST. So it is better to leave these 5 pins for SWD programming.

2.6.2 UART port
There are two UART ports on RAK4200(H) module. UART2(pin1 and pin2) is used as a command port and UART1(pin4 and pin5) is used both as a command and an upgrade port. So it is better to connect UART2 to external MCU and UART1 is used as a debug or upgrade port.

2.6.3 I2C port
Pin9 and Pin10 are recommended as I2C port. Just pull up with 10K resistance if use it.
2.6.4 RF port
There are two types of RF port. One is with Ipex connector and another is PAD type. For Ipex type just connect the antenna to the Ipex connector on the module directly. For PAD type you can design the antenna as Ipex or SMA or Spring type.
2.6.5 SPI port
The SPI (pin15 ,pin16,pin17) has connected to the SX1276 in the internal of the module.
So it is better not to use these 3 pins and just leave it un-connect on the mainboard.
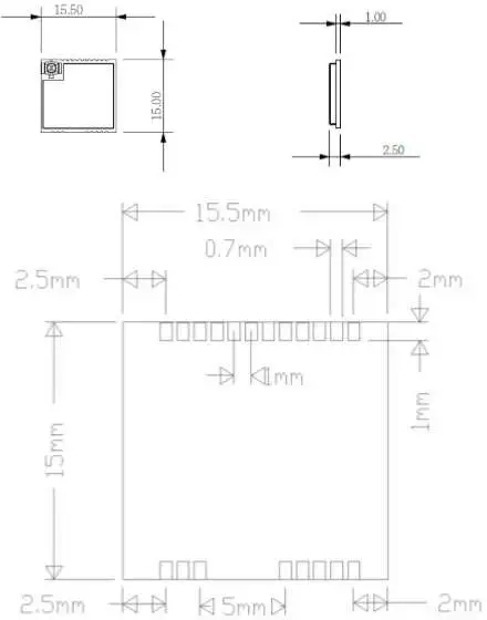
2.7 Mechanical Dimensions
The figure below shows the mechanical dimension of the RAK4200(H) LoRa Module.

Figure 4 | Mechanical Dimensions
2.8 Recommended Footprint

Figure 5 | Recommended Footprint
2.9 Recommended Reflow Profile

Figure 6 | Recommended Reflow Profile
Standard conditions for reflow soldering:
- Pre-heating Ramp (A) (Initial temperature: 150℃): 1~2.5℃/sec;
- Soaking Time (T2) (150℃~180℃): 60sec~100sec;
- Peak Temperature (G): 230~250℃;
- Reflow Time (T3) (>220℃): 30~60 sec;
- Ramp-up Rate (B): 0~2.5℃/ sec;
- Ramp-down Rate (C): 1~3℃/ sec.
Please contact us if you need technical support or need more information.
Support center: https://forum.rakwireless.com/
Email us: [email protected]
Statement
This device complies with Part 15 of the FCC Rules. Operation is subject to the following two conditions: (1) this device may not cause harmful interference, and (2) this device must accept any interference received, including interference that may cause undesired operation.
FCC Caution:
Changes or modifications not expressly approved by the part responsible for compliance could void the user’s authority to operate the equipment.
FCC RF Radiation Exposure Statement Caution: This Transmitter must be installed to provide a separation distance of at least 20 cm from all persons.
FCC Statement:
“This equipment has been tested and found to comply with the limits for a Class B digital device, pursuant to part 15 of the FCC Rules. These limits are designed to provide reasonable protection against harmful interference in a residential installation. This equipment generates, uses and can radiate radio frequency energy and, if not installed and used in accordance with the instructions, may cause harmful interference to radio communications. However, there is no guarantee that interference will not occur in a particular installation. If this equipment does cause harmful interference to radio or television reception, which can be determined by turning the equipment off and on, the user is encouraged to try to correct the interference by one or more of the following measures:
- Reorient or relocate the receiving antenna.
- Increase the separation between the equipment and receiver.
- Connect the equipment into an outlet on a circuit different from that to which the receiver is connected.
- Consult the dealer or an experienced radio/TV technician for help.”
IC statement:
This device complies with Industry Canada licence-exempt RSS standard(s).
Operation is subject to the following two conditions: (1) this device may not cause interference, and (2) this device must accept any interference, including interference that may cause undesired operation of the device.
This equipment complies with Industry Canada radiation exposure limits set forth with a separation
The proposed FCC IC label format is to be placed on the module. If it is not visible when the module is installed into the system, “Contains FCC ID: 2AF6B-RAK4200H, Contains IC: 25908- RAK4200H” shall be placed on the outside of final host system.
Labelling
— This radio transmitter [25908-RAK4200H] has been approved by Innovation, Science and Economic Development Canada to operate with the antenna types listed below, with the maximum permissible gain indicated. Antenna types not included in this list and same type greater than the maximum gain are strictly prohibited for use with this device.
Antenna info

3. Revision History

4. Document Summary

Read More About This Manual & Download PDF:

















