KING KP5522 Pellet Stove 170 lb Hopper

SAFETY NOTICE:
If this heater is not properly installed, a house fire may result. For your safety, follow the installation instructions. Never use make-shift compromises during the installation of this heater. Contact local building or fire officials about permits, restrictions and installation requirements in your area. NEVER OPERATE THIS PRODUCT WHILE UNATTENDED.
CAUTION!
Please read this entire manual before you install or use your new room heater. Failure to follow instructions may result in property damage, bodily injury, or even death. Improper Installation Will Void Your Warranty!
U.S. Environmental Protection Agency
Certified to comply with 2020 particulate emissions standards.
CALIFORNIA PROPOSITION 65 WARNING:
This product can expose you to chemicals including carbon monoxide, which is known to the State of California to cause cancer, birth defects, and/or other reproductive harm. For more information, go to www.P65warnings.ca.gov.
THIS MANUAL IS SUBJECT TO CHANGE WITHOUT NOTICE.
© 2022 United States Stove Company, 227 Industrial Park Rd., South Pittsburg, TN 37380 Ph. 800-750-2723.
INTRODUCTION
Your pellet stove has been safety tested and listed to ASTM E1509-12 (2017) and ULC-S627-00. This manual describes the installation and operation of the pellet stove. This heater meets the 2020 U.S. Environmental Protection Agency’s emission limits for wood-heaters sold after May 15, 2020. Under specific EPA test conditions burning wood pellet fuel this heater has been shown to deliver heat at a rate of 32,591 to 13,640 Btu/hr. This heater achieved a particulate emissions rate of 1.5 g/hr when tested to method ASTM E 2779 / EPA Method 28R and 76% efficiency.
| Heating Specifications | ||
| Fuel Burn Rate* (lowest setting) | 2.1-5 lbs/hr (0.97 – 2.26 kg/hr) | * Pellet size may effect the actual rate of fuel feed and burn times. Fuel feed rates may vary by as much as 20%. Use PFI listed fuel for best results. |
| Burn Time (lowest setting) | 80 hrs. | |
| Hopper Capacity | 170lbs. (77kg) | |
| Flue Size | 3” or 4” | |
| Electrical Specifications | ||
| Electrical Rating | 110-120 Volts AC, 60 HZ, 3.0 Amps | |
| Watts (operational) | 175 (approx.) | |
| Watts (igniter running) | 425 (approx.) | |
| Dimensions | ||
| Overall: Height x Width X Depth | 40” (1003mm) X 24” (610mm) X 30” (762mm) | |
WARNING:
IT IS AGAINST FEDERAL REGULATIONS TO OPERATE THIS WOOD HEATER IN A MANNER INCONSISTENT WITH THE OPERATING INSTRUCTIONS IN THE OWNER’S MANUAL.
Note:
Register your product online at www.usstove.com or download the free app today. This app is available only on the App Store for iPhone and iPad. Search US Stove. Save your receipt with your records for any claims.
For Customer Service, please call: 1-800-750-2723 Ext 5050 or; Text to 423-301-5624 or; Email us at:
[email protected].
INSTALLATION CHECKLIST
Your Wood Stove should be installed by a qualified installer only. An NFI-qualified Installer can be found at www.nficertified.org/public/find-an-nfi-pro/.
CUSTOMER SERVICE
1-800-750-2723 ext 5050
Text to 423-301-5624
Email to: [email protected]
COMMISSIONING CHECKLIST
This checklist is to be completed in full by the qualified person who installs this unit. Keep this page for future reference.
Failure to install and commission according to the manufacturer’s instructions and complete this checklist will invalidate the warranty.
Please Print
| Customer Name: | Telephone Number: | ||||||||||||||||||||||||||
| Address: | |||||||||||||||||||||||||||
| Model: | |||||||||||||||||||||||||||
| Serial Number: | |||||||||||||||||||||||||||
| Installation Company Name: | Phone Number: | ||||||||||||||||||||||||||
| Installation Technician’s Name: | License Number: | ||||||||||||||||||||||||||
DESCRIPTION OF WORK
- Location of installed appliance: __________________________________________________________________________________
- Venting System: New Venting System Yes No If yes, Brand ____________________________________________
- If no, Date of inspection of existing venting system: _______________________________________________________________
COMMISSIONING
- Confirm Hearth Pad Installation as per Installation Instructions……………………………………………………………………………………….
- Confirm proper placement of internal parts………………………………………………………………………………………………………………………….
- Check soundness of door gasket and door seals………………………………………………………………………………………………………………….
- Confirm clearances to combustibles as per installation instructions in this manual………………………………………………………
- Check the operations of the air controls………………………………………………………………………………………………………………………………..
- Confirm the venting system is secure and sealed………………………………………………………………………………………………………………..
- Confirm the stove starts and operates properly…………………………………………………………………………………………………………………..
- Check to ensure a CO alarm is installed as per local building codes and is functional…………………………………………………….
- Explain the safe operation, proper fuel usage, cleaning, and routine maintenance requirements………………………………….
Declaration of Completion: As the qualified person responsible for the work described above, I confirm that the appliance as associated work has been installed as per the manufacturer’s instructions and following any applicable building and installation codes.
Signed: ______________________________________ Print Name: __________________________________Date: ______________
Home Owner: RETAIN THIS INFORMATION FOR FUTURE REFERENCE
INSTALLATION
SAFETY NOTICE
- IF THIS STOVE IS NOT PROPERLY INSTALLED, A HOUSE FIRE MAY RESULT. TO REDUCE THE RISK OF FIRE, FOLLOW THE INSTALLATION INSTRUCTIONS.
- CONTACT YOUR LOCAL BUILDING OFFICIALS TO OBTAIN A PERMIT AND INFORMATION ON ANY ADDITIONAL INSTALLATION RESTRICTIONS OR INSPECTION REQUIREMENTS IN YOUR AREA.
- DO NOT PLACE CLOTHING OR OTHER FLAMMABLE ITEMS ON OR NEAR THIS STOVE.
- NEVER USE GASOLINE, GASOLINE-TYPE LANTERN FUEL, KEROSENE, CHARCOAL LIGHTER FLUID, OR SIMILAR LIQUIDS TO START OR ’FRESHEN UP’ A FIRE IN THIS STOVE. KEEP ALL SUCH LIQUIDS WELL AWAY FROM THE STOVE WHILE IT IS IN USE.
- THIS APPLIANCE IS A FREESTANDING HEATER. IT IS NOT INTENDED TO BE ATTACHED TO ANY TYPE OF DUCTING. IT IS NOT A FURNACE. DO NOT CONNECT THIS UNIT TO ANY AIR DISTRIBUTION DUCT OR SYSTEM. THIS APPLIANCE IS NOT INTENDED FOR COMMERCIAL USE.
- INSTALL VENT AT CLEARANCES SPECIFIED BY THE VENT MANUFACTURER.
- DO NOT INSTALL A FLUE DAMPER IN THE EXHAUST VENTING SYSTEM OF THIS UNIT.
- YOUR STOVE REQUIRES PERIODIC MAINTENANCE AND CLEANING (SEE ”MAINTENANCE”). FAILURE TO MAINTAIN YOUR STOVE MAY LEAD TO IMPROPER AND/OR UNSAFE OPERATION.
- A POWER SURGE PROTECTOR IS REQUIRED. THIS UNIT MUST BE PLUGGED INTO A 110 -120V, 60 HZ GROUNDED ELECTRICAL OUTLET. DO NOT USE AN ADAPTER PLUG OR SEVER THE GROUNDING PLUG. DO NOT ROUTE THE ELECTRICAL CORD UNDERNEATH, IN FRONT OF, OR OVER THE HEATER. DO NOT ROUTE THE CORD IN FOOT TRAFFIC AREAS OR PINCH THE CORD UNDER FURNITURE.
CAUTION:
BURNING FUEL CREATES CARBON MONOXIDE AND CAN BE HAZARDOUS TO YOUR HEALTH IF NOT PROPERLY VENTED.
ATTENTION:
- A WORKING SMOKE DETECTOR MUST BE INSTALLED IN THE SAME ROOM AS THIS PRODUCT.
- INSTALL A SMOKE DETECTOR ON EACH FLOOR OF YOUR HOME; INCASE OF ACCIDENTAL FIRE FROM ANY CAUSE IT CAN PROVIDE TIME FOR ESCAPE.
- THE SMOKE DETECTOR MUST BE INSTALLED AT LEAST 15 FEET (4,57 M) FROM THE APPLIANCE IN ORDER TO PREVENT UNDUE TRIGGERING OF THE DETECTOR WHEN RELOADING.
CAUTION:
- USE OF OUTSIDE AIR IS NOT REQUIRED FOR THIS UNIT.
- DO NOT UNPLUG THE STOVE IF YOU SUSPECT A MALFUNCTION. TURN THE ON/OFF SWITCH TO ”OFF’ AND CONTACT YOUR DEALER.
- THE HEATER WILL NOT OPERATE DURING A POWER OUTAGE. IF A POWER OUTAGE DOES OCCUR, CHECK THE HEATER FOR SMOKE SPILLAGE AND OPEN A WINDOW IF ANY SMOKE SPILLS INTO THE ROOM.
- NEVER BLOCK FREE AIRFLOW THROUGH THE OPEN VENTS OF THE UNIT.
US Stove highly recommends your stove be installed by a qualified NFI (US) or WETT (Canada) technician. To find the nearest qualified installer, go to:
https://nficertified.org,
https://www.wettinc.ca/.
INSTALLATION OPTIONS
Freestanding Unit – supported by pedestal/legs and placed on a non-combustible floor surface in compliance with clearance requirements for a freestanding stove installation.
FOR CUSTOMER SERVICE CALL: 800-750-2723 EXT 5050
- Pull the factory-installed wires out of the top of the stove. There will be two wire harnesses, as shown.

- Unpack the top mount controls and ensure that the wiring harness shown is attached securely.

- Connect the factory installed wiring harnesses to the control panel as shown.

- Secure the control panel to the top of the stove with two sheet metal screws.

Alcove Unit
supported by pedestal/legs and placed on a non-combustible floor surface in compliance with clearance requirements for an alcove installation.
IMPROPER INSTALLATION
The use of other components other than stated herein could cause bodily harm, and heater damage, and void your warranty. The manufacturer will not be held responsible for damage caused by the malfunction of a stove due to improper venting or installation.
FLOOR PROTECTION
This unit must be installed on a non-combustible floor surface. If a floor pad is used, it should be certified or equal. The floor pad or non-combustible surface should be large enough to extend a minimum of 6” (153 mm) in front, 6” (153 mm) on each side, and 1” (26 mm) behind the stove. Floor protection must extend under and 2” (51 mm) to each side of the chimney tee for an interior vertical installation. A Floor Protector of 1” (26 mm) thick is recommended for this installation.
| A | Rear (through wall) | 1” | 25 mm |
| B | Side | 6” | 152 mm |
| C | Front | 6” | 152 mm |
| D | Rear (interior vertical) | 2” | 50 mm |
CLEARANCES
Your pellet stove has been tested and listed for installation in residential, mobile home, and alcove applications in accordance with the clearances given in this manual. NOTE: The distance on the side of your pellet stove may need to be greater than the minimum required clearance for suitable access to the control panel. For safety reasons, please adhere to the installation clearances and restrictions. Any reduction in clearance to combustibles may only be done by means approved by a regulatory authority.
|
PARALLEL | E | Backwall to unit | 9.5” | 241 mm |
| F | Sidewall to flue | 14” | 330 mm | |
| G | Sidewall to top edge of unit | 8” | 203 mm | |
| H | Backwall to flue | 3” | 76.2mm | |
| CORNER | J | Adjacent wall to unit | 8” | 203 mm |
| ALCOVE | K | Alcove depth | 36” | 914 mm |
OUTSIDE AIR SUPPLY (OPTIONAL, UNLESS INSTALLING IN A MOBILE HOME)
Depending on your location and home construction, outside air may be necessary for optimal performance. Your stove is approved to be installed with an outside air intake (69FAK) which is necessary for a mobile home. You can purchase the 69FAK through your heater dealer. Installation instructions are supplied with the air intake kit.
ATTENTION:
DO NOT VENT UNDER ANY PORCH, DECK, AWNING, OR IN ANY SEMI ENCLOSED OR ROOFED AREA. DOING SO MAY RESULT IN UNPREDICTABLE AIRFLOW AT THE VENT CAP UNDER CERTAIN CONDITIONS AND CAN AFFECT THE PERFORMANCE OF YOUR STOVE, AS WELL AS, OTHER UNFORESEEABLE ISSUES.
SECURING APPLIANCE TO THE FLOOR
Use the designated holes to secure the unit to the floor.
- WARNING! DO NOT INSTALL IN THE SLEEPING ROOM.
- CAUTION! THE STRUCTURAL INTEGRITY OF THE MOBILE HOME FLOOR, WALL, AND CEILING/ROOF MUST BE MAINTAINED.
- WHEN INSTALLED IN A MOBILE HOME, THE STOVE MUST BE GROUNDED DIRECTLY TO THE STEEL CHASSIS AND BOLTED TO THE FLOOR.
In addition to the previously detailed installation requirements, mobile home installations must meet the following requirements:
- This stove must be securely fastened to the floor of the mobile home using two 1/4” lag bolts that are long enough to go through both a hearth pad, if used, and the floor of the home.
- The heater must be electrically grounded to the steel chassis of the mobile home with 8 GA copper wire using a serrated or star washer to penetrate paint or protective coating to ensure grounding.
- Vent must be 3 or 4-inch “PL” Vent and must extend a minimum or 36” (914 mm) above the roof line of the mobile home and must be installed using a certified ceiling fire stop and rain cap.
- When moving your mobile home, all exterior venting must be removed while the mobile home is being relocated. After relocation, all venting must be reinstalled and securely fastened.
- Outside Air is mandatory for mobile home installation. See Outside Air Supply section and your dealer for purchasing.
- Check with your local building officials as other codes may apply.
VENTING REQUIREMENTS
WARNING:
- INSTALL VENT AT CLEARANCES SPECIFIED BY THE VENT MANUFACTURER.
- DO NOT CONNECT THE PELLET VENT TO A VENT SERVING ANY OTHER APPLIANCE OR STOVE.
- DO NOT INSTALL A FLUE DAMPER IN THE EXHAUST VENTING SYSTEM OF THIS UNIT.
The following installation guidelines must be followed to ensure conformity with both the safety listing of this stove and to local building codes. Do not use makeshift methods or compromise in the installation.
IMPORTANT:
THIS UNIT IS EQUIPPED WITH A NEGATIVE DRAFT SYSTEM THAT PULLS AIR THROUGH THE BURN POT AND PUSHES THE EXHAUST OUT OF THE DWELLING. IF THIS UNIT IS CONNECTED TO A FLUE SYSTEM OTHER THAN THE WAY EXPLAINED IN THIS MANUAL, IT WILL NOT FUNCTION PROPERLY.
MAXIMUM VENTING DISTANCE
Installation MUST include at least 3-feet of vertical pipe outside the home. This will create some natural draft to reduce the possibility of smoke or odor during appliance shutdown and keep exhausted from causing a nuisance or hazard by exposing people or shrubs to high temperatures. The maximum recommend vertical venting height is 12 feet for a 3-inch type “PL” vent. The total length of horizontal vent must not exceed 4-feet. This could cause back pressure. Use no more than 180 degrees of elbows (two 90-degree elbows, or two 45-degree and one 90-degree elbow, etc.) to maintain adequate draft.
IMPORTANCE OF PROPER DRAFT
Draft is the force which moves air from the appliance up through the chimney. The amount of draft in your chimney depends on the length of the chimney, local geography, nearby obstructions and other factors. Too much draft may cause excessive temperatures in the appliance. Inadequate draft may cause backpuffing into the room and ‘plugging’ of the chimney. Inadequate draft will cause the appliance to leak smoke into the room through appliance and chimney connector joints. An uncontrollable burn or excessive temperature indicates excessive draft. Take into account the chimney’s location to ensure it is not too close to neighbours or in a valley which may cause unhealthy or nuisance conditions.
PELLET VENT TYPE
A certified 3-inch or 4-inch type “PL” pellet vent exhaust system must be used for installation and attached to the pipe connector provided on the back of the stove (use a 3-inch to 4-inch adapter for 4-inch pipe). The connection at the back of the stove must be sealed using Hi-Temp RTV. Use a 4-inch vent if the vent height is over 12-feet or if the installation is over 2,500 feet above sea level. We recommend the use of Simpson Dura-Vent® or Metal-Fab® pipe (if you use other pipes, consult your local building codes and/or building inspectors). Do not use Type-B Gas Vent pipe or galvanized pipe with this unit. The pellet vent pipe is designed to disassemble for cleaning and should be checked several times during the burning season. The pellet vent pipe is not furnished with the unit and must be purchased separately.
PELLET VENT INSTALLATION
The installation must include a clean-out tee to enable collection of fly ash and to permit periodic cleaning of the exhaust system. 90-degree elbows accumulate fly ash and soot thereby reducing exhaust flow and performance of the stove. Each elbow or tee reduces draft potential by 30% to 50%. All joints in the vent system must be fastened by at least 3 screws, and all joints must be sealed with Hi-Temp RTV silicone sealant to be airtight. The area where the vent pipe penetrates to the exterior of the home must be sealed with silicone or other means to maintain the vapor barrier between the exterior and the interior of the home. Vent surfaces can get hot enough to cause burns if touched by children. Noncombustible shielding or guards may be required.
PELLET VENT TERMINATION
Do not terminate the vent in an enclosed or semi-enclosed area, such as; carport, garage, attic, crawl space, under a sun deck or porch, narrow walkway, or any other location that can build up a concentration of fumes. Termination in one of these areas can also lead to unpredictable pressure situations with the appliance, and could result in improper performance and/or malfunction. The termination must exhaust above the outside air inlet elevation. The termination must not be located where it will become plugged by snow or other materials. Do not terminate the venting into an existing steel or masonry chimney.
VENT TERMINATION CLEARANCES

- A. Minimum 4-foot (1.22m) clearance below or beside any door or window that opens.
- B. Minimum 1-foot (0.3m) clearance above any door or window that opens.
- C. Minimum 3-foot (0.91m) clearance from any adjacent building.
- D. Minimum 7-foot (2.13m) clearance from any grade when adjacent to public walkways.
- E. Minimum 2-foot (0.61m) clearance above any grass, plants, or other combustible materials.
- F. Minimum 3-foot (0.91m) clearance from a forced air intake of any appliance.
- G. Minimum 2-foot (0.61m) clearance below eves or overhang.
- H. Minimum 1-foot (0.3m) clearance horizontally from the combustible wall.
- I. Must be a minimum of 3 feet (0.91m) above the roof and 2 feet (0.61m) above the highest point or the roof within 10 feet (3.05m).
Determining where to install your new pellet stove heater. To get the most efficient use of re-circulated heat, you should consider a room that is centrally located within your home. Choose a room that is large and open. It is Extremely Important to maintain proper clearances from any combustible surfaces or materials in the room where your heater will be located. You can find proper clearance measurements in this manual and on the rating label of your pellet stove. The pellet stove can be vented through an exterior wall or into an existing masonry or metal chimney if “PL” vent pipe is used throughout existing chimney. Venting can pass through the ceiling and roof if approved pipe is used. Where passage through a wall, or partition of combustible construction is desired, the installation must conform to CAN/CSA-B365.
WARNING:
- DO NOT OBTAIN COMBUSTION AIR FROM THE ATTIC, GARAGE OR ANY OTHER UNVENTILATED AREA. YOU MAY OBTAIN COMBUSTION AIR FROM A VENTILATED CRAWL SPACE.
- DO NOT INSTALL A FLUE DAMPER IN THE EXHAUST VENTING SYSTEM OF THIS UNIT.
- DO NOT CONNECT THIS UNIT TO A CHIMNEY FLUE SERVING ANOTHER HEATER, FURNACE OR APPLIANCE.
- INSTALL VENT AT CLEARANCES SPECIFIED BY THE VENT MANUFACTURER.
- ONLY USE APPROVED MATERIAL FOR INSTALLATION, FAILURE TO DO SO MAY RESULT IN PROPERTY DAMAGE, BODILY INJURY, OR EVEN DEATH.
This appliance is certified for use with listed 3 inch or 4 inch “PL” pellet venting products. The use of other components other than stated herein could cause bodily harm, heater damage, and void your warranty.
HORIZONTAL EXHAUST VENT INSTALLATION
- Locate your pellet stove in a location that meets the requirements of this manual, but in an area where it does not interfere with the house framing, wiring, etc.
- Install a non-combustible hearth pad underneath the pellet stove. This pad should extend at least 6” (152 mm) in front of the unit.
- Place the pellet stove approximately 15” (381 mm) away from the interior wall.
- Locate the center of the exhaust pipe of your unit. This point should then be extended to the interior wall of your house. Once you have located the center point, on the interior wall, cut a 7” (175 mm) diameter hole through the wall.
- The next step is to install the wall thimble, refer to the instructions which come with the wall thimble for this step.
- Install the appropriate length of exhaust vent pipe into the wall thimble. See steps 11 and 12 when determining the correct length of exhaust vent to use.
- Outside Fresh Air is Mandatory when installing this pellet stove room heater in airtight homes and mobile homes. Be sure that the outside air vent has an approved cap on it to prevent rodents from entering. Be sure to install in a location that won’t become blocked with snow, etc.
- Connect the exhaust vent pipe to the exhaust outlet of your pellet stove.
- Secure all vent joint connections with 3 screws. Seal the exhaust vent joint connections with high-temperature silicone sealant.
- Push the unit straight back to the interior wall, being sure to maintain the minimum clearances to combustibles 2” (51 mm) to the back of the unit. Seal the annular space of the wall thimble and around the vent pipe with high-temperature silicone sealant.
- The exhaust vent pipe must extend at least 12” (300 mm) out past the exterior wall. Seal the annular space of the wall thimble and around the vent pipe with high-temperature silicone sealant.
- Install an approved horizontal termination cap or if necessary install a 90° elbow and appropriate length of vertical venting. An approved vertical vent cap is recommended.
THROUGH-THE-WALL INSTALLATION (RECOMMENDED INSTALLATION)
Canadian installations must conform to CAN/CSA-B365. To vent the unit through the wall, connect the pipe adapter to the exhaust motor adapter. If the exhaust adapter is at least 18” (457 mm) above ground level, a straight section of pellet vent pipe can be used through the wall. Your heater dealer should be able to provide you with a kit that will handle most of this installation, which will include a wall thimble that will allow the proper clearance through a combustible wall. Once outside the structure, a 3” (76 mm) clearance should be maintained from the outside wall and a clean out tee should be placed on the pipe with a 90-degree turn away from the house. At this point, a 3ft (0.91m) (minimum) section of pipe should be added with a horizontal cap, which would complete the installation. A support bracket should be placed just below the termination cap or one every 4ft (1.22m) to make the system more stable. If you live in an area that has heavy snowfall, it is recommended that the installation be taller than 3ft (0.91m) to get above the snowdrift line. This same installation can be used if your heater is below ground level by simply adding the clean-out section and vertical pipe inside until ground level is reached. With this installation, you have to be aware of the snowdrift line, dead grass, and leaves. We recommend a 3ft (0.91m) minimum vertical rise on the inside or outside of the house. The “through the wall” installation is the least expensive and simplest installation. Never terminate the end vent under a deck, in an alcove, under a window, or between two windows. We recommend Simpson Dura-Vent® or Metal-Fab® kits.
THROUGH THE ROOF/CEILING INSTALLATION
- When venting the heater through the ceiling, the pipe is connected the same as through the wall, except the clean-out tee is always on the inside of the house, and a 3” (76 mm) adapter is added before the clean-out tee.
- You must use the proper ceiling support flanges and roof flashing (supplied by the pipe manufacturer; follow the pipe manufacturer’s directions). It is important to note that if your vertical run of pipe is more than 12ft (3.7m), the pellet vent pipe size should be increased to 4” (102 mm) in diameter.
- Do not exceed more than 4ft (1.22m) of pipe on a horizontal run and use as few elbows as possible. If an offset is required, it is better to install 45-degree elbows rather than 90-degree elbows.
VENTING YOUR PELLET STOVE INTO AN EXISTING CLASS A 6” CHIMNEY SYSTEM
IMPORTANT:
If you are installing your pellet stove as a replacement to an existing wood stove, you can install your pellet stove using the existing class A 6” venting system.
- You must have the existing chimney system cleaned and/ or inspected by a qualified chimney sweep before proceeding with the installation of your pellet stove.
- To the right is an example of an installation using part number 860001, 3-6” transition into 6” connector pipe. the illustration is only an example. Please conform to any local building codes or regulations having jurisdiction before you have a qualified installer proceed with this installation.
WARNING:
You may want to locate any utilities or obstacles inside the wall before attempting this install. Make sure to keep in mind your unit’s clearance requirements.
- Mark the area and then cut the wall for vent installation if needed.
- Install the wall thimble as specified by the manufacturer (wall thimble sold separately)
- Install venting.

OPERATION INSTRUCTIONS
NEVER OPERATE THIS PRODUCT WHILE UNATTENDED
PANEL / REMOTE CONTROLS

The operation of this appliance can be controlled from the panel located on the side of the stove and/or by the remote control. The control functions are as follows:
On/Off Switch
- When pushed, the stove will automatically ignite. No other fire starter is necessary. The igniter will stay on for at least 10 and up to 12 minutes, depending on when Proof of Fire is reached. The fire should start in approximately 5 minutes.
- After pushing the “On/Off” button, the auger motor is on for 3.5 minutes, off for 1 minute. During the remainder of the start-up period, the auger motor operates on the heat range “1” setting.
- During start up the heat level advance (Up and Down keys) will change the heat range indicator level accordingly, but there is no change in the stoves operating conditions until start-up is completed.
- During start-up ignition must occur within 12 minutes or the stove will error out and show E3.
- During the start-up phase, the Mode key does not function.
Heat Range Arrow Buttons
- These buttons when pushed will set the pellet feed rate, hence the heat output or heat range of your stove. When using the hand-held remote this function can be performed with the “Up/Down” buttons.
- The levels of heat output will incrementally change on the bar graph starting from heat range “1” to heat range “5”.

°C / °F Button
- The °C / °F button changes the two digit display from degrees Celsius to degrees Fahrenheit.
MODE (M/T) BUTTON
- The Mode of the stove can be switched between manual and controlled with a Thermostat. Separate LEDs to the left of the two digit display indicate the mode of operation – Manual or T-Stat. The stove has to be in normal operation to be switched from Manual to T-Stat mode.
- Manual mode operates according to the 5 set levels of feed on the bar graph from heat range “1” to heat range “5”.
T-Stat mode works as follows:
- The stove has a built in Thermostat into the controls of the appliance. The temperature sensor for the T-Stat is located on the back of the stove behind the display board.
- Once the stove has gone into run mode the stove can be switch into T-Stat mode.
- The Up and Down Level / Temp Arrow buttons are used to change the desired set-point temperature. Once the desired temperature is reached the two digit display will flash for four seconds and reset to the actual room temperature.
- Once the stove reaches within 3°F of the desired temperature set point, it returns to the heat range that the stove was set on before it was switched to T-Stat mode (if the stove was running on heat range “5” when switched to T-stat mode when it gets within 3°F of the set point it will return to heat range “5”).
- Once the stove reaches the desired set-point, the stove will drop to heat range “1”.
- When room temperature drops below-desired set-point the stove will ramp back up until it reaches the desired temperature.
WARNING:
- • DO NOT USE CHEMICALS OR FLUIDS TO START THE FIRE – NEVER USE GASOLINE, GASOLINE-TYPE LANTERN FUEL, KEROSENE, CHARCOAL LIGHTER FLUID, OR SIMILAR LIQUIDS TO START OR “FRESHEN UP” A FIRE IN THIS STOVE. KEEP ALL SUCH LIQUIDS WELL AWAY FROM THE STOVE WHILE IT IS IN USE.
• HOT WHILE IN OPERATION. KEEP CHILDREN, CLOTHING AND FURNITURE AWAY. CONTACT MAY CAUSE SKIN BURNS.
This heater is designed to burn only PFI Premium grade pellets. DO NOT BURN:
- Garbage;
- Lawn clippings or yard waste;
- Materials containing rubber, including tires;
- Materials containing plastic;
- Waste petroleum products, paints or paint thinners, or asphalt products;
- Materials containing asbestos;
- Construction or demolition debris;
- Railroad ties or pressure-treated wood;
- Manure or animal remains;
- Salt water driftwood or other previously salt water-saturated materials;
- Unseasoned wood; or
- Paper products, cardboard, plywood, or particleboard. The prohibition against burning these materials does not prohibit the use of fire starters made from paper, cardboard, saw dust, wax and similar substances for the purpose of starting a fire in an affected wood heater.
Burning these materials may result in release of toxic fumes or render the heater ineffective and cause smoke.
PROPER FUEL
ATTENTION:
THIS APPLIANCE IS DESIGNED FOR THE USE OF PELLETIZED FUEL THAT MEETS OR EXCEEDS THE STANDARD SET BY THE PELLET FUEL INSTITUTE (PFI).
Your pellet stove is designed to burn premium hardwood pellets that comply with the Pellet Fuels Institute (PFI) standard (minimum of 40 lbs density per cubic ft, 1/4” to 5/16” diameter, length no greater than 1.5”, not less than 8,200 BTU/lb, moisture under 8% by weight, ash under 1% by weight, and salt under 300 parts per million). Pellets that are soft, contain excessive amounts of loose sawdust, have been, or are wet, will result in reduced performance. Store your pellets in a dry place. DO NOT store the fuel within the installation clearances of the unit or within the space required for refuelling and ash removal. Doing so could result in a house fire. Do not over fire or use volatile fuels or combustibles, doing so may cause personal and property damage hazards.
THIS STOVE IS APPROVED FOR BURNING PELLETIZED WOOD FUEL ONLY!
Factory-approved pellets are those 1/4” or 5/16” in diameter and not over 1” long. Longer or thicker pellets sometimes bridge the auger flights, which prevents proper pellet feed. Burning wood in forms other than pellets is not permitted. It will violate the building codes for which the stove has been approved and will void all warranties. The design incorporates an automatic feed of the pellet fuel into the fire at a carefully prescribed rate. Any additional fuel introduced by hand will not increase heat output but may seriously impair the stove’s performance by generating considerable smoke. Do not burn wet pellets. The stove’s performance depends heavily on the quality of your pellet fuel. Avoid pellet brands that display these characteristics:
- Excess Fines – “Fines” is a term describing crushed pellets or loose material that looks like sawdust or sand. Pellets can be screened before being placed in hopper to remove most fines.
- Binders – Some pellets are produced with materials to hold the together, or “bind” them.
- High ash content – Poor quality pellets will often create smoke and dirty glass. They will create a need for more frequent maintenance. You will have to empty the burn pot plus vacuum the entire system more often. Poor-quality pellets could damage the auger. We cannot accept responsibility for damage due to poor quality pellet.
CAUTION:
- KEEP FOREIGN OBJECTS OUT OF THE HOPPER.
- THE MOVING PARTS OF THIS STOVE ARE PROPELLED BY HIGH-TORQUE ELECTRIC MOTORS. KEEP ALL BODY PARTS AWAY FROM THE AUGER WHILE THE STOVE IS PLUGGED INTO AN ELECTRICAL OUTLET. THESE MOVING PARTS MAY BEGIN TO MOVE AT ANY TIME WHILE THE STOVE IS PLUGGED IN.
PRE-START-UP CHECK
Remove burn pot, making sure it is clean and none of the air holes are plugged. Clean the firebox, and then reinstall burn pot. Clean door glass if necessary (a dry cloth or paper towel is usually sufficient). Never use abrasive cleaners on the glass or door. Check fuel in the hopper, and refill if necessary.
BUILDING A FIRE
Never use a grate or other means of supporting the fuel. Use only the burn pot supplied with this heater. Hopper lid must be closed in order for the unit to feed pellets. During the start-up period:
- Make sure the burn pot is free of pellets.
- DO NOT open the viewing door.
- DO NOT add pellets to the burn pot by hand.
NOTE:
During the first few fires, your stove will emit an odor as the high-temperature paint cures or becomes seasoned to the metal. Maintaining smaller fires will minimize this. Avoid placing items on the stovetop during this period because the paint could be affected. Attempts to achieve heat output rates that exceed heater design specifications can result in permanent damage to the heater.
OPTIMAL OPERATION
This pellet stove has been certified by the US EPA to meet strict 2020 guidelines. To Insure this unit produces the optimal minimal emissions, it is critical to follow the following guidelines. To achieve a “high burn” your stove should be set on setting 5 with the damper open. To achieve a “medium burn” your stove should be set on setting 3 with the damper 50% open. To achieve a “low burn” your stove should be set on setting 1with the damper closed. If the door is opened while the stove is in operation it must be closed within 30 seconds or the stove will shut down. If the stove shuts down push the “On/Off” button to re-start your stove. The stove will have to fully shut down and turn off before you will be able to restart the stove.
IGNITOR
- Fill hopper and clean burn pot.
- Press the “On/Off” button. Make sure the green light comes on.
- Adjust the feed rate to the desired setting by pressing the “Heat Level Advance” button.
If the fire doesn’t start in 12 minutes, press “On/Off”, wait a few minutes, clear the burn pot, and start the procedure again.
OPENING DOOR
CAUTION:
- DO NOT OPERATE YOUR STOVE WITH THE VIEWING DOOR OPEN. THE AUGER WILL NOT FEED PELLETS UNDER THESE CIRCUMSTANCES AND A SAFETY CONCERN MAY ARISE FROM SPARKS OR FUMES ENTERING THE ROOM.
- THE DOOR MUST BE CLOSED AND SEALED DURING OPERATION.
If the door is opened while the stove is in operation it must be closed within 30 seconds or the stove will shut down. If the stove shuts down push the “On/Off” button to re-start your stove. The stove will have to fully shut down and turn off before you will be able to restart the stove.
ROOM AIR FAN
When starting your stove the Room Air Fan will not come on until the stove’s heat exchanger warms up. This usually takes about 10 minutes from start-up.
IF STOVE RUNS OUT OF PELLETS
The fire goes out and the auger motor and blowers will run until the stove cools. This will take 30 minutes or longer depending on the heat remaining in the appliance. After the stove components stop running all lights on the display will go out and the two digit display will begin flashing “E3”
REFUELLING
CAUTION:
- THE HOPPER AND STOVE TOP WILL BE HOT DURING OPERATION; THEREFORE, YOU SHOULD ALWAYS USE SOME TYPE OF HAND PROTECTION WHEN REFUELING YOUR STOVE.
- DO NOT TOUCH THE HOT SURFACES OF THE STOVE. EDUCATE ALL CHILDREN ON THE DANGERS OF A HIGH-TEMPERATURE STOVE. YOUNG CHILDREN SHOULD BE SUPERVISED WHEN THEY ARE IN THE SAME ROOM AS THE STOVE.
- NEVER PLACE YOUR HAND NEAR THE AUGER WHILE THE STOVE IS IN OPERATION.
- WE RECOMMEND THAT YOU NOT LET THE HOPPER DROP BELOW 1/4 FULL.
WARNING:
- KEEP HOPPER LID CLOSED AT ALL TIMES EXCEPT WHEN REFILLING.
- DO NOT OVERFILL HOPPER.
TAMPER WARNING
This wood heater has a manufacturer-set minimum low burn rate that must not be altered. It is against federal regulations to alter this setting or otherwise operate this wood heater in a manner inconsistent with operating instructions in this manual.
SHUTDOWN PROCEDURE
WARNING:
NEVER SHUT DOWN THIS UNIT BY UNPLUGGING IT FROM THE POWER SOURCE.
Turning your stove off is a matter of pressing the “POWER” button on the display board. The green light will turn back to red when the “POWER” button is pushed. The auger motor will stop, and the blowers will continue to operate until the internal firebox temperatures have fallen to a preset level.
- Your stove is equipped with a high-temperature thermodisc. This unit has a manual reset thermodisc. This safety switch has two functions.
- To recognize an overheating situation in the stove and shut down the fuel feed or auger system.
- In case of a malfunctioning convection blower, the high-temperature thermodisc will automatically shut down the auger, preventing the stove from overheating.
NOTE: On some units, once tripped, like a circuit breaker, the reset button will have to be pushed before restarting your stove. On other units, the thermodisc has no reset button and will reset itself once the stove has cooled. The manufacturer recommends that you call your dealer if this occurs as this may indicate a more serious problem. A service call may be required.
- If the combustion blower fails, an air pressure switch will automatically shut down the auger.
NOTE: Opening the stove door for more than 30 seconds during operation will cause enough pressure change to activate the air switch, shutting the fuel feed off. The stove will shut down and show “E2” on the two-digit display. The stove has to fully shut down before restarting.
INTERIOR CHAMBERS
Burn Pot
Periodically remove and clean the burn pot and the area inside the burn pot housing. In particular, it is advisable to clean out the holes in the burn pot to remove any build up that may prevent air from moving through the burn pot freely.
Heat Exchanger
There are two clean-out plates that need to be removed in order to clean the fly ash out of the heat exchanger. Open the door to access the cleanouts located inside the firebox, one on each side of the burnpot. The cleanouts are secured to the firebox with (2) 5/16” screws each. Remove the cleanouts and vacuum out any accumulated ash. This should be done at least once per month or more frequently if large amounts of ash are noticed while cleaning or if the stove does not seem to be burning properly.
Over time ash or dust may accumulate on the blades of the circulation & exhaust fans. The fans should be inspected, periodically, and if any accumulation is present vacuumed clean as the ash or dust can impede the fans performance. It is also possible that creosote may accumulate in the exhaust fan therefore, this must be brushed clean. The exhaust fan can be found behind the left side panel (facing the front of the heater), the circulation fan can be found behind the right side panel. To access the igniter, remove the air inlet tube and cover (2 screws). The auger motor is located in the center rear of the unit. Note: When cleaning, take care not to damage the fan blades.
If a vacuum is used to clean your stove, we suggest using the AV15E AshVac vacuum. The AV15E AshVac is designed for ash removal. Some regular vacuum cleaner (i.e. shop vacs) may leak ash into the room.
DO NOT VACUUM HOT ASH.
WARNING:
FAILURE TO PROPERLY MAINTAIN THE CLEAN-OUTS WILL RESULT IN POOR PERFORMANCE OF THIS STOVE.
MAINTENANCE
NEVER OPERATE THIS PRODUCT WHILE UNATTENDED
CAUTION:
- FAILURE TO CLEAN AND MAINTAIN THIS UNIT AS INDICATED CAN RESULT IN POOR PERFORMANCE, SAFETY HAZARDS, FIRE, AND EVEN DEATH.
- NEVER PERFORM ANY INSPECTIONS, CLEANING, OR MAINTENANCE ON A HOT STOVE.
- DISCONNECT THE POWER CORD BEFORE PERFORMING ANY MAINTENANCE! NOTE: TURNING THE ON/OFF SWITCH TO ”OFF” DOES NOT DISCONNECT ALL POWER TO THE ELECTRICAL COMPONENTS OF THE STOVE.
- DO NOT OPERATE THE STOVE WITH BROKEN GLASS, LEAKAGE OF FLUE GAS MAY RESULT.
- ATTEMPTS TO ACHIEVE HEAT OUTPUT RATES THAT EXCEED HEATER DESIGN SPECIFICATIONS CAN RESULT IN PERMANENT DAMAGE TO THE HEATER.
CREOSOTE FORMATION, INSPECTION, & REMOVAL
CAUTION:
THE EXHAUST SYSTEM SHOULD BE CHECKED MONTHLY DURING THE BURNING SEASON FOR ANY BUILD-UP OF SOOT OR CREOSOTE.
When any wood is burned slowly, it produces tar and other organic vapors, which combine with expelled moisture to form creosote. The creosote vapors condense in the relatively cool chimney flue or a newly started fire or from a slow-burning fire. As a result, creosote residue accumulates on the flue lining. When ignited, this creosote makes an extremely hot fire, which may damage the chimney or even destroy the house. Despite their high efficiency, pellet stoves can accumulate creosote under certain conditions. The chimney connector and chimney should be inspected by a qualified person annually or per ton of pellets to determine if a creosote or fly ash build-up has occurred. If creosote has accumulated, it should be removed to reduce the risk of a chimney fire. Inspect the system at the stove connection and at the chimney top. Cooler surfaces tend to build creosote deposits quicker, so it is important to check the chimney from the top as well as from the bottom. The creosote should be removed with a brush specifically designed for the type of chimney in use. A qualified chimney sweep can perform this service. It is also recommended that before each heating season, the entire system be professionally inspected, cleaned and, if necessary, repaired. To clean the chimney, disconnect the vent from the stove.
FLY ASH
This accumulates in the horizontal portion of an exhausting run. Though non-combustible, it may impede the normal exhaust flow. It should therefore be periodically removed.
ASH REMOVAL & DISPOSAL
CAUTION:
ALLOW THE STOVE TO COOL BEFORE PERFORMING ANY MAINTENANCE OR CLEANING. ASHES MUST BE DISPOSED OF IN A METAL CONTAINER WITH A TIGHT-FITTING LID. THE CLOSED CONTAINER OF ASHES SHOULD BE PLACED ON A NON-COMBUSTIBLE SURFACE OR ON THE GROUND, WELL AWAY FROM ALL COMBUSTIBLE MATERIALS, PENDING FINAL DISPOSAL.
Remove the ashes periodically to avoid unnecessary ash build up. Remove ashes when unit has cooled. Ashes should be placed in a metal container with a tight fitting lid. The closed container of ashes should be placed on a noncombustible floor or on the ground, well away from all combustible materials, pending final disposal. If the ashes are disposed of by burial in soil or otherwise locally dispersed, they should be retained in the closed container until all embers have been thoroughly cooled. The container shall not be used for other trash or waste disposal. If combined with combustible substances, ashes and embers may ignite.
SMOKE & CO MONITORS
Burning wood naturally produces smoke and carbon monoxide(CO) emissions. CO is a poisonous gas when exposed to elevated concentrations for extended periods of time. While the modern combustion systems in heaters drastically reduce the amount of CO emitted out the chimney, exposure to the gases in closed or confined areas can be dangerous. Make sure you stove gaskets and chimney joints are in good working order and sealing properly to ensure unintended exposure. It is recommended that you use both smoke and CO monitors in areas having the potential to generate CO.
CHECK & CLEAN THE HOPPER
Check the hopper periodically to determine if there is any sawdust (fines) that is building up in the feed system or pellets that are sticking to the hopper surface. Clean as needed.
DOOR & GLASS GASKETS
Inspect the main door and glass window gaskets periodically. The main door may need to be removed to have frayed, broken, or compacted gaskets replaced by your authorized dealer. This unit’s door uses a 3/4” diameter rope gasket.
BLOWER MOTORS
Clean the air holes on the motors of both the exhaust and distribution blowers annually. Remove the exhaust blower from the exhaust duct and clean out the internal fan blades as part of your fall start-up. If you have indoor pets your power motors should be inspected monthly to make sure they are free of animal hair build up. Animal hair build up in blowers can result in poor performance or unforeseen safety hazards.
PAINTED SURFACES
Painted surfaces may be wiped down with a damp cloth. If scratches appear, or you wish to renew your paint, contact your authorized dealer to obtain a can of suitable high-temperature paint.
GLASS
We recommend using a high-quality glass cleaner. Should a buildup of creosote or carbon accumulate, you may wish to use 000 steel wool and water to clean the glass. DO NOT use abrasive cleaners. DO NOT perform the cleaning while the glass is HOT. Do not attempt to operate the unit with broken glass. Replacement glass may be purchased from your U.S. Stove dealer. If the glass is broken, follow these removal procedures:
- Once the heater has cooled, remove the door from the heater.
- Remove the rope gasket from the door followed by the nuts holding the glass retainer in place.
- While wearing gloves, carefully remove any loose pieces of glass from the door frame.
- Replace the glass and gasket, making sure the gasket runs the full perimeter of the glass edge.
- Re-install the retainer and eight nuts and rope gasket using high-temperature silicone to adhere the gasket to the door.
- Never use substitute materials for the glass.
DO NOT abuse the door glass by striking, slamming, or similar trauma. Do not operate the stove with the glass removed, cracked, or broken.
FALL START-UP
Prior to starting the first fire of the heating season, check the outside area around the exhaust and air intake systems for obstructions. Clean and remove any fly ash from the exhaust venting system. Clean any screens on the exhaust system and on the outside air intake pipe. Turn all of the controls on and make sure that they are working properly. This is also a good time to give the entire stove a good cleaning throughout.
SPRING SHUTDOWN
After the last burn in the spring, remove any remaining pellets from the hopper and the auger feed system. Scoop out the pellets and then run the auger until the hopper is empty and pellets stop flowing (this can be done by pressing the “ON” button with the viewing door open). Vacuum out the hopper. Thoroughly clean the burn pot, and firebox. It may be desirable to spray the inside of the cleaned hopper with an aerosol silicone spray if your stove is in a high-humidity area. The exhaust system should be thoroughly cleaned.
MAINTENANCE SCHEDULE
Use the following as a guide under average use conditions. Gaskets around door and door glass should be inspected and repaired or replaced when necessary.
| Daily | Weekly | Monthly or as needed | |
| Burn Pot | Stirred | Empty | |
| Combustion Chamber | Brushed | ||
| Ashes | Check | Empty | |
| Interior Chambers | Vacuumed | ||
| Combustion Blower Blades | Vacuumed / Brushed | ||
| Convection Blower Impeller | Vacuumed / Brushed | ||
| Vent System | Cleaned | ||
| Gaskets | Inspected | ||
| Glass | Wiped | Cleaned | |
| Hopper (end of season) | Empty & Vacuumed |
TROUBLESHOOTING GUIDE
When your stove acts out of the ordinary, the first reaction is to call for help. This guide may save time and money by enabling you to solve simple problems yourself. Problems encountered are often the result of only five factors: 1) poor fuel; 2) poor operation or maintenance; 3) poor installation; 4) component failure; 5) factory defect. You can usually solve those problems related to 1 and 2. Customer service can solve problems relating to 3, 4 and 5. Refer to diagrams in the “Repair Parts” section to help locate indicated parts. For the sake of troubleshooting and using this guide to assist you, you should look at your heat level setting to see which light is flashing.
- Disconnect the power cord before performing any maintenance! NOTE: Turning the ON/OFF Switch to ”OFF” does not disconnect all power to the electrical components of the stove.
- Never try to repair or replace any part of the stove unless instructions for doing so are given in this manual. All other work should be done by a trained technician.
| Display is Flashing “E1” | |
| Possible Causes | Possible Remedies: (Unplug stove first when possible) |
| The convection blower is overheating and tripping the internal temperature shutoff. | Clean any dust off of the windings and fan blade. If oiling the blower does not help, the blower may be bad. |
| The stove is being left on the highest setting for extended periods of time. | If operating the heater on the highest heat setting, the room temperature could increase enough and lead to potential overheating situations. If this happens try operating at a lower heat setting. |
|
Fuel other than wood pellets is being burned in the stove. | This pellet stove is designed and tested to use wood pellets. Check for signs of fuel other than wood pellets. No other types of fuel have been approved for this pellet stove. If there are signs of other types of fuel being used, stop using them immediately. |
| A power surge or brownout situation. | A power surge, spike, or voltage drop could cause the high-limit switch to trip. Check to see if a surge protector is being used on the stove. If not, recommend one to the customer. |
| High Limit Switch is malfunctioning. | If the other items check out OK, replace the high-limit switch. |
ATTENTION:
THIS WOOD HEATER NEEDS PERIODIC INSPECTION AND REPAIR FOR PROPER OPERATION. IT IS AGAINST FEDERAL REGULATIONS TO OPERATE THIS WOOD HEATER IN A MANNER INCONSISTENT WITH THE OPERATING INSTRUCTIONS IN THIS MANUAL.
| Display is Flashing “E2” | |
| Possible Causes | Possible Remedies: (Unplug stove first when possible) |
| Airflow switch hose or stove attachment pipes for hose are blocked. | Unhook air hose from the air switch and blow through it. If air flows freely, the hose and tube are fine. If air will not flow throw the hose, use a wire coat hanger to clear the blockage. |
| The air inlet, burnpot, interior combustion air chambers, combustion blower, or exhaust pipe are blocked with ash or foreign material. | Follow all cleaning procedures in the maintenance section of the owner’s manual. |
| The firebox is not properly sealed. | Make sure the door is closed and that the gasket is in good shape. |
| Vent pipe is incorrectly installed. | Check to make sure vent pipe installation meets criteria in owner’s manual. |
| The airflow switch wire connections are bad. | Check the connectors that attach the gray wires to the air switch. |
|
Combustion blower failure. | With the stove on, check to see if the combustion blower is running. If it is not, you will need to check for power going to the combustion blower. It should be a full current. If there is power, the blower is bad. If there is not, make sure the control board is sending power to the air switch. |
| Control board not sending power to combustion blower. | If there is no current going to the combustion blower, check all wire connections. If all wires are properly connected, you have a bad control board. |
| Control board not sending power to air switch. | There should be a 5-volt current (approximately) going to the air switch after the stove has been on for 30 seconds. |
|
Air switch has failed. | To test the air switch, you will need to disconnect the air hose from the body of the stove. With the other end still attached to the air switch, very gently suck on the loose end of the hose (you may want to remove the hose entirely off the stove and the air switch first and make sure it is clear). If you hear a click, the air switch is working. BE CAREFUL TOO MUCH VACUUM CAN DAMAGE THE AIR SWITCH. |
| Display is Flashing “E3” | |
| Possible Causes | Possible Remedies: (Unplug stove first when possible) |
| The hopper is out of pellets | Refill the hopper. |
| The air dampener is too far open for a low feed setting | If on the low setting, you may need to close the dampener all the way. |
| The burnpot holes are blocked. | Remove the burnpot and thoroughly clean it. |
| The air inlet, the interior chambers, or exhaust system has a partial blockage. | Follow all cleaning procedures in the maintenance section of the owner’s manual |
| The hopper safety switch has failed or hopper is open. | When operating the unit, be sure the hopper lid is closed so that the hopper safety switch will activate. Check the wires leading from the hopper safety switch to the control panel and auger motor for secure connections. Use a continuity tester to test the hopper safety switch; replace if necessary. |
|
The auger shaft is jammed. | “Start by emptying the hopper. Then remove the auger motor by removing the auger pin, then remove the two bolts that hold the auger bracket to the auger tube. The auger bracket will now be able to be removed form the auger tube. Remove the two bolts on the side of the auger tube to remove the lower bearing of the auger. Pull the auger out of the tube to free the jam. |
| The auger motor has failed. | Remove the auger motor from the auger shaft and try to run the unit. If the motor will turn the shaft is jammed on something. If the motor will not turn, the motor is bad. |
|
The Proof of Fire (POF) thermodisc has malfunctioned. | Temporarily bypass the POF thermodisc by disconnecting the two wires and connecting them with a short piece of wire. Then plug the stove back up. If the stove comes on and works, you need to replace the POF thermodisc. This is for testing only. DO NOT LEAVE THE THERMODISC BYPASSED. Your blowers will never shut off and if the fire went out the auger will continue to feed pellets until the hopper is empty if you leave the POF thermodisc bypassed. |
| The control board is not sending power to the POF thermodisc or other auger system components. | There should be a 5-volt (approximately) current going to the POF thermodisc after the stove has been on for 10 minutes. |
| Display is Flashing “E4” | |
| Possible Causes | Possible Remedies: (Unplug stove first when possible) |
| The air inlet, burnpot, interior combustion air chambers, combustion blower, or exhaust pipe are blocked with ash or foreign material. | Follow all cleaning procedures in the maintenance section of the owner’s manual. |
| The Proof of Fire (POF) thermodisc has came unplugged | Check the (POF) thermodisc to see if the wires are connected properly. |
|
The Proof of Fire (POF) thermodisc has malfunctioned. | Temporarily bypass the POF thermodisc by disconnecting the two wires and connecting them with a short piece of wire. Then plug the stove back up. If the stove comes on and works, you need to replace the POF thermodisc. This is for testing only. DO NOT LEAVE THE THERMODISC BYPASSED. Your blowers will never shut off and if the fire went out the auger will continue to feed pellets until the hopper is empty if you leave the POF thermodisc bypassed. |
| The hopper is out of Pellets. | Refill the hopper. |
| The hopper safety switch has failed or hopper is open. | When operating the unit, be sure the hopper lid is closed so that the hopper safety switch will activate. Check the wires leading from the hopper safety switch to the control panel and auger motor for secure connections. Use a continuity tester to test the hopper safety switch; replace if necessary. |
|
The auger shaft is jammed. | Start by emptying the hopper. Then remove the auger motor by removing the auger pin. Remove the auger shaft inspection plate in the hopper so that you can see the auger shaft. Gently lift the auger shaft straight up so that the end of the auger shaft comes up out of the bottom auger bushing. Next, remove the two nuts that hold the top auger biscuit in. Then rotate the bottom end of the auger shaft up towards you until you can lift the shaft out of the stove. After you have removed the shaft, inspect it for bent flights, burrs, or broken welds. Remove any foreign material that might have caused the jam. Also, check the auger tube for signs of damage such as burrs, rough spots, or grooves cut into the metal that could have caused a jam. |
| The auger motor has failed. | Remove the auger motor from the auger shaft and try to run the unit. If the motor will turn the shaft is jammed on something. If the motor will not turn, the motor is bad. |
| Display is Flashing “E5” | |
| Possible Causes | Possible Remedies: (Unplug stove first when possible) |
| The stove automatically flashes “E5” when turned on | The T-stat sensor has come unplugged form the control board. Check to see if the sensor is unplugged. If the sensor is not unplugged then the sensor is damaged or has a short. If the sensor is damaged or has a short it will need to be replaced. |
| Stove Feeds Pellets, But Will Not Ignite | |
| Possible Causes | Possible Remedies: (Unplug stove first when possible) |
| Air damper open too far for ignition. | In some situations it may be necessary to have the damper completely closed for ignition to take place. After there is a flame, the damper can then be adjusted for the desired feed setting. |
|
Blockage in igniter tube or inlet for igniter tube. | Find the igniter housing on the backside of the firewall. The air intake hole is a small hole located on bottom side of the housing. Make sure it is clear. Also, look from the front of the stove to make sure there is not any debris around the igniter element inside of the igniter housing. |
| The burnpot is not pushed completely to the rear of the firebox. | Make sure that the air intake collar on the burnpot is touching the rear wall of the firebox. |
| Bad igniter element. | Put power directly to the igniter element. Watch the tip of the igniter from the front of the stove. After about 2 minutes the tip should glow. If it does not, the element is bad. |
| The control board is not sending power to the igniter. | Check the voltage going to the igniter during startup. It should be a full current. If the voltage is lower than full current, check the wiring. If the wiring checks out good, the board is bad. |
| Smoke Smell Coming Back Into The Home | |
| Possible Causes | Possible Remedies: (Unplug stove first when possible) |
|
There is a leak in the vent pipe system. | Inspect all vent pipe connections. Make sure they are sealed with RTV silicone that has a temperature rating on 500 degree F or higher. Also, seal joints with UL-181-AP foil tape. Also, make sure the square to round adapter piece on the combustion blower has been properly sealed with the same RTV. |
| The gasket on the combustion blower has gone bad. | Inspect both gaskets on the combustion blower to make sure they are in good shape. |
| Because it is a wood-burning device, your pellet heater may emit a faint wood-burning odor. If this increases beyond normal, or if you notice an unusual soot build-up on walls or furniture, check your exhaust system carefully for leaks. All joints should be properly sealed. Also clean your stove, following instructions in “MAINTENANCE”. If problem persists, contact customer service. | |
| Convection Blower Shuts Off And Comes Back On | |
| Possible Causes | Possible Remedies: (Unplug stove first when possible) |
| The convection blower is overheating and tripping the internal temperature shutoff. | Clean any dust off of the windings and fan blades. If cleaning the blower does not help, the blower may be bad. |
| Circuit board malfunction. | Test the current going to the convection blower. If there is power being sent to the blower when it is shut off, then the control board is fine. If there is NOT power being sent to the blower when it shuts off during operation, then you have a bad control board. |
| Stove Will Not Feed Pellets, But Fuel Feed Light Comes On As Designed | |
| Possible Causes | Possible Remedies: (Unplug stove first when possible) |
| High limit switch has tripped or is defective. | Wait for the stove to cool for about 30 – 45 minutes. Locate the High Limit thermodisc and press the reset button on the back of it. If the heater will not restart, check the thermodisc to see if it’s bad. To test if the thermodisc is bad, you can bypass it as described previously for the POF thermodisc. |
| Bad Auger Motor. | Remove the auger motor from the auger shaft and try to run the unit. If the motor will turn the shaft is jammed on something. If the motor will not turn, the motor is bad. |
| Auger Jam | Start by emptying the hopper. Then remove the auger motor by removing the auger pin. Remove the auger shaft inspection plate in the hopper so that you can see the auger shaft. Gently lift the auger shaft straight up so that the end of the auger shaft comes up out of the bottom auger bushing. Next, remove the two nuts that hold the top auger biscuit in. Then rotate the bottom end of the auger shaft up towards you until you can lift the shaft out of the stove. After you have removed the shaft, inspect it for bent flights, burrs, or broken welds. Remove any foreign material that might have caused the jam. Also, check the auger tube for signs of damage such as burrs, rough spots, or grooves cut into the metal that could have caused a jam. |
| Loose wire or connector. | Check all wires and connectors that connector to the auger motor, high limit switch, and the Molex connector. |
| Bad control board. | If the fuse is good, the wires and connectors check out good, and the high limit switch did not trip, test for power going to the auger motor. If there is not a full current going to the auger motor when the fuel feed light is on, you have a bad control board. |
| High Limit Switch Keeps Tripping | |
| Possible Causes | Possible Remedies: (Unplug stove first when possible) |
| The convection blower is overheating and tripping the internal temperature shutoff. | Clean any dust off of the windings and fan blades. If oiling the blower does not help, the blower may be bad. |
| The stove is being left on the highest setting for extended periods of time. | If operating the heater on the highest heat setting, the room temperature could increase enough and lead to potential overheating situations. If this happens, try operating at a lower heat setting. |
| Fuel other than wood pellets is being burned in the stove. | This pellet stove is designed and tested to use wood pellets. Check for signs of fuel other than wood pellets. No other types of fuel have been approved for this pellet stove. If there are signs of other types of fuel being used, stop using them immediately. |
| Power surge or brownout situation. | A power surge, spike, or voltage drop could cause the high limit switch to trip. Check to see if a surge protector is being used on the stove. If not, recommend one to the consumer. |
| High limit switch is malfunctioning. | If the other items check out okay, replace the high-limit switch. |
| Glass “Soot’s” Up At A Very Fast Rate Flame Is Lazy, Dark, And Has Black Tips After Stove Has Been On For A While, The Burnpot Overfills | |
| Possible Causes | Possible Remedies: (Unplug stove first when possible) |
| Stove or vent pipe is dirty, which restricts airflow through the burnpot. | Follow all cleaning procedure in the maintenance section of the owner’s manual. |
| Vent pipe installed improperly. | Check to make sure the vent pipe has been installed according to the criteria in the owner’s manual. |
| Burnpot holes are blocked. | Remove the burnpot and thoroughly clean it. |
| Blockage in air intake pipe. | Visually inspect the air intake pipe that leads into the burnpot for foreign material. |
| Combustion blower is not spinning fast enough. | Test the RPM on the blower after the blades have been cleaned. The RPM should be approximately 3000 RPM. |
| Bad Pellets. (Applies to GLASS “SOOT’S” UP AT A VERY FAST RATE Only) | The brand of pellets or the batch of pellets that are being used may be of poor quality. If possible, try a different brand of pellets. You might also want to try a brand that is made from a different type of wood (softwood vs. hardwood). Different woods have different characteristics when being burned. |
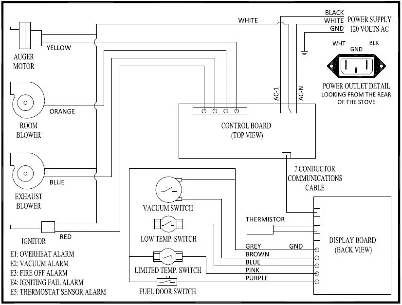
WIRING DIAGRAM


HOW TO ORDER REPAIR PARTS
For Parts Assistance Call: 800-750-2723 Ext 5051 or Email: [email protected].
The information in this owner’s manual is specific to your unit. When ordering replacement parts the information in this manual will help to ensure the correct items are ordered. Before contacting customer service write down the model number and the serial number of this unit. That information can be found on the certification label attached to the back of the unit. Other information that may be needed would be the part number and part description of the item(s) in question. Part numbers and descriptions can be found in the “Repair Parts” section of this manual. Once this information has been gathered you can contact customer service by phone at 1-800-750-2723 Ext 5051 or Email [email protected].
REPAIR PARTS

To order parts:
Call 1-800-750-2723 Ext 5051 or Email to: [email protected].
| Key | Part # | Description | Qty |
| 1 | 88174 | Glass Gasket – Flat (3/16T x 3/8W) | 1 |
| 2 | 893159 | Clear Glass | 1 |
| 3 | 88324 | 1” Rope Gasket | 1 |
| 4 | 893629 | Burnpot Assembly | 1 |
| 5 | 80780 | IR Remote | 1 |
| 6 | 80455 | High Temp Snapdisc | 1 |
| 7 | 80886 | Circuit Board Assy. | 1 |
| 8 | 88351 | Channel Gasket | 1 |
| 9 | 88118 | Ignitor Flange Gasket | 1 |
| 10 | 80869 | Ceramic Ignitor | 1 |
| 11 | 80549 | Pressure Switch | 1 |
| 12 | 80867 | Distribution Blower | 1 |
| 13 | 88106 | Distribution Blower Gasket | 1 |
| 14 | 80866 | Drive Motor (1.5 RPM CCW) | 1 |
| 15 | 80610 | POF Snapdisc | 1 |
| 16 | 88100 | Exhaust Blower Gasket | 1 |
| 17 | 80868 | Exhaust Blower | 1 |
| 18 | 80491 | Microswitch | 1 |
| 19 | 893241-US | Door Handle Kit | 1 |
IN ORDER TO MAINTAIN A WARRANTY, COMPONENTS MUST BE REPLACED USING USSC PARTS PURCHASED THROUGH YOUR DEALER OR DIRECTLY FROM USSC. USE OF THIRD-PARTY COMPONENTS WILL VOID THE WARRANTY.
SERVICE RECORD
It is recommended that your heating system is serviced regularly and that the appropriate Service Interval Record is completed.
SERVICE PROVIDER
Before completing the appropriate Service Record below, please ensure you have carried out the service as described in the manufacturer’s instructions. Always use the manufacturer’s specified spare part when replacement is necessary.
For Customer Service, please call: 1-800-750-2723 Ext 5050 or; Text to 423-301-5624 or; Email us at:
[email protected].
References
FIND AN NFI PRO – National Fireplace Institute (NFI)
P65warnings.ca.gov
US Stove Company | Wood Stoves | Gas Stoves | Furnaces | Outdoor Living
National Fireplace Institute (NFI) – The national certification division of the Hearth, Patio & Barbecue Education Foundation (HPBEF)
WETT - Wood Energy Technology Transfer Inc




















