
Model Number:
VG5790

Report #: F20-578
Certified to: ASTM E1509-12 (2017)
and Certified to ULC-S627-00-REV1
Mobile Home Approved
Owner’s Instruction and Operation Manual

* All Pictures In This Manual Are For Illustrative Purposes Only. Actual Product May Vary.
Save These Instructions In A Safe Place For Future Reference.
SAFETY NOTICE: If this heater is not properly installed, a house fire may result. For your safety, follow the installation instructions. Never use make-shift compromises
during the installation of this heater. Contact local building or fire officials about permits, restrictions and installation requirements in your area. NEVER OPERATE THIS
PRODUCT WHILE UNATTENDED.
CAUTION! Please read this entire manual before you install or use your new room heater. Failure to follow instructions may result in property damage, bodily injury, or
even death. Improper Installation Will Void Your Warranty!
U.S. Environmental Protection Agency Certified to comply with 2020 particulate emissions standards.
CALIFORNIA PROPOSITION 65 WARNING:
This product can expose you to chemicals including carbon monoxide, which is known to the State of California to cause cancer, birth defects, and/or other reproductive harm. For more information, go to www.P65warnings.ca.gov
THIS MANUAL IS SUBJECT TO CHANGE WITHOUT NOTICE.
© 2021 United States Stove Company, 227 Industrial Park Rd., South Pittsburg, TN 37380 Ph. 800-750-2723 Your pellet stove has been approved for installation in the USA and Canada. It may also be installed in a manufactured or mobile home. Your stove is certified to ASTM E1509-12 (2017), and Certified to ULC S627, 2000. This manual describes the installation and operation of the Vogelzang, VG5790 wood heater. This heater meets the 2020 US Environmental Protection Agency’s wood pellet emissions limits for wood heaters sold after May 15, 2020. Under specific test conditions, this heater has been shown to deliver heat at rates ranging from 9,218 to 18,619 Btu/hr. This heater achieved a particulate emissions rate of 0.85 g/hr and an efficiency of 70%.
| Heating Specifications | ||
| Fuel Burn Rate* (lowest setting) | 1.5 lbs./hr. (0.5 kg/hr) | * Pellet size may affect the actual rate of fuel feed and burn times. Fuel feed rates may vary by as much as 20%. Use PFI-listed fuel for best results. |
| Burn Time (lowest setting) | 80 hrs. (approximate) | |
| Hopper Capacity | 120 lbs. (55kg) | |
| Electrical Specifications | ||
| Electrical Rating | 110-120 volts, 60 HZ, 3.0 Amps | |
| Watts (operational) | 180 | |
| Watts (igniter running) | 346 | |
| Dimensions | ||
| Overall: Height X Width X Depth | 37.5” (878 mm) X 26” (665 mm) X 27” (688 mm) | |
| Weight | 245 lbs. (111.1kg) | |
| WARNING |
| IT IS AGAINST FEDERAL REGULATIONS TO OPERATE THIS WOOD HEATER IN A MANNER INCONSISTENT WITH THE OPERATING INSTRUCTIONS IN THE OWNER’S MANUAL |
Note: Register your product online at www.usstove.com or download the free app today. This app is available only on the App Store for iPhone and iPad. Search US Stove. Save your receipt with your records for any claims.
INSTALLATION CHECKLIST
Your Wood Stove should be installed by a qualified installer only. An NFI qualified Installer can be found at www.certified.org/public/find-an-NFI-pro/
COMMISSIONING CHECKLIST
This checklist is to be completed in full by the qualified person who installs this unit. Keep this page for future reference. Failure to install and commission according to the manufacturer’s instructions and complete this checklist will invalidate the warranty.
| Customer Name: | Telephone Number: | ||||||||||||||||||||||||||
| Address: | |||||||||||||||||||||||||||
| Model: | |||||||||||||||||||||||||||
| Serial Number: | |||||||||||||||||||||||||||
| Installation Company Name: | Phone Number: | ||||||||||||||||||||||||||
| Installation Technician’s Name: | License Number: | ||||||||||||||||||||||||||
DESCRIPTION OF WORK
Location of installed appliance–
Venting System: New Venting System ❑ Yes ❑ No If yes, Brand ___
If no, Date of inspection of existing venting system–
COMMISSIONING
Confirm Hearth Pad Installation as per Installation Instructions………………..•
Confirm proper placement of internal parts………………………………………….•
Check soundness of door gasket and door seals…………………………………..•
Confirm clearances to combustibles as per installation instructions in this manual………………………………………………………………………………………..•
Check the operations of the air controls………………………………………………•
Confirm the venting system is secure and sealed…………………………………..•
Confirm the stove starts and operates properly…………………………………….•
Check to ensure a CO alarm is installed as per local building codes and is functional…………………………………………………………………………………….•
Explain the safe operation, proper fuel usage, cleaning, and routine maintenance requirements……………………………………………………………….• |
Declaration of Completion: As the qualified person responsible for the work described above, I confirm that the appliance as associated work has been installed as per the manufacturer’s instructions and following any applicable building and installation codes.
Signed: _______________________________________ Print Name: ___________________________________ Date: _______________
Home Owner: RETAIN THIS INFORMATION FOR FUTURE REFERENCE
SAFETY NOTICE
- IF THIS STOVE IS NOT PROPERLY INSTALLED, A HOUSE FIRE MAY RESULT. TO REDUCE THE RISK OF FIRE, FOLLOW THE INSTALLATION INSTRUCTIONS.
- CONTACT YOUR LOCAL BUILDING OFFICIALS TO OBTAIN A PERMIT AND INFORMATION ON ANY ADDITIONAL INSTALLATION RESTRICTIONS OR INSPECTION REQUIREMENTS IN YOUR AREA.
- DO NOT PLACE CLOTHING OR OTHER FLAMMABLE ITEMS ON OR NEAR THIS STOVE.
- NEVER USE GASOLINE, GASOLINE-TYPE LANTERN FUEL, KEROSENE, CHARCOAL LIGHTER FLUID, OR SIMILAR LIQUIDS TO START OR ’FRESHEN UP’ A FIRE IN THIS STOVE. KEEP ALL SUCH LIQUIDS WELL AWAY FROM THE STOVE WHILE IT IS IN USE.
- THIS APPLIANCE IS A FREESTANDING HEATER. IT IS NOT INTENDED TO BE ATTACHED TO ANY TYPE OF DUCTING. IT IS NOT A FURNACE. DO NOT CONNECT THIS UNIT TO ANY AIR DISTRIBUTION DUCT OR SYSTEM. THIS APPLIANCE IS NOT INTENDED FOR COMMERCIAL USE.
- INSTALL VENT AT CLEARANCES SPECIFIED BY THE VENT MANUFACTURER.
- DO NOT INSTALL A FLUE DAMPER IN THE EXHAUST VENTING SYSTEM OF THIS UNIT.
- YOUR STOVE REQUIRES PERIODIC MAINTENANCE AND CLEANING (SEE ”MAINTENANCE”). FAILURE TO MAINTAIN YOUR STOVE MAY LEAD TO IMPROPER AND/OR UNSAFE OPERATION.
- A POWER SURGE PROTECTOR IS REQUIRED. THIS UNIT MUST BE PLUGGED INTO A 110 – 120V, 60 HZ GROUNDED ELECTRICAL OUTLET. DO NOT USE AN ADAPTER PLUG OR SEVER THE GROUNDING PLUG. DO NOT ROUTE THE ELECTRICAL CORD UNDERNEATH, IN FRONT OF, OR OVER THE HEATER. DO NOT ROUTE THE CORD IN FOOT TRAFFIC AREAS OR PINCH THE CORD UNDER FURNITURE.
ATTENTION:
• A WORKING SMOKE DETECTOR MUST BE INSTALLED IN THE SAME ROOM AS THIS PRODUCT.
• INSTALL A SMOKE DETECTOR ON EACH FLOOR OF YOUR HOME; IN CASE OF ACCIDENTAL FIRE FROM ANY CAUSE IT CAN PROVIDE TIME FOR ESCAPE.
• THE SMOKE DETECTOR MUST BE INSTALLED AT LEAST 15 FEET (4,57 M) FROM THE APPLIANCE IN ORDER TO PREVENT UNDUE TRIGGERING OF THE DETECTOR WHEN RELOADING.
INSTALLATION
CAUTION:
BURNING FUEL CREATES CARBON MONOXIDE AND CAN BE HAZARDOUS TO YOUR HEALTH IF NOT PROPERLY VENTED.
CAUTION:
- USE OF OUTSIDE AIR IS NOT REQUIRED FOR THIS UNIT.
- DO NOT UNPLUG THE STOVE IF YOU SUSPECT A MALFUNCTION. TURN THE ON/OFF SWITCH TO ”OFF’ AND CONTACT YOUR DEALER.
- THE HEATER WILL NOT OPERATE DURING A POWER OUTAGE. IF A POWER OUTAGE DOES OCCUR, CHECK THE HEATER FOR SMOKE SPILLAGE AND
OPEN A WINDOW IF ANY SMOKE SPILLS INTO THE ROOM. - NEVER BLOCK FREE AIRFLOW THROUGH THE OPEN VENTS OF THE UNIT.

US Stove highly recommends your stove be installed by a qualified NFI (US) or WETT (Canada) technician. To find the nearest qualified installer, go to:
https://nficertified.org, https://www.wettinc.ca/
IMPROPER INSTALLATION
The use of other components other than stated herein could cause bodily harm, heater damage, and void your warranty. The manufacturer will not be held responsible for damage caused by the malfunction of a stove due to improper venting or installation.
FLOOR PROTECTION
This heater must have a non-combustible floor protector (UL1618 ember protection) installed beneath it if the floor is of combustible material.
US: The floor pad or non-combustible surface should be large enough to cover at least the area under the product and 6” (152 mm) beyond the front and beyond each side
INSTALLATION
of the fuel loading and ash removal openings. Floor protection must extend under and 2” (51 mm) to each side of the chimney tee for an interior vertical installation. Canada: Require a minimum of 450 mm [17.7”] beyond the front of the unit and 200 mm [7.8”] beyond each side of the unit. A Floor Protector of 1/4” thick is recommended for this installation.

| A | Rear | 1” | 25 mm |
| B | Front | 6” | 152 mm |
| C | Side | 6” | 152 mm |
CLEARANCES
Your pellet stove has been tested and listed for installation in a residential, mobile home in accordance with the clearances given below. For safety reasons, please adhere to the installation clearances and restrictions. Any reduction in clearance to combustibles may only be done by means approved by a regulatory authority.
| D | Backwall to unit | 8” | 203 mm |
| E | Sidewall to flue | 12-1/2” | 317 mm |
| F | Sidewall to the top edge of the unit | 8” | 203 mm |
| G | Backwall to Flue | 2” | 50 mm |
| H | Adjacent wall to unit | 3” | 76 mm |
| J | Alcove depth | 36” | 914 mm |
| K | Alcove height | 60” | 1524 mm |


OUTSIDE AIR SUPPLY (OPTIONAL, UNLESS INSTALLING IN A MOBILE HOME)
ATTENTION:
DO NOT VENT UNDER ANY PORCH, DECK, AWNING, OR IN ANY SEMI-ENCLOSED OR ROOFED AREA. DOING SO MAY RESULT IN UNPREDICTABLE AIRFLOW AT THE
VENT CAP UNDER CERTAIN CONDITIONS AND CAN AFFECT THE PERFORMANCE OF YOUR STOVE, AS WELL AS, OTHER UNFORESEEABLE ISSUES.
Depending on your location and home construction, outside air may be necessary for optimal performance. Your stove is approved to be installed with an outside air intake (69FAK) which is necessary for a mobile home. You can purchase the 69FAK through your heater dealer. Installation instructions are supplied with the air intake kit.
SECURING APPLIANCE TO THE FLOOR
Use the designated holes to secure the unit to the floor.

| WARNING! DO NOT INSTALL IN SLEEPING ROOM. |
| CAUTION! THE STRUCTURAL INTEGRITY OF THE MOBILE HOME FLOOR, WALL, AND CEILING/ROOF MUST BE MAINTAINED. |
WHEN INSTALLED IN A MOBILE HOME, THE STOVE MUST BE GROUNDED DIRECTLY TO THE STEEL CHASSIS AND BOLTED TO THE FLOOR. |
In addition to the previously detailed installation requirements, mobile home installations must meet the following requirements:
- This stove must be securely fastened to the floor of the mobile home through the two holes in the rear of the stove using two, 1/4” lag bolts that are long enough to go through both a hearth pad, if used, and the floor of the home.
- The heater must be electrically grounded to the steel chassis of the mobile home with 8 GA copper wire using a serrated or star washer to penetrate paint or protective coating to ensure grounding.
- The vent must be a 3 or 4-inch “PL” Vent and must extend a minimum of 36” (914 mm) above the roofline of the mobile home and must be installed using a certified ceiling fire stop and rain cap.
- When moving your mobile home, all exterior venting must be removed while the mobile home is being relocated. After relocation, all venting must be reinstalled and securely fastened.
- Outside air is mandatory for mobile home installation. See the Outside Air Supply section and your dealer for purchasing.
- Check with your local building officials as other codes may apply.
VENTING REQUIREMENTS
WARNING:
- INSTALL VENT AT CLEARANCES SPECIFIED BY THE VENT MANUFACTURER.
- DO NOT CONNECT THE PELLET VENT TO A VENT SERVING ANY OTHER APPLIANCE OR STOVE.
- DO NOT INSTALL A FLUE DAMPER IN THE EXHAUST VENTING SYSTEM OF THIS UNIT.
The following installation guidelines must be followed to ensure conformity with both the safety listing of this stove and to local building codes. Do not use makeshift methods or compromise in the installation.
IMPORTANT:
THIS UNIT IS EQUIPPED WITH A NEGATIVE DRAFT SYSTEM THAT PULLS AIR THROUGH THE BURN POT AND PUSHES THE EXHAUST OUT OF THE DWELLING.
IF THIS UNIT IS CONNECTED TO A FLUE SYSTEM OTHER THAN THE WAY EXPLAINED IN THIS MANUAL, IT WILL NOT FUNCTION PROPERLY.
MAXIMUM VENTING DISTANCE
Installation MUST include at least 3-feet of vertical pipe outside the home. This will create some natural draft to reduce the possibility of smoke or odor during appliance shutdown and keep exhausted from causing a nuisance or hazard by exposing people or shrubs to high temperatures. The maximum recommend vertical venting height is 12feet for a 3-inch type “PL” vent. The total length of the horizontal vent must not exceed 4-feet. This could cause backpressure. Use no more than 180 degrees of elbows (two 90-degree elbows, or two 45-degree and one 90-degree elbow, etc.) to maintain adequate draft.
IMPORTANCE OF PROPER DRAFT
The draft is the force that moves air from the appliance up through the chimney. The amount of draft in your chimney depends on the length of the chimney, local geography, nearby obstructions, and other factors. Too much draft may cause excessive temperatures in the appliance. The inadequate draft may cause back puffing into the room and ‘plugging’ of the chimney. The inadequate draft will cause the appliance to leak smoke into the room through appliance and chimney connector joints. An uncontrollable burn or excessive temperature indicates an excessive draft. Take into account the chimney’s location to ensure it is not too close to neighbors or in a valley which may cause unhealthy or nuisance conditions.
INSTALLATION
PELLET VENT TYPE
A certified 3-inch or 4-inch type “PL” pellet vent exhaust system must be used for installation and attached to the pipe connector provided on the back of the stove (use a 3-inch to 4-inch adapter for 4-inch pipe). Connection at the back of stove must be sealed using Hi-Temp RTV. Use a 4-inch vent if the vent height is over 12-feet or if the installation is over 2,500 feet above sea level. We recommend the use of Simpson Dura-Vent® or Metal-Fab® pipe (if you use another pipe, consult your local building codes and/or building inspectors). Do not use Type-B Gas Vent pipe or galvanized pipe with this unit. The pellet vent pipe is designed to disassemble for cleaning and should be checked several times during the burning season. Pellet vent pipe is not furnished with the unit and must be purchased separately.
PELLET VENT INSTALLATION
The installation must include a clean-out tee to enable the collection of fly ash and to permit periodic cleaning of the exhaust system. 90-degree elbows accumulate fly ash and soot thereby reducing exhaust flow and performance of the stove. Each elbow or tee reduces draft potential by 30% to 50%. All joints in the vent system must be fastened by at least 3 screws, and all joints must be sealed with HiTemp RTV silicone sealant to be airtight. The area where the vent pipe penetrates to the exterior of the home must be sealed with silicone or other means to maintain the vapor barrier between
the exterior and the interior of the home. Vent surfaces can get hot enough to cause burns if touched by children. Noncombustible shielding or guards may be required.
PELLET VENT TERMINATION
Do not terminate the vent in an enclosed or semi-enclosed area, such as; carport, garage, attic, crawl space, under a sun deck or porch, narrow walkway, or any other location that can build up a concentration of fumes. Termination in one of these areas can also lead to unpredictable pressure situations with the appliance and could result in improper performance and/or malfunction. The termination must exhaust above the outside air inlet elevation. The termination must not be located where it will become plugged by snow or other materials. Do not terminate the venting into an existing steel or masonry chimney.
VENT TERMINATION CLEARANCES
A. Minimum 4-foot (1.22m) clearance below or beside any door or window that opens.
B. Minimum 1-foot (0.3m) clearance above any door or window that opens.
C. Minimum 3-foot (0.91m) clearance from any adjacent building.
D. Minimum 7-foot (2.13m) clearance from any grade when adjacent to public walkways.
E. Minimum 2-foot (0.61m) clearance above any grass, plants, or other combustible materials.
F. Minimum 3-foot (0.91m) clearance from a forced air intake of any appliance.
G. Minimum 2-foot (0.61m) clearance below eves or overhang.
H. Minimum 1-foot (0.3m) clearance horizontally from a combustible wall.
I. Must be a minimum of 3 feet (0.91m) above the roof and 2 feet (0.61m) above the highest point or the roof within 10 feet (3.05m).


THROUGH THE WALL INSTALLATION (RECOMMENDED INSTALLATION)
Canadian installations must conform to CAN/CSA-B365. To vent the unit through the wall, connect the pipe adapter to the exhaust motor adapter. If the exhaust adapter is at least 18” (457 mm) above ground level, a straight section of pellet vent pipe can be used through the wall. Your heater dealer should be able to provide you with a kit that will handle most of this installation, which will
include a wall thimble that will allow the proper clearance through a combustible wall. Once outside the structure, a 3” (76 mm) clearance should be maintained from the outside wall and a clean out tee should be placed on the pipe with a 90-degree turn away from the house. At this point, a 3ft (0.91m) (minimum) section of pipe should be added with a horizontal cap, which would complete the
installation. A support bracket should be placed just below the termination cap or one every 4ft (1.22m) to make the system more stable. If you live in an area that has heavy snowfall, it is recommended that the installation be taller than 3ft (0.91m) to get above the snowdrift line. This same installation can be used if your heater is below ground level by simply adding the clean-out section and vertical pipe inside until ground level is reached. With this installation, you have to be aware of the snowdrift line, dead grass, and leaves. We recommend a 3ft (0.91m) minimum vertical rise on the inside or outside of the house. The “through the wall” installation is the least expensive and simplest installation. Never terminate the end vent under a deck, in an alcove, under a window, or between two windows. We recommend Simpson Dura-Vent® or Metal-Fab® kits.

THROUGH THE ROOF/CEILING INSTALLATION
When venting the heater through the ceiling, the pipe is connected the same as through the wall, except the cleanout tee is always on the inside of the house, and a 3” (76 mm) adapter is added before
the clean-out tee. You must use the proper ceiling support flanges and roof flashing (supplied by the pipe manufacturer; follow the pipe manufacturer’s directions). It is important to note that
if your vertical run of pipe is more than 12ft (3.7m), the pellet vent pipe size should be increased to 4” (102 mm) in diameter. Do not exceed more than 4ft (1.22m) of pipe on a horizontal run and use as few elbows as possible. If an offset is required, it is better to install 45-degree elbows rather than 90-degree elbows.
OPERATION INSTRUCTIONS
NEVER OPERATE THIS PRODUCT WHILE UNATTENDED
PANEL CONTROLS

The blowers and automatic fuel supply are controlled from a panel on the top of this unit. The control panel functions are a follows. A. ON/OFF SWITCH (“POWER” BUTTON)
- When pushed, the stove will automatically ignite. No other fire starter is necessary. The igniter will stay on for at least 10 and up to 12 minutes, depending on when Proof of Fire is reached. The fire should start in approximately 5 minutes.
- The red light located above the “POWER” button will turn green when pressed and remain green until the stove is turned off.
- After pushing “POWER”, the auger motor is on for 3.5 minutes, off for 1 minute. During the remainder of the start-up period, the auger motor operates on the heat range “1” setting.
- During startup, the heat level advance (Up and Down keys) will change the heat range indicator level accordingly, but there is no change in the stoves operating conditions until start-up is completed.
- During start-up ignition must occur within 12 minutes or the stove will error out and show E4.
- During the start-up phase, the Mode key does not function. B. LEVEL / TEMP ARROW BUTTONS
- These buttons when pushed will set the pellet feed rate, hence the heat output or heat range of your stove.
- The levels of heat output will incrementally change on the bar graph starting from heat range “1” to heat range “5”. C. °C / °F Button
- The °C / °F button changes the two-digit display from degrees Celsius to degrees Fahrenheit.
D. MODE (M/T) BUTTON
- The Mode of the stove can be switched between manual and controlled with a Thermostat. Separate LEDs to the left of the two-digit display indicate the mode of operation – Manual or T-Stat. The stove has to be in normal operation to be switched from Manual to T-Stat mode.
- Manual mode operates according to the 5 set levels of feed on the bar graph from heat range “1” to heat range “5”. T-Stat mode works as follows:
- The stove has a built-in Thermostat into the controls of the appliance. The temperature sensor for the T-Stat is located on the back of the stove behind the display board.
- Once the stove has gone into run mode the stove can be switched into T-Stat mode.
- The Up and Down Level / Temp Arrow buttons are used to change the desired set-point temperature. Once the desired temperature is reached the two-digit display will flash for four seconds and reset to the actual room temperature.
- Once the stove reaches within 3°F of the desired temperature setpoint, it returns to the heat range that the stove was set on before it was switched to T-Stat mode (if the stove was running on heat range “5” when switched to T-stat mode when it gets within 3°F of the setpoint it will return to heat range “5”).
- Once the stove reaches the desired set-point, the stove will drop to heat range “1”.
- When the room temperature drops below the desired set-point the stove will ramp back up until it reaches the desired temperature.
WARNING:
- DO NOT USE CHEMICALS OR FLUIDS TO START THE FIRE – NEVER USE GASOLINE, GASOLINE TYPE LANTERN FUEL, KEROSENE, CHARCOAL LIGHTER FLUID, OR
SIMILAR LIQUIDS TO START OR “FRESHEN UP” A FIRE IN THIS STOVE. KEEP ALL SUCH LIQUIDS WELL AWAY FROM THE STOVE WHILE IT IS IN USE. - HOT WHILE IN OPERATION. KEEP CHILDREN, CLOTHING, AND FURNITURE AWAY. CONTACT MAY CAUSE SKIN BURNS.
This heater is designed to burn only PFI Premium grade pellets. DO NOT BURN:
- Garbage;
- Lawn clippings or yard waste;
- Materials containing rubber, including tires;
- Materials containing plastic;
- Waste petroleum products, paints or paint thinners, or asphalt products;
- Materials containing asbestos;
- Construction or demolition debris;
- Railroad ties or pressure-treated wood;
- Manure or animal remains;
- Saltwater driftwood or other previously salt water-saturated materials;
- Unseasoned wood; or
- Paper products, cardboard, plywood, or particleboard. The prohibition against burning these materials does not prohibit the use of fire starters made from paper, cardboard, saw dust, wax and similar substances for the purpose of starting a fire in an affected wood heater.
Burning these materials may result in the release of toxic
fumes or render the heater ineffective and cause smoke.
PROPER FUEL
ATTENTION:
THIS APPLIANCE IS DESIGNED FOR THE USE OF PELLETIZED FUEL THAT MEETS OR EXCEEDS THE STANDARD SET BY THE PELLET FUEL INSTITUTE (PFI).
Your pellet stove is designed to burn premium hardwood pellets that comply with the Pellet Fuels Institute (PFI) standard (minimum of 40 lbs density per cubic ft, 1/4” to 5/16” diameter, length no greater than 1.5”, not less than 8,200 BTU/lb, moisture under 8% by weight, ash under 1% by weight, and salt under 300 parts per million). Pellets that are soft, contain excessive amounts of loose sawdust, have been, or are wet, will result in reduced performance. Store your pellets in a dry place. DO NOT store the fuel within the installation clearances of the unit or within the space required for refueling and ash removal. Doing so could result in a house fire. Do not overfire or use volatile fuels or combustibles, doing so may cause personal and property damage hazards. THIS STOVE IS APPROVED FOR BURNING PELLETIZED WOOD FUEL ONLY! Factory-approved pellets are those 1/4” or 5/16” in diameter and not over 1” long. Longer or thicker pellets sometimes bridge the auger flights, which prevents proper pellet feed. Burning wood in forms other than pellets is not permitted. It will violate the building codes for which the stove has been approved and will void all warranties. The design incorporates an automatic feed of the pellet fuel into the fire at a carefully prescribed rate. Any additional fuel introduced by hand will not increase heat output but may seriously impair the stove’s performance by generating considerable smoke. Do not burn wet pellets. The stove’s performance depends heavily on the quality of your pellet fuel. Avoid pellet brands that display these characteristics: - Excess Fines – “Fines” is a term describing crushed pellets or loose material that looks like sawdust or sand. Pellets can be screened before being placed in hopper to remove most fines.
- Binders – Some pellets are produced with materials to hold them together, or “bind” them.
- High ash content – Poor quality pellets will often create smoke and dirty glass. They will create a need for more frequent maintenance. You will have to empty the burn pot plus vacuum the entire system more often. Poor quality pellets could damage the auger. We cannot accept responsibility for damage due to poor-quality pellets.
CAUTION: |
- KEEP FOREIGN OBJECTS OUT OF THE HOPPER.
- THE MOVING PARTS OF THIS STOVE ARE PROPELLED BY HIGH TORQUE ELECTRIC MOTORS. KEEP ALL BODY PARTS AWAY FROM THE AUGER WHILE THE STOVE IS PLUGGED INTO AN ELECTRICAL OUTLET. THESE MOVING PARTS MAY BEGIN TO MOVE AT ANY TIME WHILE THE STOVE IS PLUGGED IN.
PRE-START-UP CHECK
Remove burn pot, making sure it is clean and none of the air holes are plugged. Clean the firebox, and then reinstall the burn pot. Clean door glass if necessary (a dry cloth or paper towel is usually sufficient). Never use abrasive cleaners on the glass or door. Check fuel in the hopper, and refill if necessary.
BUILDING A FIRE
Never use a grate or other means of supporting the fuel. Use only the burn pot supplied with this heater. The Hopper lid must be closed in order for the unit to feed pellets. During the start-up period:
OPERATION INSTRUCTIONS
- Make sure the burn pot is free of pellets.
- DO NOT open the viewing door.
- DO NOT open the damper, the damper needs to be closed during start up.
- DO NOT add pellets to the burn pot by hand.
NOTE: During the first few fires, your stove will emit an odor as the high-temperature paint cures or becomes seasoned to the metal. Maintaining smaller fires will minimize this. Avoid placing items on the stovetop during this period because the paint could be affected. Attempts to achieve heat output rates that exceed heater design specifications can result in permanent damage to the heater.
AUTOMATIC IGNITOR
- Fill hopper and clean burn pot.
- Press the “On/Off” button. Make sure the green light comes on.
- The damper should be completely closed or open no more than 1/4 of the way during start-up. This will vary depending on your installation and elevation. Once the fire is established adjust for the desired flame increasing the amount the damper is open as the heat setting is increased. (See “Damper Control”)
- Adjust feed rate to the desired setting by pressing the “Heat Level Advance” button.
- If a fire doesn’t start in 12 minutes, press “On/Off”, wait a few minutes, clear the burn pot and start the procedure again.
DAMPER CONTROL
The damper control lever is located on the back of the stove. The dampener adjusts the combustion air. This control is necessary due to the varied burn characteristics of individual installations, different pellet brands, and pellet feed rates. It allows you to improve the efficiency of your stove. Providing correct combustion air will reduce the frequency of cleaning your glass door and prevent the rapid buildup of creosote inside your stove and chimney. You should adjust the damper based on the fire’s appearance. A low, reddish, dirty fire can be improved by turning the dampener slightly to the right. A “blow torch” fire can be improved by closing the damper a bit. On higher feed rates, the damper should be open more. Through trial and error, you will find the best setting. Consult your dealer if you need help. NOTE: On heat range “1”, the damper should be either completely closed or open no more than 1/4 of the way. If the damper is open too far, it can cause the fire to go out.

OPENING DOOR
CAUTION:
- DO NOT OPERATE YOUR STOVE WITH THE VIEWING DOOR OPEN. THE AUGER WILL NOT FEED PELLETS UNDER THESE CIRCUMSTANCES AND A SAFETY
CONCERN MAY ARISE FROM SPARKS OR FUMES ENTERING THE ROOM. - THE FEED DOOR MUST BE CLOSED AND SEALED DURING OPERATION.
If the door is opened while the stove is in operation it must be closed within 30 seconds or the stove will shut down. If the stove shuts down push the “On/Off” button to re-start your stove. The stove will have to fully shut down and turn off before you will be able to restart the stove.
ROOM AIR FAN
When starting your stove the Room Air Fan will not come on until the stove’s heat exchanger warms up. This usually takes about 10 minutes from start-up.
IF THE STOVE RUNS OUT OF PELLETS
The fire goes out and the auger motor and blowers will run until the stove cools. This will take 30 minutes or longer depending on the heat remaining in the appliance. After the stove components stop running all lights on the display will go out and the two-digit display will begin flashing “E3”
REFUELLING
Never place your hand near the auger while the stove is in operation. We recommend that you not let the hopper drop below 1/4 full.
CAUTION:
- THE HOPPER AND STOVETOP WILL BE HOT DURING OPERATION; THEREFORE, YOU SHOULD ALWAYS USE SOME TYPE OF HAND PROTECTION WHEN REFUELING YOUR STOVE.
- DO NOT TOUCH THE HOT SURFACES OF THE STOVE. EDUCATE ALL CHILDREN ON THE DANGERS OF A HIGH-TEMPERATURE STOVE. YOUNG CHILDREN SHOULD BE SUPERVISED WHEN THEY ARE IN THE SAME ROOM AS THE STOVE.
TAMPER WARNING
This wood heater has a manufacturer-set minimum low burn rate that must not be altered. It is against federal regulations to alter this setting or otherwise operate this wood heater in a manner inconsistent with operating instructions in this manual.
WARNING:
- KEEP HOPPER LID CLOSED AT ALL TIMES EXCEPT WHEN REFILLING.
- DO NOT OVERFILL THE HOPPER.
SHUTDOWN PROCEDURE
WARNING:
NEVER SHUT DOWN THIS UNIT BY UNPLUGGING IT FROM THE POWER SOURCE.
Turning your stove off is a matter of pressing the “POWER” button on the display board. The green light will turn back to red when the “POWER” button is pushed. The auger motor will stop, and the blowers will continue to operate until the internal firebox temperatures have fallen to a preset level.
1. Your stove is equipped with a high-temperature thermodisc. This unit has a manual reset thermodisc. This safety switch has two functions.
A. To recognize an overheating situation in the stove and shut down the fuel feed or auger system.
B. In case of a malfunctioning convection blower, the high-temperature thermodisc will automatically shut down the auger, preventing the stove from overheating.
NOTE: On some units, once tripped, like a circuit breaker, the reset button will have to be pushed before restarting your stove. On other units, the thermodisc has no reset button and will reset itself once the stove has cooled. The manufacturer recommends that you call your dealer if this occurs as this may indicate a more serious problem. A service call may be required.
2. If the combustion blower fails, an air pressure switch will automatically shut down the auger.
NOTE: Opening the stove door for more than 30 seconds during operation will cause enough pressure change to activate the air switch, shutting the fuel feed off. The stove will shut down and show “E2” on the two-digit display. The stove has to fully shut down before restarting.
INTERIOR CHAMBERS
• Burn Pot – Periodically remove and clean the burn pot and the area inside the burn pot housing. In particular, it is advisable to clean out the holes in the burn pot to remove any build-up that may prevent air from moving through the burn pot freely.
• Heat Exchanger – There is a clean-out plate on both sides of the heat exchanger that needs to be removed to clean fly ash out of the heat exchanger. The cleanouts are located inside the cabinet doors, on the lower front corners of the heat exchanger. To access these cleanouts, you must remove both side panels. The cleanouts are secured to the firebox with (2) 5/16” screws. Remove the clean outs and vacuum out any accumulated ash. This should be done at least once per month or more frequently if large amounts of ash are noticed while cleaning or if the stove does not seem to be burning
properly. If a vacuum is used to clean your stove, we suggest using the AV15E AshVac vacuum. The AV15E AshVac is designed for ash removal. Some regular vacuum cleaners (i.e. shop vacs) may leak ash into the room.
DO NOT VACUUM HOT ASH.
WARNING:
FAILURE TO PROPERLY MAINTENANCE THE CLEANOUTS WILL RESULT IN POOR PERFORMANCE OF THIS STOVE.

MAINTENANCE
NEVER OPERATE THIS PRODUCT WHILE UNATTENDED
CAUTION:
- FAILURE TO CLEAN AND MAINTAIN THIS UNIT AS INDICATED CAN RESULT IN POOR PERFORMANCE, SAFETY HAZARDS, FIRE, AND EVEN DEATH.
- NEVER PERFORM ANY INSPECTIONS, CLEANING, OR MAINTENANCE ON A HOT STOVE.
- DISCONNECT THE POWER CORD BEFORE PERFORMING ANY MAINTENANCE! NOTE: TURNING THE ON/OFF SWITCH TO ”OFF” DOES NOT DISCONNECT ALL POWER TO THE ELECTRICAL COMPONENTS OF THE STOVE.
- DO NOT OPERATE STOVE WITH BROKEN GLASS, LEAKAGE OF FLUE GAS MAY RESULT.
CREOSOTE FORMATION, INSPECTION, & REMOVAL
CAUTION:
THE EXHAUST SYSTEM SHOULD BE CHECKED MONTHLY DURING THE BURNING SEASON FOR ANY BUILD-UP OF SOOT OR CREOSOTE.
When any wood is burned slowly, it produces tar and other organic vapors, which combine with expelled moisture to form creosote. The creosote vapors condense in the relatively cool chimney flue or a newly started fire or from a slow-burning fire. As a result, creosote residue accumulates on the flue lining. When ignited, this creosote makes an extremely hot fire, which may damage the chimney or even destroy the house. Despite their high efficiency, pellet stoves can accumulate creosote under certain conditions. The chimney connector and chimney should be inspected by a qualified person annually or per ton of pellets to determine if a creosote or fly ash build-up has occurred. If creosote has accumulated, it should be removed to reduce the risk of a chimney fire. Inspect the system at the stove connection and at the chimney top. Cooler surfaces tend to build creosote deposits quicker, so it is important to check the chimney from the top as well as from the bottom. The creosote should be removed with a brush specifically designed for the type of chimney in use. A qualified chimney sweep can perform this service. It is also recommended that before each heating season the entire system be professionally inspected, cleaned, and, if necessary, repaired. To clean the chimney, disconnect the vent from the stove.
FLY ASH
This accumulates in the horizontal portion of an exhausting run. Though non-combustible, it may impede the normal exhaust flow. It should therefore be periodically removed.
ASH REMOVAL & DISPOSAL
CAUTION:
ALLOW THE STOVE TO COOL BEFORE PERFORMING ANY MAINTENANCE OR CLEANING. ASHES MUST BE DISPOSED OF IN A METAL CONTAINER WITH A TIGHT-FITTING LID. THE CLOSED CONTAINER OF ASHES SHOULD BE PLACED ON A NON-COMBUSTIBLE SURFACE OR ON THE GROUND, WELL AWAY FROM ALL COMBUSTIBLE MATERIALS, PENDING FINAL DISPOSAL.
Remove the ashes periodically to avoid unnecessary ash build-up. Remove ashes when the unit has cooled. Ashes should be placed in a metal container with a tight-fitting lid. The closed container of ashes should be placed on a noncombustible floor or on the ground, well away from all combustible materials, pending final disposal. If the ashes are disposed of by burial in soil or otherwise locally dispersed, they should be retained in the closed container until all embers have been thoroughly cooled. The container shall not be used for other trash or waste disposal. If combined with combustible substances, ashes and embers may ignite. Ash removal is as follows:
1. Let the fire burn out and allow the unit to cool to room temperature.
2. Make sure the pellet stove is at room temperature before touching it. Open the door, remove the burned pot and empty it into a metal container.
3. Vacuum ashes from the firebox. BE SURE THAT ASHES ARE COOL TO THE TOUCH BEFORE VACUUMING. Some vacuum cleaners may leak ash into the room. Your vacuum cleaner should have a special filter or bag to eliminate leakage.
4. Reinstall the burned pot.
SMOKE & CO MONITORS
Burning wood naturally produces smoke and carbon monoxide(CO) emissions. CO is a poisonous gas when exposed to elevated concentrations for extended periods of time. While the modern combustion systems in heaters drastically reduce the amount of CO emitted out the chimney, exposure to the gases in closed or confined areas can be dangerous. Make sure your stove gaskets and chimney joints are in good working order and sealing properly to ensure unintended exposure. It is recommended that you use both smoke and CO monitors in areas having the potential to generate CO.
CHECK & CLEAN THE HOPPER
Check the hopper periodically to determine if there is any sawdust (fines) that is building up in the feed system or pellets that are sticking to the hopper surface. Clean as needed.
DOOR & GLASS GASKETS
Inspect the main door and glass window gaskets periodically. The main door may need to be removed to have frayed, broken, or compacted gaskets replaced by your authorized dealer. This unit’s door uses a 5/8” diameter rope gasket.
BLOWER MOTORS
Clean the air holes on the motors of both the exhaust and distribution blowers annually. Remove the exhaust blower from the exhaust duct and clean out the internal fan blades as part of your fall start-up. If you have indoor pets your power motors should be inspected monthly to make sure they are free of animal hair build-up. Animal hair build-up in blowers can result in poor performance or unforeseen safety hazards.
PAINTED SURFACES
Painted surfaces may be wiped down with a damp cloth. If scratches appear, or you wish to renew your paint, contact your authorized dealer to obtain a can of suitable high-temperature paint.
GLASS
We recommend using a high-quality glass cleaner. Should a buildup of creosote or carbon accumulate, you may wish to use 000 steel wool and water to clean the glass? DO NOT use abrasive cleaners. DO NOT perform the cleaning while the glass is HOT. Do not attempt to operate the unit with broken glass. Replacement glass may be purchased from your U.S. Stove dealer. If the glass is broken, follow these removal procedures:
1. Once the heater has cooled, remove the door from the heater.
2. Remove the rope gasket from the door along with the screws holding the glass retainer in place and the glass retainer.
3. While wearing leather gloves (or any other gloves suitable for handling broken glass), carefully remove any loose pieces of glass from the door frame. Dispose of all broken glass properly.
4. Replace the glass and gasket, making sure the gasket runs the full perimeter of the glass edge.
5. Re-install the new glass by re-attaching the retainers and screws, be careful not to over-tighten the screws for this could damage the glass.
DO NOT abuse the door glass by striking, slamming, or similar trauma. Do not operate the stove with the glass removed, cracked, or broken.
FALL START-UP
Prior to starting the first fire of the heating season, check the outside area around the exhaust and air intake systems for obstructions. Clean and remove any fly ash from the exhaust venting system. Clean any screens on the exhaust system and on the outside air intake pipe. Turn all of the controls on and make sure that they are working properly. This is also a good time to give the entire stove a good cleaning throughout.
SPRING SHUTDOWN
After the last burn in the spring, remove any remaining pellets from the hopper and the auger feed system. Scoop out the pellets and then run the auger until the hopper is empty and the pellets stop flowing (this can be done by pressing the “ON” button with the viewing door open). Vacuum out the hopper. Thoroughly clean the burn pot and firebox. It may be desirable to spray the inside of the
cleaned hopper with an aerosol silicone spray if your stove is in a high humidity area. The exhaust system should be thoroughly cleaned.
MAINTENANCE SCHEDULE
Use the following as a guide under average use conditions. Gaskets around the door and door glass should be inspected and repaired or replaced when necessary.
| Daily | Weekly | Monthly or as needed | |
| Burn Pot | Stirred | Empty | |
| Combustion Chamber | Brushed | ||
| Ashes | Check | Empty | |
| Interior Chambers | Vacuumed | ||
| Combustion Blower Blades | Vacuumed / Brushed | ||
| Convection Blower Impeller | Vacuumed / Brushed | ||
| Vent System | Cleaned | ||
| Gaskets | Inspected | ||
| Glass | Wiped | Cleaned | |
| Hopper (end of the season) | Empty & Vacuumed |
HOW TO ORDER REPAIR PARTS
For Parts Assistance Call: 800-750-2723 Ext 5051 or Email: [email protected]
The information in this owner’s manual is specific to your unit. When ordering replacement parts the information in this manual will help to ensure the correct items are ordered. Before contacting customer service write down the model number and the serial number of this unit. That information can be found on the certification label attached to the back of the unit. Other information that may be needed would be the part number and part description of the item(s) in question. Part numbers and descriptions can be found in the “Repair Parts” section of this manual. Once this information has been gathered you can contact customer service by phone at 1-800-750-2723 Ext 5051 or Email [email protected].
Model Information | |
| Model Number | |
| Serial Number | |
TROUBLESHOOTING GUIDE
When your stove acts out of the ordinary, the first reaction is to call for help. This guide may save time and money by enabling you to solve simple problems yourself. Problems encountered are often the result of only five factors: 1) poor fuel; 2) poor operation or maintenance; 3) poor installation; 4) component failure; 5) factory defect. You can usually solve those problems related to 1 and 2. Your dealer can solve problems relating to 3, 4, and 5. Refer to diagrams on page 25 to help locate indicated parts. For the sake of troubleshooting and using this guide to assist you, you should look at your
heat level setting to see which light is flashing.
- Disconnect the power cord before performing any maintenance! NOTE: Turning the ON/OFF Switch to “OFF” does not disconnect all power to the electrical components of the stove.
- Never try to repair or replace any part of the stove unless instructions for doing so are given in this manual. All other work should be done by a trained technician.
| The display is Flashing “E1” | ||||
| Possible Causes | Possible Remedies: (Unplug stove first when possible) | |||
| The convection blower is overheating and tripping the internal temperature shutoff. | Clean any dust off of the windings and fan blade. If oiling the blower does not help, the blower may be bad. | |||
| The stove is being left on the highest setting for extended periods of time. | If operating the heater on the highest heat setting, the room temperature could increase enough and lead to potential overheating situations. If this happens, try operating at a lower heat setting. | |||
| Fuel other than wood pellets is being burned in the stove. | This pellet stove is designed and tested to use wood pellets. Check for signs of fuel other than wood pellets. No other types of fuel have been approved for this pellet stove. If there are signs of other types of fuel being used, stop using them immediately. | |||
| Power surge situation. | or | brown | out | A power surge, spike, or voltage drop could cause the high limit switch to trip. Use a surge protector. |
| High Limit malfunctioning. | Switch | is | If the other items check out OK, replace the high limit switch. | |
| The display is Flashing “E2” | |
| Possible Causes | Possible Remedies: (Unplug stove first when possible) |
| Airflow switch hose or stove attachment pipes for hose are blocked. | Unhook the air hose from the air switch and blow through it. If air flows freely, the hose and tube are fine. If air will not flow throw the hose, use a wire coat hanger to clear the blockage. |
| The air inlet, burn pot, interior combustion air chambers, combustion blower, or exhaust pipe are blocked with ash or foreign material. |
Follow all cleaning procedures in the maintenance section of the owner’s manual. |
| The firebox is not properly sealed. | Make sure the door is closed and that the gasket is in good shape. |
| A vent pipe is incorrectly installed. | Check to make sure vent pipe installation meets the criteria in the owner’s manual. |
| Airflow switch wire connections are bad. | Check the connectors that attach the gray wires to the air switch. |
| Combustion blower failure. | With the stove on, check to see if the combustion blower is running. If it is not, you will need to check for power going to the combustion blower. It should be a full current. If there is power, the blower is bad. If there is not, see #7. |
| Control board not sending power to combustion blower. | If there is no current going to the combustion blower, check all wire connections. If all wires are properly connected, you have a bad control board. |
| Control board not sending power to air switch. | There should be a 5-volt current (approximately) going to the air switch after the stove has been on for 30 seconds. |
| The air switch has failed. | To test the air switch, you will need to disconnect the air hose from the body of the stove. With the other end still attached to the air switch, very gently suck on the loose end of the hose (you may want to remove the hose entirely off the stove and the air switch first and make sure it is clear). If you hear a click, the air switch is working. BE CAREFUL TOO MUCH VACUUM CAN DAMAGE THE AIR SWITCH. |
| The display is Flashing “E3” | |
| Possible Causes | Possible Remedies: (Unplug stove first when possible) |
| The hopper is out of pellets. | Refill the hopper. |
| The air damper is too far open for a low feed setting. | If on the low setting, you may need to close the damper all the way. |
| The burn potholes are blocked. | Remove the burn pot and thoroughly clean it. |
| The air inlet, the interior chambers, or the exhaust system has a partial blockage. | Follow all cleaning procedures in the maintenance section of the owner’s manual. |
| The hopper safety switch has failed or the hopper is open. | When operating the unit, be sure the hopper lid is closed so that the hopper safety switch will activate. Check the wires leading from the hopper safety switch to the control panel and auger motor for secure connections. Use a continuity tester to test the hopper safety switch; replace if necessary. |
|
The auger shaft is jammed. | Start by emptying the hopper. Then remove the auger motor by removing the auger pin. Remove the two bolts that hold the auger bracket to the auger tube. The auger bracket will now be able to be removed from the auger tube. Remove the two bolts on the side of the auger tube to remove the lower bearing of the auger. Pull the auger out of the tube to free the jam. Inspect auger before replacing. |
| The auger motor has failed. | Remove the auger motor from the auger shaft and try to run the unit. If the motor will turn, the shaft is jammed on something. If the motor will not turn, the motor is bad. |
|
The Proof of Fire (POF) thermodisc has malfunctioned. | Temporarily bypass the POF thermodisc by disconnecting the two wires and connecting them with a short piece of wire. Then plug the stove back up. If the stove comes on and works, you need to replace the POF thermodisc. This is for testing only. DO NOT LEAVE THE THERMODISC BYPASSED. Your blowers will never shut off, and if the fire went out, the auger will continue to feed pellets until the hopper is empty with the POF thermodisc bypassed. |
| The control board is not sending power to the POF thermodisc or other auger system components. | There should be a 5-volt (approximately) current going to the POF thermodisc after the stove has been on for 10 minutes. |
| The display is Flashing “E4” | |
| Possible Causes | Possible Remedies: (Unplug stove first when possible) |
| The air inlet, burn pot, interior combustion air chambers, combustion blower, or exhaust pipe are blocked with ash or foreign material. |
Follow all cleaning procedures in the maintenance section of the owner’s manual. |
| The Proo of Fire (POF) thermodisc has came upluged. | Check the (POF) thermodisc to see if the wires are connected properly. |
|
The Proof of Fire (POF) thermodisc has malfunctioned. | Temporarily bypass the POF thermodisc by disconnecting the two wires and connecting them with a short piece of wire. Then plug the stove back up. If the stove comes on and works, you need to replace the POF thermodisc. This is for testing only. DO NOT LEAVE THE THERMODISC BYPASSED. Your blowers will never shut off and if the fire went out the auger will continue to feed pellets until the hopper is empty if you leave the POF thermodisc bypassed. |
| The hopper is out of Pellets. | Refill the hopper. |
| The hopper safety switch has failed or the hopper is open. | When operating the unit, be sure the hopper lid is closed so that the hopper safety switch will activate. Check the wires leading from the hopper safety switch to the control panel and auger motor for secure connections. Use a continuity tester to test the hopper safety switch; replace if necessary. |
|
The auger shaft is jammed. | Start by emptying the hopper. Then remove the auger motor by removing the auger pin. Remove the auger shaft inspection plate in the hopper so that you can see the auger shaft. Gently lift the auger shaft straight up so that the end of the auger shaft comes up out of the bottom auger bushing. Next, remove the two nuts that hold the top auger biscuit in. Then rotate the bottom end of the auger shaft up towards you until you can lift the shaft out of the stove. After you have removed the shaft, inspect it for bent flights, burrs, or broken welds. Remove any foreign material that might have caused the jam. Also, check the auger tube for signs of damage such as burrs, rough spots, or grooves cut into the metal that could have caused a jam. |
| The auger motor has failed. | Remove the auger motor from the auger shaft and try to run the unit. If the motor will turn, the shaft is jammed on something. If the motor will not turn, the motor is bad. |
| The display is Flashing “E5” | |
| Possible Causes | Possible Remedies: (Unplug stove first when possible) |
| The stove automatically flashes “E5” when turned on. | The T-stat sensor has come unplugged from the control board. Check to see if the sensor is unplugged. If the sensor is not unplugged, then the sensor is damaged or has a short. If the sensor is damaged or has a short, it will need to be replaced. |
| Smoke Smell Coming Back Into The Home | |
| Possible Causes | Possible Remedies: (Unplug stove first when possible) |
| There is a leak in the vent pipe system. | Inspect all vent pipe connections. Make sure they are sealed with RTV silicone that has a temperature rating on 500°F or higher. Also, seal joints with UL-181-AP foil tape. Make sure the square to round adapter piece on the combustion blower has been properly sealed with the same RTV. |
| The gasket on the combustion blower has gone bad. | Inspect both gaskets on the combustion blower to make sure they are in good shape. Replace if damaged. |
| Because it is a wood-burning device, this heater may emit a faint wood-burning odor. If it increases beyond normal, or if you notice an unusual soot build-up on walls or furniture, check your exhaust system carefully for leaks. All joints should be properly sealed. Clean the stove following the instructions in “Maintenance”. If the problem persists, contact your dealer. | |
| Stove Feeds Pellets, But Will Not Ignite | |
| Possible Causes | Possible Remedies: (Unplug stove first when possible) |
| Air damper opens too far for ignition. | Push the air damper left for a startup. In some situations, it may be necessary to have the damper completely closed for ignition to take place. After there is a flame, the damper can then be adjusted for the desired feed setting. |
| Blockage in igniter tube or inlet for igniter tube. | Find the igniter housing on the backside of the firewall. The air intake hole is a small hole located on bottom side of the housing. Make sure it is clear. Also, look from the front of the stove to make sure there is not any debris around the igniter element inside of the igniter housing. |
| The burn pot is not pushed completely to the rear of the firebox. | Make sure that the air intake collar on the burn pot is touching the rear wall of the firebox. |
| Bad igniter element. | Put power directly to the igniter element. Watch the tip of the igniter from the front of the stove. After about 2 minutes the tip should glow. If it does not, the element is bad. |
| The control board is not sending power to the igniter. | Check the voltage going to the igniter during startup. It should be a full current. If the voltage is lower than the full current, check the wiring. If the wiring checks out good, the board is bad. |
| Stove Will Not Feed Pellets, But Fuel Feed Light Comes On As Designed | |
| Possible Causes | Possible Remedies: (Unplug stove first when possible) |
| The high limit switch has tripped or is defective. | Wait for the stove to cool for about 30 – 45 minutes. Locate the High Limit thermodisc and press the reset button on the back of it. If the heater will not restart, check the thermodisc to see if it’s bad. To test if the thermodisc is bad, you can bypass it as described previously for the POF thermodisc. |
| Bad Auger Motor. | Remove the auger motor from the auger shaft and try to run the unit. If the motor will turn, the shaft is jammed on something. If the motor will not turn, the motor is bad. |
|
Auger Jam. | Start by emptying the hopper. Then remove the auger motor by removing the auger pin. Remove the auger shaft inspection plate in the hopper so that you can see the auger shaft. Gently lift the auger shaft straight up so that the end of the auger shaft comes up out of the bottom auger bushing. Next, remove the two nuts that hold the top auger biscuit in. Then rotate the bottom end of the auger shaft up towards you until you can lift the shaft out of the stove. After you have removed the shaft, inspect it for bent flights, burrs, or broken welds. Remove any foreign material that might have caused the jam. Also, check the auger tube for signs of damage such as burrs, rough spots, or grooves cut into the metal that could have caused a jam. |
| Loose wire or connector. | Check all wires and connectors that connector to the auger motor, high limit switch, and the Molex connector. |
| Bad control board. | If the fuse is good, the wires and connectors check out good, and the high limit switch did not trip, test for power going to the auger motor. If there is not a full current going to the auger motor when the fuel feed light is on, you have a bad control board. |
| Convection Blower Shuts Off And Comes Back On | |
| Possible Causes | Possible Remedies: (Unplug stove first when possible) |
| The convection blower is overheating and tripping the internal temperature shutoff. | Clean any dust off of the windings and fan blades. If cleaning the blower does not help, the blower may be bad. |
| Circuit board malfunction. | Test the current going to the convection blower. If there is power being sent to the blower when it is shut off, then the control board is fine. If there is NOT power being sent to the blower when it shuts off during operation, then you have a bad control board. |
| High Limit Switch Keeps Tripping | |
| Possible Causes | Possible Remedies: (Unplug stove first when possible) |
| The convection blower is overheating and tripping the internal temperature shutoff. | Clean any dust off of the windings and fan blades. If oiling the blower does not help, the blower may be bad. |
| The stove is being left on the highest setting for extended periods of time. | If operating the heater on the highest heat setting, the room temperature could increase enough and lead to potential overheating situations. If this happens, try operating at a lower heat setting. |
| Fuel other than wood pellets is being burned in the stove. | This pellet stove is designed and tested to use wood pellets. Check for signs of fuel other than wood pellets. No other types of fuel have been approved for this pellet stove. If there are signs of other types of fuel being used, stop using them immediately. |
| A power surge or brownout situation. | A power surge, spike, or voltage drop could cause the high limit switch to trip. Use a surge protector. |
| the high limit switch is malfunctioning. | If the other items check out OK, replace the high limit switch. |
| • Glass “Soot’s” Up At A Very Fast Rate • Flame Is Lazy, Dark, And Has Black Tips • After Stove Has Been On For A While, The Burnpot Overfills | |
| Possible Causes | Possible Remedies: (Unplug stove first when possible) |
| The stove or vent pipe is dirty, which restricts airflow through the burn pot. | Follow all cleaning procedures in the maintenance section of the owner’s manual. |
| Vent pipe installed improperly. | Check to make sure the vent pipe has been installed according to the criteria in the owner’s manual. |
| The air damper is set too far left (closed) for a higher setting. | Pull the damper knob to the right and try to burn the unit again. |
| Burnt holes are blocked. | Remove the burn pot and thoroughly clean it. |
| The air damper is broken. | Visually inspect the damper assembly. Make sure the damper plate is attached to the damper rod. When the damper rod is moved, the plate should move with it. |
| Blockage in the air intake pipe. | Visually inspect the air intake pipe that leads into the burn pot for foreign material. |
| The combustion blower is not spinning fast enough. | Test the RPM on the blower after the blades have been cleaned. The RPM should be approximately 3000 RPM. |
| Bad Pellets (Applies to GLASS “SOOT’S” UP AT A VERY FAST RATE Only) | The brand of pellets or the batch of pellets that are being used may be of poor quality. If possible, try a different brand of pellets. You might also want to try a brand that is made from a different type of wood (softwood vs. hardwood). Different woods have different characteristics when being burned. |
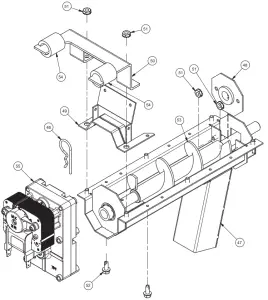
REPLACEMENT PARTS

| Key | Part # | Description | Qty |
| 1 | 892238 | Main Weldment | 1 |
| 2 | 892239 | Exhaust Blower Duct | 1 |
| 3 | 892240 | Ignitor Housing Guide Plate | 1 |
| 4 | 892241 | Inlet Air Guide Plate | 1 |
| 5 | 892183.15 | Vacuum Switch Mounting Plate | 1 |
| 6 | 892243 | Hopper Assembly | 1 |
| 7 | 69517 | Auger Assembly | 1 |
| 8 | 88175 | T-Disc Gasket | 2 |
| 9 | 80601 | Room Air T-Disc | 1 |
| 10 | 892250 | Igniter Tube Assembly | 1 |
| 11 | 88118 | Ignitor Flange Gasket | 1 |
| 12 | 80604 | Ignitor | 1 |
| 13 | 88166 | Exhaust Blower Gasket | 1 |
| 14 | 80549 | Pressure Switch | 1 |
| 15 | 891121 | Silicone Hose | 1 |
| 16 | 83537 | Hose Clamp (#4) | 1 |
| 17 | 80599 | Exhaust T-Disc | 1 |
| 18 | 891540 | Draw Latch | 2 |
| 19 | 892244 | Magnet Assembly | 4 |
| 20 | 88177 | Ash Clean-Out Gasket | 2 |
| 21 | 892191 | Ash Clean-Out Covers | 2 |
| 22 | 892245 | Weldment Hinge Plate | 1 |
| 23 | 892246 | Door Assembly | 1 |
| 24 | 892247 | Skirt | 1 |
| 25 | 892248 | Top Weldment | 1 |
| 26 | 891148 | Lid Latch | 1 |
| 27 | 892249 | Assembly Grill Frame, | 1 |
| 28 | 892252 | Right Vented Side Panel | 1 |
| 29 | 892253 | Vent Back Panel | 1 |
| 30 | 80630 | PCB | 1 |
| 31 | 892254 | Weldment, Burnpot Housing | 1 |
| 32 | 86624 | Burnt Assembly | 1 |
| 611003 | Optional Extended Burn Pot Weldment | 1 | |
| 33 | 892255 | Left Vented Side Panel | 1 |
| 34 | 80602 | Exhaust Blower | 1 |
| 35 | 80622 | Convection Blower | 1 |
| 36 | 80461 | Power Supply Cord | 1 |
| 37 | 88167 | Circulator Blower Gasket | 1 |
| 38 | 80631 | PCB | 1 |
| 39 | 80660 | Thermistor | 1 |
IN ORDER TO MAINTAIN A WARRANTY, COMPONENTS MUST BE REPLACED USING VOGELZANG PARTS PURCHASED THROUGH YOUR DEALER OR DIRECTLY FROM VOGELZANG. THE USE OF THIRD PARTY COMPONENTS WILL VOID THE
WARRANTY.
| Auger Parts List | |||
| Key | Part # | Description | Qty |
| 46 | 83529 | Hairpin | 1 |
| 47 | 891164 | Weldment, Auger Housing | 1 |
| 48 | 69514 | Assy, Top Bushing Retainer | 1 |
| 49 | 891161 | Weld., Bot. Plate Retainer | 1 |
| 50 | 891195 | But, Drive Motor | 1 |
| 51 | 83545 | 10-32 Kep Nut | 4 |
| 52 | 83343 | #10 X 1/2 hex HD DP ox black | 2 |
| 53 | 891141 | Auger | 1 |
| 54 | 891169 | Hose, Heater | 2 |
| 55 | 80488 | Drive Motor (1.5 rpm CCW) | 1 |
| N/S | 891123 | Anti Seize (Copper) | A/R |
To order parts: Call 1-800-750-2723 Ext 5051 or Email to: [email protected]

| Door Parts List | |||
| Key | Part # | Description | Qty |
| 37 | 88066 | Gasket, 19 mm Rope | 1 |
| 38 | 88087 | Glass Gasket | 1 |
| 39 | 892256 | Front Door | 1 |
| 40 | 892257 | Glass Retaining Bracket | 1 |
| 41 | 83394 | Washer, 8-32 | 6 |
| 42 | 83566 | Nut, 8-32 | 6 |
| 43 | 892258 | Glass | 1 |
| N/S | 89284 | Silicone Sealant | A/R |
To order parts: Call 1-800-750-2723 Ext 5051 or Email to: [email protected]

WIRING DIAGRAM

SERVICE RECORD
It is recommended that your heating system is serviced regularly and that the appropriate Service Interval Record is completed.
SERVICE PROVIDER
Before completing the appropriate Service Record below, please ensure you have carried out the service as described in the manufacturer’s instructions. Always use the manufacturer’s specified spare part when replacement is necessary
ervice 01 Date* ___________________
Engineer Name._______________________________________________
License No ________________________________
Company*_____________________________________
Telephone No •__________________________________
Stove Inspected: ❑ Chimney Swept: ❑
Items Replaced……………………..
ervice 02 Date* ___________________
Engineer Name._______________________________________________
License No ________________________________
Company*_____________________________________
Telephone No •__________________________________
Stove Inspected: ❑ Chimney Swept: ❑
Items Replaced……………………..
ervice 03 Date* ___________________
Engineer Name._______________________________________________
License No ________________________________
Company*_____________________________________
Telephone No •__________________________________
Stove Inspected: ❑ Chimney Swept: ❑
Items Replaced……………………..
ervice 04 Date* ___________________
Engineer Name._______________________________________________
License No ________________________________
Company*_____________________________________
Telephone No •__________________________________
Stove Inspected: ❑ Chimney Swept: ❑
Items Replaced……………………..
ervice 05 Date* ___________________
Engineer Name._______________________________________________
License No ________________________________
Company*_____________________________________
Telephone No •__________________________________
Stove Inspected: ❑ Chimney Swept: ❑
Items Replaced……………………..
ervice 06 Date* ___________________
Engineer Name._______________________________________________
License No ________________________________
Company*_____________________________________
Telephone No •__________________________________
Stove Inspected: ❑ Chimney Swept: ❑
Items Replaced……………………..
ervice 07 Date* ___________________
Engineer Name._______________________________________________
License No ________________________________
Company*_____________________________________
Telephone No •__________________________________
Stove Inspected: ❑ Chimney Swept: ❑
Items Replaced……………………..
ervice 08 Date* ___________________
Engineer Name._______________________________________________
License No ________________________________
Company*_____________________________________
Telephone No •__________________________________
Stove Inspected: ❑ Chimney Swept: ❑
Items Replaced……………………..
For Customer Service, please call:
1-800-750-2723 Ext 5050 or;
Text to 423-301-5624 or;
Email us at:[email protected]


















