VOGELZANG SR57E Coal Burning Stove

* All Pictures In This Manual Are For Illustrative Purposes Only. Actual Product May Vary.
Save These Instructions In A Safe Place For Future Reference.
![]() | SAFETY NOTICE: If this heater is not properly installed, a house fire may result. For your safety, follow the installation instructions. Never use make-shift compromises during the installation of this stove. Contact local building or fire officials about permits, restrictions and installation requirements in your area. NEVER OPERATE THIS PRODUCT WHILE UNATTENDED. |
![]() | CAUTION! Please read this entire manual before you install or use your new stove. Failure to follow instructions may result in property damage, bodily injury, or even death. Improper Installation Will Void Your Warranty! |
![]() | CALIFORNIA PROPOSITION 65 WARNING: This product can expose you to chemicals including carbon monoxide, which is known to the State of California to cause cancer, birth defects, and/or other reproductive harm. For more information, go to www.P65warnings.ca.gov |
SAFETY RULES
READ ALL INSTRUCTIONS CAREFULLY
- The installation of this stove must comply with your local building code rulings. Please observe the clearances to combustibles. Do not place fuel, furniture or any other objects within the clearance area.
- Verify that the stove is properly installed before firing the stove for the first time. After reading these instructions, if you have any doubt about your ability to complete your installation properly, you must obtain the services of a professional licensed installer familiar with all aspects of safe and correct installation. DO NOT USE TEMPORARY OR MAKESHIFT COMPROMISES during installation. There must be NO DEVIATION OR ALTERATION OF ANY KIND from the very specific instructions spelled out in this instruction manual as it pertains to the installation of this coal-stove. NO EXCEPTIONS!
- DO NOT store coal, wood, kindling, flammable liquids or other combustible materials in the vicinity of the appliance. Refer to label on back of unit.
- DO NOT INSTALL THIS STOVE IN A MOBILE HOME, MANUFACTURED HOME, TRAILER OR TENT NO EXCEPTIONS!
- DO NOT ELEVATE THIS STOVE BY ANY MEANS (i.e. bricks under legs, cement blocks) Stove legs must set directly upon the solid-surface non-combustible floor as specified in this stove instruction manual.
- DO NOT MODIFY THIS STOVE IN ANY WAY! Stove must be installed with legs provided, attached as shown in the instructions. Assemble only with original parts as supplied and shown in this manual.
- DO NOT OPERATE A STOVE THAT IS MISSING ANY PARTS! If any parts are missing or defective, please notify the dealer or manufacturer immediately. Replace missing, broken or worn parts with factory original or equivalent parts only.
- Do not tamper with combustion air controls beyond normal adjustment capacities.
- Always connect this stove to a chimney and vent to the outside. Never vent to another room or inside a building. DO NOT CONNECT THIS UNIT TO A CHIMNEY FLUE SERVING ANOTHER APPLIANCE.
- DO NOT CONNECT THIS COAL BURNING STOVE TO AN ALUMINIUM TYPE B GAS VENT. This is not safe. Use a code-approved, lined masonry or a manufactured chimney system listed to UL 103 HT Residential Type and Building Heating Appliance Chimney. Use a 6/152mm diameter code-approved chimney with liner, that is high enough to give a good draft (See specifics in Chimney Connections instructions).
- Be sure that your chimney is safely constructed and in good repair. Have the chimney inspected by the fire department or a qualified inspector. Your insurance company should be able to recommend a qualified inspector. Chimney connector pipe must be in good condition. Replace if necessary before using stove.
- Creosote, soot or fly ash may build up in the chimney connector and chimney and cause a house/building fire. Inspect the chimney connector and chimney twice monthly during the heating season and clean if necessary (see Service Hints section in this manual).
- In the event of a chimney fire, turn the air control and flue damper to closed position, leave the building and CALL THE FIRE DEPARTMENT IMMEDIATELY! Have a clearly understood plan on how to handle a chimney fire by contacting your local fire authority for information on proper procedures in the event of a chimney fire. After the fire is out, the chimney must be cleaned and inspected for any stress or cracks before starting another fire. Check the condition of any combustibles surrounding the chimney
- DISPOSAL OF ASHES Ashes should be placed in a steel container with a tight fitting lid and moved outdoors immediately. The closed container of ashes should be placed on a noncombustible floor or on the ground, well away from all combustible materials, pending final disposal. If the ashes are disposed of by burial in soil or otherwise locally dispersed, they should be retained in the closed container until all cinders have completely cooled. Other waste shall not be placed in this container.
- To prevent injury, do not allow anyone to use this stove who is unfamiliar with the correct operation of the stove.
- Do not operate stove while under the influence of drugs or alcohol.
- The special paints used on your stove may give off some smoke and an odor while they are curing during the first 12 to 15 fires. Additional smoke and odor may be emitted from the light oils used in construction of the fire box. This should disappear after a short period of time and not occur again. Persons with lung conditions or owners of susceptible domestic pets (such as birds) should take prudent precautions. Open windows and doors as needed to clear smoke and/or odor. Paint discoloration will occur if the stove is over fired
- This stove has a painted surface which is durable but it will not stand rough handling or abuse. When installing your stove, use care in handling.
- Clean exterior with soap and warm water when stove is not hot. Do not use any acids or scouring soap, as these solvents wear and dull the finish
- CLEAN STOVE FREQUENTLY as soot, creosote and ash may accumulate. Empty ash pan frequently. Buildup of ash can block air flow to the fire and/or damage the grate. Dispose of ash properly (see #14.)
- ALERT ALL PERSONS TO THE HAZARDS OF HIGH SURFACE TEMPERATURES while stove is in operation especially young children. Keep away from a hot stove to avoid burns or clothing ignition.
- NEVER LEAVE SMALL CHILDREN UNSUPERVISED WHEN THEY ARE IN THE SAME ROOM AS THE STOVE. If small children will be in the same room as the stove during operation, provide a sturdy barrier to keep them at a safe distance from the stove
- Keep stove area clear and free from al l combustible materials, gasoline, engine oil, naphtha and other flammable vapors and liquids
- WHILE TENDING THE FIRE ALWAYS WEAR PROTECTIVE CLOTHING, fire retardant hearth gloves and eye protection, to prevent burns.
- Never operate this stove without the ash clean-out door open or ash drawer removed. Such actions can result in very dangerous operating conditions
- DO NOT OVER FIRE THE STOVE. Over firing will occur if combustion air is uncontrolled as when ash cleanout door is left open during operation. Such actions can result in very dangerous operating conditions. While in operation, keep the ash clean-out drawer in place and the ash door closed and secured at all times except while tending the fire.
- Do not load the fuel to a height or in such manner that it would be hazardous when opening the lids
- NEVER LEAVE THE STOVE UNATTENDED when the door is open. Always close the door after ignition.
- DO NOT CONNECT TO OR USE IN CONJUNCTION WITH ANY AIR DISTRIBUTION DUCT WORK UNLESS SPECIFICALLY APPROVED FOR SUCH INSTALLATIONS.
- THIS STOVE MUST NEVER BE INSTALLED IN A HALLWAY OR NEAR A STAIRCASE, as it may block egress in the event of a fire
- DO NOT INSTALL IN AN ALCOVE OR INSIDE A FIREPLACE
- Install at least one smoke detector on each floor of your home. Detectors should be located away from the heating appliance to avoid false alarms. Detectors should be located close to sleeping areas. Follow the smoke detectors manufacturer’s placement and installation instructions. Maintain smoke detector per manufacturer’s instructions
- CARBON MONOXIDE (CO) HAZARD. A build-up of CO fumes is toxic and can be fatal. Carbon Monoxide is a colorless, odorless gas produced during combustion of wood, coal, oil, gas and by other fuel burning appliances. It is important to have a proper draft and adequate replacement air ventilation so fumes are drawn out the chimney. Installed as instructed this stove is designed to be as safe as possible yet it is recommended to install a CO detector. Follow the manufacturer’s recommendations for proper installation and use. It is recommended to be placed at table-top level (not near the ceiling) to avoid false alarms. Realize that devices other than a stove (i.e. motor exhaust) can trigger CO alarms. If alarm sounds:
· Recognize the symptoms of CO poisoning (headaches, nausea & drowsiness).
· Increase ventilation (open windows & doors).
· Make sure stove doors and/or lids are closed and secured.
· Check stove for smoking or puffing (open airflow controls).
· Check chimney & connector pipe for leaks, blockage or down-draft conditions.
· Check CO device for false alarm. - Keep power cords, electrical appliances and/or assemblies outside of the clearance area shown in this manual for combustible materials.
- Consult your municipal building department or fire officials about restrictions, permits and installation requirements for your area
- For further information on using your stove safely, obtain a copy of the National Fire Protection Association (NFPA) publication, “Using Coal and Wood Stoves Safely” NFPA No. HS-10- 1978. The address of the NFPA is Batterymarch Park, Quincy, MA 02269.
NOTE: |
| A PROFESSIONAL, LICENSED HEATING AND COOLING CONTRACTOR MUST BE CONSULTED IF YOU HAVE QUESTIONS REGARDING THE INSTALLATION OF THIS SOLID FUEL BURNING APPLIANCE. |
ASSEMBLY INSTRUCTIONS
NOTICE: Vogelzang International Corporation grants no warranty, stated or implied, for the installation or maintenance of your coal stove and assumes no responsibility of any incidental or consequential damages.
TOOLS REQUIRED
- Safety Glasses
- Hearth Gloves
- Pencil
- 6 foot Folding Rule or Tape Measure
- Tin Snip
- Drill: Hand or Electric 1/8″ dia. Drill Bit (sheet metal screws)
- Screwdrivers (blade and phillips types)
- 13mm Nut Driver or Ratchet with 13mm Socket (for 13mm Hex Nuts)
- 13mm Nut Driver or Ratchet with 13mm Socket (for Stove Bolts)
MATERIALS REQUIRED
- Flooring Protection: 56 x 59 as specified Chimney Connection: 6 black steel (24 ga. min.) straight or elbow (as required)
- 1/2 Sheet Metal Screws
- Chimney: Existing 6 Code-approved,
- Lined Masonry Chimney or 6 Inside Diameter manufactured chimney system listed to UL 103 HT.
- Furnace Cement (manufacturer recommends Rutland Code 78 or equivalent)
CAUTION: |
| STOVE IS HEAVY. MAKE SURE YOU HAVE ADEQUATE HELP AND USE PROPER LIFTING TECHNIQUES WHENEVER MOVING STOVE. |
Refer to diagram and parts lists at back of this manual.
- Uncrate the stove and remove cardboard packing and protective poly bag (save cardboard for further assembly).
- Remove parts from inside of stove. Parts include: four lids (#1), three lid supports (#4 & #5), one ash door (#14), one lid lifter (#16), four legs (#15), hardware pack (#17), and Spring Handle (#12) and draft damper (#18).
- Place flattened carton on floor and carefully turn stove over onto carton.
- Attach the legs to base of stove with stove bolts.
- Carefully lift stove upright and place in desired location (see following instructions for properly locating stove).
- Place lid supports and four lids in position on stove top.
- Lower ash door into position.
- The flue pipe draft damper (#18) must be installed into the top end of the first straight section of stove pipe (figure1) exiting the stove before the stove is used.
a. Drill two 1/4″ holes centered on either side of the pipe section 6″ from the top end of the pipe Remove the handle from the damper then slide the damper into the pipe.
b. Align the damper with the holes drilled in step 8a and insert the handle through the holes and the damper.
NOTE: This damper is necessary for the proper operation of the stove and to meet EPA emissions requirements for heating appliances. It must be installed before use (No exceptions) - Attach stove piping — see instructions.

INSTALLATION
CLEARANCE TO COMBUSTIBLE


Proper clearances must be maintained for adequate air circulation. Adequate ventilation must be provided whil operating this stove.
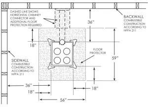
- The stove must be placed on solid concrete, solid masonry, or when installed on a combustible floor a solid surface floor protector listed to UL1618 Type 2 with a minimum of 1˝ thick and a R-value of 3.0 or greater must be used, such as Hy-C or Imperial Model UL 5460BK (NOTE: To calculate R-values of equivalent alternative materials). The base must extend at least 18” beyond the front, rear and sides of the stove, and must extend underneath and 2˝ beyond each side of horizontal connector pipe if it is elbowed towards a wall (see figure 5 and consult local building codes and fire protection ordinances.)
- The stove must have its own flue. DO NOT CONNECT THIS UNIT TO A CHIMNEY FLUE SERVING OTHER APPLIANCES.
- After observing the clearances to combustible materials (figure 2 – 4), locate your floor protector accordingly (figure 2) and carefully place the stove in
- Use 6/152mm diameter minimum 24 MSG Black or 26 MSG Blue round stove pipe. DO NOT USE GALVANIZED d0uct pipe. Secure pipe sections with three (3) sheet metal screws in each stove pipe and/or elbow joint to firmly hold the pipe sections together. Screws may be no more than a maximum of 3/76mm apart. DO NOT CONNECT THIS STOVE TO ANY AIR DISTRIBUTION OR DUCT SYSTEM.
- Recheck clearances from the stove, connector stove pipe, and corner clearances using the illustrations and your local building codes or fire protection ordinances. NOTE: Drywall faced with brick or stone MUST be considered a combustible surface.
- DO NOT INSTALL THIS STOVE IN A MOBILE HOME, MANUFACTURED HOME, TENT OR TRAILER (NO EXCEPTIONS)
- The clearances provided are minimum dimensions. Installation of this stove must comply with your local building code rulings.
- This stove is NOT a UL listed stove.

MINIMUM CLEARANCES TO COMBUSTIBLE SURFACES Unit to Sidewall 36” Unit to Backwall 36” Unit Corner to Wall 36” Pipe Connector to Backwall 38” Pipe Connector to Ceiling 18
NOTE: Connector pipe is not included. To purchase pipe, visit your local Hardware, home or building center. See “locating stove” for Additional specifications.
- Slide the lower end of the stove pipe into the flue outlet collar as shown. Note: The crimped end of the stove-pipe slides into the cast iron flue collar at top rear of stove. Secure stove pipe to flue collar with at least three (3) sheet metal screws and seal with stove cement.
- Horizontal pipe runs must slope upwards towards the chimney at least 1/4″ per foot of horizontal run.
- You must have at least 18 inches of clearance between any horizontal piping and the ceiling.
- The pipe cannot extend into the chimney flue.
- Secure pipe/elbow sections with three (3) sheet metal screws at each joint to make the piping rigid. Secure pipe/elbow sections with a minimum of three (3) equally spaced sheet metal screws at each joint and at the stove collar to make the pipe rigid.
- It is recommended that no more than two (2) 90 degree bends be used in the stove-pipe installation. The use of more than two 90 degree bends may decrease the amount of draw and possibly cause smoke spillage. Where possible, use only corrugated (non-adjustable) elbows. These provide a better seal.
- The connector pipe must not pass through an attic or roof space, trusses, closet, or any concealed space, or floor, ceiling, wall or combustible construction (See Chimney Connector Systems & Clearances) A UL 103 HT listed chimney system must be used from the first penetration of ceiling or wall to the chimney cap. Use chimney components from a single manufacturer. Do not mix brands.

WARNING:
DO NOT USE SINGLE WALL CONNECTOR PIPE AS A CHIMNEY – A HOUSE FIRE COULD RESULT. CAUTION:
KEEP FURNISHINGS AND OTHER COMBUSTIBLE MATERIALS AWAY FROM THE STOVE. 
The stove must be connected to either a code approved, lined masonry or manufactured metal chimney built and tested to the specifications listed on the previous pages. Chimneys perform two functions:
- As a means of exhausting smoke and flue gases which are the result of fuel combustion.
- The chimney provides “draft” which allows oxygen to be continuously introduced into the appliance, so that proper combustion is possible.
This stove relies on natural draft to operate.
NOTICE: Always provide a source of fresh air into the room where the stove is located. Failure to do so may result in air starvation of other fuel burning appliances and the possible development of hazardous conditions, fire or death.
DRAFT: Your stove itself does not create draft. Draft is provided by the chimney. To achieve proper draft your chimney must meet the three minimum height requirements detailed below. A minimum of 0.05 w.c (Measured in water column) is required for proper drafting to prevent back puffing, smoke spillage, and to maximize performance. Draft must not exceed 0.06 w.c. or unsafe operating conditions may occur. A barometric draft regulator must be installed if draft exceeds 0.06 w.c. (Gauges to measure draft are readily available at stove stores and are economical to rent or purchase.)
Factors such as wind, barometric pressure, trees, terrain and chimney temperature can have an adverse effect on the draft. The manufacturer cannot be held responsible for external factors leading to less than optimal drafting.
Should you have a problem with inadequate draft, you should contact a licensed heating and cooling contractor for assistance in solving the problem.
IMPORTANT INSTALLATION POINTS
- Size chimney flue to stove collar. This stove requires a 6″ diameter flue.
- Never connect this unit to a chimney serving another appliance.
- The chimney must meet all minimum height requirements.
- Never use a chimney to ventilate a cellar or basement.
- Contact your local building authority for approved methods of installation and any necessary permits and/or inspections.
MASONRY CHIMNEY
Chimney must be a code-approved, masonry chimney with flue liner. Before using an existing masonry chimney, clean
the chimney, inspect the flue liner and make any repairs needed to be sure it is safe to use. Make repairs before attaching the stove. The connector stove pipe and fittings you will need to connect directly to a masonry chimney are shown in.
If the connector stove pipe must go through a combustible wall before entering the masonry chimney, consult a qualified mason or chimney dealer. The installation must conform to local building and fire codes and latest edition of NFPA 211. If there is a cleanout opening in the base of the chimney, close it tightly

MANUFACTURED CHIMNEY
Refer to chimney and chimney connector maker’s instructions for installation and use. Use only a 6 diameter manufactured chimney system listed to UL 103 HT. Chimney made to this listing is High Temperature rated to 2100 degrees Fahrenheit. Use chimney from only one manufacturer. Never mix brands. Carefully follow the chimney manufacturer’s stated requirements and clearances. Use the chimney manufacturer’s attic guards, roof supports, flashing and fire stops when passing through a ceiling. Use a listed thimble when passing through a combustible wall. Do not use makeshift compromises during installation.
MANDATORY CHIMNEY CAP
Refer to chimney and chimney connector maker’s instructions for installation and use. Use only a 6˝ diameter manufactured chimney system listed to UL 103 HT. Chimney made to this listing is High Temperature rated to 2100 degrees Fahrenheit. Use chimney from only one manufacturer. Never mix brands. Carefully follow the chimney manufacturer’s stated requirements and clearances. Use the chimney manufacturer’s attic guards, roof supports, flashing and fire stops when passing through a ceiling. Use a listed thimble when passing through a combustible wall. Do not use makeshift compromises during installation.
WARNING: |
| DO NOT USE SINGLE WALL CONNECTOR PIPE AS A CHIMNEY – A HOUSE FIRE COULD RESULT |
When using a pre-existing chimney, have it’s condition and installation inspected before using. Make sure that the chimney meets all of the UL rating requirements listed above. Be aware that not all manufactured chimney is of the UL 103 HT type.
NOTE: It is recommended that you contact a licensed heating and cooling contractor (consult your local yellow pages) for chimney installation. Manufactured chimney with the proper required UL listing is available from most home centers, hardware stores, and HVAC supply stores. If you have access to the internet, you may wish to view chimney manufacturers’ information online.

VENTING TO EXISTING FIREPLACE
In some instances, people desire to convert an existing fireplace for stove use. Usually, safe connection to an existing masonry chimney requires more work than using a prefabricated chimney. The existing fireplace must be closed and sealed at the damper with high temperature caulk, ceramic wool, or furnace cement. Prior to installation, clean and inspect the existing flue and smoke shelf. Installation should be designed so the system can be dismantled for periodic cleaning and inspection. Before conversion, make sure the existing chimney is structurally sound, the chimney incorporates a flue liner and make sure it is in good condition (A flue liner consists of clay tile that protects the brickwork of a chimney. If a chimney does not have a liner, or it is damaged, have it relined by a professional. DO NOT USE a chimney that is unlined or damaged!) If you have any question regarding the condition of the chimney, consult a qualified licensed contractor, qualified engineer, competent mason, certified Chimney Sweep, or a knowledgeable inspector. Consult your insurance company if you cannot find a qualified expert.
| CAUTION: |
| NOT ALL FIREPLACE CHIMNEYS ARE SUITABLE FOR CONVERSION TO ACCOMMODATE CONNECTION TO A COAL STOVE. CHECK WITH A QUALIFIED EXPERT |
Many prefabricated fireplaces are of the “zero clearance fireplace” category. These consist of multi layered metal construction. They are designed with enough insulation and/or air cooling on the base, back and sides so they can be safely installed in direct contact with combustible floors and walls. Although many prefabricated fireplaces carry endorsements from nationally recognized organizations for use as fireplaces, they have not been tested for connection to coal stove heaters. Connecting a stove to such a device will void the manufacturer’s warranty. Venting a stove directly into a fireplace does not meet code and should not be attempted. The stove warranty will be void with such an installation. Do not create a hazard in your home by connecting in this manner.
FIREPLACE INSTALLATION
Directly connecting the stove-pipe into the existing masonry chimney (“Type A” Fireplace Conversion) of the fireplace is the ONLY approved method of installation. If the chimney is behind a combustible wall, you must use an approved wall pass-through system to gain access to the chimney. This is a complicated and involved process and to ensure safety should only be done by a qualified installer.
- An entry hole must be cut through the masonry and tile liner with minimal damage to the liner. At least 8″ of liner must remain below the entry position. When locating the stove and stove-pipe, all minimum clearances must be observed from combustible surfaces including mantels, combustible trim work, ceilings and walls. Positioning the center of the stove pipe entry into the chimney 24 below the ceiling should ensure proper clearance for a 6 stove-pipe.
- Install a fire clay (5/8 minimum thickness) thimble. Make sure the thimble is flush with the inner surface of the chimney liner and does not protrude into the flue.
- Secure the thimble with refractory mortar. The thimble should be surrounded by 12 of solid unit masonry brickwork or 24 of stone.
- Install the stove-pipe into the thimble as far as possible without extending past the flue lining.
- A small airspace (about 1/2) should remain between the stove-pipe and thimble to allow for expansion of the pipe. Seal this airspace with high temperature caulking or ceramic wool.
- Secure and seal the damper in the closed position using high-temp caulking, ceramic wool, or furnace cement. Also check to see if the chimney has a clean- out. If it does, make sure it is closed and sealed as well. A leaky clean-out will greatly reduce draft efficiency.

COMBUSTIBLE WALL CHIMNEY CONNECTOR PASS-THROUGHS
Method A. 12″ (304.8 mm) Clearance to Combustible Wall Member: Using a minimum thickness 3.5″ (89 mm) brick and a 5/8″ (15.9 mm) minimum wall thickness clay liner, construct a wall pass-through. The clay liner must
conform to ASTM C315 (Standard Specification for Clay Fire Linings) or its equivalent. Keep a minimum of 12″ (304.8 mm) of brick masonry between the clay liner and wall combustibles. The clay liner shall run from the brick masonry outer surface to the inner surface of the chimney flue liner but not past the inner surface. Firmly grout or cement the clay liner in place to the chimney flue liner.
Method B. 9″ (228.6 mm) Clearance to Combustible Wall Member: Using a 6″ (152.4 mm) inside diameter, listed, factory-built Solid-Pak chimney section with insulation of 1″ (25.4 mm) or more, build a wall pass-through with a minimum 9″ (228.6 mm) air space between the outer wall of the chimney length and wall combustibles. Use sheet metal supports fastened securely to wall surfaces on all sides, to maintain the 9″ (228.6 mm) air space. When fastening supports to chimney length, do not penetrate the chimney liner (the inside wall of the Solid-Pak chimney). The inner end of the Solid-Pak chimney section shall be flush with the inside of the masonry chimney flue, and sealed with a non-water soluble refractory cement. Use this cement to also seal to the brick masonry penetration.
Method D. 2″ (50.8 mm) Clearance to Combustible Wall Member: Start with a solid-pak listed factory built chimney section at least 12″ (304 mm) long, with insulation of 1″ (25.4 mm) or more, and an inside diameter of 8″ (2 inches [51 mm] larger than the 6″ [152.4 mm] chimney connector). Use this as a pass-through for a minimum 24-gauge single wall steel chimney connector. Keep solid-pak section concentric with and spaced 1″ (25.4 mm) off the chimney connector by way of sheet metal support plates at both ends of chimney section. Cover opening with and support chimney section on both sides with 24 gage minimum sheet metal supports. See that the supports are fastened securely to wall surfaces on all sides. Make sure fasteners used to secure chimney flue line.
Method C. 6″ (152.4 mm) Clearance to Combustible Wall Member: Starting with a minimum 24 gage (.024″ [.61 mm]) 6″ (152.4 mm) metal chimney connector, and a minimum 24 gage ventilated wall thimble which has two air channels of 1″ (25.4 mm) each, construct a wall pass-through. There shall be a minimum 6″ (152.4) mm separation area containing fiberglass insulation, from the outer surface of the wall thimble to wall combustibles. Support the wall thimble, and cover its opening with a 24-gage minimum sheet metal support. Maintain the 6″ (152.4 mm) space. There should also be a support sized to fit and hold the metal chimney connector. See that the supports are fastened securely to wall surfaces on all sides. Make sure fasteners used to secure the metal chimney connector do not penetrate chimney flue liner.
NOTES:
- Connectors to a masonry chimney, excepting method B, shall extend in one continuous section through the wall pass-through system and the chimney wall, to but not past the inner flue liner face.
- A chimney connector shall not pass through an attic or roof space, closet or similar concealed space, or a floor, or ceiling.
OPERATING INSTRUCTIONS
CAUTION: HOUSE FIRE HAZARDS
- GASSES EMITTED FROM FRESHLY ADDED COAL
MUST BE BURNED OR THEY WILL ACCUMULATE AND EXPLODE. NEVER SMOTHER A FIRE WHEN ADDING FRESH COAL. - NEVER USE MANUFACTURED “COAL BRICKS” MADE OF COAL DUST AND WAX-TYPE BINDER.
- DO NOT STORE COAL ON FLOOR PROTECTOR, UNDERNEATH STOVE PIPE OR ANYWHERE WITHIN MINIMUM CLEARANCES FROM COMBUSTIBLE SURFACES SPECIFIED FOR THIS STOVE (36″)
- OVER FIRING MAY CAUSE A HOUSE FIRE. YOU ARE OVER FIRING IF THE STOVE OR CHIMNEY CONNECTOR GLOWS RED.
- BUILD FIRES ONLY ON INTEGRAL GRATE INCLUDED WITH THE STOVE.
WARNING: EXPLOSION HAZARD
- NEVER USE CHEMICALS, GASOLINE, GASOLINE-
TYPE LANTERN FUEL, KEROSENE, NAPHTHA, CHARCOAL LIGHTER FLUID, OR SIMILAR FLAMMABLE LIQUIDS TO START OR “FRESHENUP” A FIRE IN THE STOVE. - KEEP ALL FLAMMABLE LIQUIDS, ESPECIALLY GASOLINE, OUT OF THE VICINITY OF THE STOVE — WHETHER IN USE OR IN STORAGE.
- DO NOT STORE COAL ON FLOOR PROTECTOR, UNDERNEATH STOVE PIPE OR ANYWHERE WITHIN MINIMUM CLEARANCES FROM COMBUSTIBLE SURFACES SPECIFIED FOR THIS STOVE (36″)
- OVER FIRING MAY CAUSE A HOUSE FIRE. YOU ARE OVER FIRING IF THE STOVE OR CHIMNEY CONNECTOR GLOWS RED.
- BUILD FIRES ONLY ON INTEGRAL GRATE INCLUDED WITH THE STOVE.
OPERATING SAFETY PRECAUTIONS
- Stove is hot while in operation. Keep children, clothing, and furniture away from hot stove. Contact may cause skin burns. Do not touch the stove after firing until it has cooled.
- Never over fire this stove by building excessively hot fires as a house/ building fire may result. You are over firing the stove if stove or stove pipe begins to glow or turn red.
- Never build extremely large fires in this type of stove as damage to the stove or smoke leakage may result.
- Provide air into the room for proper combustion.
- Inspect stove-pipe every 60 days. Replace immediately if stove-pipe is rusting or leaking smoke into the room.
FOR USE WITH SOLID COAL FUEL ONLY
Chestnut, egg stove or nut-sized coal for residential furnaces or any of the specialty packaged fireplace coals (not wax-type “Coal Bricks”) can be used. Low ash content (2% to 6%) coal is recommended.
NOTICE: |
| USE SOLID COAL MATERIALS ONLY. FOR BEST RESULTS WHEN BURNING COAL, USE SOLID, BITUMINOUS COAL. NEVER USE MANUFACTURED COAL “BRICKS” MADE OF COAL DUST AND WAX-TYPE BINDER. STORE COAL IN DRY, WELL VENTILATED AREA. DO NOT BURN GARBAGE, CHARCOAL OR FLAMMABLE LIQUIDS SUCH AS GASOLINE, NAPHTHA OR ENGINE OIL. |
LIGHTING
- Open flue draft damper fully to provide maximum draft.
- Remove lid(s) and place several wads of crushed paper in the firebox.
- Lay small stacks of kindling on the paper to start the fire.
- Light the paper and kindling and replace the lid(s). Make sure they are seated properly. Keep ash door closed when stove is in use.
- Add fuel after fire is burning briskly. Use care not to smother the kindling fire when adding fuel. Replace the lid(s) and make sure they are seated firmly.
- Adjust the draft damper and spin draft control. The more closed the spin draft is set, the lower and slower the fire will burn. The more open, the faster and hotter the fire will burn. Do not over-fire the stove.
- NEVER build extremely large fires in this type of stove as damage to the stove or smoking may result. If you have too much draft, then regulate the draft with the 6 stove pipe damper.
- DO NOT TOUCH SEVERE BURNS MAY RESULT! After firing DO NOT TOUCH STOVE until it has cooled.
- Replace lid(s) and make sure they are seated properly..
- This is a cast iron stove. It does NOT have welded seams. From time to time you may need to “tuneup” the stove by refilling and/or replacing the stove cement/ mortar along the seams.
ADDING FUEL
Add small amounts of fuel each hour or so instead of piling large quantities of fuel at one time. This will ensure a more complete combustion process and less build-up of tars, soot, or creosote will occur in the chimney.
- Always open flue draft damper before removing the lids.
- When adding fuel be careful not to smother the fire.
- Replace lids and seat securely.
- Adjust the flue damper and spin draft controls.
- Empty ashes regularly. Do not allow ashes to pile up higher than the top of the hearth (see Safety Instructions). If ashes build up to the grate, burnout will occur.
- Properly dispose of hot ashes (see Safety Instructions)
- Do not over fire the stove.
CAUTION: |
| DO NOT OVER FIRE APPLIANCE. TOO MUCH FUEL OR BURNING PROHIBITED MATERIALS SUCH AS TRASH OR FLAMMABLE LIQUIDS MAY CAUSE OVER FIRING. YOU ARE OVER FIRING IF ANY PART OF THE STOVE OR THE CHIMNEY CONNECTORS GLOWS RED. IMMEDIATELY CLOSE THE DOOR, SPIN DRAFT AND FLUE DAMPER TO REDUCE THE AIR SUPPLY TO THE FIRE. THIS WILL SLOW DOWN THE FIRE |
CAUTION: |
| SLOW BURNING FIRES AND EXTENDED USE MAY CAUSE EXCESSIVE CREOSOTE BUILD-UP. IGNITION OF CREOSOTE BUILD-UP OR OVER FIRING MAY CAUSE A CHIMNEY FIRE. CHIMNEY FIRES BURN EXTREMELY HOT AND MAY IGNITE SURROUNDING MATERIALS. IN CASE OF A CHIMNEY FIRE LEAVE THE BUILDING AND CALL THE FIRE DEPARTMENT FROM A SAFE LOCATION. |
ASH DISPOSAL
While in use, empty ash pan regularly. Too much ash accumulation can restrict airflow to the fire and damage the grate. Dispose of ashes properly (See Safety Instructions)
CHIMNEY DRAFT
Draft is a function of the chimney, not the stove — do not expect the stove to draw. Smoke spillage into the house or excessive build-up of condensation or creosote in the chimney are warnings that the chimney is NOT functioning properly. Correct the problem before using the stove.
Following are some possible causes for improper draft.
- The connector stove pipe may be pushed into the chimney too far, stopping the draft.
- If the chimney temperature is too cool, water will condense in the chimney and run back into the stove. Creosote formation will be rapid and may block the chimney. Operate the stove at a fire level high enough to keep the chimney warm to prevent condensation from forming.
- If the fire burns well but sometimes creates excess smoke or burns slowly, it may be caused by the chimney top being lower than another part of the house or a nearby tree. The wind blowing over a house or tree, falls on top of the chimney like water over a dam, beating down the smoke. The top of the chimney should be at least three (3) feet above the roof and be at least two (2) feet higher than any point of the roof within ten (10) feet.
CREOSOTE - FORMATION AND NEED FOR REMOVAL
Failure to remove creosote may result in ignition and may cause a house/building fire. Creosote may be removed using a chimney brush or other commonly available materials from your local hardware retailer.
PREVENTING CREOSOTE BUILDUP
- Creosote will inevitably form in your chimney and connector pipe. Following these steps will help reduce the rate of build up.
Avoid smothering the fire with too much fuel. Too much fuel loaded at one time will create heavy, volatile gas which can coat the chimney with creosote-forming tar. - Burn the stove with the spin draft control wide open for 10-15 minutes every time fresh fuel is loaded into the stove. Do not load more than ¼ to ½ of the fuel capacity at one time. Loading too much fuel at once will cause excessive smoke which contains creosote. Mature fires or coals produce very little creosoteproducing smoke.
- Burn with the spin draft control open for several minutes at numerous intervals throughout the day, being careful not to over fire the unit. Following this process will help to warm the chimney and reduce the amount of creosote forming condensation within the chimney.
- Establish a routine for the handling of fuel, firing, and operating the stove. Check daily for creosote build up until experience shows how often you need to clean for safe operation. Be aware that the hotter the fire, the less creosote is deposited and weekly cleaning may be necessary in mild weather even though monthly cleaning may be enough in the colder months
WARNING: |
| IN CASE OF CHIMNEY FIRE (1) CLOSE AIR INLET CONTROL AND FLUE PIPE DAMPER. (2) GET OUT OF THE HOUSE (3) CALL THE FIRE DEPARTMENT. |
SOOT – FORMATION & NEED FOR REMOVAL
Additionally, coal combustion by-products like sulfur dioxide, sulfur trioxide and others can corrode stainless steel and masonry chimneys. It is important to inspect and clean chimney on a regular schedule.
CAUTION: RISK OF FIRE |
| WHEN COAL IS BURNED, THE PRODUCTS OF COMBUSTION COMBINE WITH MOISTURE TO FORM A SOOT RESIDUE WHICH ACCUMULATES IN THE FLUE LINING. WHEN IGNITED, THIS SOOT MAKES AN EXTREMELY HOT FIRE. THE CHIMNEY CONNECTOR AND CHIMNEY SHOULD BE INSPECTED AT LEAST ONCE EVERY TWO MONTHS DURING THE HEATING SEASON TO DETERMINE IF A SOOT BUILD-UP HAS OCCURRED. IF SOOT HAS ACCUMULATED, IT SHOULD BE REMOVED TO REDUCE THE RISK OF A CHIMNEY FIRE. |
CHIMNEY INSPECTIONS
The chimney connector and chimney should be inspected at the beginning of and at least twice a month during the heating season to determine if a creosote or soot buildup has occurred. Chimney fires burn very hot. If any part of the stove, chimney or chimney connector should glow red, reduce the fire by closing the damper and spin draft control and immediately call the fire department.
CAUTION: |
| A CHIMNEY FIRE MAY CAUSE IGNITION OF WALL STUDS OR RAFTERS WHICH WERE ASSUMED TO BE A SAFE DISTANCE FROM THE CHIMNEY. IF A CHIMNEY FIRE HAS OCCURRED, HAVE YOUR CHIMNEY INSPECTED BY A QUALIFIED EXPERT BEFORE USING AGAIN. |
A fire in the stove may be smothered by pouring a large quantity of coarse salt, baking soda, or cool ashes on top of the fire.
STOVE JOINTS
Required Tune-up. This stove is manufactured with cast iron components. IT DOES NOT HAVE WELDED SEAMS. Periodic “tune up” may be required by refilling and/ or replacing the cement/joint mortar along the seams where the cast iron components meet.
REPAIR PARTS
| Key | Description | Qty |
| 1 | Cook Lid | 4 |
| 2 | Collar Top | 1 |
| 3 | Top Plate | 1 |
| 4 | Removable Plate | 2 |
| 5 | Lid Support | 1 |
| 6 | Burn Chamber | 1 |
| 7 | Lower Chamber | 1 |
| 8 | Shaker Door | 1 |
| 9 | Base | 1 |
| 10 | Ash Door | 1 |
| 11 | Spin Draft | 1 |
| 12 | Spin Draft | 1 |
| 13 | Grate | 1 |
| 14 | Ash Pan | 1 |
| 15 | Legs | 4 |
| 16 | Lid Lifter | 1 |
| 17 | Hardware Pack | 1 |
| 18 | Draft Damper | 1 |

To order parts:
Call 1-800-750-2723 Ext 5051 or
Email to: [email protected]
| IN ORDER TO MAINTAIN WARRANTY, COMPONENTS MUST BE REPLACED USING ORIGINAL MANUFACTURERS PARTS PURCHASED THROUGH YOUR DEALER OR DIRECTLY FROM THE APPLIANCE MANUFACTURER. USE OF THIRD PARTY COMPONENTS WILL VOID THE WARRANTY. |
A GUIDE TO BURNING COAL IN YOUR STOVE
Stoves that are capable of burning coal usually will burn both Bituminous and Anthracite coal. Anthracite is perhaps the best coal fuel because of its long even burn time, high heat output, and cleanliness which make it a good choice for the home. However, keep in mind it is a much more difficult fuel to use, requires more care and patience, is not so widely available, and is usually much more expensive than Bituminous.
SIZE OF COAL
Most sizes of Bituminous Coal will work in a coal furnace; for best results we recommend large “nut” coal to small “egg” coal (1-3/4″ diameter to 4″ diameter). When burning Anthracite, use “egg” or “broken” with sizes between 2-5/16″ through 4-3/8″. Note that it is important to the long life of your stove to buy coal which has been sized and cleaned. Cleaning ensures removal of rocks and other minerals. Never use coal smaller than 1″ or larger than 5″ in diameter. Small sized coal will smother the fire. Too large a size of coal will not burn well.
STOVE OPERATION
All coal fires should be started with wood which will allow the fire to get hot enough to ignite the coal. The best ignition fires utilize dry pine or other resinous soft woods as kindling, with hard wood (oak, hickory, ash) added to increase the heat prior to addition of the coal.
Before starting the fire, open the stove pipe damper (if equipped), turn the thermostat to high, open the ash pit door and feed door, place newspaper and finely split kindling on the grate, light the paper, add larger hard wood after the kindling is burning brightly.
CAUTION: Never use gasoline, lantern fuel, kerosene, charcoal lighter fluid, or other flammable liquids to start or freshen up a fire in any heater. Place the larger pieces of wood on the fire so that they are slightly separated and form a level for the addition of coal. It will take 10 to 20 minutes before this wood is thoroughly ignited. Adding coal too soon will cut the air supply and smother the fire.
BURNING BITUMINOUS
Once your kindling and wood fire has produced a bed of well established coals, start adding coal in layers allowing each to ignite before adding more. Bituminous has a high volatile content and, as a result, should be fired with the “conical method” – with the highest portion of your fire bed in the center of the firebox. The first flames will be long and generally orange or yellow and produce quite a bit of smoke. As the gases burn off the flames become shorter, change color and produce less smoke.
Once the fire is WELL ESTABLISHED add coal to the center of the firebox forming the cone. Burning in this fashion
allows heat to drive off the volatile gases, and turbulence created increases the burn efficiency. There will have to be some experimenting with the individual setup as no two chimney’s or installations are going to be the same. Just remember to allow enough air to enter the firebox and keep the stove pipe damper open so that volatiles are properly burned. Before refueling, take the time to break up the cone a little with a poker, especially if it has caked over or formed a crust. But, be careful not to mix the coal as this increases the chances of forming clinkers. When shaking the grate(s) be gentle. Just a few short movements – a couple of “cranks” – is better than a lot of agitation. The objective is to remove a small amount of the ashes without disturbing the fire. Stop when you see a glow in the ashes or the first red coals fall into the ash pan. Excessive shaking wastes fuel and can expose the grate(s) to very high temperatures which can cause warping or burnout.
For overnight operation (long duration burn time) shake the fire and add coal, retaining the center cone. Once the volatiles are burned off, close the feed door and adjust the stove pipe damper, if equipped. Then adjust the thermostat to the desired heat level.
More MAINTENANCE will be needed with bituminous coal than with anthracite coal as more soot will collect on heating surfaces and in pipes, requiring more frequent cleaning.
ANTHRACITE
Add a thin layer of coal (preferably smaller chunks) to the wood fire, being careful not to disturb it too much or cut off the draft. Then, add a second heavier layer after the coal is ignited and burning well. If necessary, add a third layer to bring the coal up to the top of the front liner (not above!). Be sure to close the ash door.
Before adding further fuel, be sure to leave a red spot of glowing coals in the center of the firebox to ensure that the fire has not been smothered and to help ignite the gases given off by the new charge. A deep charge will give a more even heat and a longer fire, but it may take one to two hours before the whole bed is fully ignited.
When the fire is well established and the room is becoming warm, partially close the dampers. Some experimenting will have to take place with each particular setting of all dampers and controls as the chimney provides the draft necessary to not only exhaust the smoke, but to pull combustion air into the heater as well – and no two chimney’s perform the same. Under ideal draft conditions, one should be able to turn the secondary air supply below the feed door (some models) to a near closed position – but leave the ash pit damper at least partially open to prevent the fire from going out. Adjust the stove pipe damper to reduce the draft on the fire. With anthracite there will be short blue flames above the coal, except when the fire is started or a new charge is added. If, however, there is no flame then the fire needs more air from the bottom (unless it is near the end of its burn cycle and needs to be recharged).
Only when the coal is burned down to half its original depth it is time to add fresh coal. When doing so, open the stove pipe damper and turn the thermostat damper to high, which will allow the fire to burn off any accumulated gases. Open the feed door, and with a small rake, hoe, or hooked poker pull the glowing coals to the front of the firebox. Try not to disturb the fire too much. Next, add a fresh charge to the back being careful not to seal off the top. Close the feed door, but leave the spin damper (or thermostat) open for a few minutes until the volatile gases have burned off. It is not necessary to shake down the ashes each time you refuel the furnace. Experience will be your best teacher.
BANKING THE FIRE
For extended operation, such as overnight, the fire will need to be banked. To do so heap coal up along the sides and back of the firebox so that the fire gradually burns it over a longer period of time. The intensity of the fire will also be reduced without letting it go out. Follow the same
procedure as for refueling. If possible, avoid shaking, as a heavier layer of ash will help reduce the intensity of the fire during this time. After loading, let the fire establish itself for about 30 minutes. Then close your damper and automatic control to the point where the house does not become too cold. It is important that you begin banking early enough before retiring or leaving that you can make necessary adjustments after the fire is well established.
To revive a coal fire that is almost out,
(1) open the ash door and stove pipe damper and close the spin damper under the door to get a good draft through the grate.
(2) place a thin layer of dry coal over the entire top of the fire. DO NOT POKE OR SHAKE THE FIRE AT THIS TIME!
(3) after the fresh coal has become well ignited shake the grate (just a little), refuel.
DO NOT burn coke, charcoal, high volatile bituminous coal, sub bituminous, lignite or cannel coal (sometimes called channel coal or candle coal).
NEVER burn wax or chemically impregnated sawdust logs – their intended use is for fireplaces only.
NEVER fill the stove or furnace above the firebrick or cast iron liner.
HOW TO ORDER REPAIR PARTS
For Parts Assistance Call: 800-750-2723 Ext 5051 or Email: [email protected]
The information in this owner’s manual is specific to your unit. When ordering replacement parts the information in this manual will help to ensure the correct items are ordered. Before contacting customer service write down the model number and the serial number of this unit. That information can be found on the certification label attached to the back of the unit. Other information that may be needed would be the part number and part description of the item(s) in question. Part numbers and descriptions can be found in the “Repair Parts” section of this manual. Once this information has been gathered you can contact customer service by phone 1-800-750-2723 Ext 5051 or Email [email protected].
| Model Information | |
| Model Number | |
| Serial Number | |
Note: Register your product online at www.usstove.com or download the free app today. This app is available only on the App Store for iPhone and iPad. Search US Stove. Save your receipt with your records for any claims.
For Customer Service, please call: 1-800-750-2723 Ext 5050 or;
Text to 423-301-5624 or; Email us at: [email protected]


























