PIAZZETTA P920 K Pellet Stove

GENERAL FEATURES
- Heating: Multifuoco System® with 3 power levels and manual or automatic control. Hot ductable air
- Natural Mode: yes
- Power levels: 4
- Radiant Majolica: yes
- Cladding / Top: majolica / steel – cast iron
- Front ventilation: adjustable vent
- Humidifier: stainless steel
- Remote control with LCD display:
- Multicomfort: standard
- Multicomfort Plus: standard
- Ambient probe for temperature control: as standard feature
- Control panel with digital controls: yes
- Module WiFi – Bluetooth for MyPiazzetta App: standard
- Wireless probe for temperature management: optional
- Timer-controlled thermostat with programming: 6 daily time frames
- Eco / Energy Saving function: yes / yes
- Glass cleaning: continuous air flow
- Cyclic brazier cleaning: yes
- Ash vacuum cleaner: as standard feature
- Installation: flush with the wall – corner
- Standard flue outlet position: left rear or upper
- One-piece firebox: airtight in steel
- Firebox: cast iron
- Door / Handle: cast iron with ceramic glass resistant up to 750°C / detachable
- Combustion air kit
- Design door:
- Air Combustion System Function: yes
- Pellet Quality System Function: yes
- Ash conveyor: stee
- Side ventilation: optional vent, fixed
- Combustion air kit:
The Pellet Stove P920 K, for Flush-with-the-wall/Corner installation and cladded in Majolica, with its 8,5 KW and Energy class A+, is a refined appliance from the Premium Line by Piazzetta. Discover all the features in the Multifuoco® System ducting system, the Apps, Distance Management and lots more
TECHNICAL DETAILS
- Rated thermal power (min – max) kW 3,3 – 8,5
- Efficiency (min – max) % 89,0 – 90,3
- Energy efficiency class A+
- Rated consumption (min – max) kg/h 0,7 – 1,9
- Tank capacity kg 18
- Weight kg 153
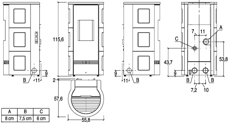
- Standard flue outlet Ø cm 8
- Model P920 K
COVERS

DIMENSION



















