UNITED STATES STOVE CO Caboose Potbelly Owner’s Manual

CAUTION!
Read All Instructions Carefully Before Starting The Installation or Operating This Stove.
DO NOT USE THIS HEATER IN A MOBILE HOME OR TRAILER
The use of wood in this stove, other than for coal ignition purposes, is prohibited by law.
You have purchased a heater from North America’s oldest manufacturer of coal burning products. Our Caboose Potbelly Stove is reminiscent of the potbelly stoves seen in the train stations and cabooses of yesteryear. This high performance potbelly stove is constructed of all cast iron and is designed to burn coal. Its generous firepot capacity with shaker grate allows 40 lbs. of coal to burn for eight hours before requiring refueling. Separate ash door with slide draft control at bottom creates a”forge effect” that ensures proper combustion. Long flared top with 8″ lift out lid facilitates fry pan or tea kettle. Stove comes assembled except for legs.
| Specifications | |
| Height (Overall) | 36″ |
| Width | 21.6″ |
| Depth | 19.5″ |
| Firebox Capacity | 40 lbs. |
| Firebox Depth | 10″ |
| Flue Size | 6″ |
| Door Opening | 8″ x 10″ |
| Material | 100% Cast Iron |
| Fuel | Coal |
| NOTE: Bituminous, large nut to small egg or Anthracite, large egg to small broken. | |
| BTU Rating | 200,000 |
| Weight | 216 lbs. |

Safety Rules
SAFETY NOTICE: If this heater is not properly installed a house fire may result. For your safety, follow the installation directions. Contact local building or fire officials about restrictions and installation inspection
requirements in your area.
Read these rules and the instructions carefully.
- The installation of this stove must comply with your local building code rulings. Please observe the clearances to combustibles (Refer to Figures 2 and 3) Stove must be 36″ from a combustible wall (wood or plaster board) at rear or sides.
- DO NOT install this stove in a mobile home or trailer.
- Always connect the stove to a chimney and vent to the outside. Never vent to another room or inside a building.
- DO NOT connect a solid fuel burning appliance to an aluminum Type B gas vent. This is not safe and prohibited by the NFPA (National Fire Protection Agency) This stove requires approved masonry or a UL 103 HT Listed Residential Type and Building Heating Appliance Chimney. Use a 6″ diameter chimney or larger, that is high enough to give a good draft.
- Be sure that your chimney is safely constructed and in good repair. Have the chimney inspected by the fire department or a qualified inspector. Your insurance company may be able to recommend a qualified inspector.
- Creosote or soot may build up in the chimney connector and chimney and can cause a house/building fire. Inspect the chimney connector and chimney twice monthly during the heating season and clean as
necessary (See Chimney Maintenance, page 6) - Provide air for proper combustion from outside the house into the room where the stove is located. If the intake is not in the same room, air must have free access to the room.
- To prevent injury, do not allow anyone to use this stove who is unfamiliar with the correct operation of the stove.
- For further information on using your stove safely, obtain a copy of the National Fire Protection Association publication “Using Coal and Wood Stoves Safely” NFPA No. HS-10-1976. The address of the NFPA is Batterymarch Park, MA, 02269.
- Dispose of the ashes in a metal container with a tight fitting lid. Keep the closed container on a noncombustible floor or on the ground, well away from all combustible materials. Keep the ashes in the closed
container until all cinders have thoroughly cooled. The ashes may be buried in the ground or picked up by a refuse collector. - The special paints used on this stove may give off some smoke and an odor while they are curing during the first few fires. Paint discoloration will occur if the stove is overfired.
- This stove has a painted surface which is durable but it will not stand rough handling or abuse. When installing your stove, please handle with care. Clean with soap and warm water when stove is not hot. Do not use any acids or scouring soap, as the will wear and dull the finish.
- While the stove is in operation, all persons, young children especially, should be alerted to the hazards from high surface temperatures and should keep away to avoid burns or clothing ignition. Small children should be carefully supervised when they are in the same room with the stove.
- Keep stove area clear and free of all combustible materials such as gasoline and/or other flammable vapors and liquids.
Assembly and Installation
- Uncrate and/or unpack the heater, removing all packing material, being careful not to dispose of the Parts Bag.
- Remove the following contents:
A. (4) Legs with nut and bolt package
B. (1) Lid with (1) Lid Lifter
C. (1) Shaker Grate
D. (1) Ash Door with (1) Slide Draft
E. (1) Feed Door - Carefully lay the stove on its side, preferably on a soft surface. Note: Cardboard shipping carton placed flat works well for this application.
- Securely attach all four (4) legs to lower chamber using nut and bolt package.
- Carefully return stove to upright position and place it in desired location
- .Place lid in position on top plate.
- Position ash door with slide draft on front of lower chamber.
- Place shaker grate in lower chamber.
- Place the heater on solid masonry, or solid concrete. When the heater is used on a combustible floor, use an Underwriters Listed floor protector. The floor protector must comply with UL Standards. The base should
extend at least 18″ beyond the door side of the heater and should extend under the flue pipe (if it is elbowed towards a wall, see figure 4). After observing the clearances to combustibles, locate your floor protector
accordingly and carefully place the stove in your selected location. Install stove pipe, elbows and thimble as necessary, utilizing either a recently cleaned and inspected masonry chimney or a UL 103 HT Listed
Residential Type and Building Heating Appliance Chimney.
MINIMUM CLEARANCE TO COMBUSTIBLE WALLS

FIGURE 2 FIGURE 3
HEATER/FLOOR PROTECTOR LOCATION
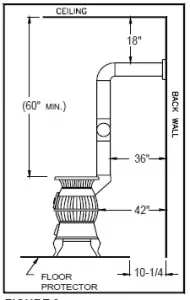
FIGURE 4 - The flue pipe draft damper must be installed into the top end of the first straight section of stove pipe (figure1) exiting the stove before the stove is used.
a. Drill two 1/4” holes centered on either side of the pipe section 6” from the top end of the pipe Remove the handle from the damper then slide the damper into the pipe.
b. Align the damper with the holes drilled in step 8a and insert the handle through the holes and the damper.
NOTE: This damper is necessary for the proper operation of the stove and to meet EPA emissions requirements for heating appliances. It must be installed before use (No exceptions)
- Attach stove piping (see instructions).
- The stove must have its own flue. Do not connect this unit to a chimney flue serving other appliances. This stove has a circular flue outlet and uses a standard 6″ stovepipe. To attach pipe, simply slide the end of the stove pipe into the flue outlet and secure with metal screw. Connect balance of stove pipe into a class A chimney

- If your chimney continues to draft excessively, then use a Barometric Draft Regulator.
- Use three (3) sheet metal screws in each stove pipe and/or elbow joint to firmly hold the stove pipe together. Use 6″ round black/blue stove pipe, not galvanized stove pipe .
- Recheck illustrations figure 2 through 7 to be sure you have the proper clearances shown from the stove and the connector pipe to combustible surfaces. NOTE: If a wall is only faced with brick or stone, consider it as a combustible wall.

FIG. 5 Stovepipe/Flue ConnectionsCAUTION: KEEP FURNISHINGS AND OTHER COMBUSTIBLE MATERIALS AWAY FROM THE HEATER. - DO NOT install this stove in a mobile home or trailer.
- If you have too much draft, then install a 6″ cast iron stove pipe damper in the first joint of the stove pipe
Chimney Connection
MASONRY CHIMNEY
The masonry chimney must comply with UL codes. Before using an existing masonry chimney, clean the chimney and inspect the flue liner to be sure it is safe to use. Make repairs before attaching the heater. See figure 5, the connector pipe and fittings you will need to connect directly to a masonry chimney are shown. If the connector pipe must go through a combustible wall before entering the masonry chimney, consult a qualified mason or chimney dealer. The installation must conform to local fire codes, and NFPA 211. Do not connect this heater into the same chimney flue as the fireplace or flue from another heater. The chimney used for a heater must not be used to ventilate the cellar or basement. If there is a cleanout opening at the base of the chimney, close it tightly.
UL LISTED CHIMNEY
Carefully follow chimney manufacturer’s instructions. Use only listed type HT per UL 103, 6-in diameter black or blued chimney connector, minimum 24 gauge steel. If your chimney starts at the ceiling (Figure 7), you will need enough 6″ pipe to reach the ceiling. The top of the chimney must be at least 3 feet above the roof and be at least 2 feet higher than any point of the roof within 10 feet (Figure 7)
RULES FOR CONNECTOR PIPE INSTALLATION
- The pipe should be firmly attached to the collar top with 3 screws and sealed with furnace cement.
- Slope any horizontal pipe upward toward the chimney at least
1/4″ inch for each foot of horizontal run.
3. You must have at least 18″ inches clearance between any horizontal piping and the ceiling (figure 3). - The pipe cannot extend into the chimney flue (figure 5).
- Seal each connector pipe joint with furnace cement. Also seal the pipe at the chimney.
- Use 3 sheet metal screws at each joint to make the piping rigid.
- It is recommended that no more than two (2) 90 degree bends be used in the stove pipe installation as more than two (2) may decrease the amount of draw and possibly cause smoke spillage.
NOTE: The chimney connector shall not pass through an attic, roof space, floor, ceiling, or similar concealed space. Where passage through a wall or partition of combustible construction is desired, the installation must conform with NFPA 211
OPERATION OF THE STOVE.

- Fully open slide draft on ash door and keep spin damper on feed door closed.
- Burn coal only. Use wood for coal ignition purposes only. Build six (6) small fires upon initial firing. Light wood using paper, twigs, etc.
- After the fire has been started and is burning satisfactorily, close slide draft almost all the way.
- Open/adjust spin draft on feed door to allow additional air into the stove (on top of the fire). This will allow a more efficient burn cycle.
- Never build extremely large fires in this type stove as damage to the stove or smoking may result.
- DO NOT touch the stove after firing
- Never over fire this stove by building excessively hot fires as a house/building fire may result.
- Inspect stove pipe every 90 days. Replace immediately if stove pipe is rusting or leaking smoke into the room.
- This is a cast iron stove. It does not have welded seams. From time to time you may have to”tune-up” the stove by refilling and/or replacing the stove cement or mortar along the seams.
- If stove begins to glow or turn red, you are over firing.
Service Hints
Do not expect a heater to draw. It is the chimney that creates the draft. Smoke spillage into the house or excessive buildup of water or creosote in the chimney are warnings that the chimney is not functioning properly.
Correct problem before using heater. Possible causes are:
- The connector pipe may push into the chimney too far, stopping the draft (figure 5).
- Do not connect two heaters into the same chimney flue.
- The chimney used for a heater must not be used to ventilate the cellar or basement. If there is a cleanout opening at the base of the chimney, It must be closed tightly.
- If the chimney is operating too cool, water will condense in the chimney and run back into the stove. Soot formation will be rapid and may block the chimney. Operate the heater at a high enough fire to keep the
chimney warm preventing this condensation. If the fire burns well but sometimes smokes or burns slowly, it may be caused by the chimney top being lower than another part of the house or a nearby tree. The wind blowing over a house or tree, falls on top of the chimney like water over a dam, beating down the smoke. The top of the chimney should be at least 3 feet above the roof and be at least to 2 feet higher than any point of the roof within 10 feet (figure 7).
Chimney Maintenance
CREOSOTE – FORMATION AND NEED FOR REMOVAL
When solid fuel is burned slowly, it produces tar and other organic vapors, which combine with expelled moisture to form creosote. The creosote vapors condense in the relatively cool chimney flue of a slow burning fire. As a result, creosote residue accumulates on the flue lining. When ignited, this creosote makes an extremely hot fire.
The chimney connector and chimney should be inspected at least twice monthly during the heating season to determine if a creosote or soot buildup has occurred. If there is any accumulation, it should be removed. Failure to remove creosote may cause a house fire. Soot may be removed by using a chimney brush or other commonly available materials.
Chimney fires burn very hot. If the chimney connector should glow red, immediately call the fire department, then reduce the fire by closing the inlet air control and pour a large quantity of coarse salt, baking soda or cool
ashes on top of the fire in the firebox. CAUTION: A chimney fire may cause ignition of wall studs or rafters which you thought were a safe distance from the chimney. If you have a chimney fire, have your chimney inspected by a qualified person before using again
.CAUTION! Do not touch the heater until it has cooled.
NOTE: FOR YOUR SAFETY, WE RECOMMEND INSTALLING SMOKE DETECTORS IN YOUR HOME IF NOT ALREADY INSTALLED.
Repair Parts

| KEY | PART NO. | DESCRIPTION | QTY. |
| 1 | 89979 | Top Plate | 1 |
| 2 | 89980 | Upper Chamber | 1 |
| 3 | 89981 | Feed Chamber | 1 |
| 4 | 89982 | Burn Chamber | 1 |
| 5 | 89983 | Lower Chamber | 1 |
| 6 | 89984 | Base | 1 |
| 7 | 89985 | Legs | 4 |
| 8 | 89986 | Ash Door | 1 |
| 9 | 89987 | Slide Draft | 1 |
| 10 | 89988 | Slide Draft Knob | 1 |
| 11 | 89989 | Shaker Grate | 1 |
| 12 | 89990 | Spring Handle | 1 |
| 13 | 89991 | Feed Door | 1 |
| 14 | 89992 | Spin Draft | 1 |
| 15 | 89993 | Collar Top | 1 |
| 16 | 89994 | Cook Lid | 1 |
| * NOT SHOWN | |||
In order to maintain warranty, components must be replaced using original manufacturers parts purchased through your dealer or directly from the appliance manufacturer. Use of third party components will void the warranty.
RC454 A Guide To Burning Coal In Your Furnace
Furnaces that are capable of burning coal usually will burn both Bituminous and Anthracite coal. Anthracite is perhaps the best coal fuel because of its long even burn time, high heat output, and cleanliness which make it a good choice for the home. However, keep in mind it is a much more difficult fuel to use, requires more care and patience, is not so widely available, and is usually much more expensive than Bituminous.
SIZE OF COAL:
Most sizes of Bituminous Coal will work in a coal furnace; for best results we recommend large”nut” coal to small”egg” coal (1-3/4” diameter to 4” diameter). When burning Anthracite, use”egg” or”broken” with sizes
between 2-5/16” thru 4-3/8”. Note that it is important to the long life of your stove to buy coal which has been sized and cleaned. Cleaning ensures removal of rocks and other minerals. Never use coal smaller than 1” or
larger than 5” in diameter. Small sized coal will smother the fire. Too large a size of coal will not burn well.
STOVE OPERATION:
All coal fires should be started with wood which will allow the fire to get hot enough to ignite the coal. The best ignition fires utilize dry pine or other resinous soft woods as kindling, with hard wood (oak, hickory, ash) added to increase the heat prior to addition of the coal. Before starting the fire, open the stove pipe damper (if equipped), turn the thermostat to high, open the ash pit door and feed door, place newspaper and finely split kindling on the grate, light the paper, add larger hard wood after the kindling is burning brightly. CAUTION: Never use gasoline, lantern fuel, kerosene, charcoal lighter fluid, or other flammable liquids to start or freshen up a fire in any heater. Place the larger pieces of wood on the fire so that they are slightly separated and form a level for the addition of coal. It will take 10 to 20 minutes before
this wood is thoroughly ignited. Adding coal too soon will cut the air supply and smother the fire.
BURNING BITUMINOUS:
Once your kindling and wood fire has produced a bed of well established coals, start adding coal in layers allowing each to ignite before adding more. Bituminous has a high volatile content and, as a result, should be
fired with the”conical method” – with the highest portion of your fire bed in the center of the firebox. The first flames will be long and generally orange or yellow and produce quite a bit of smoke. As the gases burn off the flames become shorter, change color and produce less smoke. Once the fire is WELL ESTABLISHED add coal to the center of the firebox forming the cone. Burning in this fashion allows heat to drive off the volatile gases, and turbulence created increases the burn efficiency. There will have to be some experimenting with the individual setup as no two chimney’s or installations are going to be the same.
Just remember to allow enough air to enter the firebox and keep the stove pipe damper open so that volatiles are properly burned. Before refueling, take the time to break up the cone a little with a poker, especially if it has caked over or formed a crust. But, be careful not to mix the coal as this increases the chances of forming clinkers.
When shaking the grate(s) be gentle. Just a few short movements – a couple of”cranks” – is better than a lot of agitation. The objective is to remove a small amount of the ashes without disturbing the fire. Stop when you see a glow in the ashes or the first red coals fall into the ash pan. Excessive shaking wastes fuel and can expose the grate(s) to very high temperatures which can cause warpage or burnout.
For overnight operation (long duration burn time) shake the fire and add coal, retaining the center cone. Once the volatiles are burned off, close the feed door and adjust the stove pipe damper, if equipped. Then adjust the thermostat to the desired heat level.
More MAINTENANCE will be needed with bituminous coal than with anthracite coal as more soot will collect on heating surfaces and in pipes, requiring more frequent cleaning.
ANTHRACITE:
Add a thin layer of coal (preferably smaller chunks) to the wood fire, being careful not to disturb it too much or cut off the draft. Then, add a second heavier layer after the coal is ignited and burning well. If necessary, add a third layer to bring the coal up to the top of the front liner (not above!). Be sure to close the ash door. Before adding further fuel, be sure to leave a red spot of glowing coals in the center of the firebox to ensure that
the fire has not been smothered and to help ignite the gases given off by the new charge. A deep charge will give a more even heat and a longer fire, but it may take one to two hours before the whole bed is fully ignited.
RC454 A Guide To Burning Coal In Your Furnace
When the fire is well established and the room is becoming warm, partially close the dampers. Some experimenting will have to take place with each particular setting of all dampers and controls as the chimney provides the draft necessary to not only exhaust the smoke, but to pull combustion air into the heater as well – and no two chimney’s perform the same. Under ideal draft conditions, one should be able to turn the secondary air supply below the feed door (some models) to a near closed position – but leave the ash pit damper at least partially open to prevent the fire from going out. Adjust the stove pipe damper to reduce the draft on the fire. With anthracite there will be short blue flames above the coal, except when the fire is started or a new charge is added. If, however, there is no flame then the fire needs more air from the bottom (unless it is near the end of its burn cycle and needs to be recharged).
Only when the coal is burned down to half its original depth it is time to add fresh coal. When doing so, open the stove pipe damper and turn the thermostat damper to high, which will allow the fire to burn off any accumulated gases. Open the feed door, and with a small rake, hoe, or hooked poker pull the glowing coals to the front of the firebox. Try not to disturb the fire too much. Next, add a fresh charge to the back being careful not to seal off the top. Close the feed door, but leave the spin damper (or thermostat) open for a few minutes until the volatile gases have burned off. It is not necessary to shake down the ashes each time you refuel the furnace. Experience will be your best teacher.
BANKING THE FIRE
BANKING THE FIRE
For extended operation, such as overnight, the fire will need to be banked. To do so heap coal up along the sides and back of the firebox so that the fire gradually burns it over a longer period of time. The intensity of the
fire will also be reduced without letting it go out. Follow the same procedure as for refueling. If possible, avoid shaking, as a heavier layer of ash will help reduce the intensity of the fire during this time. After loading, let the fire establish itself for about 30 minutes. Then close your damper and automatic control to the point where the house does not become too cold. It is important that you begin banking early enough before retiring or leaving that you can make necessary adjustments after the fire is well established. To revive a coal fire that is almost out,
- open the ash door and stove pipe damper and close the spin damper under the door to get a good draft through the grate.
- place a thin layer of dry coal over the entire top of the fire. DO NOT POKE OR SHAKE THE FIRE AT THIS TIME!
- after the fresh coal has become well ignited shake the grate (just a little), refuel.
DO NOT burn coke, charcoal, high volatile bituminous coal, sub bituminous, lignite or cannel coal (sometimes called channel coal or candle coal).
NEVER burn wax or chemically impregnated sawdust logs – their intended use is for fireplaces only.
NEVER fill the stove or furnace above the firebrick or cast iron liner.
Service Record
It is recommended that your heating system is serviced regularly and that the appropriate Service Interval Record is completed.
SERVICE PROVIDER
Before completing the appropriate Service Record below, please ensure you have carried out the service as described in the manufacturer’s instructions. Always use the manufacturer’s specified spare part when
replacement is necessary.
Service 01 Date: ____________________
Engineer Name: ________________________________
License No.: ____________________________________
Company: _____________________________________
Telephone No.: _________________________________
Stove Inspected: Chimney Swept:
Items Replaced: ________________________________
HOW TO ORDER REPAIR PARTS
THIS MANUAL WILL HELP YOU OBTAIN EFFICIENT, DEPENDABLE SERVICE FROM THE HEATER, AND ENABLE YOU TO ORDER REPAIR PARTS CORRECTLY.
KEEP IN A SAFE PLACE FOR FUTURE REFERENCE. WHEN WRITING, ALWAYS GIVE THE FULL MODEL NUMBER WHICH IS ON THE NAMEPLATE ATTACHED
TO THE BACK OF THE HEATER.
WHEN ORDERING REPAIR PARTS, ALWAYS GIVE THE
FOLLOWING INFORMATION AS SHOWN IN THIS LIST:
- The PART NUMBER _ ______________________________________
- The PART DESCRIPTION ___________________________________
- The MODEL NUMBER _____________________________________
- The SERIAL NUMBER ______________________________________




















