
Bristol 21” Pellet Grill
OWNER’S MANUAL
OPERATING IN STRUC TIONS
SAVE THIS MANUAL FOR FUTURE REFERENCE
Model SMK1021ASO
NOTICE TO INSTALLER: LEAVE THESE INSTRUCTIONS WITH THE GRILL OWNER FOR FUTURE REFERENCE.
WARNING
READ ALL INSTRUCTIONS BEFORE INSTALLATION AND USING THE APPLIANCE. FAILURE TO FOLLOW THESE INSTRUCTIONS COULD RESULT IN PROPERTY DAMAGE, BODILY INJURY, OR EVEN DEATH. CONTACT LOCAL BUILDING OR FIRE OFFICIALS ABOUT RESTRICTIONS AND INSTALLATION INSPECTION REQUIREMENTS IN YOUR AREA. SAVE THESE INSTRUCTIONS.
![]()
IMPORTANT SAFETY WARNINGS
WE WANT YOU TO ASSEMBLE AND USE YOUR GRILL AS SAFELY AS POSSIBLE.
THE PURPOSE OF THIS SAFETY ALERT SYMBOL![]()
IS TO ATTRACT YOUR ATTENTION TO POSSIBLE HAZARDS AS YOU ASSEMBLE AND USE YOUR GRILL & SMOKER.
WHEN YOU SEE THE SAFETY ALERT SYMBOL, PAY CLOSE ATTENTION TO THE INFORMATION WHICH FOLLOWS!
READ ALL SAFETY WARNINGS AND INSTRUCTIONS CAREFULLY
BEFORE ASSEMBLING AND OPERATING YOUR GRILL & SMOKER.
WARNING
Do NOT use in humid or wet conditions
WARNING
- Improper installation, adjustment, service, or maintenance can cause injury or property damage.
- Read all instructions and guidelines carefully and thoroughly before installation, use, or service.
- Failure to follow these instructions could result in fire or electrical shock.
DANGER
NOT for use in or on boats or recreation vehicles.
DANGER
![]()
- Do not store or use gasoline, liquid propane, or any other flammable vapors or liquids in the vicinity of this appliance.
A MAJOR CAUSE OF FIRES IS FAILURE TO MAINTAIN REQUIRED CLEARANCES (AIR SPACES TO COMBUSTIBLE MATERIALS). IT IS OF UTMOST IMPORTANCE THAT THIS PRODUCT BE INSTALLED ONLY IN ACCORDANCE WITH THESE INSTRUCTIONS.
DANGER: Indicates an imminently hazardous situation that, if not avoided, will result in death or serious injury.
WARNING: Be alert to the possibility of serious bodily injury if the instructions are not followed. Be sure to read and carefully follow all of the messages.
CAUTION: Indicates a potentially hazardous situation that, if not avoided, may result in minor or moderate injury.
CALIFORNIA PROPOSITION 65 WARNING
WARNING: This product can expose you to chemicals, including carbon monoxide, which is known to the State of California to cause birth defects or other reproductive harm.
For more information go to www.P65Warnings.ca.gov
WARNING: CONTAINS LEAD. MAY BE HARMFUL IF EATEN OR CHEWED. COMPLIES WITH FEDERAL STANDARDS. KEEP OUT OF REACH OF CHILDREN.
GENERAL WARNINGS:
WARNING
When using electric appliances, basic safety precautions should always be followed including the following:
- Operate only per manufacturers instructions.
- Keep all combustible materials at least 60 inches (152.4 cm) away from the grill at all times. Do not use this grill under an overhang or near any combustible structures.
- Minimum clearance from side and back of the unit to combustible materials, 60 inches (152.4 cm) from the side and 60 inches (152.4 cm) from the back.
- DO NOT use wood decks. Set up this grill on a hard, non-combustible smooth level surface.
- Do not block ventilation and air circulation areas insides, back or cart compartments of the grill.
- In case of fire, turn the control “OFF”. Unplug the grill from the power source and allow the fire to burn out on its own. Do not use water to try to extinguish a fire.
- Keep a fire extinguisher on hand acceptable for use with electric products. Refer to your local authority to determine the proper size and type.
- Creosote – Formation, and need for removal. When wood pellets are burned slowly, they produce tar and other organic vapors that combine with expelled moisture to form creosote. The creosote vapors condense in a relatively cool oven fl u and exhaust hood of a slow-burning fire. As a result, creosote residue accumulates on the flue lining and exhaust hood. When ignited, this creosote makes an extremely hot fire.
- The grease duct should be inspected at least twice a year to determine when the grease and/or creosote buildup has occurred.
- When grease or creosote has accumulated, it should be removed to reduce the risk of fire.
- Do not attempt to touch cooking surfaces or other hot surfaces. Use handles or knobs.
- To protect against electric shock, do not immerse cords, plugs, or heating elements in water or any other liquids.
- Never leave the appliance unattended. Hot while in operation. Keep children, clothing, and furniture away. Contact may cause burns.
- Unplug this grill from the power source when not in use and before cleaning. Allow the appliance to cool down before attempting to clean or service.
- Do not operate any appliance with a damaged power cord or plug, or after the appliance has malfunctioned or been damaged in any manner.
- Do not use accessories not specified for use with this appliance.
- Remove pots and pans while the operating appliance is unattended, to reduce the risk of fire.
- Do not place a power cord where it may come in contact with hot surfaces, or pose a tripping hazard.
- Do not use this appliance for anything other than its intended use.
- NEVER add cooking pellets to a hot fi re pot by hand. You could be seriously burned. If the hopper runs out of pellets or your fire goes out while cooking, let the grill completely cool and follow the Initial Lighting Instructions.
- Use only cooking grade wood pellets. Never use heating-grade wood pellets as they are not safe for cooking.
- Always store wood pellets away from heat and in a dry location.
- NEVER use gasoline, gasoline-type lantern fuel, kerosene, charcoal lighter fluid, or similar liquids to start or “freshen up” a fire in this appliance. Keep all such liquids well away from the appliance when in use.
- This grill is not for use indoors. Do not use inside a building, garage, or any other enclosed area.
- This product is not designed for commercial use.
- This product is not designed for tabletop use. Do not set this product on a tabletop.
- Do not cover cooking grates with aluminum foil. If you cover the heat tents with foil, do not block the openings between heat plates and grill bodies.
- Do not block the exhaust on the back of the lid.
- Outdoor extension cords must be used with outdoor use products and are marked with suffix “W” and with the statement “Suitable for Use with Outdoor Appliances.”
- Only use a properly-grounded power source.
- Use only with a properly-grounded GFI (Ground Fault Interrupter) household circuit.
- Do not operate this product in rain or wet conditions. Do not allow this product to come in contact with water. Set this product up more than 10’ from any large body of water (swimming pool, lake, pond, etc).
- CAUTION – To reduce the risk of electric shock, keep the extension cord connection dry and off the ground.
- Never alter or remove the grounding plugs on the power cord or household outlet.
- Disconnect the electric cord from outlet before cleaning.
- Keep the appliance clean. See Proper Care and Maintenance section for cleaning.
- Do not operate this grill while under the influence of drugs, alcohol, or while fatigued.
- Do not use in the presence of explosive or flammable gases, vapor, or other substances.
- Do not use this grill unless it is completely assembled and all parts are securely fastened and tightened.
- Use only identical replacement parts.
- Do not use this product in high winds.
- Do not attempt to move this appliance while it is in use.
- Always open the grill hood carefully – heat and steam trapped inside the hood can burn.
- Do not use this product for indoor heating, as toxic fumes will accumulate.
- After a period of storage, inspect the grill for abrasion, wear, cuts, or damage to the temperature controller and power cord.
- Always use a meat thermometer to ensure food is cooked to a safe temperature.
- Keep the grill covered when not in use – out of the reach of children. Do not clean this product with a water spray or the like.
- Unplug from outlet when not in use and before cleaning. Allow cooling before putting on or taking off parts.
- Do not operate any appliance with a damaged cord or plug or after the appliance malfunctions or is dropped or damaged in any manner.
Follow these guidelines to prevent this colorless, odorless gas from poisoning you, your family, or others.
- Know the symptoms of carbon monoxide poisoning; headache, dizziness, weakness, nausea, vomiting, sleepiness, and confusion. Carbon monoxide reduces the blood’s ability to carry oxygen. Low blood oxygen levels can result in loss of consciousness and death.
- See a doctor if you or others develop cold or flu-like symptoms while cooking or in the vicinity of this appliance. Carbon monoxide poisoning, which can easily be mistaken for a cold or flu, is often detected too late.
- Alcohol consumption and drug use increase the effects of carbon monoxide poisoning.
- Carbon monoxide is especially toxic to mother and child during pregnancy, infants, the elderly, grills, and people with blood or circulatory system problems, such as anemia or heart disease.
USE CAUTION AND COMMON SENSE WHEN OPERATING YOUR PELLET GRILL & SMOKER. FAILURE TO ADHERE TO THE SAFETY WARNINGS AND GUIDELINES IN THIS MANUAL COULD RESULT IN SEVERE BODILY INJURY OR PROPERTY DAMAGE. SAVE THIS MANUAL FOR FUTURE REFERENCE.
OPERATING THE GRILL:
WARNING
Read and follow all warnings and instructions contained in the preceding sections of this manual.
BREAKING IN YOUR GRILL:
- In manufacturing and preserving the components of your grill, oil residue may be present on the cooking surfaces of your grill.
- Before cooking on your grill for the first time you should follow “Initial Lighting Instructions” to ensure the auger is fully charged with pellets.
PREHEATING GRILL:
- Prior to use, it is recommended that you preheat your grill. This ensures that the cooking grates are at the desired temperatures to sear the food sugars when cooking. Preheat the grill for 15 to 20 minutes or until it reaches the desired temperature before adding food. Close the lid during the preheat period.
- For searing, allow the controller to reach 500°F and then wait an additional 15 minutes for the cooking grates and ceramic insert to fully heat up.
WARNING
- DO NOT leave your grill unattended while in use.
- DO NOT move the grill when in use. Lock wheels in place to stabilize the grill.
- DO NOT use water to extinguish flare-ups.
IF AN EXTENSION CORD IS NECESSARY:
- Use a CSA or UL-approved 3-prong grounded extension cord that is rated for at least 7-10 Amp and is marked as suitable for outdoor use.
- Keep the power cord connection dry and off of the ground.
- Avoid running the power or extension cord across walkways, driveways, or anywhere where it could pose a tripping hazard.
TURNING ON THE GRILL:
Initial Lighting Instructions (To be used on initial firing or anytime the grill runs out of pellets)
Always allow the auger tube to fully load with pellets to ensure proper lighting of the grill.
Step 1 Open hood to cooking chamber and remove cooking grates, heat plate, and heat baffle from inside the grill. Leave the hood open.
Step 2 Make sure the temperature control knob is “OFF”. Plug power cord into a GFI (grounded) outdoor electrical outlet. When connecting, first connect the plug to the outdoor cooking gas appliance then plug the appliance into the outlet; Use only a Ground Fault Interrupter (GFI) protected circuit with this outdoor cooking gas appliance; Never remove the grounding plug or use with an adapter of 2 prongs; and Use only extension cords with a 3 prong grounding plug, rated for the power of the equipment, and approved for outdoor use with a W-A marking.
Step 3 Open the pellet hopper lid. Make sure the auger is free from debris and other objects. Turn the temperature control knob to 200°F.
Step 4 In the cooking chamber, place your hand about 3” above the fi re pot and make sure you can feel air blowing out from the firepot.
Step 5 Look inside the fi re pot and make sure the ignitor is getting hot.
It will take a couple of minutes for the ignitor to glow red. DO NOT TOUCH THE IGNITOR! Turn the temperature control knob to “OFF”.
Step 6 Fill the pellet hopper with cooking pellets. NEVER USE HEATING FUEL PELLETS AS THEY ARE NOT SAFE FOR COOKING.
Step 7 Turn the temperature control knob to 200°F.
NOTE: During the initial loading of the auger tube, it will take approximately 2 minutes for the pellets to move from the pellet hopper to the firepot
Step 8 When the pellets start falling into the fi re pot, turn the temperature control knob to “OFF”.
Step 9 Replace heat baffle, heat plate, and cooking grates into the cooking chamber.
Step 10 Keep the cooking chamber lid open. Turn the temperature control knob to 200°F. You should see smoke coming out of the cooking chamber as the pellets ignite in about 2 to 4 minutes.
NOTE: The ignitor will stay on for the first 8 minutes and then turn off.
Step 11 Close the cooking chamber lid and set the temperature control knob to the desired setting. See note below for the curing process.
NOTE: Curing the grill is highly recommended before first use. Close the cooking chamber lid and set the temperature control knob to 400°F and allow the grill to cure for 45 minutes. This will burn off any oil or paint residue inside the cooking chamber before cooking for the first time.
![]() | ![]() | ![]() |
SUBSEQUENT LIGHTING INSTRUCTIONS:
Step 1 Open the pellet hopper lid and check the pellet level. Add more pellets if necessary.
WARNING: NEVER add cooking pellets to a hot fi re pot by hand. You could be seriously burned.
Step 2 Open cooking chamber lid and turn temperature control knob to 200°F. You should see smoke coming out of the cooking chamber as the pellets ignite in about 2 to 4 minutes.
NOTE: Always start the grill at 200°F. setting with the cooking chamber lid open.
Step 3 Close the cooking chamber lid and set the temperature control knob to the desired setting. For best results, preheat the grill for 15 to 20 minutes with the lid closed before placing food in the grill.
Follow these steps If the grill does not ignite or if the fire in the fi re pot goes out while cooking:
Step 1 Turn the temperature control knob to “OFF” and unplug. Open cooking chamber lid and remove all food, cooking grates, grease tray and heat baffle plate.
CAUTION: Some parts may contain sharp edges. Wear protective gloves if necessary.
WARNING: Always use oven mitts/gloves to protect your hands. Metal parts become hot during use. Use extreme caution when handling cooking grates, grease tray, and baffle.
Step 2 Open Ash Clean-out to remove all pellets and ash from the fi re pot. Close ash clean-out.
Step 3 Restart the grill and check that the ignitor is working. The ignitor should turn red after 2 minutes and pellets should be falling into the fi repot from the auger tube.
Step 4 Wearing oven mitts/gloves, replace the baffle, grease tray, and cooking grates.
Step 5 Preheat the grill for 10 to 15 minutes with the lid closed before placing food back in the grill.
If this procedure is not successful, see the Trouble Shooting section in your owner’s manual.
MANUAL START-UP PROCEDURE (To be used if the ignitor is not working properly):
Step 1 Ensure the control knob is in the “OFF” position. Plug the power cord into a grounded power source.
Step 2 Check fi re pot to ensure there is no obstruction for proper ignition. Fill pellet hopper with cooking grade pellets.
Step 3 Open the hood. Remove the cooking grates, heat plate, and heat baffle to expose the fi re pot.
Place a small handful of pellets into the fi re pot. Squirt a gelled fi restarter, or another appropriate pellet starter, over the top of the pellets. A small amount of solid fuel fi restarter, such as those composed of sawdust and wax, or wood shavings, is also recommended. Add another small handful of pellets in the fi re pot.
NOTE: Do not use gasoline, lighter fluid, kerosene, or petrol for lighting a fire in your grill
Step 4 Light the contents of the fi repot using a long match or a long lighter. Allow the starter to burn for 3 to 5 minutes. Do not attempt to add more starters into the fi re pot as this can cause injury.
Step 5 Quickly and carefully replace the heat baffle, heat plate, and cooking grates. Continue on from step 2 of the “Subsequent Lighting Instructions.”
TURNING OFF THE GRILL:
- Turn the temperature control knob to “OFF”. An auto cool down feature will keep the fan running for 12 minutes. If you don’t allow the grill to run the cool down feature it can cause a fi re in the fi re pot and catch the pellet hopper on fi re.
- Unplug the power cord from the wall outlet.
WARNING: NEVER add cooking pellets to a hot fi re pot by hand. You could be seriously burned. If the hopper runs out of pellets or your fire goes out while cooking, let the grill completely cool and follow the Initial Lighting Instructions.
COOKING:
- Set temperature controller to the desired level and allow the temperature to be reached.
- Place food on the cooking grill.
- With the hood closed, cook until desired internal temperature is reached.
- Use caution when removing food from Pellet Grill. All surfaces are HOT and may cause burns. Use protective gloves or long, sturdy cooking tools to remove food.
- This grill is HOT while in use and will remain HOT for a period of time afterward. Use caution.
- Pellet grills do not provide smoke 100% of the time. Even though you don’t see smoke you are still getting the smoke flavor.
OPERATING TIPS:
- Your Pellet Grill should never be moved while it is hot. If you are transporting your grill in a vehicle after cooking on it, make sure the fire is completely out and the grill is cold before placing it in any vehicle.
NEVER put water into the fi re pot. It will jam the auger and can damage the ignitor. - The Pellet Grill is designed to operate with the lid closed.
- Make sure the heat baffle is properly seated on its locating brackets. The opening of the heat baffle should be pointing left over the fi re pot. If not seated properly, direct heat and flame could come up out of the fi re pot and cause a grease fire or grill damage.
- The temperature readout is approximate and can be affected by the following factors: outside ambient temperature, the amount and direction of the wind, the quality of pellet fuel being used, the lid being opened, and the quantity of food.
- When selecting a temperature setting, the auger will feed pellets for several minutes. This will momentarily raise the temperature, but the temperature will decrease and stabilize after 10-15 minutes.
- The auger will not run 100% of the time, it cycles on and off depending on the temperature setting.
- Hot weather can cause the temp to drop very slowly and make it more difficult to cook at lower settings.
- Pellets can hang up in the pellet hopper after cooking for a long period of time. It’s important to monitor the pellet level and mix the pellets by hand to ensure they flow into the auger.
- Ash Clean-Out:
Before each use, open ash clean-out to get rid of ash and burnt pellets.
1. Lift Ash Clean-Out Handle Lock
2. Pull Ash Clean-Out Handle to open ash door.
Note: Make sure Ash Cup is in place before emptying ash.
- Pellet Hopper Clean-Out:
If the grill will be left unattended for a long period of time, we recommend you remove unused pellets. Always store wood pellets away from heat
and in a dry location.
1. Lift Clean-Out Handle Lock
2. Open Hopper Clean-Out door.
Note: Make sure to hold a pail or bag in place before emptying pellets.
- Meat Probes:
Plug the meat probe into the pellet control panel as shown. You can read the temperature of Probe 1 at the bottom of the display screen.
Example: “P1:86” — means Probe 1’s temperature is 86 degrees Fahrenheit.
- Bluetooth App:
1. Your grill is Bluetooth capable.
2. This Bluetooth app allows you to monitor the internal grill temperature as well as two meat probe temperatures.
3. The Bluetooth range is around 120 ft and can vary with obstructions such as interior and exterior walls.

COOK MODE:
- The temperature dial can be changed at any time to increase or decrease the cooking temperature of the grill.
- The 200°F to 300°F temperature settings are for slow cooking/smoking.
- The 325°F to 450°F temperature settings are for grilling.
- The “SEAR” temperature setting is for searing.
- Adjust the control knob to the desired temperature. The selected temperature will be in the bottom left-hand corner of the digital display.
ERROR CODES:
- “ErP” – Error Power will occur when the grill is plugged into the power outlet and the temperature control knob is not in the “OFF” position. It will also appear if power is lost during cooking.

- “ErH” – High Temp Limit indicates that the temperature in the cooking chamber has exceeded 775°F.

- “ErL” – Low Temp Limit indicates that the temperature in the cooking chamber is below 160°F.

- “Err” – Thermocouples may be unhooked or damaged.

- “Er1” – The temperature measured by the on-board temperature sensor of the main control board has exceeded maximum working temperature (158°F)

- “IGNITOR ON” – 1. Startup
2. The temperature is below 120*F in the cooking chamber.
3. When falling the temperature is less than 15% of the set temperature.

PROPER CARE & MAINTENANCE:
- Remove wood pellets from the hopper if the grill will not be used for a long period of time. Wood pellets can become soggy due to moisture/humidity and can cause the auger to bind up or not push pellets to the burn chamber.
- Disposal of ashes – Ashes should be placed in a metal container with a tight-fitting lid. The closed container of ashes should be placed on a non-combustible floor or on the ground, well away from all combustible materials, pending final disposal. When the ashes are disposed of by burial in soil or otherwise locally dispersed, they should be retained in the closed container until all cinders have thoroughly cooled.
- It’s important to keep your grill always covered when not in use to avoid rain getting inside the grill and damaging the grill and/or causing excessive corrosion. The grill and pellets must be kept dry in order to function properly.
- Wash cooking grates and heat distribution plate with hot, soapy water, rinse well, and dry. Lightly coat the cooking grill with vegetable oil or vegetable oil spray.
- Clean inside and outside of the grill by wiping off with a damp cloth. Apply a light coat of vegetable oil or vegetable oil spray to the interior surface to prevent rusting.
- Never apply paint to the interior surface. Rust spots on the interior surface can be buffed, cleaned, he lightly coated with vegetable oil or vegetable oil spray to minimize rusting.
- Depending on use, periodically remove the cooking grates, grease tray, and heat distribution plate to clean the ash from in and around the fi re pot. Make sure the grill is cold before starting this procedure.
HELPFUL HINTS:
- If you pre-cook meat or poultry, do so immediately before grilling.
- Never defrost meat at room temperature or on a countertop.
- Refrigerate leftovers within 2 hours of taking food off the grill.
- For additional information, please phone the USDA’s toll-free Meat & Poultry Hotline at 800-535-555.
CLEANING AND MAINTENANCE:
- Keep the appliance free and clear of combustible materials, gasoline, and other flammable vapors and liquids.
- For safe grilling and peak performance of your grill, perform these checks at least twice per year or after extended periods of storage.
- Be sure to tighten up all hardware (nuts, bolts, screws, etc.) at least twice per year.
CAUTION: Some parts may contain sharp edges. Wear protective gloves if necessary. - Remove the cooking grates, from inside your grill. Use a brush with hot water and detergent to remove excess residue. NEVER use a commercial oven cleaner. Rinse completely with water.
Towel dry and replace all components as described in the assembly instructions.
TRANSPORTING AND STORAGE:
WARNING
- Never move a grill when it is hot or when objects are on the cooking surfaces.
- Never store flammable liquids or spray canisters under or near the grill.
- DO NOT extinguish grease fires using water.
BEFORE STORING YOUR GRILL:
- Clean all surfaces.
- If storing the grill outdoors, close the wood pellet lid and cover the grill with a cover for protection from the weather.
- If the grill is stored outside during the rainy season, care should be taken to ensure that water does not get into the pellet hopper. Wood pellets, when wet, expand greatly and will jam your auger.
GRILL COOKING TIPS:
CLEANLINESS:
- Always wash hands thoroughly with soap and hot water prior to handling food and after handling raw meat, uncooked poultry or seafood.
- When using a platter to carry raw meat, uncooked poultry, or seafood to the grill, make sure to wash the platter thoroughly with soap and hot water before placing cooked foods back on the platter or use different platters for raw and cooked foods.
- Never use the same utensils when handling raw meat, uncooked poultry, or seafood unless you wash the utensils thoroughly with soap and hot water.
- Never re-use marinade from raw meat or uncooked poultry on foods that have been cooked and are ready to be served.
GRILLING TO PROPER TEMPERATURE:
- Use a meat thermometer to be sure food has reached a safe internal temperature.
- The US Department of Agriculture recommends the minimum temperature be reached for the following food items:
| Chops. | 145 degrees F (62.8° C) |
| Ground Meat | 160 degrees F (71° C) |
| Pork. | 145 degrees F (62.8° C) |
| Poultry | 165 degrees F (73.9° C) |
| Roasts | 145 degrees F (62.8° C) |
| Seafood | 145 degrees F (62.8° C) |
| Vegetables | 145 degrees F (62.8° C) |
TROUBLESHOOTING:
| PROBLEM | CAUSE | CORRECTION |
| LCD screen will not light up |
|
|
| Grill is not getting hot enough |
|
|
| Pellets will not light |
|
|
| Grill is getting too hot |
|
|
| Smoke comes out of the pellet hopper |
|
|
| Temperature fluctuations |
| |
For more information, please visit us at www.cuisinart.com
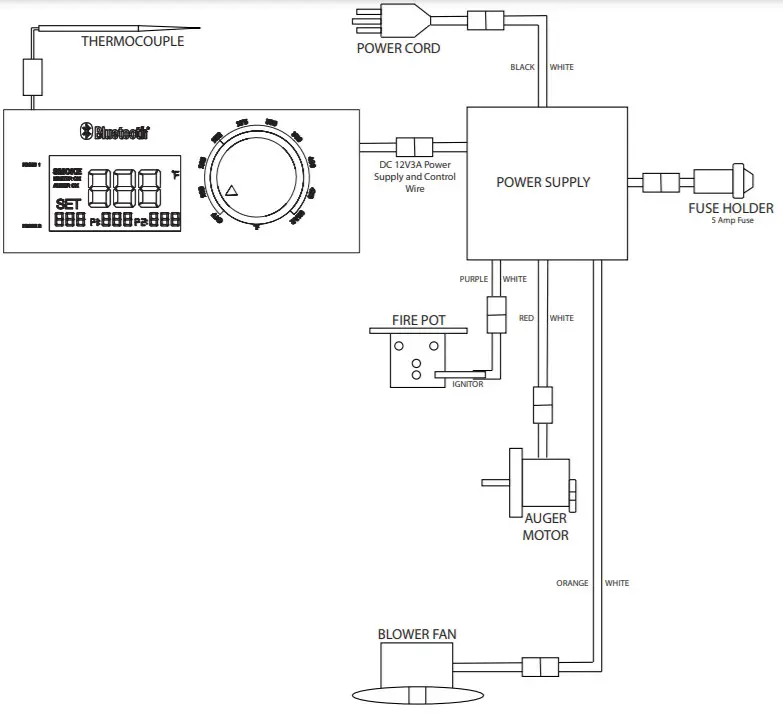
WIRING DIAGRAM:

IC: 25523-0356
FCC ID: 2AURUJINHENG
The device complies with part 15 of the FCC Rules.
Operation is subject to the following two conditions:
- This device may not cause harmful interference, and
- this device must accept any interference received, including interference that may cause any undesired operation.
FCC Warning
Warning: Changes or modifications to this smoker not expressly approved by the party responsible for compliance could void the user’s authority to operate the equipment.
FCC Statement
This equipment has been tested and found to comply with the limits for a Class B digital device, pursuant to Part 15 of the FCC Rules. These limits are designed to provide reasonable protection against harmful interference in a residential installation. This equipment generates, uses, and can radiate radio frequency energy and, if not installed and used in accordance with the instructions, may cause harmful interference to radio communications.
However, there is no guarantee that interference will not occur in a particular installation. If this equipment does cause harmful interference to radio or television reception, which can be determined by turning the equipment off and on, the user is encouraged to try to correct the interference by one of the following measures:
- Reorient or relocate the receiving antenna.
- Increase the separation between the equipment and receiver.
- Connect the equipment into an outlet on a circuit different from that to which the receiver is connected.
- Consult the dealer or an experienced radio/TV technician for help.
The Bluetooth word mark and logos are registered trademarks owned by Bluetooth SIG, Inc., and any use of such marks by the Jordan Kahn Co., Inc. is under license. Other trademarks and trade names are those of their respective owners.
WARRANTY
PROOF OF PURCHASE is required to access this warranty program, which is in eff ect from the date of purchase.
Customers will be subject to parts, shipping, and handling fees if unable to provide proof of the purchase or after the warranty has expired.
If you have any questions or problems, you can call our customer service department at 1-866-212-3150 from 9:00 am to 5:00 pm Eastern time, Monday through Friday for assistance.
This limited warranty applies to the functionality of the product ONLY and does not cover cosmetic issues such as scratches, dents, corrosion or discoloring by heat, abrasive and chemical cleaners or any tools used in the assembly or installation of the appliance, surface rust, or the discoloration of stainless steel surfaces. Paint is not warranted and will require a touch-up. RUST is not considered a manufacturing or materials defect.
This limited warranty will not reimburse you for the cost of any inconvenience, food, personal injury, or property damage.
LIMITED WARRANTY
All parts warrantied 3-years from the date of purchase.
WARRANTY PROVISIONS
This warranty is non-transferable and does not cover failures due to misuse or improper installation or maintenance.
This warranty is for the replacement of defective parts only, We are not responsible for incidental or consequential damages or labor costs.
This warranty does not cover corrosion or discoloration after the grill is used, or lack of maintenance, hostile environments, accidents, alterations, abuse, or neglect.
This warranty does not cover damage caused by heat, abrasive and chemical cleaners, or any damage to other components used in the installation or operation of the gas grill.
Paint is not warranted and may require a touch-up. Items considered to be consumables such as batteries are not covered under this warranty.
DISCLAIMER OF IMPLIED WARRANTIES; LIMITATION OF REMEDIES
Repair or replacement of defective parts is your exclusive remedy under the terms of this limited warranty.
The manufacturer will not be responsible for any consequential or incidental damages caused by weather. This limited warranty or any applicable implied warranty, or for the failure or damage resulting from acts of God, improper care and maintenance, grease fi re, accident, alteration, replacement of parts by anyone other than the manufacturer, misuse, transportation, commercial use, hostile environments (inclement weather, act of nature, animal tampering),
improper installation not in accordance with local codes or printed manufacturer instructions.
For replacement parts, call our customer service department at 1-866-212-3150 from 9:00 am to 5:00 pm Eastern time, Monday through Friday for assistance.
Owner’s Manual for Models
SMK1021ASO
©2020 The Boltz Group LLC.
Carrollton, Texas 75006 U.S.A.
OM1021ASO
0920












![Cuisinart Woodcreek 4-in-1 Pellet Grill [smk0036as, Smk0036aso] User Manual Cuisinart Woodcreek 4-in-1 Pellet Grill [smk0036as, Smk0036aso] User Manual](https://static-data1.manualsee.com/1/img/366/18083/2020/12/Google-play-store-download.png)
![Cuisinart Woodcreek 4-in-1 Pellet Grill [smk0036as, Smk0036aso] Instruction Manual Cuisinart Woodcreek 4-in-1 Pellet Grill [smk0036as, Smk0036aso] Instruction Manual](https://static-data1.manualsee.com/1/img/367/18084/2020/12/Cuisinart-Woodcreek-4-in-1-Pellet-Grill-SMK0036AS-SMK0036ASO-featured-1568x766.png)













![Cuisinart Deluxe Two Burner Gas Grill [gas0256as, Gas0256aso] User Manual Cuisinart Deluxe Two Burner Gas Grill [gas0256as, Gas0256aso] User Manual](https://static-data1.manualsee.com/1/img/348/18043/2020/12/Cuisinart-Deluxe-Two-Burner-Gas-Grill-GAS0256AS-GAS0256ASO-.png)


