SCHMERSAL AZM40 Solenoid Interlock

About this document
Function
This operating instructions manual provides all the information you need for the mounting, set-up and commissioning to ensure the safe operation and disassembly of the safety switchgear. The operating instructions must be available in a legible condition and a complete version in the vicinity of the device.
Target group: authorised qualified personnel
All operations described in this operating instructions manual must
be carried out by trained specialist personnel, authorised by the plant operator only.
Please make sure that you have read and understood these operating instructions and that you know all applicable legislations regarding occupational safety and accident prevention prior to installation and putting the component into operation.
The machine builder must carefully select the harmonised standards to be complied with as well as other technical specifications for the selection, mounting and integration of the components
Appropriate use
The products described in these operating instructions are developed to execute safety-related functions as part of an entire plant or machine. It is the responsibility of the manufacturer of a machine or plant to ensure the correct functionality of the entire machine or plant.
The safety switchgear must be exclusively used in accordance with the versions listed below or for the applications authorised by the manufacturer. Detailed information regarding the range of applications can be found in the chapter “Product description”.
General safety instructions
The user must observe the safety instructions in this operating instructions manual, the country specific installation standards as well as all prevailing safety regulations and accident prevention rules.
NOTE:
Further technical information can be found in the Schmersal catalogues or in the online catalogue on the Internet: products.schmersal.com.
Operating instructions Solenoid interlock
The information contained in this operating instructions manual is provided without liability and is subject to technical modifications. There are no residual risks, provided that the safety instructions as well as the instructions regarding mounting, commissioning, operation and maintenance are observed.
Warning about misuse
WARNING
In case of improper use or manipulation of the safety switchgear, personal hazards or damages to machinery or plant components cannot be excluded. The relevant requirements of the standard EN ISO 14119 must be observed.
Exclusion of liability
We shall accept no liability for damages and malfunctions resulting from defective mounting or failure to comply with this operating instructions manual. The manufacturer shall accept no liability for damages resulting from the use of unauthorised spare parts or accessories.
For safety reasons, invasive work on the device as well as arbitrary repairs, conversions and modifications to the device are strictly forbidden, the manufacturer shall accept no liability for damages resulting from such invasive work, arbitrary repairs, conversions and/or modifications to the device.
Product description
Ordering code
| AZM40➀–➁-ST-1P2P-➂ | ||
| No. | Option | Description |
| ➀ | Z | Solenoid interlock monitored |
| B | Actuator monitored | |
| ➁ | Standard coding | |
| I1 | Individual coding | |
| I2 | Individual coding, re-teaching enabled | |
| ➂ | Counterbores for countersunk screws (standard) | |
| PH | Plan housing for protruding screws | |
Special versions
For special versions, which are not listed in the order code below 2.1, these specifications apply accordingly, provided that they correspond to the standard version.
Comprehensive quality insurance to 2006/42/EC
Schmersal is a certified company to appendix X of the Machinery Directive. As a result, Schmersal is entitled to autonomously conduct the conformity assessment procedure for the products listed in Appendix IV of the MD without involving a notified body. The prototype test certificates are available upon request or can be downloaded from the Internet at products.schmersal.com.
Purpose
The non-contact, electronic safety switchgear is designed for application in safety circuits and is used for monitoring the position and locking of movable safety guards.
The AZM40 interlock system is suitable for mounting on 40 mm profile systems, and thanks to 180° angle flexibility of the approaching actuator, is also suitable for rotating and sliding doors. The LEDs are visible from 3 sides.
NOTE:
The safety switchgears are classified according to EN ISO 14119 as type 4 interlocking devices. Designs with individual coding are classified as highly coded.
The different variants can be used as safety switch with interlocking function either as solenoid interlock.
WARNING:
The actuator monitoring variant (B) is a safety switch with an interlock function for process protection.
The safety function consists of safely switching off the safety outputs when the safety guard is opened and maintaining the safe switched off condition of the safety outputs for as long as the safety guard is open.
The AZM40 interlock system is a bistable system, which means that the interlock retains its last position in the event of power failure.
Series-wiring
Series-wiring can be set up. The reaction and risk times increase by up to 1.5 ms per additional device when connected in series. The number of components is only limited by the external cable or device protection according to the technical data and the line loss.
WARNING:
- The user must evaluate and design the safety chain in accordance with the relevant standards and the required safety level. If multiple safety sensors are involved in the same safety function, the PFH values of the individual components must be added.
- The entire concept of the control system, in which the safety component is integrated, must be validated to the relevant standards.
Technical data
- Standards: EN 60947-5-3, EN ISO 14119, EN ISO 13849-1, IEC 61508
- Enclosure: glass-fibre reinforced thermoplastic, self-extinguishing / Die cast light alloy
- Active principle: RFID
- Frequency band: 125 kHz
- Transmitter output: max. –6 dBm
- Coding level according to EN ISO 14119:
- I1-version: high
- I2-version: high
- Standard coding version: low
- Reaction time, switching off outputs Y1, Y2 via:
- Actuator: ≤ 100 ms
- Inputs X1, X2: ≤ 1.5 ms
- Duration of risk: ≤ 200 ms
- Time to readiness: ≤ 4 s
- Actuator: AZM40-B1, AZM40-B1-PH
- Series-wiring: Unlimited number of components, please observe external cable protection
- Length of the sensor chain: max. 30 m
Mechanical data - Connection: Connector plug M12, 8-pole, A-coded
- Fixing screws: 2 x M5 (8.8)
- Tightening torque of the fixing screws: ≥ 4 Nm
- Latching force: 25 N
- Holding force Fmax: 2,600 N
- Holding force FZh: 2,000 N
- Actuating speed: ≤ 0.5 m/s
- Mechanical life: 200,000 operations
Switching distances to EN 60947-5-3 - Assured switching distance sao: 1 mm
- Assured switch-off distance sar: 8 mm
Operating instructions
Solenoid interlock
Ambient conditions
- Ambient temperature: 0 °C … +55 °C
- Storage and transport temperature: −40 °C … +85 °C
- Relative humidity: max. 93 %, non-condensing, non-icing
- Degree of protection: IP65 / IP67 to EN 60529
- Installation altitude above sea level: max. 2,000 m
- Protection class: III
- Resistance to shock: 30 g / 11 ms
- Resistance to vibration: 10 … 55 Hz, amplitude 1 mm
- Insulation values to EN 60664-1:
– Rated insulation voltage Ui: 32 VDC
– Rated impulse withstand voltage Uimp: 0.8 kV
– Over-voltage category: III
– Degree of pollution: 3 - Switching frequency: ≤ 0.25 Hz
Electrical Data
- Rated operating voltage Ue: 24 VDC
- Operating voltage UB: 24 VDC –15% / +10% (stabilised PELV power supply)
- Rated operating current Ie: 1.2 A
- No-load supply current I0: < 0.1 A
- Operating current device with magnet switched on:
– Peak current: < 0.6 A / < 100 ms - Required rated short-circuit current: 100 A
- External wire and device fuse rating: 2 A gG
Electrical data – Safety inputs
- Safety inputs: X1 and X2
- Switching thresholds: − 3 V … 5 V (Low), 15 V … 30 V (High)
- Current consumption per input: ≤ 5 mA / 24 V
- Accepted test pulse duration on input signal: ≤ 1 ms
– With test pulse interval of: ≥ 100 ms - Classification: ZVEI CB24I
| Source: | C2 | Sink: | C1 | C2 |
Electrical data – Safety outputs
- Safety outputs: Y1 and Y2
- Switching elements: OSSD, p-type, short-circuit proof
- Utilisation category: DC-12, DC-13
– Rated operating voltage Ue: 24 VDC
– Rated operating current Ie: max. 0.25 A each - Leakage current Ir: ≤ 0.5 mA
- Voltage drop Ud: ≤ 2 V
- Cross-wire monitoring by device: yes
- Test pulse duration: ≤ 0.5 ms
- Test pulse interval: 1,000 ms
- Classification: ZVEI CB24I
| Sink: | C0 | Source: | C1 | C2 | C3 |
Electrical data – Diagnostic output
- Diagnostic output: OUT
Switching element: p-type, short-circuit proof - Utilisation category: DC-12, DC-13
– Rated operating voltage Ue: 24 VDC
– Rated operating current Ie: max. 0.05 A - Voltage drop Ud: ≤ 2 V
Electrical data – Magnet control
- Solenoid input: IN
- Switching thresholds: –3 V … 5 V (Low), 5 V … 30 V (High)
- Current consumption: ≤ 15 mA / 24 V
- Magnet switch-on time: 100 %
- Accepted test pulse duration on input signal: ≤ 5 ms
– With test pulse interval of: ≥ 40 ms - Classification: ZVEI CB24I
| Sink: | C0 | Source: | C1 | C2 | C3 |
LED switching conditions display
- Green LED: Supply voltage
- Yellow LED: Device condition
- Red LED: Fault
This device complies with part 15 of the FCC Rules and contains licence-exempt transmitter(s)/receiver(s) that comply with Innovation, Science and Economic Development Canada’s licence-exempt RSS(s):
Operation is subject to the following two conditions:
- This device may not cause harmful interference, and
- this device must accept any interference received, including interference that may cause undesired operation.
This device complies with the Nerve Stimulation Exposure Limits (ISED SPR-002) for direct touch operations. Changes or modifications not expressly approved by K.A. Schmersal GmbH & Co. KG could void the user‘s authority to operate the equipment
Safety classification of the interlocking function:
- Standards: EN ISO 13849-1, IEC 61508
- PL: up to e
- Control Category: 4
- PFH: 1.1 x 10-9 / h
- PFD: 8.9 x 10-5
- SIL: geeignet für Anwendungen in SIL 3
- Mission time: 20 Jahre
of the guard locking function: - Standards: EN ISO 13849-1, IEC 61508
- PL: up to d
- Control Category: 2
- PFH: 3.0 x 10-9 / h
- PFD: 2.4 x 10-4
- SIL: suitable for SIL 2 applications
- Mission time: 20 years
WARNING:
- The safety consideration of the guard locking function only applies for standard devices with monitored solenoid interlock AZM40Z-…-1P2P-… (see Ordering code).
- The actuation of the interlock must be compared with the external OSSD enabler. If a shut-down now occurs due to an unintentional unlocking this is detected by an external diagnostic.
- The safety analysis of the guard locking function refers to the component solenoid interlock AZM as part of the complete system.
On the customer side further measures such as safe actuation and safe cable installation to prevent faults are to be implemented.
In the event of a fault resulting in the unlocking of the guard locking, this is detected by the solenoid interlock and the safety gates Y1/Y2 switch off. When such a fault occurs the protection equipment may open immediately, just once, before the safe condition of the machine is reached. The system reaction of category 2 allows that a fault can occur between tests causing the loss of the safety function which is detected by the test.
Mounting
General mounting instructions
WARNING:
Please observe the relevant requirements of the standards EN ISO 12100, EN ISO 14119 and EN ISO 14120.
Any mounting position.
The solenoid interlock must not be used as an end stop.
For the correct fixing of the solenoid interlock, the device is provided with two mounting holes for M5 screws.
NOTE: The M5 screws should have at least the strength class 8.8. The minimum tightening torque of the M5 screws is 4 Nm.
WARNING:
- The locking bolt in the safety interlock is self-lubricating. This grease must not be removed.
- The accumulation of fine-grained dirt in the bolt area must be avoided. Consequently, we do not recommend installing the interlock in a position where the locking bolt is retracted upwards from below.
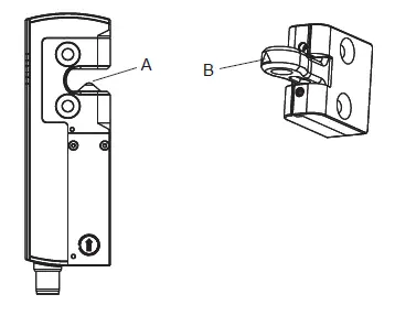
The actuator must be installed in such a way that it is pro-tected from damage by external influences. - The interlock with locking bolt (A) and actuator with triangular marking (B) must be installed in the same installation direction.
- The actuator must be permanently fitted to the safety guards and protected against displacement by suitable measures (tamperproof screws, gluing, drilling, pinning).
Authorized actuator and interlock offset
The AZM40 can be operated within the following tolerance limits:
- X-axis: ± 2 mm
- Y-axis: ± 1 mm
- Z-axis: ± 1.5 mm (actuator in centre position)
Adjustment
The two hexagon socket screws M4 can be used to adjust the actuator tongue in the X direction, using a hexagonal key wrench AF 2 mm.
Adjustment via hexagon socket screws M4
NOTE:
The hexagon socket screws must not be completely unscrewed.
Actuation directions
The actuator can be continuously inserted by 180°.
To avoid any interference inherent to this kind of system and any reduction of the switching distances, please observe the following guidelines:
- The presence of metal chips in the vicinity of the solenoid interlock is liable to modify the switching distance.
- Keep away from metal chips.
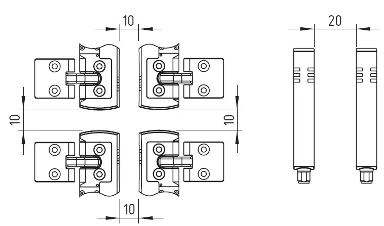
Minimum distance between AZM40 solenoid interlocks
Manual release
For the machine set-up and maintenance, the solenoid interlock can be unlocked in a de-energised condition. The safety interlock is released by turning the auxiliary release anti-clockwise. The normal locking function is only restored after the manual release has been returned to its original position.
Caution: Do not turn beyond the end stop!
A tool (recommended: slotted screwdriver 0.8 x 4 … 4.5 mm) is required to actuate the auxiliary release.
The manual release must be protected against accidental actuation after completing commissioning, e.g. by using the enclosed seal.
Key
- A: Connector plug M12, 8-pole
- B: LED indications
- C: Manual release (both sides)
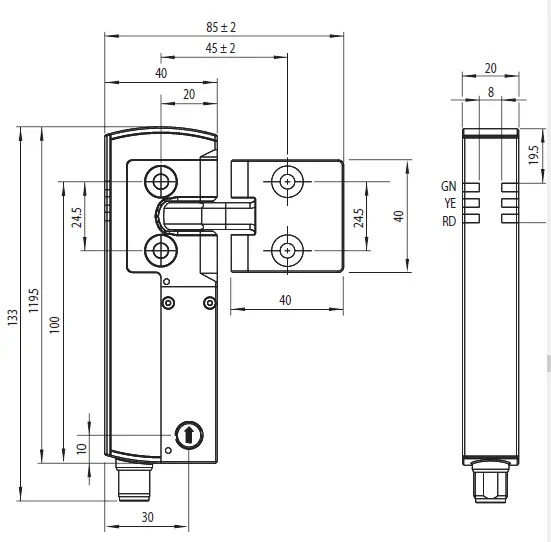
Dimensions
All measurements in mm. 
Electrical connection
General information for electrical connection
NOTE:
The electrical connection may only be carried out by authorised personnel in a de-energised condition.
The voltage inputs A1, X1, X2 and IN must have a protection against permanent overvoltage. supply units according to IEC 60204-1 is recommended. The required electrical cable and device fuse protection must be integrated in the installation.
The safety outputs can be integrated in the safety circuit of the control system.
Requirements for the connected safety-monitoring module:
Dual-channel safety input, suitable for p-type semi-conductor outputs
NOTE:
If the safety switchgear is connected to electronic safety-monitoring modules, we recommend that you set a discrepancy time of min. 100 ms. The safety inputs of the safety-monitoring module must be able to blank a test impulse of approx. 1 ms. The safety-monitoring module does not need to have a cross-wire short monitoring function, if necessary, the cross-wire short monitoring function must be disabled.
NOTE:
Information for the selection of suitable safety-monitoring modules can be found in the Schmersal catalogues or in the online catalogue on the Internet: products.schmersal.com.
Operating principle and actuator coding
Magnet control
The bistable interlock is release by operational setting of the IN signal (= 24 V). If the IN signal is not set (= 0 V), the safety interlock enters the locked state, provided that the correct actuator is inserted into the safety interlock.
Mode of operation of the safety outputs
In the standard AZM40Z variant, the unlocking of the solenoid interlock causes the safety outputs to be disabled. The unlocked safety guard can be relocked as long as the actuator is inserted in the AZM40Z solenoid interlock; in that case, the safety outputs are re-enabled.
The safety guard must not be opened.
In the AZM40B version, only the opening of the safety guard causes the safety outputs to be disabled.
If the safety outputs are already enabled, any error that does not immediately affect the functionality of the solenoid interlock (e.g. too high an ambient temperature, interference potential at the safety outputs, cross-wire short) will lead to a warning message, the disabling of the diagnostic output and the delayed shutdown of the safety outputs.
Safety outputs are disabled if the error warning is active for 30 minutes. The signal combination, diagnostic output disabled and safety channels still enabled, can be used to stop the production process in a controlled manner. After the rectification of the error, the error message is reset by opening the corresponding safety guard.
Actuator coding
Solenoid interlocks with standard coding are ready to use upon delivery.
Individually coded solenoid interlocks and actuators will require the following “teach-in” procedure:
- Switch the solenoid interlock’s voltage supply off and back on.
- Introduce the actuator in the detection range. The teach-in procedure is signalled at the solenoid interlock, green LED off, red LED on, yellow LED flashes (1 Hz).
- After 10 seconds, brief yellow cyclic flashes (3 Hz) request the switch-off of the operating voltage of the solenoid interlock. (If the voltage is not switched off within 5 minutes, the solenoid interlock cancels the “teach-in” procedure and signals a false actuator by 5 red flashes).
- After the operating voltage is switched back on, the actuator must be detected once more in order to activate the taught actuator code. In this way, the activated code is definitively saved!
For ordering suffix -I1, the thus executed allocation of safety switchgear and actuator is irreversible.
For ordering suffix -I2, the “teach-in” procedure for a new actuator can be repeated an unlimited number of times. When a new actuator is taught, the code, which was applicable until that moment, becomes invalid. Subsequent to that, an enabling inhibit will be active for ten minutes, thus providing for an increased protection against tampering. The green LED will flash until the expiration of the time of the enabling inhibit and the detection of the new actuator. In case of power failure during the lapse of time, the 10-minutes tampering protection time will restart.
Diagnostic function
Diagnostic-LEDs
The solenoid interlock signals the operating condition, as well as errors through 3-colour LEDs.
- green (Power) supply voltage on
- yellow (Status) operating condition
- red (Fault) Error (see table 2: Error messages / flash codes red diagnostic LED)
The green LED indicates that the safety sensor is ready for operation. The supply voltage is on and all safety inputs are present. Flashing (1 Hz) of the green LED signals that a voltage is missing on one or both of the safety inputs (X1 and/or X2).
| System condition | LED | ||
| Error in input circuit X1 and/or X2 | green | red | yellow |
| Door open and a door in the safety circuit upstream is also open | flashes (1 Hz) | off | off |
| Door closed and a door in the safety circuit upstream is open | flashes (1 Hz) | off | flashes |
| Door locked and a door in the safety circuit upstream is open | flashes (1 Hz) | off | on |
Diagnostic output
The short-circuit proof diagnostic output OUT can be used for central visualisation or control tasks, e.g. in a PLC.
The diagnostic output is not a safety-related output.
A fault has occurred, which causes the safety outputs to be disabled after 30 minutes (LED “fault” flashes, see Table 2). The safety outputs initially remain enabled. This signal combination, diagnostic output disabled and safety channels still enabled, can be used to stop the production process in a controlled manner. This is used for controlled shutdown of the process. An error warning is deleted when the cause of error is eliminated.
Errors, which no longer guarantee the function of the solenoid interlock (internal errors) cause the safety outputs to be disabled immediately. Any error that does not immediately affect the safe functionality of the solenoid interlock (e.g. excess ambient temperature, safety output to external potential, short circuit) will lead to a delayed shut-down (refer to table 2).
After fault rectification, the error message is reset by opening and re-closing the corresponding safety guard.
- Forced opening of the safety interlock is indicated by synchronous flashing of all LEDs.
- The safety interlock and actuator must be replaced.
- Behaviour of the diagnosis output using an actuator monitored interlock as an example
- Process, locking signal is applied after the door is closed

Table 1: Diagnostic information of the safety switchgear
| System condition | Magnet control IN (bistable) | LED | Safety outputs Y1, Y2 | Diagnostic output OUT | |||
| green | red | yellow | AZM40Z | AZM40B | |||
| Guard open | 24 V | on | off | off | 0 V | 0 V | 0 V |
| Door closed, not locked | 24 V | on | off | flashes | 0 V | 24 V | 24 V |
| Door closed, locking impossible | 0 V | on | flashes2) | flashes | 0 V | 24 V | 0 V |
| Door closed and locked | 0 V | on | off | on | 24 V | 24 V | 24 V |
| Error warning 1) | 0 V / 24 V | on | flashes2) | on / flashes | 24 V / 0 V | 24 V1) | 0 V |
| Error | 0 V / 24 V | on | flashes2) | on / flashes / off | 0 V | 0 V | 0 V |
| Error Mechanical overload | 0 V | flashes synchronously | flashes synchronously | flashes synchronously | 0 V | 0 V | 0 V |
| Error in input circuit X1 and/or X2 | 0 V / 24 V | flashes | off | see section on diagnosis LEDs | depending on system status | ||
| Pre-warning stage, service life (95% service life) | 0 V / 24 V | flashes synchronously | flashes synchronously | on / flashes / off | depending on system status | ||
| Maximum service life reached | 0 V / 24 V | flashes alternately | flashes alternately | off | 0 V | 0 V | 0 V |
| Additionally for variant I1/I2: | |||||||
| Teach-in procedure actuator started | 24 V | off | on | flashes | 0 V | 0 V | 0 V |
| Only I2: teach-in procedure actuator (release block) | 24 V | flashes | off | off | 0 V | 0 V | 0 V |
Table 2: Error messages / flash codes red diagnostic LED
| Flash codes (red) | Designation | Autonomous switch-off after | Error cause |
| 1 flash pulse | Error (warning) at output Y1 | 30 min | Fault in output test or voltage at output Y1, although the output is disabled. |
| 2 flash pulses | Error (warning) at output Y2 | 30 min | Fault in output test or voltage at output Y2, although the output is disabled. |
| 3 flash pulses | Error (warning) cross-wire short | 30 min | Cross-wire short between the output cables or fault at both outputs |
| 4 flash pulses | Error (warning) temperature too high | 30 min | The temperature measurement reveals an internal temperature that is too high |
| 5 flash pulses | Actuator fault | 0 min | Incorrect or defective actuator |
| 6 flash pulses | Internal error | 0 min | Error at control inputs |
| 7 flash pulses | Error, interlock actuator | 0 min | Lock/release blocked |
| 8 flash pulses | Error (warning) over/under voltage | 30 min | Supply voltage not within specifications |
| Continuous red signal | Internal error | 0 min | Device defective |
Set-up and maintenance
The safety function of the safety components must be tested. The following conditions must be previously checked and met:
- Check max. axial misalignment of actuator and solenoid interlock.
- Check max. angular misalignment (see “Mounting” part)
- Fitting and integrity of the cable connections.
Maintenance
In the case of correct installation and adequate use, the safety switchgear features maintenance-free functionality. A regular visual inspection and functional test, including the following steps, is recommended:
- Check for a secure installation of the actuator and the solenoid interlock
- Check max. offset of actuator unit and safety interlock as well as max. tilt/rotation angle and adjust hexagon socket screw M4, if necessary.
- Fitting and integrity of the cable connections.
- Check the switch enclosure for damages
- Remove soiling
WARNING:
Adequate measures must be taken to ensure protection against tampering either to prevent tampering of the safety guard, for instance by means of replacement actuators.
Damaged or defective components must be replaced.
WARNING: After reaching the service life of 200,000 cycles, the safety interlock can no longer be locked and must be replaced together with the actuator.
Disassembly and disposal
Disassembly
The safety switchgear must be disassembled in a de-energised condition only.
Disposal
The safety switchgear must be disposed of in an appropriate manner in accordance with the national prescriptions and legislations.
Appendix
Wiring examples
The application examples shown are suggestions. They however do not release the user from carefully checking whether the switchgear and its set-up are suitable for the individual application.
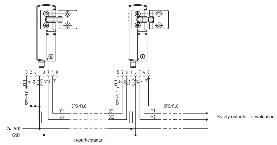
Wiring example: Series-wiring of the AZM40
The voltage is supplied at both safety inputs of the terminal safety component of the chain (considered from the safety-monitoring module). The safety outputs of the first safety component are wired to the safety-monitoring module.
Wiring configuration and connector accessories
| Funktion Sicherheitsschaltgerät | Pin configuration of the connector 6 5 4 7 3 1 8 2 | Colour codes of the Schmersal connectors | Poss. colour code of other commercially available connectors according to EN 60947-5-2 | ||
| With conventional diagnostic output | IP67 / IP69 to DIN 47100 | IP69 (PVC) | |||
| A1 | Ue | 1 | WH | BN | BN |
| X1 | Safety input 1 | 2 | BN | WH | WH |
| A2 | GND | 3 | GN | BU | BU |
| Y1 | Safety output 1 | 4 | YE | BK | BK |
| OUT | Diagnostic output | 5 | GY | GY | GY |
| X2 | Safety input 2 | 6 | PK | VT | PK |
| Y2 | Safety output 2 | 7 | BU | RD | VT |
| IN | Solenoid control | 8 | RD | PK | OR |
| Connecting cables with coupling (female) IP67 / IP69, M12, 8-pole – 8 x 0.25 mm² to DIN 47100 | Connecting cables with coupling (female) IP69, M12, 8-pole – 8 x 0.21 mm² | |||
| Cable length | Ordering code | Cable length | Ordering code | |
| 2.5 m 5.0 m 10.0 m 15.0 m | 103011415 103007358 103007359 103011414 | 5.0 m 5.0 m, angled 10.0 m | 101210560 101210561 103001389 | |
WARNING:
If an angled connector is used, it is aligned parallel to the attachment surface and points to the side facing away from the actuator.
EU Declaration of conformity
NOTE:
The currently valid declaration of conformity can be downloaded from the internet at products.schmersal.com.
K.A. Schmersal GmbH & Co. KG Möddinghofe 30, 42279 Wuppertal Germany
Phone: +49 202 6474-0 Telefax: +49 202 6474-100
E-Mail: [email protected] Internet: www.schmersal.com

Manual release
Dimensions
NOTE:
















