SCHMERSAL AZM201Z-SK-T-1P2PW-A Versatile Solenoid Interlock

About this document
Function
This document provides all the information you need for the mounting, set-up and commissioning to ensure the safe operation and disassembly of the switchgear. The operating instructions enclosed with the device must always be kept in a legible condition and accessible.
Target group of the operating instructions: authorised qualified personnel
- All operations described in the operating instructions manual must be carried out by trained specialist personnel, authorised by the plant operator only.
- Please make sure that you have read and understood these operating instructions and that you know all applicable legislations regarding occupational safety and accident prevention prior to installation and putting the component into operation.
- The machine builder must carefully select the harmonised standards to be complied with as well as other technical specifications for the selection, mounting and integration of the components.
- The information contained in this operating instructions manual is provided without liability and is subject to technical modifications.
Explanation of the symbols used
- Information, hint, note: This symbol is used for identifying useful additional information.
- Caution: Failure to comply with this warning notice could lead to failures or malfunctions.
- Warning: Failure to comply with this warning notice could lead to physical injury and/or damage to the machine.
Appropriate use
- Products in Schmersal’s range are not intended to be used by private end consumers.
- The products described in these operating instructions are developed to execute safety-related functions as part of an entire plant or machine. It is the responsibility of the manufacturer of a machine or plant to ensure the correct functionality of the entire machine or plant.
- The safety switchgear must be exclusively used in accordance with the versions listed below or for the applications authorised by the manufacturer. Detailed information regarding the range of applications can be found in the chapter “Product description”.
General safety instructions
- The user must observe the safety instructions in this operating instructions manual, the country specific installation standards as well as all prevailing safety regulations and accident prevention rules.
- Further technical information can be found in the Schmersal catalogues or in the online catalogue on the Internet: products.schmersal.com.
Product Description
Ordering code
Special versions
For special versions, which are not listed in the ordering code, these specifications apply accordingly, provided that they correspond to the standard version.
Purpose
The non-contact, electronic safety switchgear is designed for application in safety circuits and is used for monitoring the position and locking of movable safety guards.
- The safety switchgears are classified according to EN ISO 14119 as type 4 interlocking devices. Designs with individual coding are classified as highly coded.
- The different variants can be used as safety switch with interlocking function either as solenoid interlock.
- If the risk analysis indicates the use of a monitored interlock then a variant with the monitored interlock is to be used,marked with the > symbol in the ordering code.
- The actuator monitoring variant (B) is a safety switch with an interlock function for process protection.
- The safety function consists of safely switching off the safety outputs when the safety guard is unlocked or opened
and maintaining the safe switched off condition of the safety outputs for as long as the safety guard is open. - Interlocks with power to lock principle may only be used in special cases after a thorough evaluation of the accident risk, since the safety guard can be opened immediately on failure of the power supply or upon activation of the main switch.
Series-wiring
Series-wiring can be set up. In the case of a series connection, the risk time remains unchanged and the reaction time increases by the sum of the reaction time of the inputs per additional unit specified in the technical data. The quantity of devices is only limited by the cable drops and the external cable fuse protection, according to the technical data. Up to 31 device variants with serial diagnostics can be wired in series.
- The user must evaluate and design the safety chain in accordance with the relevant standards and the required safety level. If multiple safety sensors are involved in the same safety function, the PFH values of the individual components must be added.
- The entire concept of the control system, in which the safety component is integrated, must be validated to the relevant standards.
Warning about misuse
In case of improper use or manipulation of the safety switchgear, personal hazards or damages to machinery or plant components cannot be excluded. There are no residual risks, provided that the safety instructions, as well as the instructions regarding mounting, commissioning, operation and maintenance, are observed.
Exclusion of liability
We shall accept no liability for damages and malfunctions resulting from defective mounting or failure to comply with the operating instructions manual. The manufacturer shall accept no liability for damages resulting from the use of unauthorized spare parts or accessories.
For safety reasons, invasive work on the device as well as arbitrary repairs, conversions and modifications to the device are strictly forbidden, the manufacturer shall accept no liability for damages resulting from such invasive work, arbitrary repairs, conversions and/or modifications to the device.
Technical Data



Note about the safety classification
- If for a certain application the power to unlock version of a solenoid interlock cannot be used, for this exception an interlock with power to lock can be used if additional safety measure need to be realised that have an equivalent safety level.
- The safety analysis of the guard locking function refers to the component solenoid interlock AZM as part of the complete system.
- On the customer side further measures such as safe actuation and safe cable installation to prevent faults are to be implemented.
- In the event of a fault resulting in the unlocking of the guard locking, this is detected by the solenoid interlock and the safety gates Y1/Y2 switch off. When such a fault occurs the protection equipment may open immediately, just once, before the safe condition of the machine is reached. The system reaction of category 2 allows that a fault can occur between tests causing the loss of the safety function which is detected by the test.
- The actuation of the interlock must be compared externally with the OSSD release. If a shut-down now occurs due to an unintentional unlocking this is detected by an external diagnostic
UL notice FCC/IC – Note
This device complies with Part 15 of the FCC Rules and contains licence-exempt transmitter/receivers that are compliant with ISED (Innovation, Science and Economic Development) Canada licence-exempt RSS standard(s).
Operation is subject to the following two conditions:
- This device may not cause harmful interference, and
- This device must be able to tolerate interfering signals. This includes interfering signals that may cause the unit not to function as desired.
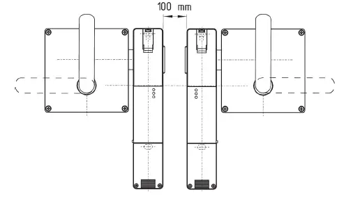
This device complies with the nerve stimulation limits (ISED SPR-002) when operated at a minimum distance of 100 mm. Changes or adjustments not expressly approved by K.A. Schmersal GmbH & Co. KG could void the user’s authority to operate the equipment.
Mounting
General mounting instructions
Please observe the relevant requirements of the standards ISO 12100, ISO 14119 and ISO 14120.
Mounting of the solenoid interlock and the actuator
Refer to the mounting instructions manual for the corresponding actuator.
The actuator must be permanently fitted to the safety guards and protected against displacement by suitable measures (tamperproof screws, gluing, drilling of the screw heads).
Dimensions
All measurements in mm.
Electrical connection
General information for electrical connection
The electrical connection may only be carried out by authorised personnel in a de-energised condition.
- The required electrical cable fuse protection must be integrated in the installation.
- The safety outputs can be integrated into the safety circuit of the control system.
- Requirements for the connected safety-monitoring module:
- Dual-channel safety input, suitable for 2 p-type semi-conductor outputs
Information for the selection of suitable safety-monitoring modules can be found in the Schmersal catalogues or in the online catalogue on the Internet: products.schmersal.com.
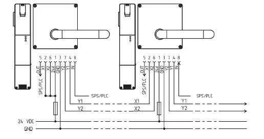
Wiring examples for series-wiring
The application examples shown are suggestions. They however do not release the user from carefully checking whether the switchgear and its set-up are suitable for the individual application. The application examples shown are suggestions.
Y1 and Y2 = Safety outputs → Safety monitoring module
Y1 and Y2 = Safety outputs → Safety monitoring module SD-IN → Gateway → Field bus
Wiring configuration and connector accessories
Solenoid interlocks with standard coding are ready to use upon delivery. Individually coded solenoid interlocks and actuators will require the following “teach-in” procedure:
- Switch the solenoid interlock’s voltage supply off and back on.
- Introduce the actuator in the detection range. The teach-in procedure is signalled at the solenoid interlock, green LED off, red LED on, yellow LED flashes (1 Hz).
- After 10 seconds, brief yellow cyclic flashes (3 Hz) request the switch-off of the operating voltage of the solenoid interlock. (If the voltage is not switched off within 5 minutes, the solenoid interlock cancels the “teach-in” procedure and signals a false actuator by 5 red flashes).
- Once the operating voltage is switched back on, the actuator must be detected once more in order to activate the actuator code that has been taught in. In this way, the activated code is definitively saved!
For ordering suffix -I1, the executed allocation of safety switchgear and actuator is irreversible.
For ordering suffix -I2, the “teach-in” procedure for a new actuator can be repeated an unlimited number of times. When a new actuator is taught, the code, which was applicable until that moment, becomes invalid. Subsequent to that, an enabling inhibit will be active for ten minutes, thus providing for an increased protection against tampering. The green LED will flash until the expiration of the time of the enabling inhibit and the detection of the new actuator. In case of power failure during the lapse of time, the 10-minutes tampering protection time will restart
Active principle and diagnostic functions
- Magnet control
- Mode of operation of the safety outputs
- Diagnostic-LEDs
- green (Power) Supply voltage on
- yellow (Status) Operating condition
- red (Fault) Error (see table 2: Error messages / flash codes red diagnostic LED)
Solenoid interlock with conventional diagnostic output
The short-circuit proof diagnostic output OUT can be used for central visualisation or control tasks, e.g. in a PLC.
The diagnostic output is not a safety-related output.
Error
Errors which no longer guarantee the function of the safety switchgear (internal errors) cause the safety outputs to be disabled within the duration of risk. After fault rectification, the error message is reset by opening and re-closing the corresponding safety guard.
Fault warning
A fault that does not immediately endanger the safety function of the safety switchgear (e.g. too high ambient temperature, safety output at external potential, cross-circuit) leads to delayed shutdown (see Table 2). This signal combination, diagnostic output disabled and safety channels still enabled, can be used to stop the production process in a controlled manner. An error warning is deleted when the cause of error is eliminated. If the fault warning remains on for 30 minutes, the safety outputs are also switched off (red LED flashes, see Table 2).
Input signal magnet control
Normal sequence, door was locked
Door could not be locked or fault
Solenoid interlock with serial diagnostic function SD
Solenoid interlocks with serial diagnostic cable have a serial input and output cable instead of the conventional diagnostic output. If solenoid interlocks are wired in series, the diagnostic data are transmitted through the serieswiring of the inputs and outputs.
Max. 31 solenoid interlocks can be wired in series. For the evaluation of the serial diagnostics line either the PROFIBUS-Gateway SD-I-DP-V0-2 or the Universal-Gateway SD-I-U-… are used. This serial diagnostic interface is integrated as slave in an existing field bus system. In this way, the diagnostic signals can be evaluated by means of a PLC.
The necessary software for the integration of the SD-Gateway is available for download at products.schmersal.com. The response data and the diagnostic data are automatically and permanently written in an input byte of the PLC for each solenoid interlock in the series-wired chain. The request data for each solenoid interlock is transmitted to the component through an output byte of the PLC. In case of a communication error between the SD-gateway and the solenoid interlock, the switching condition of the solenoid interlock is maintained.
Error
Errors which no longer guarantee the function of the safety switchgear (internal errors) cause the safety outputs to be disabled within the duration of risk. The fault is reset, when the cause is eliminated and bit 7 of the request byte changes from 1 to 0 or the safety guard is opened. Faults at the safety outputs are only deleted upon the next release, as the fault rectification cannot be detected sooner.
Diagnostic error (warning)
If an error (warning) is signalled in the response byte, detailed fault information can be read out.
- On wiring SD devices, please pay attention to the voltage drop on the cables and the current carrying capacity of the individual components.
- Accessories for the series-wiring
- For convenient wiring and series-wiring of SD components, the SD junction boxes PFB-SD-4M12-SD (variant for the field) and PDM-SD-4CC-SD (variant for control cabinet on carrier rail) are available along with additional comprehensive accessories. Detailed information is available on the Internet, products.schmersal.com.
Set-up and maintenance
Adequate measures must be taken to ensure protection against tampering either to prevent tampering of the safety guard, for instance by means of replacement actuators. Damaged or defective components must be replaced.
Disassembly and disposal
- Disassembly
- The safety switchgear must be disassembled in a de-energised condition only.
- Disposal
- The safety switchgear must be disposed of in an appropriate manner in accordance with the national prescriptions and legislations























