![]()
EXOR eXware Series IoT Gateway Instruction Manual

MANUGENEXWARE – Version 1.06
© 2018-2022 EXOR International S.p.A.
Copyright © 2018-2022 Exor International S.p.A. – Verona, Italy
Subject to change without notice
The information contained in this document is provided for informational purposes only. While efforts were made to verify the accuracy of the information contained in this documentation, it is provided “as is” without warranty of any kind.
Third-party brands and names are the property of their respective owners. www.exorint.com
Software available in these products is based on OpenSource. Visit oss.exorint.net for more details.
Introduction
The operational guidelines described below is information which relates to the device, installation, transportation, storage, assembly, use and maintenance.
This Operating Instruction describes the main features of the Exor eXware. The Manual refers to the following models:
eXware703: Embedded controller with 2 Ethernet port
eXware707: Embedded controller with 3 Ethernet port, Dual Core ARM Cortex-A9 CPU
eXware707: Q Embedded controller with 3 Ethernet port, Quad Core ARM Cortex-A9 CPU
Safety Guide
The manual contains safety standards that must be respected for the personal safety and to avoid damage. Indications of attention are divided into three levels of severity:
DANGER: indicates a failure to observe safety rules and such failure may cause death or serious injuries.
DANGER
ATTENTION: indicates a failure to observe safety rules and that deficiency may cause damage.
ATTENTION
CAUTION: indicates a failure to observe safety rules and that deficiency may cause defects to the equipment or inconsistencies
CAUTION
1. Product Overview
With the combination of JMobile HMI, CODESYS PLC and Corvina Cloud security, eXware offers companies the chance to start at an uncomplicated level in IoT and yet allows enormous future expansion into more complex aspects of Industry 4.0. Speaking across the vast library of JMobile protocols as well as OPC UA to higher enterprise level control, the eXware is a true Plug and Use product. Straightforward wireless connectivity using the optional PLCM09 2G/3G modem.
- Compatible with Existing Installations
- Compatible with JMobile. Includes JM4web HTML5 access.
- Supports JMobile protocols including OPC UA server and client.
- Compatible with CODESYS V3. Supports network stacks and local I/O expandability
- Compatible with Corvina Cloud secure remote connectivity.
- Compatible with PLCM09 2G/3G modem.
- 2 Ethernet ports for network separation WAN/LAN.
- System settings by web browser.
- Linux-based open platform.
2. Standards and Approvals
The products have been designed for use in an industrial, residential, commercial, light industrial and marine environment in compliance with the 2014/30/EU EMC Directive.
The products have been designed in compliance with:

The products are in compliance with the Restrictions on Certain Hazardous Substances (RoHS) Directive 2011/65/EU
In compliance with the above regulations the products are CE marked.
Product Identification
The product may be identified through a plate attached to the rear cover. You will have to know the type of unit you are using for correct usage of the information contained in the guide. An example of this plate is shown in the figure below:
Note: the eXware703 label is used as an example for eXware Series


3. Technical Specifications



4. Technical Data

(*) 10-32Vdc
For applications requiring compliance with EN 61131-2 and specifically in reference to 10 ms voltage dips, the power supply range voltage is 18-32Vdc.
4.1 Dimensions


4.2 Safety instruction
For all installation notes, please refer to the Installation Guide provided with the product.
4.3 Installation Procedure
The eXware series must be mounted on a TS35 DIN rail
5. Connections
eXware703

Fig. 5.1
- Serial Port
- Power Supply
- Ethernet Port 1 (10/100Mb)
- Ethernet Port 0 (10/100Mb)
- USB Port V2.0, max 500 mA – for maintenance only
- Expansion slot for Plugin module
- SD Card Slot
eXware707, eXware707Q

Fig. 5.2
- USB Port V2.0, max 500 mA – for maintenance only
- Ethernet Port 2 (10/100Mb)
- Ethernet Port 1 (10/100Mb)
- Serial Port
- Ethernet Port 0 (10/100/1000Mb)
- 2x Expansion slot for Plugin module
- Power Supply
- SD Card Slot
5.1 Serial Port
The serial port is used to communicate with the PLC or with another type of controller.
Different electrical standards are available for the signals in the PLC port connector: RS-232, RS-422, RS-485.
The serial port is software programmable. Make sure you select the appropriate interface in the programming software.

The communication cable must be chosen for the type of device being connected.
5.2 Ethernet Port
The Ethernet port have two status indicators. Please see description in figure.

Factory settings:
ETH0 / WAN: DHCP
ETH1 / LAN: IP Address 192.168.0.1 Subnet mask: 255.255.255.0
ETH2 / LAN: DHCP only for eXware707 and eXware707Q
Settings: https://192.168.0.1/machine_config
Username: admin
Password: admin
5.3 Optional plugin module
eXware Series panels have several optional plugin module, multiple modules configurations are possible.


Slot#2 and Slot#4 are available only if plugin module has the “bus extension connector”.
Each slot carries three communication channels:
- 1 serial interface
- 1 CAN interface
- 1 SPI interface
- 1 2G/3G interface
Note: It is not possible to stack two modules that are using the same type of interface.
5.4 Optional plugin module identification
Note: the PLCM01 label is used as an example for PLCM01, PLCM05, PLCM09X, PLIO03


5.5 Optional plugin module installation procedure


Below you can find relation between modules ATEX and IECEx certified and max number of modules that can be used into eXware serie panels, based on their Interface Type:

Note the above different “Operating Temperature Code” for different part number of PLIO03 module.
PLCM and PLIO03 electrical ratings:
- PLCM01: For electrical rating refers to the host eXware models.
- PLCM05: For electrical rating refers to the host eXware models and PLIO03 ratings
- PLCM09X: 2xDigital Inputs voltage 12÷30 Vdc, 3mA; 2xDigital Outputs voltage 12÷30 Vdc, 0.5A
- PLIO03: 20xDigital Inputs voltage 12÷30 Vdc; 12xDigital Outputs voltage 12÷30 Vdc, 0.5A; 4xAnalog inputs 0÷10 Vdc, 4-20mA; 4xAnalog outputs: 0÷10 Vdc, 4-20mA
Below you can find relation between modules and max number of modules that can be used into eXware series panels, based on their Interface Type:

Max modules refers to max number of modules can be plugged into the eXware (all slots),
If you are planning to use PLCM03 and PLCM04 (additional serial ports) you will obtain following “COM – Slot#” association:
• a module plugged in Slot#1 or into Slot#2 will be COM2,
• a module plugged in Slot#3 or into Slot#4 will be COM3.
If you are planning to use two PLCM01 (CAN interface) you will obtain following Slot# association:
• a module plugged in Slot#1 or into Slot#2 will be the CanPort 0,
• a module plugged in Slot#3 or into Slot#4 will be the CanPort 1.
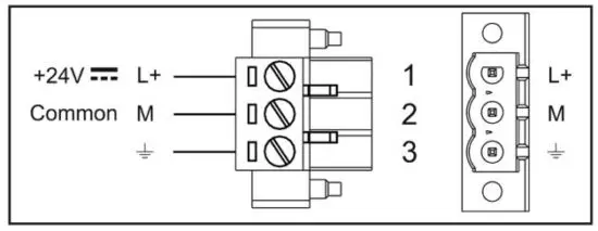
6. Power Supply, Grounding and Shielding
The power supply terminal block is shown in the figure below.

Fig. 6.1
3 conductor 1,5mmq wire size minimum, minimum temperature conductor rating 105°C.
Note: Ensure that the power supply has enough power capacity for the operation of the equipment.
The unit must always be grounded to earth with 1,5mmq wire size minimum. Grounding helps limit the effects of noise due to electromagnetic interference on the control system.
Earth connection will have to be done using either the screw or the faston terminal located near the power supply terminal block. A label helps identify the ground connection. Also connect to ground the terminal 3 on the power supply terminal block.
The power supply circuit may be floating or grounded. In the latter case, connect to ground the power source common as shown in figure (see below) with a dashed line.
When using the floating power scheme, note that the panes internally connects the power common to ground with a 1MΩ resistor in parallel with a 4,7nF capacitor.
The power supply must have double or reinforced insulation.
The suggested wiring for the power supply is shown below.

All the electronic devices in the control system must be properly grounded. Grounding must be performed according to applicable regulations.
7. Battery
These devices are equipped with rechargeable Lithium battery, not user-replaceable.
The following information is maintained by the battery:
• hardware real-time clock (date and time)
Charge:
At first installation must be charged for 48 hours.
When the battery is fully charged, it ensures a period of 3 months of data back-up at 25°C.

Fig. 7.1: eXware703

Fig. 7.2: eXware707, eXware707Q
ATTENTION
Dispose of batteries according to local regulations.
ATTENTION
This device cannot be disposed of as a domestic waste but according to WEEE European
Directive 2012/19/EU
8. Special Instruction for Use
- The equipment shall only be used in an area of not more than pollution degree 2, as defined in IEC/EN 60664-1.
- The equipment shall be installed in an enclosure that provides a degree of protection not less than IP 54 in accordance with IEC/EN 60079-15.
- Transient protection shall be provided that is set at a level not exceeding 140 % of the peak rated voltage value at the supply terminals to the equipment.
- Install the embedded controller according to the accompanying installation instructions.
- Ground the embedded cpontroller according to the accompanying installation instructions.
- Only qualified personnel may install the embedded controller or repair it.
- Ensure that the aeration holes are not covered.
- This device should not be used for purposes and methods other than indicated in this document and in the documentation accompanying the product.
9. Getting Started
Delivery configuration of software in eXware Series products is based on a loader. You may use the services of the loader to install applications on the device such as JMobile runtime. Use System Settings to activate Cloud Service.
JMobile Studio version V2.6 or higher is required. JMobile Studio is a software tool that must be properly installed on a computer running Microsoft Windows.
There are two options to transfer a JMobile application project to an eXware device:
- Ethernet Connect the eXware to the computer with an Ethernet network. In JMobile Studio select the command Run/Download to target. You may have to ensure that the proper firewall policy has been configured in the computer to allow JMobile Studio to access the network.
- USB Create an Update Package using JMobile Studio and copy it to a USB Flash drive.
Updated product documentation is available at www.exorint.com.
For the products described in this manual please check:
Systems Settings User Manual
JMobile Studio User Manual
10. Unpacking and Packing Instructions

To repack the unit, please follow the instructions backwards.
MANUGENEXWARE – Version 1.06
© 2018-2022 EXOR International S.p.A. – Subject to change without notice
Read More About This Manual & Download PDF:


















