EXOR eXware 703 IoT Gateways Installation
DIMENSION
CSD = 350mm/13.77” = Minimum Compass Safe Distance of standard compass
INSTALLATION
The eXware is suitable for mounting on a DIN rail.
REAR VIEW

- Serial port
- Power
- Ethernet Port 1 (10/100 Mb)
- Ethernet Port 0 (10/100 Mb)
- USB Port V2.0, max 500 mA *
- Expansion slot for plug-in modules
- SD card slot for maintenance only
FACTORY SETTINGS
ETH0 / WAN: DHCP
ETH1 / LAN: IP Address 192.168.0.1 Subnet mask: 255.255.255.0 Settings: https://192.168.0.1/machine_config
password: admin
- All ports are SELV (Safety Extra – Low Voltage) according European Standards and Class 2 according UL Standards
- WARNING – EXPLOSION HAZARD – (Ethernet, USB connectors, memory card slot) DO NOT CONNECT OR DISCONNECT UNLESS THE POWER HAS BEEN DISCONNECTED OR THE AREA IS KNOWN TO BE FREE OF IGNITABLE CONCENTRATIONS.
- Don’t open the panel rear cover when the power supply is applied.
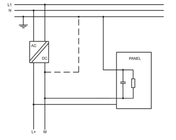
POWER SUPPLY
- DC Power Connector, Female – R/C Terminal Blocks (XCFR2), manufactured by Weidmuller Inc., Cat. No. BLZ 5.08, torque 4.5 lb-in
- 3 conductor 1,5mmq wire size minimum, minimum temperature conductor rating 105°C.
- Do not open the cabinet while the system is powered up.
- WARNING: Do not separate when energized.
- The unit must always be grounded to earth. Earth connection will have to be done using either the screw or the faston terminal located near the power supply terminal block. Also connect to ground the terminal 3 on the power supply terminal block.

Ensure that the power supply has enough power capacity for the operation of the equipment.
CONNECTIONS
To operate in RS-485 pins 1-2 and 4-3 must be connected externally
EXPANSION SLOT FOR PLUG-IN MODULES
The validity of UL certification is ensured only by using accessories (PLxx) covered by the same certificate.
DISPOSE OF BATTERIES
These devices are equipped with rechargeable Lithium battery, not user-replaceable. Diese Geräte sind mit wiederaufladbaren Lithium-Batterie, nicht vom Benutzer
MARKINGS
ATEX markings, apllied to the Models eXware703:
INSCRIPCIONES
ATEX marcas aplican a los modelos eXware703:
MARCATURE
Marcature ATEX applicate ai modelli serie eXware703:
DEMKO 17 ATEX 1871X
II 3G Ex ec IIC T5…T4 Gc 0≤Tamb≤+50°C or -20≤Tamb≤+60°C
T Amb: 0°C – +50°C or -20°C – +60°C
Dispose of batteries according to local regulations.
- This device cannot be disposed of as a domestic waste but according to WEEE European Directive 2012/19/EU
- The product has been designed for use in industrial, residential, commercial, light industrial and marine environment in compliance with the 2014/30/EU directives.
- WARNING – Power, input and output (I/O) wiring must be in accordance with Class I, Division 2 wiring methods, Article 501.10 (B) of the National Electrical Code, NFPA 70 for installation in the U.S., or as specified in Section 18-1J2 of Canadian Electrical Code for installations within Canada and in accordance with the authority having jurisdictions.
TECHNICAL DATA
PRODUCT IDENTIFICATION
The product may be identified through a plate attached to the rear cover. You will have to know the type of unit you are using for correct usage of the information contained in the guide.
An example of this plate is shown in the figure below:
OPTIONAL PLUGIN MODULE
The panels have several optional plugin module, and multiple module configurations are possible.
INSTALLATION PROCEDURE

Below you can find relation between modules and max number of modules that can be used into eXware serie panels, based on their Interface Type:
Software available in this product is based on OpenSource. Visit oss.exorint.net for more details.
EXOR eXware 703 IoT Gateways Installation





















