eXware703 Industrial Digitilization IoT Gateway
Installation Guide
DIMENSION
CSD = 350mm/13.77” = Minimum Compass Safe Distance of standard compass
INSTALLATION
The aware is suitable for mounting on a DIN rail.
REAR VIEW
- Serial port
- Power
- Ethernet Port 1 (10/100 Mb)
- Ethernet Port 0 (10/100 Mb)
- USB Port V2.0, max 500 mA *
- Expansion slot for plug-in modules
- SD card slot
* for maintenance only
FACTORY SETTINGS
ETH0 / WAN: DHCP
ETH1 / LAN: IP Address 192.168.0.1 Subnet mask: 255.255.255.0
Settings: https://192.168.0.1/machine_config
Username: admin
Password: admin
All ports are SELV (Safety Extra – Low Voltage) according European Standards and Class 2 according UL Standards
WARNING – EXPLOSION HAZARD – (Ethernet, USB connectors, memory card slot)
DO NOT CONNECT OR DISCONNECT UNLESS THE POWER HAS BEEN DISCONNECTED OR THE AREA IS KNOWN TO BE FREE OF IGNITABLE CONCENTRATIONS.WARNUNG – EXPLOSIONSGEFAHR – (Ethernet, USB-Anschluss, Speicherkartensteckplatz) NICHT ANSCHLIESSEN ODER DISKONTIEREN, WENN DIE NETZTEILE NICHT ENTGEGEBEN WURDE, ODER DER BEREICH KENNTGEGEBEN FREI VON IGNITABLE CONCENTRATIONS.
Don’t open the panel rear cover when the power supply is applied.
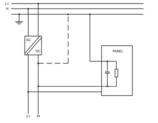
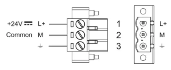
POWER SUPPLY
DC Power Connector, Female – R/C Terminal Blocks (XCFR2), manufactured by Weidmuller Inc., Cat. No. BLZ 5.08, torque 4.5 lb-in 3 conductor 1,5mmq wire size minimum, minimum temperature conductor rating 105°C.
Do not open the cabinet while the system is powered up.
WARNING: Do not separate when energized.
The unit must always be grounded to earth. Earth connection will have to be done using either the screw or the faston terminal located near the power supply terminal block. Also connect to ground the terminal 3 on the power supply terminal block.
Ensure that the power supply has enough power capacity for the operation of the equipment.
CONNECTIONS 
| Pin | Description |
| 1 | RX/CHB- |
| 2 | TX/CHA- |
| 3 | CTS/CHB+ |
| 4 | RTS/CHA+ |
| 5 | +5V output |
| 6 | GND |
| 7 | |
| 8 | SHIELD |
TTo operate in RS-485 pins 1-2 and 4-3 must be connected externally
EXPANSION SLOT FOR PLUG-IN MODULES
The validity of UL certification is ensured only by using accessories (PLxx) covered by the same certificate.
DISPOSE OF BATTERIES
Battery
These devices are equipped with rechargeable Lithium battery, not user-replaceable.
Dispose of batteries according to local regulations.
This device cannot be disposed of as a domestic waste but according to WEEE European Directive 2012/19/EU
USAGE IN EXPLOSION-HAZARDOUS AREAS ZONE 2
The connection and installation have to be done in conformity with ATEX Directive, IEC EN 60079-14, and have to be performed by authorized, qualified personnel and in possession of necessary skills.
Confirm that the location is free from explosively hazardous gases or dust before connecting or disconnecting equipment, replacing or wiring modules. Confirm that the power supply has been turned OFF before disconnecting, replacing or wiring modules.
The vents in the panel casing must not be obstructed.
Check that panels are mounted in enclosures satisfying minimum IP54 degree of protection for category 3G and the requirements relating to the 3G categories in Zones 2 (Category 3: normal level of protection – G: Gas).
Ensure that the labelling specifications are compatible with the conditions permitted for the hazardous area at the site where it is being used (Zones 2 Group II: Surface industries – Category 3: Normal level of protection – G: Gas – IP: degree of protection (protection against solids and liquids) – T: maximum surface temperature).
MARKINGS
ATEX markings, apllied to the Models eXware703:
DEMKO 17 ATEX 1871X / UL22UKEX2726X
II 3G Ex ec IIC T5…T4 Gc 0≤Tamb≤+50°C or -20≤Tamb≤+60°C T Amb: 0°C – +50°C or -20°C – +60°C
Type examination certificate number: DEMKO 17 ATEX 1871X / UL22UKEX2726X
DO NOT DISCONNECT WHILE CIRCUIT IS LIVE
IECEx markings, apllied to the Models eXware703: AUFSCHRIFTEN
IECEx: IECEx ULD 17.0019X
Ex ec IIC T5…T4 Gc 0°C≤Tamb≤+50°C or -20°C≤Tamb≤+60°C
Type examination certificate number: IECEx ULD 17.0019X
The product has been designed for use in industrial, residential, commercial, light industrial and marine environment in compliance with the 2014/30/EU directives.
These devices have been designed for use in potentially explosive atmospheres in accordance with 2014/34/EU Directive
The products have been designed in compliance with:
| EN 61000-6-4 | CISPR 32 Class B |
| EN 61000-6-3 | EN 61000-4-2 |
| EN 61000-6-2 | EN 61000-4-3 |
| EN 61000-6-1 | EN 61000-4-4 |
| EN 61000-4-5 | |
| EN 61000-4-6 | |
| EN 61000-4-8 | |
| EN 61000-4-29 | |
| EN 60945 |
EN 60079-0
EN 60079-7
Equipment group II, category 3 intended for use in potentially explosive atmospheres zones 2, G:gas.
Type examination certificate number: DEMKO 17 ATEX 1871X / UL22UKEX2726X
WARNING – Power, input and output (I/O) wiring must be in accordance with Class I, Division 2 wiring methods, Article 501.10 (B) of the National Electrical Code, NFPA 70 for installation in the U.S., or as specified in Section 18-1J2 of Canadian Electrical Code for installations within Canada and in accordance with the authority having jurisdictions.
WARNING – EXPLOSION HAZARD – SUBSTITUTION OF ANY COMPONENT MAY IMPAIR SUITABILITY FOR CLASS I, DIVISION 2
WARNING – EXPLOSION HAZARD – WHEN IN HAZARDOUS LOCATIONS, TURN OFF POWER BEFORE REPLACING OR WIRING MODULES, and WARNING – EXPLOSION HAZARD – DO NOT DISCONNECT EQUIPMENT WHILE THE CIRCUIT IS LIVE OR UNLESS THE AREA IS KNOW TO BE FREE OF IGNITABLE CONCENTRATIONS. SUITABLE FOR USE IN CLASS I, DIVISION 2, GROUPS A, B, C AND D HAZARDOUS LOCATIONS, OR NONHAZARDOUS LOCATIONS ONLY. WARNING – EXPLOSION HAZARD – DO NOT CHANGE BATTERY UNLESS THE AREA IS KNOWN TO BE FREE OF IGNITABLE CONCENTRATIONS eXware, is an open-type device and is required to be installed on a DIN-rail in an enclosure suitable for the environment such that the internal part of the equipment is only accessible with the use of a tool.
STANDARDS AND APPROVALS
Standards and Approvals
| IECEx | |
| IEC 60079-0, Ed.7 | IECEx: IECEx ULD 17.0019X |
| IEC 60079-7, Ed.5.1 | Ex ec IIC T5…T4 Gc 0°C≤Tamb≤+50°C or -20°C≤Tamb≤+60°C |
ATEX EN IEC 60079-0: 2018 EN IEC 60079-7: 2015+A11:2013
DEMKO 17 ATEX 1871X / UL22UKEX2726X
II 3G Ex ec IIC T5…T4 Gc 0°C≤Tamb≤+50°C or -20°C≤Tamb≤+60°C
eXware703
24V= 0.35A,
Class 2 P .N.: EV/V703U0P1
V.: 121005602201000 S.
S N.: AA000 1 1LG000000561AA 1816
ETH1 IP 192.168.0.1 MASK 255.255.255.0
IND. • CONT EQ FOR NAZ. LOC. us CLASS I DN 2 – GROUPS A, B, C, D USTED 2804
Operating Temperature Code T5…T4 0°C<Tamb<+50°C or -20°C<Tamb<+60°C
Exor International S.p.A. Via Monte Fiorino 9-13 IT-37057 San Giovanni Lupatoto (VR)
DEMKO 17 ATEX 1871X / UL22UKEX2726X II 3G Ex ec IIC T5…T4 Gc
IECEx: IECEx ULD 17.0019X Ex ec IIC T5…T4 Gc
| product model name | eXware703 |
| product part number | EXW703U0P1 |
| year/week of production | 1816 |
| serial number | AA00011GL000000561AA |
| version id of the product | 121005B02201000 |
| manufacturer address and | Exor International S.p.A. |
| read instruction warning | Via Monte Fiorino 9-13 IT-37057 San Giovanni Lupatoto (VR) |
| ATEX Marking | DEMKO 17 ATEX 1871X / UL22UKEX2726X II 3G Ex ec IIC T5…T4 Gc 0°C≤Tamb≤+50°C or -20°C≤Tamb≤+60°C |
| IECEx Marking | IECEx: IECEx ULD 17.0019X Ex ec IIC T5…T4 Gc 0°C≤Tamb≤+50°C or -20°C≤Tamb≤+60°C c |
OPTIONAL PLUGIN MODULE
The panels have several optional plugin module, multiple modules configurations are possible.
Slot#2 is available only if plugin module has the “bus extension connector”.
Each slot carries two communication channels:
- 1 serial interface
- 1 CAN interface
- 1 SPI interface
- 1 2G/3G interface
Note: It is not possible to stack two modules that are using the same type of interface.
PRODUCT IDENTIFICATION
Note: the PLCM01 label is used as an example for PLCM01, PLCM05, PLCM09X, PLIO03
PLCM01
P.N.: PLCMO1U0P1
V.: 050100A00000000
S.N. AA000 0225000000561AA 2243
Exor International S.p.A.
Via Monte Fiorino 9-13 IT-37057 San Giovanni Lupatoto (VR)![]()
| product model name | PLCM01 |
| product part number | PLCM01U0P1 |
| year/week of production | 2243 |
| serial number | AA0000225000000561AA |
| version id of the product | 050100A00000000 |
| manufacturer address and | Exor International S.p.A. |
| read instruction warning | Via Monte Fiorino 9-13 IT-37057 San Giovanni Lupatoto (VR) |
INSTALLATION PROCEDURE

Note the above different “Operating Temperature Code” for different part number of PLIO03 module.
PLCM and PLIO03 electrical ratings:
- PLCM01: For electrical rating refers to the host eXware models.
- PLCM05: For electrical rating refers to the host eXware models and PLIO03 ratings
- PLCM09X: 2xDigital Inputs voltage 12÷30 Vdc, 3mA; 2xDigital Outputs voltage 12÷30 Vdc, 0.5A
- PLIO03: 20xDigital Inputs voltage 12÷30 Vdc; 12xDigital Outputs voltage 12÷30 Vdc, 0.5A; 4xAnalog inputs 0÷10 Vdc, 4-20mA; 4xAnalog outputs: 0÷10 Vdc, 4-20mA
Below you can find relation between modules and max number of modules that can be used into aware series panels, based on their Interface Type:
| Module | Application | Max Modules | Bus Extension connector |
| PLCM01 | CAN | 1 | Y |
| PLCM01-NE | CAN | 1 | \ |
| PLCM05 | CODESYS License | 1 | Y |
| PLCM09X | 3G modem | 1 | Y |
| PLI003 | Multifunction I/O | 1 | \ |
| PLCM01 PLCM01-NE | Operating temperature -20°C to 60°C |
| PLCM05 | Operating temperature -20°C to 60°C |
| PLCM09X | Operating temperature -20°C to 60°C |
| PLI003 | with part number PLIO03xxxxY where: – Y.s2 is operating temperature range 0°CsTamb5_+50°C with Operating Temperature Code T5 (vertical installation), 12-30VDC – Y>2 is operating temperature range —20°CsTamb5_+60°C with Operating Temperature Code T4 (vertical installation), 12-30VDCc |
Software available in this product is based on OpenSource. Visit oss.exorint.net for more details.
Reproduction of the contents of this copyrighted document, in whole or part, without written permission of Exor International S.p.A., is prohibited.
User Manual available on www.exorint.com
MANEXW70XU003 V.1.09 22.12.2022
©2018-2022 Exor International S.p.A
Exor International S.p.A. – San Giovanni Lupatoto VR, Italy
www.exorint.com


















