eXware707M High Performance IoT Edge Controller
Product Information
The product model is MANEXW707MU003 V.1.01, and it is a network device with 5 Ethernet ports, 2 expansion slots for plug-in modules, and an SD card slot. The device has factory settings for ETH0/WAN with DHCP and ETH1/LAN with IP address 192.168.0.1 and a subnet mask of 255.255.255.0. The device can be accessed through the web interface with the URL https://192.168.0.1/machine_config, using the username “admin” and password “admin”. The device complies with European Standards for Safety Extra-Low Voltage (SELV). The device requires a power supply with enough power capacity for its operation.
Product Usage Instructions
To use the product, follow the instructions below:
- Ensure that the power supply has enough power capacity for the operation.
- Connect the device to a power source and turn it on.
- Connect Ethernet cables to the Ethernet ports as required.
- Access the device’s web interface using the URL https://192.168.0.1/machine_config, and log in with the username “admin” and password “admin”.
- If necessary, modify the device’s settings.
- Do not open the cabinet while the system is powered up.
- Dispose of batteries according to local regulations.
- Before connecting or disconnecting equipment, replacing or wiring modules, confirm that the location is free from explosively hazardous gases or dust.
- Before disconnecting, replacing or wiring modules, confirm that the power supply has been turned OFF.
DIMENSION

INSTALLATION
The eXware is suitable for mounting on a DIN rail.
REAR VIEW

| 1 | USB Port V2.0, max 500 mA * | 5 | Ethernet Port 0 (10/100/1000 Mb) |
| 2 | Ethernet Port 2 (10/100 Mb) | 6 | Power supply |
| 3 | Ethernet Port 1 (10/100 Mb) | 7 | 2 Expansion slot for plug-in modules |
| 4 | Serial port | 8 | SD card slot |
* for maintenance only
FACTORY SETTINGS
ETH0 / WAN: DHCP
ETH1 / LAN: IP Address 192.168.0.1 Subnet mask: 255.255.255.0
Settings: https://192.168.0.1/machine_config
Username: admin
Password: admin
All ports are SELV (Safety Extra – Low Voltage) according European Standards and Class 2 according UL Standards
WARNING
- EXPLOSION HAZARD – (Ethernet, USB connectors, memory card slot)
- DO NOT CONNECT OR DISCONNECT UNLESS THE POWER HAS BEEN DISCONNECTED OR THE AREA IS KNOWN TO BE FREE OF IGNITABLE CONCENTRATIONS.
- Don’t open the panel rear cover when the power supply is applied.
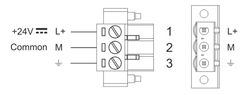
POWER SUPPLY

- DC Power Connector, Female: R/C Terminal Blocks (XCFR2), manufactured by Weidmuller Inc., Cat. No. BLZ 5.08, torque 4.5 lb-in
- 3 conductor 1,5mmq wire size minimum, minimum temperature conductor rating 105°C.
WARNING
- Do not open the cabinet while the system is powered up.
- Do not separate when energized.
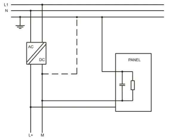
The unit must always be grounded to earth. Earth connection will have to be done using either the screw or the fasten terminal located near the power supply terminal block. Also connect to ground the terminal 3 on the power supply terminal block.

Ensure that the power supply has enough power capacity for the operation of the equipment.
CONNECTIONS

| Pin | Description |
| 1 | RX/CHB- |
| 2 | TX/CHA- |
| 3 | CTS/CHB+ |
| 4 | RTS/CHA+ |
| 5 | +5V output |
| 6 | GND |
| 7 | |
| 8 | SHIELD |
TTo operate in RS-485 pins 1-2 and 4-3 must be connected externally.
EXPANSION SLOT FOR PLUG-IN MODULES
The validity of UL certification is ensured only by using accessories (PLxx) covered by the same certificate.
DISPOSE OF BATTERIES

Dispose of batteries according to local regulations. This device cannot be disposed of as a domestic waste but according to WEEE European Directive 2012/19/EU
These devices are equipped with rechargeable Lithium battery, not user-replaceable.
USAGE IN EXPLOSION-HAZARDOUS AREAS ZONE 2
Warning
- The connection and installation have to be done in conformity with ATEX Directive, IEC EN 60079-14, and have to be performed by authorized, qualified personnel and in possession of necessary skills.
- Confirm that the location is free from explosively hazardous gases or dust before connecting or disconnecting equipment, replacing or wiring modules. Confirm that the power supply has been turned OFF before disconnecting, replacing or wiring modules.
Check that panels are mounted in enclosures satisfying minimum IP54 degree of protection for category 3G and the requirements relating to the 3G categories ATEX markings, apllied to the Models eXware707M
INSCRIPTIONS
- T Amb: 0°C – +50°C or -20°C – +60°C
- Type examination certificate number: DEMKO 17 ATEX 1871X / UL22UKEX2726X
The product has been designed for use in industrial, residential, commercial, light industrial and marine environment in compliance with the 2014/30/EU directives.
WARNING
- Power, input and output (I/O) wiring must be in accordance with Class I, Division 2 wiring methods, Article 501.10 (B) of the National Electrical Code, NFPA 70 for installation in the U.S., or as specified in Section 18-1J2 of Canadian Electrical Code for installations within Canada and in accordance with the authority having jurisdictions.
- EXPLOSION HAZARD – SUBSTITUTION OF ANY COMPONENT MAY IMPAIR SUITABILITY FOR CLASS I, DIVISION 2.
- EXPLOSION HAZARD WHEN IN HAZARDOUS LOCATIONS, TURN OFF POWER BEFORE REPLACING OR WIRING MODULES.
- EXPLOSION HAZARD DO NOT DISCONNECT EQUIPMENT WHILE THE CIRCUIT IS LIVE OR UNLESS THE AREA IS KNOW TO BE FREE OF IGNITABLE CONCENTRATIONS. SUITABLE FOR USE IN CLASS I, DIVISION 2, GROUPS A, B, C AND D HAZARDOUS LOCATIONS, OR NONHAZARDOUS LOCATIONS ONLY.
- EXPLOSION HAZARD DO NOT CHANGE BATTERY UNLESS THE AREA IS KNOWN TO BE FREE OF IGNITABLE CONCENTRATIONS eXware, is an open-type device and is required to be installed on a DIN-rail in an enclosure suitable for the environment such that the internal part of the equipment is only accessible with the use of a tool.
- DO NOT DISCONNECT WHILE CIRCUIT IS LIVE
Ensure that the labelling specifications are compatible with the conditions permitted for the hazardous area at the site where it is being used (Zones 2 Group II: Surface industries – Category 3: Normal level of protection – G: Gas)
- IP: degree of protection (protection against solids and liquids)
- EN 61000-6-4 EN 61000-6-3 EN 61000-6-2 EN 61000-6-1
- CISPR 32 Class B EN 61000-4-2 EN 61000-4-3 EN 61000-4-4 EN 61000-4-5 EN 61000-4-6 EN 61000-4-8 EN 61000-4-29
Equipment group II, category 3 intended for use in potentially explosive atmospheres zones 2, G:gas.
Type examination certificate number: DEMKO 17 ATEX 1871X / UL22UKEX2726X
STANDARDS AND APPROVALS
IECEx IEC
60079-0, Ed.7
IEC 60079-7, Ed.5.1
IECEx: IECEx ULD 17.0019X
Ex ec IIC T5…T4 Gc 0°CTamb+50°C or -20°CTamb+60°C
ATEX
EN IEC 60079-0: 2018
EN IEC 60079-7: 2015
+A11:2013

DEMKO 17 ATEX 1871X / UL22UKEX2726X
II 3G Ex ec IIC T5…T4 Gc 0°CTamb+50°C or -20°CTamb+60°C
SPECIAL INSTRUCTION FOR USE
- The equipment shall only be used in an area of at least pollution degree 2, as defined in IEC/EN 60664-1.
- The equipment shall be installed in an enclosure that provides a minimum ingress protection of IP54 in accordance with IEC/EN 60079-0.
- Transient protection shall be provided that is set at a level not exceeding 140 % of the peak rated voltage value at the supply terminals to the equipment.
The relation between maximum ambient temperature and the assigned temperature class is as follow:
| Maximum ambient temperature range | Temperature Class |
| -20°C up to 60°C | T4 |
| 0°C up to 50°C | T5 |
- Ambient temperature range: the ambient temperature range is 20°CTamb+60°C.
- The ambient temperature range is limited to 0°CTamb+50°C when installed with plug-in module, model PLIO03 with Part Number PLIO03xxxxY with Y2.
TECHNICAL DATA
| Model | eXware707M |
| User memory flash | 8GB |
| SD card slot | yes |
| Recipe memory | 2GB |
| Serial Port | RS-232,RS-485, RS-422 software configurable |
| Ethernet port | 2 10/100Mb 1 10/100/1000Mb |
| USB port | 2 Host interface version 2.0 max. 500mA |
| Expansion slot | 2 Optional Plugin |
| Battery | rechargeable |
| Real Time Clock | yes |
| Voltage | 24Vdc |
| Current rating (at 24VDC) | 0.50A |
| Weight | 0.7 Kg |
PRODUCT IDENTIFICATION
The product may be identified through a plate attached to the rear cover. You will have to know the type of unit you are using for correct usage of the information contained in the guide. An example of this plate is shown in the figure below:
OPTIONAL PLUGIN MODULE
The panels have several optional plugin module, multiple modules configurations are possible.
Slot#2 and Slot#4 are available only if plugin module has the “bus extension connector”.
Each slot carries two communication channels:
- 1 serial interface
- 1 CAN interface
- 1 SPI interface
- 1 2G/3G interface
Note: It is not possible to stack two modules that are using the same type of interface.
PRODUCT IDENTIFICATION
Note: the PLCM01 label is used as an example for PLCM01, PLCM05, PLCM09X, PLIO03

- product model name: PLCM01 PLCM01U0P1 1816
- product part number: PLCM01U0P1
- year/week of production: 1816
- serial number: AA0000225000000561AA
- version id of the product: 050100A00000000
- manufacturer address and read instruction warning: ATEX Marking IECEx Marking: Exor International S.p.A. Via Monte Fiorino 9-13 IT-37057 San Giovanni Lupatoto (VR)
INSTALLATION PROCEDURE


| Module Modul Module Módulo Modulo | Application Anwendung Application Aplicación Applicazione | Max Modules Max Module Max modules Módulos Max Moduli massimi | Bus Extension connector Bus-Erweiterungsstecker Connecteur d’extension de bus Conector de extensión de bus Connettore estensione bus |
| PLCM01 | CAN | 2 | Y |
| PLCM01-NE | CAN | 2 | N |
| PLCM05 | CODESYS License | 1 | Y |
| PLCM09X | 3G modem | 1 | Y |
| PLIO03 | Multifunction I/O | 1 | N |
| PLCM01 PLCM01-NE | Operating temperature -20°C to 60°C |
| PLCM05 | Operating temperature -20°C to 60°C |
| PLCM09X | Operating temperature -20°C to 60°C |
| PLIO03 | with part number PLIO03xxxxY where: – Y≤2 is operating temperature range 0°C≤Tamb≤+50°C with Operating Temperature Code T5 (vertical installation), 12-30VDC – Y>2 is operating temperature range –20°C≤Tamb≤+60°C with Operating Temperature Code T4 (vertical installation), 12-30VDC |
Below you can find relation between modules and max number of modules that can be used into eXware serie panels, based on their Interface Type:
Note the above different “Operating Temperature Code” for different part number of PLIO03 module.
PLCM and PLIO03 electrical ratings
- PLCM01: For electrical rating refers to the host eXware models.
- PLCM05: For electrical rating refers to the host eXware models and PLIO03 ratings
- PLCM09X: 2xDigital Inputs voltage 12÷30 Vdc, 3mA; 2xDigital Outputs voltage 12÷30 Vdc, 0.5A
- PLIO03: 20xDigital Inputs voltage 12÷30 Vdc; 12xDigital Outputs voltage 12÷30 Vdc, 0.5A; 4xAnalog inputs 0÷10 Vdc, 4-20mA; 4xAnalog outputs: 0÷10 Vdc, 4-20mA
Software available in this product is based on OpenSource. Visit oss.exorint.net for more details.
Reproduction of the contents of this copyrighted document, in whole or part, without written permission of Exor International S.p.A., is prohibited.
User Manual available on: www.exorint.com
MANEXW707MU003 V.1.01 22.12.2022 ©2022 Exor International S.p.A
Exor International S.p.A. – San Giovanni Lupatoto VR, Italy
www.exorint.com



















