CP electronics EBDHS-DD High Bay PIR Presence or Absence Detector

Warning: This device should be installed by a qualified electrician in accordance with the latest edition of the IEE wiring regulations.
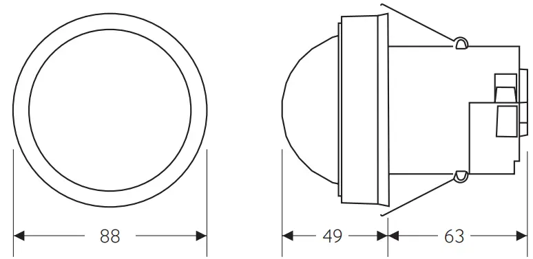
Dimensions (mm)

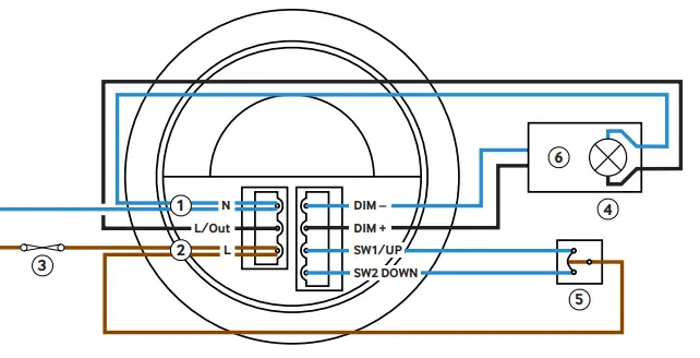
Wiring
Dimming ouputs
Basic insulation only. Although low voltage, this is not an SELV output and should be treated as if mains potential. Use mains rated wiring.
Single channel dimming
Switches the luminaire with occupancy and maintains illuminance. Dims and switches using optional centre biased retractive switch.
Key

- Neutral
- Live
- 10A circuit protection if required
- Load
- Centre-biased retractive switch, 230V (for absence detection)
- Dimming ballast
When there is a requirement to have an ‘Off’ state that requires a permanent dimmed level, then use the DSI / DALI “pair” to both switch and dim, and a live feed direct to the ballast. Set the ‘Off value’ (in the Advanced Programming section) to a value greater than zero to achieve a permanent dimmed level for the ‘Off’ state.
Key

- Neutral
- Live
- 10A circuit protection if required
- Load
- Centre biased retractive switch, 230V (for absence detection)
- Dimming ballast
Two channel, individual switch
Switches both channels with occupancy. Maintains illuminance, dims and switches the dimming channel using optional single position retractive switch (switch 2). Switches the switching channel using the optional single position retractive switch (switch 1).
Key

- Neutral
- Live
- 10A circuit protection if required
- Load
- Momentary push to wake switch (for absence detection)
- Dimming Ballast
Two-channel, single switch
Switches both channels with occupancy. Maintains illuminance, dims and switches the dimming channel using optional centre biased retractive switch.
Key

- Neutral
- Live
- 10A circuit protection if required
- Load
- Centre biased retractive switch, 230V (for absence detection)
- Dimming ballast
Single channel switching
Switches channel 1 only with occupancy, optional override switch. No dimming output.
Key

- Neutral
- Live
- 10A circuit protection if required
- Load
- Centre-biased retractive switch, 230V (for absence detection)
Presence or absence detection
The unit ships with presence detection as default.
- To change over to absence detection, press and release the external switch 5 times within the first minute of power up. The LED will turn on red for 30 seconds to indicate absence mode has been selected.
- To change back to presence detection, repeat the aboveprocedure – the LED will flash red for 30 seconds to indicate presence mode has been selected.
To use absence detection a retractive (momentary) switch must be connected between the 2 terminals on the diagram. Note that this will be switching mains voltage.
Note: the above adjustments can also be made using the optional UHS5 or UNLCDHS handsets.
Detection pattern

Walk across
Height/Range Diameter

- 15m: 40m
- 10m: 26m
- 6m: 16m
- 3m: 9m
Walk towards
Height/Range Diameter

- 15m: 30m
- 10m: 20m
- 6m: 12m
- 3m: 8m
Alignment marks

The sensor head has 4 alignment marks. These correspond to the 4 outer passive infrared sensors under the lens. Use these marks to align with aisles and corridors to ensure the best detection characteristics.
Masking shields
The detector includes two clip-on masking shields, enabling precise masking of the detection shape for aisles and corners as well as narrowing the detection diameter.

- Lateral trim pattern for slot style detection.
- Radial trim pattern for narrowing the detection diameter.
Ensure all infra-red (IR) programming is completed before affixing the masking shields to the detector.
Masking shield application
Aisles

- Trim the masks laterally to reduce the detection width for aisles.
Key

- a. Trim line
- b. 15m Mounting height
- c. 10m Mounting height
- d. 6m Mounting height
- e. 3m Mounting height
- wa = walk across
- wt = walk towards
Install shields to detector

- Align trimmed shields with sensor head alignment marks and aisle.
Narrow detection

- Trim the masks along radial lines to narrow the detection diameter.

Key
- a. Trim line
- b. 15m Mounting height
- c. 10m Mounting height
- d. 6m Mounting height
- e. 3m Mounting height
- wa = walk across
- wt = walk towards
Install shields to detector

- Align trimmed shields with sensor head alignment marks and aisle.
Installation
This device is designed to be flush ceiling-mounted. See page 24 for additional mounting options.
- Do not site the unit where direct sunlight might enter the sensor.
- Do not site the sensor within 1m of any lighting, forced air heating or ventilation.
- Do not fix the sensor to an unstable or vibrating surface.
Create cut out

- Cut a 64mm diameter hole in the ceiling.
Wire stripping

- Strip the wires as shown opposite. Presence detector does not require earth conductor.
Wire in plugs & connect to detector

- Wire in plug/s, using wiring diagram on page 3 as a guide. Connect the plug/s to the detector.
Clamp cable

- Continue tightening the screws until the clamp bar snaps out and is tightly engaged against the cable/s. The cable clamp must clamp the outer sheath only.
Install detector

- Bend the springs up and push detector through hole in ceiling. When fully inserted the springs snap back to hold the device in place.
Warning: To avoid injury, take care when bending springs.
Default Settings
- Time out: 20 minutes.
- LUX on level: 9
- LUX off level: 9
- Sensitivity: 9
- Detection: Presence
Adjustments can be made using the optional UHS5 or UNLCDHS handsets.
Testing
Presence Detection

- Power up the sensor. The load should come on immediately.
- Vacate the room or remain very still and wait for the load to switch off (this should take less than 20 minutes).
- Enter the room or make some movement and check that the load switches on.
Absence Detection

- Power up the sensor. Switch the load on.
- Vacate the room and wait for the load to switch off (this should under than 20 minutes).
- Enter the room, the load will remain off until you switch it on again.
Technical Data

Accessories & associated products
Part Number/Description
![]()
- Surface mounting box
- Surface mount back box extender
- Pre-drilled 64mm hole IP65 detector enclosure
- Extended wiring housing
- Compact, programming/commissioning handset
- Compact, user handset
- Universal LCD IR handset/commissioning handset
CP Electronics
- Brent Crescent, London NW10 7XR
- Tel: +44 (0)333 900 0671
- [email protected]
- www.cpelectronics.co.uk
Downloads and Videos

connect with us![]()
Due to our policy of continual product improvement CP Electronics reserves the right to alter the specification of this product without prior notice.












