Industrial Ethernet Switch
User Manual
MIEN2216 Industrial Ethernet Switch
MIEN2216
MIEN2218-2F
MIEN2220-4F
MIEN6216
MIEN6218-2F
MIEN6220-4F
Version: V2.0
Packing List
The package of this switch contains the following items. If any item is found to be missing or damaged, please contact the agent or the customer service center of Maiwe for assistant.
| Item | Qty | Remarks |
| Industrial Ethernet Switch | 1pc | |
| Power core | 1pc | AD220 model only |
| CONSOLE port line | 1pc | MIEN6216 serie only |
| User manual | 1pc |
Product Overview
MIEN6216 series is managed din-rail industrial ethernet switch, MIEN2216 series is unmanaged din-rail industrial ethernet switch. MIEN2216/6216 offers 16 ports (16 100M copper port) ; MIEN2218/6218-2F offers 18 ports (16 100M copper port and 2 100M fiber port); MIEN2220/ 6220-4F offers 20 ports (16 100M copper and 2 100M fiber port).
Remarks :MIEN2216/18/20 series offers no CONSOLE 。
Port and Size
Take MIEN6220-4F as example
| 1. P1/P2 Power supply 2. Ground screw 3. Relay output terminal 4.CONSOLE port | 5. LED indication ligthts 6. Single-mode/multi-mode 100M fiber port 7. 100M copper port 4.CONSOLE port |

【Power connection 】
This series of switches provises 5-position input terminal blocks. The connection method varies from power range.
| No. | Pin Definition |
| 1 | Power 1 supply V1+ (AC-L ) /positive (DC) |
| 2 | Power 1 supply V1- (AC-N) /negative (DC) |
| 3 | Groud |
| 4 | Power 2 supply V2+ positive (DC) |
| 5 | Power 2 supply V2- negative (DC) |
【Relay connection 】
The wiring terminal adopts 3-position 3.81mm pitch terminal with one normally open and one normally closed relay. The one in the middle is the commen terminal, and the two terminals on the left are the normally open relay, the two on the right are normally closed relays. When the switch is working, the left two on and the right two off. When the system is powered off, the left two off and the right two on. The recommended load capacity of the relay is 1A (24VDC).
| No. | Pin Definition |
| 1 | Alarm relay output normally open |
| 2 | Alarm relay output commen terminal |
| 3 | Alarm relay output normally closed |
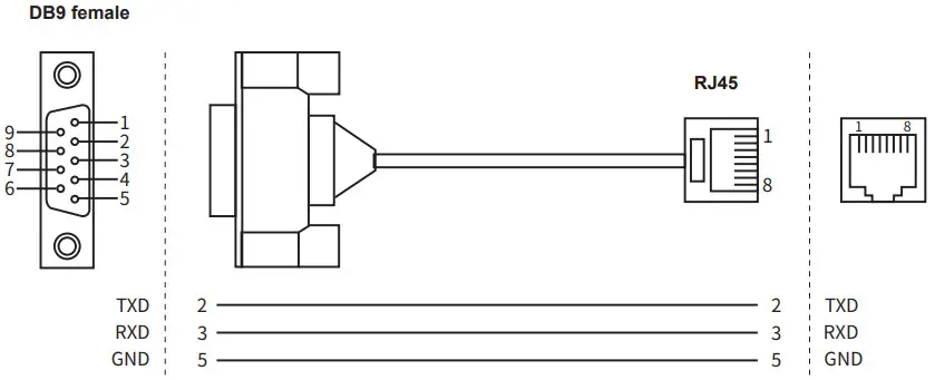
【CONSOLE Connection 】
The network management port is an RJ45 interface. Please use the serial port extension cable provided by our company to connect to the PC’s serial port. The interface communication standard is 3-wire RS-232.
Indicator Light Description
| LED | Status | Definition |
| P1 | on | Power supply 1 connection is operating normally |
| off | Power supply 1 is not connected or operating abnormally | |
| P2 | on | Power supply 2 connection is operating normally (AC none) |
| off | Power supply 2 is not connected or operating abnormally | |
| ALM | on | Power alarm |
| off | No power alarm | |
| RUN | Blinkling | The device is operating normally |
| on/off | The device is operating abnormally | |
| LINK/ACT (1∼20) | on | Port has established a valid network connection |
| Blinking | Port is in network communication state | |
| off | Port has not established a valid network connection | |
| SPEED (1∼16) | on | 100M connection |
| off | No connection or 10M connection |
Hardware installation
Installation requirement
To avoid equipment damage or personal injury caused by improper use, please observe the following precautions:
- Wear an anti-static wrist strap or anti-static gloves during installation, and keep the switch be powered off.
- Be sure that the input voltage is within the input voltage range marked on the switch.
- Please correctly connect the power cord to the power terminal before power on;
Please do power off before remove power cord. - The transmission distance has a certain relationship with the type of cable. It is recommended to use a standard Cat5e/6 network cable.
- The equipment must be grounded for lightning protection, otherwise the protection level of the equipment will be greatly reduced; please use a wire of No. 20 or more to connect the grounding terminal to the ground.
- The power line, ground line and signal line are laid out separately and the distance is not less than 5cm.
Device installation
- 1, Tilt the switch upwards so that the upper end of the buckle is fastened to the upper end of the DIN rail.
- 2, Press the device obliquely downwards so that the lower end of the buckle on the back of the device is buckled into the DIN rail. After buckling, shake the device. If there is no obvious shaking, the device is installed firmly.

Device installation
- Optical fibers and network cables
Connect the optical fiber and network cable to the port in the correct direction.
- Power input
Before connecting the power cord, make sure that the ground is connected, and then connect the power cord to the power terminal of the device according to the definition.

Log in to the WEB interface
The device supports WEB management and configuration. The computer can access the device through the Ethernet interface and log in to the main interface of the WEB server through a browser.
- Make sure the IP address of the computer and the device is in the same network segment, and the network can access each other.
- Enter the IP address of the device in the address bar of the computer browser, the default
IP address is 192.168.16.253 - Enter the user name and password of the device in the login window
- Click the “OK” button to log in to the WEB interface of the device
There are two types of login users. The first type is a normal user, and the user name and initial password are both “admin”; the second type is a guest, and both the user name and password are “none”.
Specification
| MIEN2216/6216 | M1EN2218/6218-2F | M1EN2220/6220-4F | |
| Exchange properties | |||
| Bandwidth | 8.8G | ||
| Cache size | 3M bit | ||
| MAC table size | 8K | ||
| Interface | |||
| 100M fiber port | — | 2*100Base-FX | 4*100Base-FX |
| SC/FC/ST connectors are available | |||
| 100M copper port | 16* 10Base-T/100Base-TX RJ45 ports | 16* 10Base-T/100Base-TX RJ45 ports | 16* 10Base-T/100Base-TX RJ45 ports |
| Full-duplex/half-duplex adaptive, supports MDI/MDI-X adaptive | |||
| The power supply parameters | |||
| Power consumption | 7W/8W@24V(max) | 8W/9W@24V(max) | 9W/10W@24V(max) |
| DC power input | DC12 —48V, DC48V (36-72V) Supports dual power supply redundancy and reverse connection protection | ||
| AC power input | AC85-264V (frequency: 47-63Hz) or DC110-370V | ||
| Mechanical parameters | |||
| Size | 160mmx74mmx122mm(LxWxH)(NOT INCLUDE DIN-RAIL) | ||
| Installation | 35mm standard DIN-RAIL | ||
| Heat dissipation | Aluminum alloy single-rib chassis surface scattered | ||
| IP protection | IP40 | ||
| Weight | About 0.95kg | ||
| Working temperature | |||
| Working temperature: -40t-+85t | |||
| Storage temperature: -40`C-+85’C | |||
| Humidity | 5%-95% (No condensation) | ||
| Industry standard | |||
| EMC | IEC61000-4-2(ESD),Level4 IEC61000-4-5(Surge),Level4 X Ethemet ports support 6KV lightning IEC61000-4-4(EFT),Level4 IEC61000-4-3(RS),Level4 IEC61000-4-6(CS),Level4 | ||
Order Guide
| Models | 100M fiber | 100M copper | Power |
| MIEN2216 | 0 | 16 | DC power supply: DC12-48V, DC48V(36-72V) AC power supply: AC85 —264V (frequency: 47-63Hz) or DC110-370V |
| MIEN2218-2F | 2 | 16 | |
| MIEN2220-4F | 4 | 16 | |
| MIEN6216 | 0 | 16 | |
| MIEN6218-2F | 2 | 16 | |
| MIEN6220-4F | 4 | 16 |
After-sale service
The company solemnly promises: in the normal use of a month to return, one year free maintenance, five years warranty, lifelong maintenance. The details are as follows:
- For quality problems, we commit one-month refunded, one-year free maintenance, five-year warranty, and end-of-life maintenance.
- The repair service will be completed within 7 days (excluding transportation time) if qty less than 10 sets, and within one month if qty more than 10 sets.
- Optical passive products such as optical fibers, optical cables, jumpers, flanges, and optical cable terminal boxes are guaranteed within two years, but no return service is provided.
- The accessories and power supply are guaranteed for one year.
- It is recommended to use the original packaging or the packaging with the same protective effect, otherwise the customer shall bear the risks that occur during the transportation.
- The repaired product can enjoy another 6 months warranty service.
- After-sales service is detailed in the contract, Maiwe all rights reserved.
Wuhan Maiwe Communication Co., Ltd.
Add: Building E2, No. 2 building, Area E Fenghuang Industrial park, No. 52 Liufang Avenue, East lake
Hightech Development Zone, Wuhan, China.
Tel: 027-87170215/16
Fax: 027-87170217
Post Code: 430205
Site: www.maiwe.com
Statement
Due to the continuous updating and improvement of products and technologies, the contents of this manual will be updated from time to time. All the information in the manual is only used for instructions, if the content in the text does not completely match the actual product, please understand and please contact our customer service in time.
Copyright 2021 Maiwe Communication All rights reserved.
The right to interpret the information published in this material belongs to Wuhan Maiwe Communication Co., Ltd. and shall not be used or changed without formal authorization.





















