leonton EG5-1600 Series 16-Port Industrial Gigabit Managed Ethernet Switch User Manual
© Copyright 2020 Leonton Technologies Co., Ltd.
All Rights Reserved
This document contains information, which is protected by copyright. Reproduction, adaptation or translation without prior permission is prohibited, except as allowed under the copyright laws.
Disclaimer
Leonton Technologies, Co. Ltd. provides this manual without warranty of any kind, expressed or implied, including but not limited to the implied warranties of merchantability and fitness for a particular purpose. Leonton Technologies, Co. Ltd. may make improvements and/or changes to the product and/or specifications of the product described in this manual, without prior notice. Leonton Technologies, Co. Ltd. will not be liable for any technical inaccuracies or typographical errors found in this guide. Changes are periodically made to the information contained herein and will be incorporated into later versions of the manual. The information contained is subject to change without prior notice.
FCC Notice
This equipment has been tested and found to comply with the limits for a Class-A digital device, pursuant to Part 15 of the FCC rules. These limits are designed to provide reasonable protection against harmful interference in a residential installation. This equipment generates, uses, and can radiate radio frequency energy. It may cause harmful interference to radio communications if the equipment is not installed and used in accordance with the instructions. However, there is no guarantee that interference will not occur in a particular installation. If this equipment does cause harmful interference to radio or television reception, which can be determined by turning the equipment off and on, the user is encouraged to try to correct the interference by one or more of the following measures:
- Reorient or relocate the receiving antenna.
- Increase the separation between the equipment and receiver.
- Connect the equipment into an outlet on a circuit different from that to which the receiver is connected.
- Consult the dealer or an experienced radio/TV technician for help.
Caution: Any changes or modifications not expressly approved by the grantee of this device could void the user’s authority to operate the equipment.
CE Mark Warning
This is a Class-A product. In a domestic environment this product may cause radio interference in which case the user may be required to take adequate measures.
This document is the current official release manual. Please check our website (www.leonton.com) for any updated manual or contact us by e-mail ([email protected]).
Overview
This series is rated IP30 and installation by DIN Rail. Each unit of this industrial gigabit managed Ethernet switch series has 16*10/100/1000Tx, suitable for applications that require high bandwidth communication.
In order to prevent unregulated voltage, this series provides high EFT and ESD protection. This also allows it to function in harsh environments, as well as support power redundancy with a dual power input design with reverse polarity protection.
With one model having an operating temperature of -10°C ~ 65°C, and another with a wide operating temperature of -40°C ~ 75°C, this series is designed to meet any needs for industrial automation application and harsh environments.
Key Features
Interface & Performance
- All Copper ports support auto MDI/MDI-X function
- EG5-1600 – Embedded 16*10/100/1000Tx
- Store-and-forward switching architecture
- 8K MAC Address Table
- Supports 9.6Kbytes Jumbo Frame
- 4Mbits memory buffer
Power Input
- EG5-1600: Dual 12-48VDC redundant power inputs, with SELV output certified by UL61010- 2-201
- 2 removable 4-contact terminal block
- Max. current 0.92A
Certification
- CE/FCC
- UL 61010-1
- UL 61010-2-201
- IEC 61850-3
Operating Temperature
- Standard operating temperature model: -10°C ~ 65°C
- Extended operating temperature model (–T): -40°C ~ 75°C
Case/Installation
- IP30 protection (not certified by UL)
- Installation in pollution degree to environment
- DIN-Rail and Wall mount design
- indoor use
- Pollution degree
Package Contents
- 1 – EG5-1600(-T) x 1
- 2 – Wall mounting brackets and screws x 1
- 3 – Quick installation guide x 1
- 4 – RJ45 to DB9 Serial Console cable x 1
Safety Precaution
Attention
If the DC voltage is supplied by an external circuit, please use a protection device on the power supply input. Supply by UL Listed industrial use power. The industrial Ethernet switch’s hardware specs, ports, cabling information, and wiring installation will be described within this user manual.
Hardware Description
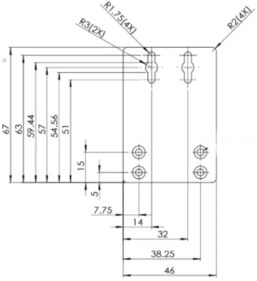
Physical Dimensions
Figure 2.1, below, shows the physical dimensions.

Figure 2.1: Physical Dimensions
Front Panel
The front panel of the EG5-1600 series industrial gigabit managed Ethernet switch is shown below in Figure 2.2.

Figure 2.2: The Front Panel
Top View
Figure 2.3, below, shows the top panel of the EG5-1600 series switches that is equipped with two 4-pin removal terminal block connector for dual DC power inputs (12-48VDC).

Figure 2.3: Top Panel View
LED Indicators
There are LED light indicators located on the front panel of the industrial Ethernet switch that display the power status and network status. Each LED indicator has a different color and has its own specific meaning, see below in Table 2.1.
| LED | Color | Description | |
| P1 | Green | On | Power input 1 is active |
| Off | Power input 1 is inactive | ||
| P2 | Green | On | Power input 2 is active |
| Off | Power input 2 is inactive | ||
| STATUS | Green | On | No configured event happens |
| Red | Off |
| |
| MASTER | Green | On | ERPS Owner Mode (Ring Master) is ready |
| Off | ERPS Owner Mode is not active | ||
| RING | Green | On | ERPS Ring Network is active and works well |
| Off | ERPS Ring Network is not active | ||
| 1G (LAN Port 1-16) | Green![]() | On | Connected to network, 1000Mbps |
| Flashing | Networking is active | ||
| Off | Not connected to network | ||
| 10/100 (LAN Port 1-16) | Green![]() | On | Connected to network, 10/100Mbps |
| Flashing | Networking is active | ||
| Off | Not connected to network | ||
Table 2.1: LED Indictors
Ethernet Ports
RJ-45 Ports (Auto MDI/MDIX)
The RJ-45 ports are auto-sensing for 10Base-T, 100Base-TX or 1000Base-T devices connections. Auto MDI/MDIX means that the switch can connect to another switch or workstation without changing the straight-through or crossover cabling. See the figures as below for straight-through and crossover cabling schematics.
10/100BASE-T(X) RJ-45 Pin Assignments (Table 2.2)
| Crossover Cable | Straight Through Cable | ||
| Pin Number / Signal | Pin Number / Signal | Pin Number / Signal | Pin Number / Signal |
| 1 / RX+ | 3 / TX+ | 1 / RX+ | 1 / TX+ |
| 2 / RX- | 6 / TX- | 2 / RX- | 2 / TX- |
| 3 / TX+ | 1 / RX+ | 3 / TX+ | 3 / RX+ |
| 6 / TX- | 2 / RX- | 6 / TX- | 6 / RX- |
1000BASE-T RJ-45 Pin Assignments (Table 2.3)
| Crossover Cable | Straight Through Cable | ||
| Pin Number / Signal | Pin Number / Signal | Pin Number / Signal | Pin Number / Signal |
| 1 / TP0+ | 3 / TP1+ | 1 / TP0+ | 1 / TP1+ |
| 2 / TP0- | 6 / TP1- | 2 / TP0- | 2 / TP1- |
| 3 / TP1+ | 1 / TP0+ | 3 / TP1+ | 3 / TP0+ |
| 4 / TP2+ | 7 / TP3+ | 4 / TP2+ | 4 / TP3+ |
| 5 / TP2- | 8 / TP3- | 5 / TP2- | 5 / TP3- |
| 6 / TP1- | 2 / TP0- | 6 / TP1- | 6 / TP0- |
| 7 / TP3+ | 4 / TP2+ | 7 / TP3+ | 7 / TP2+ |
| 8 / TP3- | 5 / TP2- | 8 / TP3- | 8 / TP2- |
Note: “+” and “-” signs represent the polarity of the wires that make up each wire pair.
Cabling
Use the four twisted-pair, category 5e, or the above cabling for RJ-45 port connections. The cable between the switch and the link partner (switch, hub, workstation, etc.) must be less than 100 meters (328 ft.) long.
Wiring the Power Inputs
Caution: Please follow the below steps to insert the power wire.
- Step 1 Insert the positive and negative wires into the PWR1 (V1-, V1+) and PWR2 (V2-, V2+) contacts on the terminal block connector as shown below in Figure 2.9.

Figure 2.9: Power Terminal Block - Step 2 Tighten the wire-clamp screws to prevent the wires from loosening, as shown below in Figure 2.10.

Figure 2.10: Power Terminal Block
Caution: Only use copper conductors, 125°C, tighten to 5 in-lbs (0.56 Nm). The wire gauge for the terminal block should range between 18~20 AWG.
Mounting Installation
DIN-Rail Mounting
The DIN-Rail is pre-installed on the industrial Ethernet switch from the factory. If the DIN-Rail is not on the industrial Ethernet switch, please see Figure 3.1 to learn how to install the DIN-Rail on the switch.

Figure 3.1: The Rear Side of the Switch and DIN-Rail Bracket
Follow the steps below to learn how to hang the industrial Ethernet switch.
- Step 1. Use the screws to install the DIN-Rail bracket on the rear side of the industrial Ethernet switch.
- Step 2. To remove the DIN-Rail bracket, do the opposite from Step 1.
- Step 3. After the DIN-Rail bracket is installed on the rear side of the switch, insert the top of the DIN-Rail on to the track as shown below in Figure 3.2.

Figure 3.2: Insert the Switch on the DIN-Rail - Step 4. Lightly pull down the bracket on to the rail as shown below in Figure 3.3.

Figure 3.3: Stable the Switch on DIN-Rail - Step 5. Check if the bracket is mounted tightly on the rail.
- Step 6. To remove the industrial Ethernet switch from the rail, do the opposite from the above steps.
Wall Mounting – in the industrial control panel
Follow the steps below to mount the industrial Ethernet switch using the wall mounting bracket as shown below in Figure 3.4.
- Step 1. Remove the DIN-Rail bracket from the industrial Ethernet switch by loosening the screws.
- Step 2. Place the wall mounting brackets on the top and bottom of the industrial Ethernet switch.
- Step 3. Use the screws to screw the wall mounting bracket on the industrial Ethernet switch.
- Step 4. Use the hook holes at the corners of the wall mounting bracket to hang the industrial Ethernet switch on the wall.
- Step 5. To remove the wall mount bracket, do the opposite from the steps above.

Figure 3.4: Remove DIN-Rail Bracket from the Switch and Install the Wall Mount Bracket
Below, in Figure 3.5 are the dimensions of the wall mounting bracket.

Figure 3.5: Wall Mounting Bracket Dimensions
Hardware Installation
Installation Steps
This section will explain how to install EG5-1600 series.
Installation Steps
- Step 1. Unpack the industrial Ethernet switch from the original packing box.
- Step 2. Check if the DIN-Rail bracket is screwed on the industrial Ethernet switch.
- If the DIN-Rail is not screwed on the industrial Ethernet switch, please refer to the DIN-Rail Mounting section for DIN-Rail installation.
- If you want to wall mount the industrial Ethernet switch, please refer to the Wall Mounting section for wall mounting installation.
- Step 3. To hang the industrial Ethernet switch on a DIN-Rail or wall, please refer to the Mounting Installation section.
- Step 4. Power on the industrial Ethernet switch and then the power LED light will turn on.
- If you need help on how to wire power, please refer to the Wiring the Power Inputs section.
- Please refer to the LED Indicators section for LED light indication.
- Step 5. Prepare the twisted-pair, straight-through category 5 cable for Ethernet connection.
- Step 6. Insert one side of the RJ-45 cable into switch’s Ethernet port and on the other side into the networking device’s Ethernet port, e.g. switch PC or server. The Ethernet port’s (RJ-45) LED
on the industrial Ethernet switch will turn on when the cable is connected to the networking device.- Please refer to the LED Indicators section for LED light indication.
- Step 7. When all connections are set and the LED lights all show normal, the installation is complete.
Trouble Shooting
- Verify you have the right power cord or adapter. Never use a power supply or adapter with a non-compliant DC output voltage or it will burn the equipment.
- Select the proper UTP or STP cable in order to construct the network. Use an unshielded twistedpair (UTP) or shield twisted-pair (STP) cable for RJ-45 connections: 100Ω Category 5e for 10/100/1000Mbps. Also be sure that the length of any twisted-pair connection does not exceed 100 meters (328 feet).
- Diagnosing LED Indicators: To assist in identifying problems, the switch can be easily monitored with the LED indicators which help to identity if any problems exist.
- Please refer to the LED Indicators section for LED light indication.
- If the power indicator LED does not turn on when the power cord is plugged in, the user may have a problem with the power cord. Check for loose power connections, power losses or surges at the power outlet.
- Please contact Leonton for technical support service, if the problem still cannot be resolved.
- If the industrial switch LED indicators are normal and the connected cables are correct but the packets still cannot transmit, please check the system’s Ethernet devices’ configuration or status.


























