Goodman GSZC180361 3.0 Ton 18 SEER Two Stage Heat Pump System

IMPORTANT SAFETY INSTRUCTIONS
The following symbols and labels are used throughout this manual to indicate immediate or potential safety hazards. It is the owner’s and installer’s responsibility to read and comply with all safety information and instructions accompanying these symbols. Failure to heed safety information increases the risk of personal injury, property damage, and/or product damage.
WARNING
High Voltage!
Disconnect all power before servicing or installing this unit. Multiple power sources may be present. Failure to do so may cause property damage, personal injury or death.
Only personnel that have been trained to install, adjust, service or repair(hereinafter, “service”) the equipment specified in this manual should service the equipment. The manufacturer will not be responsible for any injury or property damage arising from improper service or service procedures. If you service this unit, you assume responsibility for any injury or property damage which may result. In addition, in jurisdictions that require one or more licenses to service the equipment specified in this manual, only licensed personnel should service the equipment. Improper installation, adjustment, servicing or repair of the equipment specified in this manual, or attempting to install, adjust, service or repair the equipment specified in this manual without proper training may result in product damage, property damage, personal injury or death.
CAUTING
Scroll equipped units should never be used to evacuate the air conditioning system. Vacuums this low can cause internal electrical arcing resulting in a damaged or failed compressor.
SHIPPING INSPECTION
Always keep the unit upright; laying the unit on its side
or top may cause equipment damage. Shipping damage, and subsequent investigation is the responsibility of
the carrier. Verify the model number, specifications, electrical characteristics, and accessories are correct prior to installation. The distributor or manufacturer will not accept claims from dealers for transportation damage or installation of incorrectly shipped units.
CODES & REGULATIONS
This product is designed and manufactured to comply with national codes. Installation in accordance with such codes and/or prevailing local codes/regulations is the responsibility of the installer. The manufacturer assumes no responsibility for equipment installed in violation of any codes or regulations. Rated performance is achieved after 72 hours of operation. Rated performance is delivered at the specified airflow. See outdoor unit specification sheet for split system models or product specification sheet for packaged and light commercial models. Specification sheets can be found at www.goodmanmfg.com for Goodman® brand products or www.amana-hac.com for Amana® brand products. Within either website, please select the residential or commercial products menu and then select the submenu for the type of product to be installed, such as air conditioners or heat pumps, to access a list of product pages that each contain links to that model’s specification sheet.
The United States Environmental Protection Agency (EPA) has issued various regulations regarding the introduction and disposal of refrigerants. Failure to follow these regulations may harm the environment and can lead to the imposition of substantial fines. Should you have any questions please contact the local office of the EPA.
If replacing a condensing unit or air handler, the system must be manufacturer approved and Air Conditioning, Heating and Refrigeration Institute (AHRI) matched. NOTE: Installation of unmatched systems is not allowed.
Outdoor units are approved for operation above 55°F in cooling mode. Operation below 55°F in cooling mode requires the use of an approved low ambient kit.
Operating the unit in a structure that is not complete (either as part of new construction or renovation) will void the warranty.
INSTALLATION CLEARANCES
Special consideration must be given to location of the condensing unit(s) in regard to structures, obstructions, other units, and any/all other factors that may interfere with air circulation. Where possible, the top of the unit should be completely unobstructed; however, if vertical conditions require placement beneath an obstruction there should be a minimum of 60 inches between the top of the unit and the obstruction(s). The specified dimensions meet requirements for air circulation only. Consult all appropriate regulatory codes prior to determining final clearances.
Another important consideration in selecting a location for the unit(s) is the angle to obstructions. Either side adjacent the valves be placed toward the structure provided the side away from the structure maintains minimum service clearance. Corner installations are strongly discouraged.

| Minimum Airflow Clearance | ||||
| Model Type | A | B | C | AA |
| Residential | 10″ | 10″ | 18″ | 20″ |
| Light Commercial | 12″ | 12″ | 18″ | 24″ |
This unit can be located at ground floor level or on flat roofs. At ground floor level, the unit must be on a solid, level foundation that will not shift or settle. To reduce the possibility of sound transmission, the foundation slab should not be in contact with or be an integral part of the building foundation. Ensure the foundation is sufficient to support the unit. A concrete slab raised above ground level provides a suitable base.
ROOFTOP INSTALLATIONS
If it is necessary to install this unit on a roof structure, ensure the roof structure can support the weight and that proper consideration is given to the weather-tight integrity of the roof. Since the unit can vibrate during operation, sound vibration transmission should be considered when installing the unit. Vibration absorbing pads or springs can be installed between the condensing unit legs or frame and the roof mounting assembly to reduce noise vibration.
NOTE: These units require special location consideration in areas of heavy snow accumulation and/or areas with prolonged continuous subfreezing temperatures. Heat pump unit bases have cutouts under the outdoor coil that permit drainage of frost accumulation. Situate the unit to permit free unobstructed drainage of the defrost water and ice.
In more severe weather locations, it is recommended that the unit be elevated to allow unobstructed drainage and air flow. The following elevation minimums are recommended:
| Design Temperature | Suggested Minimum Elevation |
| +15° and above | 2 1/2″ |
| -5° to +14° | 8″ |
| below -5° | 12″ |
SAFE REFRIGERANT HANDLING
While these items will not cover every conceivable situation, they should serve as a useful guide.
WARNING
To avoid possible injury, explosion or death, practice safe handling of refrigerants.
Refrigerants are heavier than air. They can “push out” the oxygen in your lungs or in any enclosed space. To avoid possible difficulty in breathing or death:
- Never purge refrigerant into an enclosed room or space. By law, all refrigerants must be reclaimed.
- If an indoor leak is suspected, thoroughly ventilate the area before beginning work.
- Liquid refrigerant can be very cold. To avoid possible frostbite or blindness, avoid contact and wear gloves and goggles. If liquid refrigerant does contact your skin or eyes, seek medical help immediately.
- Always follow EPA regulations. Never burn refrigerant, as poisonous gas will be produced.
WARNING
To avoid possible explosion:
- Never apply flame or steam to a refrigerant cylinder. If you must heat a cylinder for faster charging, partially immerse it in warm water.
- Never fill a cylinder more than 80% full of liquid refrigerant.
- Never add anything other than R-22 to an R-22 cylinder or R-410A to an R-410A cylinder. The service equipment used must be listed or certified for the type of refrigerant used. Store cylinders in a cool, dry place. Never use a cylinder as a platform or a roller.
WARNING
To avoid possible explosion, use only returnable (not disposable) service cylinders when removing refrigerant from a system.
- Ensure the cylinder is free of damage which could lead to a leak or explosion.
- Ensure the hydrostatic test date does not exceed 5 years.
- Ensure the pressure rating meets or exceeds 400 psig.
When in doubt, do not use cylinder.
Refrigerant Lines
CAUTION
The compressor POE oil for R-410A units is extremely susceptible to moisture absorption and could cause compressor failure. Do not leave system open to atmosphere any longer than necessary for installation.
Use only refrigerant grade (dehydrated and sealed) copper tubing to connect the condensing unit with the indoor evaporator. After cutting the tubing, install plugs to keep refrigerant tubing clean and dry prior to and during installation. Tubing should always be cut square keeping ends round and free from burrs. Clean the tubing to prevent contamination.
Do NOT let refrigerant lines come in direct contact with plumbing, ductwork, floor joists, wall studs, floors, and walls. When running refrigerant lines through a foundation or wall, openings should allow for sound and vibration absorbing material to be placed or installed between tubing and foundation. Any gap between foundation or wall and refrigerant lines should be filled with a pliable silicon-based caulk, RTV or a vibration damping material. Avoid suspending refrigerant tubing from joists and studs with rigid wire or straps that would come in contact with the tubing. Use an insulated or suspension type hanger. Keep both lines separate and always insulate the suction line.
These sizes are recommended for line lengths of 79 feet or less to obtain optimum performance. For alternate line sizing options or runs of more than 79 feet, refer to TP-107 R-410A Long Line Set Application Guidelines or contact your distributor for assistance.
| RECOMMENDED INTERCONNECTING TUBING (Ft) | ||||||
| Cond Unit Tons | 0-24 | 25-49 | 50-79* | |||
| Line Diameter (In. OD) | ||||||
| Suct | Liq | Suct | Liq | Suct | Liq | |
| 1 1/2 | 5/8 | 1/4 | 3/4 | 3/8 | 3/4 | 3/8 |
| 2 | 5/8 | 1/4 | 3/4 | 3/8 | 3/4 | 3/8 |
| 2 1/2 | 5/8 | 1/4 | 3/4 | 3/8 | 7/8 | 3/8 |
| 3 | 3/4 | 3/8 | 7/8 | 3/8 | 1 1/8 | 3/8 |
| 3 1/2 | 7/8 | 3/8 | 1 1/8 | 3/8 | 1 1/8 | 3/8 |
| 4 | 7/8 | 3/8 | 1 1/8 | 3/8 | 1 1/8 | 3/8 |
| 5 | 7/8 | 3/8 | 1 1/8 | 3/8 | 1 1/8 | 3/8 |
Lines greater than 79 f eet in length or vertical elevation changes more than 50 f eet refer to TP-107 R-410A Long Line Set Application Guidelines or contact your distributor for assistance.
Mounting the evaporator coil above the condensing unit will require an inverted loop in the suction line adjacent or near the connection to the evaporator. The top of the loop must be slightly higher than the TOp of the coil.

Mounting the condensing unit above the evaporator coil will not require an oil trap in the suction line at the evaporator, except when the condensing unit is over 80 feet above the evaporator.
Refer to the latest revision of long line set guidelines TP-107.

Insulation is necessary to prevent condensation from forming and dropping from the suction line. Armflex (or satisfactory equivalent) with 3/8” min. wall thickness is recommended. In severe conditions (hot, high humidity areas) 1/2” insulation may be required. Insulation must be installed in a manner which protects tubing from damage and contamination.
Where possible, drain as much residual compressor oil from existing systems, lines, and traps; pay close attention to low areas where oil may collect. NOTE: If changing refrigerant types, ensure the indoor coil and metering device is compatible with the type of refrigerant being used; otherwise, the indoor coil must be replaced.
Burying Refrigerant Lines
If burying refrigerant lines can not be avoided, use the following checklist.
- Insulate liquid and suction lines separately.
- Enclose all underground portions of the refrigerant lines in waterproof material (conduit or pipe) sealing the ends where tubing enters/exits the enclosure.
- If the lines must pass under or through a concrete slab, ensure lines are adequately protected and sealed.
Refrigerant Line Connections
IMPORTANT: To avoid overheating the service valve, TXV valve, or filter drier while brazing, wrap the component with a wet rag, or use a thermal heat trap compound. Be sure to follow the manufacturer’s instruction when using the heat trap compound. Note: Remove Schrader valves from service valves before brazing tubes to the valves. Use a brazing alloy of 2% minimum silver content. Do not use flux.
Torch heat required to braze tubes of various sizes is proportional to the size of the tube. Tubes of smaller size require less heat to bring the tube to brazing temperature before adding brazing alloy. Applying too much heat to any tube can melt the tube. Service personnel must use the appropriate heat level for the size of the tube being brazed. Note: The use of a heat shield when brazing is recommended to avoid burning the serial plate or the finish on the unit.
- The ends of the refrigerant lines must be cut square, deburred, cleaned, and be round and free from nicks or dents. Any other condition increases the chance of a refrigerant leak.
- “Sweep” the refrigerant line with nitrogen or inert gas during brazing to prevent the formation of copper-oxide inside the refrigerant lines. The POE oils used in R-410A applications will clean any copper-oxide present from the inside of the refrigerant lines and spread it throughout the system. This may cause a blockage or failure of the metering device.
- After brazing, quench the joints with water or a wet cloth to prevent overheating of the service valve.
- Ensure the filter drier paint finish is intact after brazing. If the paint of the steel filter drier has
been burned or chipped, repaint or treat with a rust preventative. This is especially important on suction line filter driers which are continually wet when the unit is operating.
NOTE: Be careful not to kink or dent refrigerant lines. Kinked or dented lines will cause poor performance or compressor damage.
Do NOT make final refrigerant line connection until plugs are removed from refrigerant tubing.
NOTE: Before brazing, verify indoor piston size by checking the piston kit chart packaged with indoor unit.
Standing Pressure Test (Recommended before System Evacuation)
WARNING
To avoid the risk of fire or explosion, never use oxygen, high-pressure air or flammable gases for leak testing of a refrigeration system.
To avoid possible explosion, the line from the nitrogen cylinder must include a pressure regulator and a pressure relief valve. The pressure relief valve must be set to open at no more than 450 psig.
Using dry nitrogen, pressurize the system to 450 PSIG. Allow the pressure to stabilize and hold for 15 minutes (minimum). If the pressure does not drop below 450 PSIG the system is considered leak free. Proceed to system evacuation using the Deep Vacuum Method. If after 15 minutes the pressure drops below 450 PSIG follow the procedure outlined below to identify system leaks. Repeat the Standing Pressure Test.
Leak Testing (Nitrogen or Nitrogen-Traced)
WARNING
To avoid the risk of fire or explosion, never use oxygen, high pressure air or flammable gases for leak testing of a refrigeration system.
To avoid possible explosion, the line from the nitrogen cylinder must include a pressure regulator and a pressure relief valve. The pressure relief valve must be set to open at no more than 450 psig.
Leak test the system using dry nitrogen and soapy water to identify leaks. If you prefer to use an electronic leak detector, charge the system to 10 PSIG with the appropriate system refrigerant (see Serial Data Plate for refrigerant identification). Do not use an alternative refrigerant. Using dry nitrogen finish charging the system to 450 PSIG. Apply the leak detector to all suspect areas. When leaks are discovered, repair the leaks, and repeat the pressure test. If leaks have been eliminated proceed to system evacuation.
System Evacuation
Condensing unit liquid and suction valves are closed to contain the charge within the unit. The unit is shipped with the valve stems closed and caps installed. Do not open valves until the system is evacuated.
WARNING
REFRIGERANT UNDER PRESSURE!
Failure to follow proper procedures may cause property damage, personal injury or death.
NOTE: Scroll compressors should never be used to evacuate or pump down a heat pump or air conditioning system.
CAUTION
Prolonged operation at suction pressures less than 20 psig for more than 5 seconds will result in overheating of the scrolls and permanent damage to the scroll tips, drive bearings and internal seal.
Deep Vacuum Method (Recommended)
The Deep Vacuum Method requires a vacuum pump rated for 500 microns or less. This method is an effective and efficient way of assuring the system is free of non-condensable air and moisture. As an alternative, the Triple Evacuation Method is detailed in the Service Manual for this product model.
It is recommended to remove the Schrader Cores from the service valves using a core-removal tool to expedite the evacuation procedure.
- Connect the vacuum pump, micron gauge, and vacuum rated hoses to both service valves. Evacuation must use both service valves to eliminate system mechanical seals.
- Evacuate the system to less than 500 microns.
- Isolate the pump from the system and hold vacuum for 10 minutes (minimum). Typically, pressure will rise slowly during this period. If the pressure rises to less than 1000 microns and remains steady, the system is considered leak-free; proceed to system charging and startup.
- If pressure rises above 1000 microns but holds steady below 2000 microns, non-condensable air or moisture may remain or a small leak is present. Return to step 2: If the same result is achieved check for leaks and repair. Repeat the evacuation procedure.
- If pressure rises above 2000 microns, a leak is present. Check for leaks and repair. Repeat the evacuation procedure.

ELECTRICAL CONNECTIONS
WARNING
HIGH VOLTAGE!
Disconnect ALL power before servicing. Multiple power sources may be present.
Failure to do so may cause property damage, personal injury or death due to electric shock. Wiring must conform with NEC or CEC and all local codes. Undersized wires could cause poor equipment performance, equipment damage or fire.
- To avoid the risk of fire or equipment damage, use copper conductors.
NOTICE
Units with rotary or reciprocating compressors and non-bleed TXV’s require a Hard Start Kit.
The condensing unit rating plate lists pertinent electrical data necessary for proper electrical service and overcurrent protection. Wires should be sized to limit voltage drop to 2% (max.) from the main breaker or fuse panel to the condensing unit. Consult the NEC, CEC, and all local codes to determine the correct wire gauge and length.
Local codes often require a disconnect switch located near the unit; do not install the switch on the unit. Refer to the installation instructions supplied with the indoor furnace/air handler for specific wiring connections and indoor unit configuration. Likewise, consult the instructions packaged with the thermostat for mounting and location information.
Overcurrent Protection
The following overcurrent protection devices are approved for use.
- Time delay fuses
- HACR type circuit breakers
These devices have sufficient time delay to permit the motor-compressor to start and accelerate its load.
Three Phase Compressor Rotation
CAUTION
Use care when handling scroll compressors. Dome temperatures could be hot.
Three phase compressors are power phase dependent and can rotate in either direction.
Verify proper rotation for three phase compressors by ensuring the suction pressure drops and discharge pressure rises when the compressor is energized.
To correct, disconnect power and switch any two leads at the unit contactor and re-observe.
High Voltage Connections
Route power supply and ground wires through the high voltage port and terminate in accordance with the wiring diagram provided inside the control panel cover.
Low Voltage Connections
The indoor transformer must supply 24 volt AC low voltage power to the outdoor section for the control wiring. Cooling only units require 25VA minimum and heat pump units require 40VA minimum. Low voltage wiring for two-stage units depends on the thermostat used and the number of control wires between the indoor unit and the condensing unit. Route control wires through the low voltage port and terminate in accordance with the wiring diagram provided inside the control panel cover.

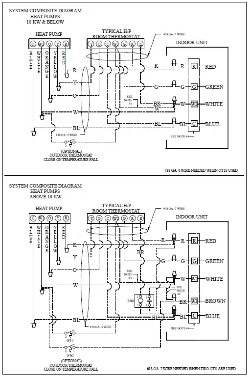
Thermostat with Low Voltage Wires to Heat Pump Unit
SYSTEM START UP
NOTE: Units with crankcase heaters should have high voltage power energized for 24 hours prior to start up.
Heat pumps are equipped with a time/temperature defrost control with field selectable defrost intervals of 30, 60, or 90 minutes. This setting should be adjusted at this time if needed. The defrost control also has SmartShift™ technology, which delays compressor operation at defrost initiation and termination. If disabling this function is desired, move the jumper from “DLY” to “NORM” on the defrost control Adequate refrigerant charge for the matching HSVTC evaporator coil and 15 feet of lineset is supplied with
the condensing unit. If using evaporator coils other than HSVTC coil, it may be necessary to add or remove refrigerant to attain proper charge. If line set exceeds 15 feet in length, refrigerant should be added at .6 ounces per foot of liquid line.
NOTE: Charge should always be checked using superheat when using a piston and subcooling when using TXV equipped indoor coil to verify proper charge.
Break vacuum by fully opening liquid service valve.
After the refrigerant charge has bled into the system, open the suction service valve. The service valve cap is the secondary seal for the valves and must be properly tightened to prevent leaks. Make sure cap is clean and apply refrigerant oil to threads and sealing surface on inside of cap. Tighten cap finger-tight and then tighten additional 1/6 of a turn (1 wrench flat), or to the following specification, to properly seat the sealing surfaces.
- 3/8” valve to 5 – 10 in-lbs
- 5/8” valve to 5 – 20 in-lbs
- 3/4” valve to 5 – 20 in-lbs
- 7/8” valve to 5 – 20 in-lbs
Do not introduce liquid refrigerant from the cylinder into the crankcase of the compressor as this may damage the compressor.
CAUTION
POSSIBLE REFRIGERANT LEAK
To avoid a possible refrigerant leak, open the service valves until the top of the stem is 1/8” from the retainer.
- Break vacuum by fully opening liquid and suction base valves.
- Set thermostat to call for cooling. Check indoor and outdoor fan operation and allow system to stabilize for 10 minutes for fixed orifices and 20 minutes for expansion valves.
Charge Verification
WARNING
REFRIGERANT UNDER PRESSURE!
- Do not overcharge system with refrigerant.
- Do not operate unit in a vacuum or at negative pressure.
Failure to follow proper procedures may cause property damage, personal injury or death.
CAUTION
Use refrigerant certified to AHRI standards. Used refrigerant may cause compressor damage. Most portable machines cannot clean used refrigerant to meet AHRI standards.
NOTICE
Violation of EPA regulations may result in fines or other penalties.
CAUTION
Damage to the unit caused by operating the compressor with the suction valve closed is not covered under the warranty and may cause serious compressor damage.
Final Charge Adjustment
Airflow and Total Static Pressure for the indoor unit should be verified before attempting to charge system.
- Total static pressure is .5” WC or less.
- Airflow is correct for installed unit.
- Airflow tables are in the installation manual and Spec Sheet for Indoor Unit.
- Complete charging information are in Service Manual RS6200006
NOTE: Superheat adjustments should not be made until indoor ambient conditions have stabilized. This could take up to 24 hours depending on indoor temperature and humidity. Before checking superheat run the unit in cooling for 10-15 minutes or until refrigerant pressures stabilize. Use the following guidelines and methods to check unit operation and ensure that the refrigerant charge is within limits.
The outdoor temperature must be 60°F or higher. Set the room thermostat to COOL, fan switch to AUTO, and set the temperature control well below room temperature.
Units matched with indoor coils equipped with a non-adjustable TXV should be charged by Subcooling only. Superheat on indoor coils with adjustable TXV valves are factory set and no adjustment is normally required during startup. Only in unique applications due to refrigerant line length, differences in height between the indoor and outdoor unit and refrigerant tubing sizes or poor performance should Superheat setting require adjustment. These adjustments should only be performed by qualified service personnel. For detailed charge and TXV adjustments refer to the appropriate Service Manual.
Fixed Orifice
CASTING
To prevent personal injury, carefully connect and disconnect manifold gauge hoses. Escaping liquid refrigerant can cause burns. Do not vent refrigerant into the atmosphere. Recover all refrigerant during system repair and before final unit disposal.
- Purge gauge lines. Connect service gauge manifold to base-valve service ports. Run system at least 10 minutes to allow pressure to stabilize.
- Temporarily install a thermometer 4-6” from the compressor on the suction line. Ensure the thermometer makes adequate contact and is insulated for best possible readings. Use vapor temperature to determine superheat.
- Refer to the superheat table provided for proper system superheat. Add charge to lower superheat or recover charge to raise superheat.
- Disconnect manifold set, installation is complete.

Superheat Formula = Suct. Line Temp. – Sat. Suct. Temp.
| SATURATED SUCTION PRESSURE TEMPERATURE CHART | ||
| SUCTION PRESSURE | SATURATED SUCTION TEMPERATURE ºF | |
| PSIG | R-22 | R-410A |
| 50 | 26 | 1 |
| 52 | 28 | 3 |
| 54 | 29 | 4 |
| 56 | 31 | 6 |
| 58 | 32 | 7 |
| 60 | 34 | 8 |
| 62 | 35 | 10 |
| 64 | 37 | 11 |
| 66 | 38 | 13 |
| 68 | 40 | 14 |
| 70 | 41 | 15 |
| 72 | 42 | 16 |
| 74 | 44 | 17 |
| 76 | 45 | 19 |
| 78 | 46 | 20 |
| 80 | 48 | 21 |
| 85 | 50 | 24 |
| 90 | 53 | 26 |
| 95 | 56 | 29 |
| 100 | 59 | 31 |
| 110 | 64 | 36 |
| 120 | 69 | 41 |
| 130 | 73 | 45 |
| 140 | 78 | 49 |
| 150 | 83 | 53 |
| 160 | 86 | 56 |
| 170 | 90 | 60 |
| SATURATED LIQUID PRESSURE TEMPERATURE CHART | ||
| LIQUID PRESSURE | SATURATED LIQUID TEMPERATURE ºF | |
| PSIG | R-22 | R-410A |
| 200 | 101 | 70 |
| 210 | 105 | 73 |
| 220 | 108 | 76 |
| 225 | 110 | 78 |
| 235 | 113 | 80 |
| 245 | 116 | 83 |
| 255 | 119 | 85 |
| 265 | 121 | 88 |
| 275 | 124 | 90 |
| 285 | 127 | 92 |
| 295 | 130 | 95 |
| 305 | 133 | 97 |
| 325 | 137 | 101 |
| 355 | 144 | 108 |
| 375 | 148 | 112 |
| 405 | 155 | 118 |
| 415 | 157 | 119 |
| 425 | n/a | 121 |
| 435 | n/a | 123 |
| 445 | n/a | 125 |
| 475 | n/a | 130 |
| 500 | n/a | 134 |
| 525 | n/a | 138 |
| 550 | n/a | 142 |
| 575 | n/a | 145 |
| 600 | n/a | 149 |
| 625 | n/a | 152 |
NOTE: Specifications And Performance Data Listed Herein Are Subject To Change Without Notice.
EXPANSION VALVE SYSTEM
NOTE: Units matched with indoor coils equipped with non-adjustable TXV should be charged by subcooling only.
- Temporarily install a thermometer on the liquid line at the liquid line service valve and 4-6” from the compressor on the suction line. Ensure the thermometer makes adequate contact and is insulated for best possible readings. Use liquid line temperature to determine sub-cooling and vapor temperature to determine superheat.
- Check subcooling and superheat. Systems with TXV application should have a subcooling of 7 to 9 ºF and superheat of 7 to 9 ºF.
a. If subcooling and superheat are low, adjust TXV to 7 to 9 ºF superheat, then check subcooling.
NOTE: To adjust superheat, turn the valve stem clockwise to increase and counter clockwise to decrease.
b. If subcooling is low and superheat is high, add charge to raise subcooling to 7 to 9 ºF then check superheat.
c. If subcooling and superheat are high, adjust TXV valve to 7 to 9 ºF superheat, then check subcooling.
d. If subcooling is high and superheat is low, adjust TXV valve to 7 to 9 ºF superheat and remove charge to lower the subcooling to 7 to 9 ºF.
NOTE: Do NOT adjust the charge based on suction pressure unless there is a gross undercharge.
NOTE: Check the Schrader ports for leaks and tighten valve cores if necessary. Install caps finger-tight.
HEAT PUMP – HEATING CYCLE
The proper method of charging a heat pump in the heat mode is by weight with the additional charge adjustments for line size, line length, and other system components. For best results, on outdoor units with TXVs, superheat should be 2-5° at 4-6” from the compressor. Make final charge adjustments in the cooling cycle.
TROUBLESHOOTING INFORMATION

For detailed service information, refer to the Remote Condensing Unit Service manual.
NOTICE
Units with rotary or reciprocating compressors and non-bleed TXV’s require a Hard Start Kit.
SPLIT SYSTEMS
AIR CONDITIONING AND HEAT PUMP homeowner’s Routine Maintenance Recommendations
We strongly recommend a bi-annual maintenance checkup be performed before the heating and cooling seasons begin by a qualified servicer.
Replace or Clean Filter
IMPORTANT NOTE: Never operate unit without a filter installed as dust and lint will build up on internal parts resulting in loss of efficiency, equipment damage and possible fire.
An indoor air filter must be used with your comfort system. A properly maintained filter will keep the indoor coil of your comfort system clean. A dirty coil could cause poor operation and/or severe equipment damage.
Your air filter or filters could be located in your furnace, in a blower unit, or in “filter grilles” in your ceiling or walls. The installer of your air conditioner or heat pump can tell you where your filter(s) are, and how to clean or replace them.
Check your filter(s) at least once a month. When they are dirty, replace or clean as required. Disposable type filters should be replaced. Reusable type filters may be cleaned.
You may want to ask your dealer about high efficiency filters. High efficiency filters are available in both electronic and non-electronic types. These filters can do a better job of catching small airborne particles.
Compressor
The compressor motor is hermetically sealed and does not require additional oiling.
Motors
Indoor and outdoor fan motors are permanently lubricated and do not require additional oiling.
Clean Outside Coil (Qualified Servicer Only)
WARNING
HIGH VOLTAGE!
Disconnect ALL power before servicing or installing this unit. Multiple power sources may be present. Failure to do so may cause property damage, personal injury or death.
Air must be able to flow through the outdoor unit of your comfort system. Do not construct a fence near the unit or build a deck or patio over the unit without first discussing your plans with your dealer or other qualified servicers. Restricted airflow could lead to poor operation and/or severe equipment damage.
Likewise, it is important to keep the outdoor coil clean. Dirt, leaves, or debris could also restrict the airflow. If cleaning of the outdoor coil becomes necessary, hire
a qualified servicer. Inexperienced people could easily puncture the tubing in the coil. Even a small hole in the tubing could eventually cause a large loss of refrigerant. Loss of refrigerant can cause poor operation and/or severe equipment damage.
Do not use a condensing unit cover to “protect” the outdoor unit during the winter, unless you first discuss it with your dealer. Any cover used must include “breathable” fabric to avoid moisture buildup.
BEFORE CALLING YOUR SERVICER
- Check the thermostat to confirm that it is properly set.
- Wait 15 minutes. Some devices in the outdoor unit or in programmable thermostats will prevent compressor operation for awhile, and then reset automatically. Also, some power companies will install devices which shut off air conditioners for several minutes on hot days. If you wait several minutes, the unit may begin operation on its own.
CAUTION
To avoid the risk of equipment damage or fire, install the same amperage breaker or fuse as you are replacing. If the circuit breaker or fuse should open again within thirty days, contact a qualified servicer to correct the problem.
If you repeatedly reset the breaker or replace the fuse without having the problem corrected, you run the risk of severe equipment damage. - Check the electrical panel for tripped circuit breakers or failed fuses. Reset the circuit breakers or replace fuses as necessary.
- Check the disconnect switch near the indoor furnace or blower to confirm that it is closed.
- Check for obstructions on the outdoor unit. Confirm that it has not been covered on the sides or the top. Remove any obstruction that can be safely removed. If the unit is covered with dirt or debris, call a qualified servicer to clean it.
- Check for blockage of the indoor air inlets and outlets. Confirm that they are open and have not been blocked by objects (rugs, curtains or furniture).
- Check the filter. If it is dirty, clean or replace it.
- Listen for any unusual noise(s), other than normal operating noise, that might be coming from the outdoor unit. If you hear unusual noise(s) coming from the unit, call a qualified servicer.
THIS PAGE IS INTENTIONALLY LEFT BLANK
CUSTOMER FEEDBACK
We are very interested in all product comments.
Please fill out the feedback form on one of the following links:
Goodman® Brand Products: (http://www.goodmanmfg.com/about/contact-us). Amana® Brand Products: (http://www.amana-hac.com/about-us/contact-us). You can also scan the QR code on the right for the product brand you purchased to be directed to the feedback page.
PRODUCT REGISTRATION
Thank you for your recent purchase. Though not required to get the protection of the standard warranty, registering your product is a relatively short process, and entitles you to additional warranty protection, except that failure by California and Quebec residents to register their product does not diminish their warranty rights.
For Product Registration, please register as follows:
Goodman® Brand products: (https://www.goodmanmfg.com/product-registration). Amana® Brand products: (http://www.amana-hac.com/product-registration).
You can also scan the QR code on the right for the product brand you purchased to be directed to the Product Registration page.
NOTE: Specifications and performance data listed herein are subject to change without notice.
Quality Makes the Difference!
All of our systems are designed and manufactured with the same high quality standards regardless of size or efficiency. We have designed these units to significantly reduce the most frequent causes of product failure. They are simple to service and forgiving to operate. We use quality materials and components. Finally, every unit is run tested before it leaves the factory. That’s why we know. . .There’s No Better Quality.
Visit our website at www.goodmanmfg.com or www.amana-hac.com for information on:
- Products
- Customer Services
- Contractor Program and Training
- Warranties
- Parts
- Financing Options
19001 Kermier Rd. Waller, Tx 77484
www.goodmanmfg.com -or- www.amana-hac.com
© 2005-2021 Goodman Manufacturing Company, L.P. is a registered trademark of Maytag Corporation or its related companies and is used under license. All rights reserved.


















