Bard QWSCRV Geothermal 2-Stage Heat Pumps

Commercial Room Ventilator with Exhaust, Multi-Step and Optional CO2/2-10V Modulating Control
Model: QWSCRV (920-0538)
For Use with Bard QW*S Series Geothermal 2-Stage Heat Pumps
Description
The QWSCRV ventilator is designed to be used with Bard QW*S Q-TECTM series 2-stage geothermal
heat pumps. It is an electromechanical vent system designed to provide fresh air to meet indoor air quality standards. It automatically adjusts to the mode of operation to maintain consistent fresh air intake levels. Examples are blower only, part load cooling and full load cooling, which are all set for different total airflows. Ventilator is spring-return and will return to the closed position upon loss of power.
Blade Adjustment for Desired Ventilator Air
The amount of ventilation air supplied by the commercial room ventilator is dependent on five (5) factors:
- Return air pressure drop.
- Supply air duct static pressure drop.
- Indoor blower motor speed.
- Damper blade open position setting for each mode of operation.
- Tightness or looseness of building envelope.
The damper position for each mode of operation must be set using the setpoint potentiometers on the CRV control board (see Figure 2 on page 7). Refer to Table 1 for factory default settings.
Refer to the graphs on pages 5 and 6 to determine the necessary blade setting to achieve the ventilation air required based upon blower only, part load or full load modes of operation. The graphs are model specific, so be sure to match the graph to the appropriate model.
- Set the damper position for blower only operation.
- A. Energize the evaporator blower by switching the thermostat to the manual fan position with heat/cool in OFF position (or jumper R to G with thermostat disconnected at unit).
- B. Locate potentiometer OCC on the CRV control board (see Figure 2).
- C. Using a small screwdriver, adjust potentiometer OCC until damper position aligns with numerical location on the label interior of the sheet metal damper assembly per the graph.
- Set the damper position for part load (stage 1) cooling or heating operation.
- A. Energize the evaporator blower and compressor by switching thermostat to heat or cool mode and setting it to a minimum offset to the room temperature to engage the mode of operation desired (or jumper R to G and R to Y1 [+ O for cooling] with thermostat disconnected at unit).
- B. Locate potentiometer Y1 on the CRV control board (see Figure 2).
- C. Using a small screwdriver, adjust potentiometer Y1 until damper position aligns with numerical location on the label interior of the sheet metal damper assembly per the graph.
- Set the damper position for full load (stage 2) cooling or heating operation.
- A. Energize the evaporator blower and compressor by switching thermostat to heat or cool mode and setting it to a minimum offset to the room temperature to engage the mode of operation desired (or jumper R to G, R to Y1 and R to Y2 [+ O for cooling] with thermostat disconnected at unit).
- B. Locate potentiometer Y2 on the CRV control board (see Figure 2).
- C. Using a small screwdriver, adjust potentiometer Y2 until damper position aligns with numerical location on the label interior of the sheet metal damper assembly per the graph.
TABLE 1
Factory Default Settings
| Mode of Operation | Potentiometer | QW2S | QW3S | QW4S | QW5S | ||||
| Blade Setting | Approx. CFM | Blade Setting | Approx. CFM | Blade Setting | Approx. CFM | Blade Setting | Approx. CFM | ||
| Vent (Blower Only) | R1 | 17 | 150 | 17 | 150 | 17 | 200 | 17 | 225 |
| Part Load (Stage 1) | R2 | 15 | 150 | 15 | 150 | 15 | 200 | 15 | 250 |
| Full Load (Stage 2) | R3 | 13 | 150 | 13 | 150 | 13 | 200 | 13 | 225 |


“V” Option CRV Sequence of Operation
The “V” Ventilation option includes a control board with blade positioning potentiometers along with an input for a 2-10V input signal (see Figure 2).
Adjustable potentiometers: “PP” Potentiometer setting: This potentiometer can be used to adjust the blade setting for outdoor air intake during a pre-purge cycle. The pre-purge cycle time is based on the setting of the pre-purge timer. The pre-purge time can be set to 0, 30, 60 or 90 minutes using the PP jumper on the CRV control board. The pre-purge function is triggered when the “A” terminal on the low voltage terminal strip is energized, indicating occupancy. Once the selected time has passed, the blade will move to the position set by the “OCC” potentiometer. “OCC” Potentiometer setting: This potentiometer can be used to adjust the blade setting for outdoor air intake when the “A” terminal is energized on the low voltage terminal strip indicating occupancy.
“Y1” Potentiometer setting: This potentiometer can be used to adjust the blade setting for outdoor air intake when the “Y1” terminal is energized on the low voltage terminal strip indicating 1st stage cooling or Balanced Climate operation. When energized, it overrides the
“OCC” potentiometer setting.
“Y2” Potentiometer setting: This potentiometer can be used to adjust the blade setting for outdoor air intake when the “Y2” terminal is energized on the low voltage terminal strip indicating 2nd stage cooling operation. When energized, it overrides the “OCC” and “Y1” potentiometer settings.
2-10V Operation
A CO2 sensor or other device sending a 2-10V signal can be used to control the damper motor. Two control methods are available to control the damper motor:
- Method 1: The control board will accept a 2- 10VDC signal with a resistive load greater than 5000 ohms. Bard CO2 sensor part #8403-096 can be used when the 2-10V output is connected to the gray wire in position 9 on the 12-pin vent plug in the unit control panel. All potentiometers must be set to the off position and the PP jumper must be in the “0” position for total modulation. The OCC potentiometer can be used to maintain a minimum blade position when “A” is energized. Refer to Figure 3 for more information on Bard CO2 sensor part #8403-096 set up.

- Method 2: The damper motor will accept a 2- 10VDC signal with a resistive load less than 5000 ohms. This method involves bypassing the control board and powering the motor directly from the device providing the 2-10VDC modulating signal. The gray wire on the vent control harness (2-10V IN on control board) must be spliced with the white wire ran to the damper motor (2-10V OUT on control board). The 2-10VDC signal can be connected to the gray wire in position 9 on the 12-pin vent plug in the unit control panel.
NOTE: For proper setup of a generic field-installed CO2 sensor, refer to the manufacturer’s installation instructions. Bard recommends setting the control for a 700-1500 ppm CO2 control band; local standards may vary.
During 2-10VDC operation with A energized and pre-purge timed operation active, DC voltage signaling occupancy from a source such as a CO2 sensor will increase ventilation amounts as needed.
Sensor Set Up

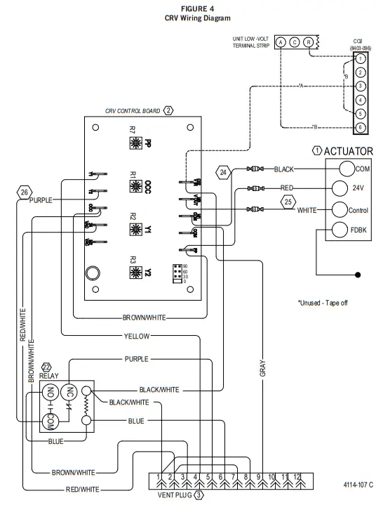
CRV Wiring Diagram




















