
DALI LED Driver 96 watt – Installation Instructions
Models PSDALI-96-24 & PSDALI-DT8-96-24
Please read all instructions prior to installation and keep for future reference!
This LED Driver is to be installed in accordance with Article 450 of the National Electrical Code. The LED Driver must be installed in a well-ventilated area and free from explosive gases and vapors. Proper operation requires the free flow of air AS this LED Driver is hardwired, it should only be installed by a qualified electrician. Suitable For Damp Locations.
| Input | 120 – 277 V AC, 1.1 A, 50/60 Hz |
| Output | 24 V DC, 4.0 A |
| Max. Wattage | 96 W |
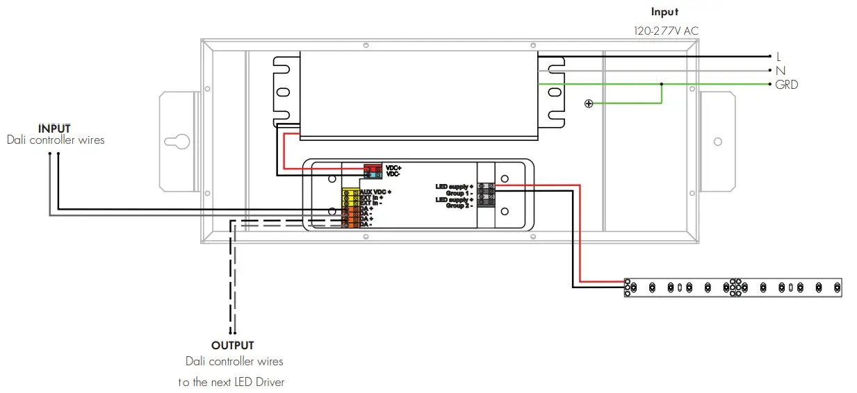
Before installing, check the label and ensure the LED Driver has the proper input voltage, output voltage, and wattage for the job. Check the wire markings to ensure they match the wiring diagram below. Refer to table above for the maximum loads!
1.1 LED Driver can be mounted vertically or horizontally. With a minimum of 2” clearance around LED Driver to provide proper air circulation.
2.1 Remove the eght Phillips screws from the top of the driver housing and pull the cover off to expose the driver wires.
nsert the 120-277V AC power into the driver housing from the electrical panel. Followed by bringing 24V DC low voltage conduit one for the LED & other for controller wires. Refer to the diagram on page 2 to make all the proper wiring connections.
PSDALI-96-24 Wiring Diagram
PSDALI-DT8-96-24 Wiring Diagram
Insert the wire nut connections in the driver housing, close the housing cover, and secure using the 8 screws.

7777 Merrimac Ave
Niles, IL 60714
T 224.333.6033
F 224.757.7557
[email protected]
www.luminii.com














