Miele DGC7870BRWS VitroLine Combination Steam Oven

Product Information
The DGC 7870 XL is a 30 Combi-Steam Oven available in Brilliant White color with PureLine and VitroLine features. This appliance is designed to create recipes for full meals. The overall unit dimensions are 2913/16 (757 mm) W x 187/8 (479 mm) H x 231/8 (587 mm) D. The niche minimum cabinet niche opening is 281/2 (724 mm) W x 181/2 (470 mm) H x 24 (610 mm) D. The electrical requirements are 208 – 240V, 60Hz, 20 Amps with a NEMA 6-20 plug of 5 ft (1.52 m) power cord. The shipping weight of the product is 143 lbs (65 kg) with shipping dimensions of 285/8 (726 mm) W x 291/4 (743 mm) H x 321/2 (825 mm) D.
Product Usage Instructions
The DGC 7870 XL Combi-Steam Oven can be used to create recipes for full meals. To install the oven, follow the flush or proud cutout dimensions as per the user manual. The cut-out size required for the oven is 4 x 28 [100 mm x 720 mm] in the bottom of the cabinet for the power cord and ventilation. It is recommended that electrical and water supplies are placed in adjacent cabinetry. Additional cabinet depth is required when placing the electrical and water supplies behind the appliance. The electrical connection required for the oven is 208 – 240V, 60Hz, 20 Amps with a NEMA 6-20 plug of 5 ft (1.52 m) power cord. For any assistance, please contact the Miele Help Desk at 800.999.1360.
Features
- Combi-Steam Ovens: Steam ovens with fully-fledged oven function
- Lift-up panel – conveniently stores the water containers
- M-Touch Display with Motion React – Simple to use touch controls that react when approached
- Roast Probe – Precise temperature control of food
- Mix & Match – use your Miele@home app or the WiFi-enabled appliance to create recipes for full meals
Included
- 1 Universal Tray with Perfect Clean
- 1 Wire rack with Perfect Clean
- 1 pair FlexiClip runners with Perfect Clean
- 2 perforated stainless steel containers
- 1 solid stainless steel container

SPECIFICATIONS
SPECIFICATIONS | |
| Overall Unit Dimensions | 2913/16” (757 mm) W x 187/8” (479 mm) H x 231/8” (587 mm) D |
| Niche | |
| Minimum Cabinet Niche Opening | 281/2” (724 mm) W x 181/2” (470 mm) H x 24” (610 mm) D |
| Electrical | |
| Electrical Requirements | 208 – 240V, 60Hz, 20 Amps |
| Power Cord | NEMA 6-20 plug, 5 ft (1.52 m) |
| Shipping | |
| Shipping Weight | 143 lbs (65 kg) |
| Shipping Dimensions | 285/8” (726 mm) W x 291/4” (743 mm) H x 321/2” (825 mm) D |
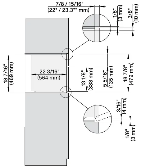
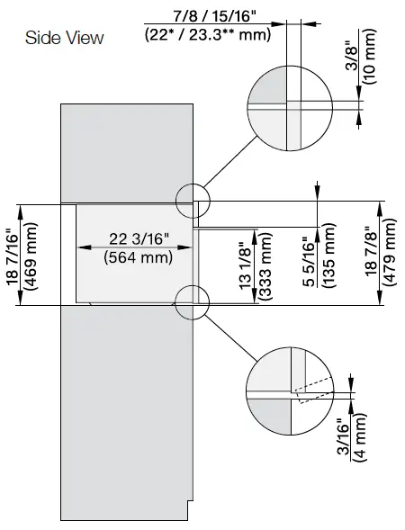
PRODUCT DIMENSIONS

FLUSH CUTOUT DIMENSIONS
Front View

Side View


- A – Cut-out (4” x 28” [100 mm x 720 mm]) in the bottom of the cabinet for the power cord and Ventilation
- Electrical and water supplies are recommended to be placed in adjacent cabinetry.
- Additional cabinet depth is required when placing the electrical and water supplies behind the appliance.
PROUD CUTOUT DIMENSIONS
Front View

Side View


- A – Cut-out (4” x 28” [100 mm x 720 mm]) in the bottom of the cabinet for the power cord and Ventilation
- Electrical and water supplies are recommended to be placed in adjacent cabinetry.
- Additional cabinet depth is required when placing the electrical and water supplies behind the appliance.
mieleusa.com.
Miele Help Desk: 800.999.1360



















