Miele DGC7880BRWS Combination Steam Oven

Features
- Combi-Steam Ovens: Steam ovens with fully-fledged oven function
- XXL Cooking Compartment – Large enough to cook complete menus for up to 10 people
- Lift-up panel – conveniently stores the water containers
- M-Touch Display with Motion React – Simple to use touch controls that react when approached
- Roast Probe – Precise temperature control of food
- Mix & Match – use your Miele@home app or the WiFi-enabled appliance to create recipes for full meals
Included
- 1 Universal Tray with Perfect Clean
- 1 Wire rack with Perfect Clean
- 1 pair FlexiClip runners with Perfect Clean
- 2 perforated stainless steel containers
- 1 solid stainless steel container

SPECIFICATIONS
SPECIFICATIONS | |
| Overall Unit Dimensions | 2913/16” (757 mm) W x 243/8” (619.5 mm) H x 231/8” (587 mm) D |
| Niche | |
| Minimum Cabinet Niche Opening | 281/2” (724 mm) W x 24” (610 mm) H x 24” (610 mm) D |
| Electrical | |
| Electrical Requirements | 208 – 240V, 60Hz, 20 Amps |
| Power Cord | NEMA 6-20 plug, 5 ft (1.52 m) |
| Shipping | |
| Shipping Weight | 159 lbs (72 kg) |
| Shipping Dimensions | 285/8” (726 mm) W x 291/4” (743 mm) H x 321/2” (825 mm) D |
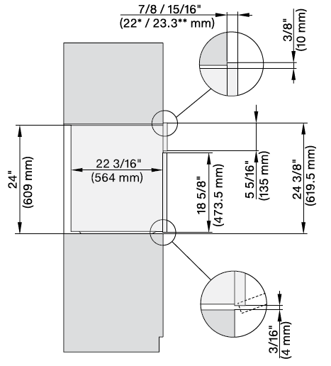
PRODUCT DIMENSIONS

FLUSH CUTOUT DIMENSIONS
Front View

Side View


- A – Cut-out (4” x 28” [100 mm x 720 mm]) in the bottom of the cabinet for the power cord and Ventilation.
- Electrical and water supplies are recommended to be placed in adjacent cabinetry.
- Additional cabinet depth is required when placing the electrical and water supplies behind the appliance.
PROUD CUTOUT DIMENSIONS
Front View

Side View


- A – Cut-out (4” x 28” [100 mm x 720 mm]) in the bottom of the cabinet for the power cord and Ventilation
- Electrical and water supplies are recommended to be placed in adjacent cabinetry.
- Additional cabinet depth is required when placing the electrical and water supplies behind the appliance.
mieleusa.com.
Miele Help Desk: 800.999.1360
















