Miele DGC 7685 XXL 30 Inch Combi-Steam Oven

Features
- Combi-Steam Ovens: Steam ovens with fully-fledged oven function
- DirectWater Plus – water and drain plumbed in
- XXL Cooking Compartment – Large enough to cook complete menus for up to 10 people
- M-Touch S Display with Motion React – Simple to use touch controls that react when approached
- Roast Probe – Precise temperature control of food
- Mix & Match – use your Miele@home app or the WiFi-enabled appliance to create recipes for full meals
Included
- 1 Universal Tray with Perfect Clean
- 1 Wire rack with Perfect Clean
- 1 perforated stainless steel container
- 1 solid stainless steel container
SPECIFICATIONS
| SPECIFICATIONS | |
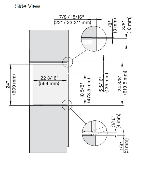
| Overall Unit Dimensions | 2913/16” (757 mm) W x 243/8” (619.5 mm) H x 231/8” (587 mm) D |
| Niche | |
| Minimum Cabinet Niche Opening | 281/2” (724 mm) W x 24” (610 mm) H x 24” (610 mm) D |
| Plumbing | |
| Water Supply Requirements | • Cold water connection • Male 1/4” compression fitting • Water pressure range 14.5 psi (1 bar) and 87 psi (6 bar) |
| Water Connection Line (Supplied) | Length: 6’ 6” (2 m) Female 1/4” compression. |
| Drain Hose (Supplied) | Length: 9’ 10” (3 m) 7/8” (22 mm) internal diameter |
| Electrical | |
| Electrical Requirements | 208V/240V, 60Hz, 20 Amps |
| Power Cord | NEMA 6-20 plug, 6’ 6” (2 m) |
| Shipping | |
| Shipping Weight | 159 lbs (72 kg) |
| Shipping Dimensions | 285/8” (726 mm) W x 291/4” (743 mm) H x 321/2” (825 mm) D |
PRODUCT DIMENSIONS

FLUSH CUTOUT



- A – Cut out (4” x 28” [100 mm x 720 mm]) in the bottom of the cabinet for the power cord and Ventilation
- Electrical and water supplies are recommended to be placed in adjacent cabinetry. Additional cabinet depth is required when placing the electrical and water supplies behind the appliance.


















