LR06 Portable Low-Rise-D Lift

Original
Installation And Service Manual
Owner’s Manual
Portable Low-rised scissors lift
Model: LR06
PRODUCT FEATURES AND SPECIFICATIONS (See Fig.1)
PORTABLE LOW-RISED MODEL LROO
- Self-locking safety device: 3 stage safety lock, mechanical lock, automatic release.
- Portable unit is easy to move with the power unit stand
- High speed: From 0-23 5/8″ just 21 seconds
- Standard rubber pads induded

Fig. 1
MODEL LRO6 SPECIFICATIONS
| Model | Lifting Capacity | Raised Height | Lifting Time | Overall Length | Overall Width | Lowered Height | Runway Width | Runway Length | Motor |
| LRO6 | 600016s | 23 5/8″ | 21S | 76 1/4″ | 70″ | 4 1/8″ | 18″ | 53 1/4″ | 1.0 HP Single Phase |
INSTALLATION REQUIREMENT
A. Tools requirement

B. Power requirement
The electrical source must be 1.0HP minimum. The source cable size must be 2.5mm 2 and in good condition of contacting with floor.
STEPS OF INSTALLATION
A. Check the parts before assembly, make sure all the parts are completed.
- Packaged lift, Parts box, Power Unit and Power Unit Stand.
Move aside the parts, Open the outer packing and check the parts according to the shipment parts list (See Fig. 3).
- Open the parts box, check the parts according to the part list (See Fig. 4).

- Check the parts of the parts bag according to the parts bag list (See Fig. 5).

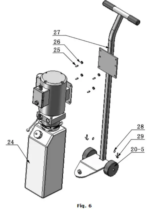
B. Install hydraulic power unit (See Fig. 6)

C. Install fitting to power unit, and then connecting oil hose (See Fig.7).

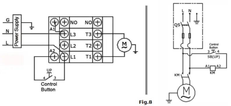
D. Install electrical system
Connect the power source on the data plate of power unit.
Note: For the safety of operators, the power wiring must contact the earth well.
Single phase motor
- Circuit diagram (See Fig. 8)
Connection step (See Fig. 9)
Connecting the two power supply wires (active wire L and neutral wire N) to terminals of AC contactor marked L1, L3 respectively. Earth wire( yellow and green wire) is connected with the earth wire terminal of the motor
EXPLODED VIEW
MODEL LRO6

Rollers

PARTS LIST FOR MODEL LRO6
| Item | Part# | Description | QTY. | Note |
| 1 | 11630001 | Platform | 1 | |
| 2 | 10206019 | Snap ring 09 | 20 | |
| 3 | 11630003 | Pin for drive-thru ramp (4)19*452 | 2 | |
| 4 | 11630004 | Drive-thru ramp | 2 | |
| 4A | 10209010 | Snap Ring (4)10 | 8 | |
| 4B | 11620043 | Pin for roller of drive-in ramp | 4 | |
| 4C | 10620063 | Roller of drive-pin ramp (black nylon) | 4 | |
| 5 | 11630005 | Connecting pin for cylinder (p25’210 | 1 | |
| 6 | 10630006 | Cylinder | 1 | |
| 7 | 11630007 | Cylinder base connecting pin (4)25’132 | 1 | |
| 8 | 10206032 | Snap ring (4)25 | 4 | |
| 9 | 11630008 | Frame support connecting pin (Upper) 9194’356 | 4 | |
| 10 | 11630009 | Frame support (Front) | 2 | |
| 11 | 11630010 | Frame support connecting pin (Lower) (1)191’405 | 4 | |
| 12 | 11630011 | Frame support (Rear) | 2 | |
| 13 | 10630100 | Socket bolt M10*40 | 1 | |
| 14 | 11630013 | Safety block | 1 | |
| 15 | 11630014 | Safety bar set | 1 | |
| 16 | 10420020 | Hex bolt M10x110 | 2 | |
| 17 | 10630015 | Spring (4)15sq)12*55 | 2 | |
| 18 | 10209022 | Washer (1)10 | 2 | |
| 19 | 10209056 | Self Locking Nut M10 | 3 | |
| 20 | 11640024 | Rollers | 2 | |
| 21 | 10630102 | Rubber block 438*1350’5 | 2 | |
| 22 | 10620034 | Rubber pad 120*100*38 | 4 | |
| 23 | 11630012 | Base frame | 1 | |
| 24 | 81513008 | Manual power unit | 1 | |
| 25 | 10209003 | Hex bolt M8x25 | 4 | |
| 26 | 10209005 | Self Locking Nut M8 | 4 | |
| 27 | 11640021 | Power unit stand | 1 | |
| 28 | 10206006 | Washer (p12 | 2 | |
| 29 | 10420046 | Split pin (4)3*20 | 2 | |
| 30 | 10209064 | Straight Fitting | 1 | |
| 31 | 1003025001 | Oil hose Assy.( with spring) | 1 | |
| 32 | 10209060 | 90° Fitting for power unit | 1 | |
| 33 | 10630500 | Parts Box | 1 | |
| 34 | 100315001 | Protecting spring for oil hose | 1 | |
| PARTS FOR ROLLER | ||||
| 20-1 | 11630031 | Rollers handle | 2 | |
| 20-2 | 10630032 | Snap Ring (4)12 | 8 | |
| 20-3 | 11630033 | Connecting Shaft (442’80 | 2 | |
| 20-4 | 11630034 | Roller Shaft (i)12*65 | 2 | |
| 20-5 | 1003275021 | White wheel | 4 | |
Cylinder

| Item | Part No. | Description | QTY. | Note |
| 6-1 | 11630029 | Bore Weldment | 1 | |
| 6-2 | 11630026 | Piston Rod | 1 | |
| 6-3 | 10201034 | Bleeding Plug | 1 | |
| 6-4 | 11630030 | Head cap | 1 | |
| 6-5 | 10209078 | Dust ring | 1 | |
| 6-6 | 10620058 | 0-Ring inside head cap | 1 | |
| 6-7 | 10620049 | 0-Ring outside head cap | 1 | |
| 6-8 | 11630028 | Piston | 1 | |
| 6-9 | 10206069 | Small 0-Ring for piston | 1 | |
| 6-10 | 10630027 | 0-Ring outside piston | 1 | |
| 6-11 | 10620054 | Y-Ring OSI | 1 | |
| 6-12 | 10620055 | Support Ring | 1 | |
| 6-13 | 10206071 | Nut | 1 | |
| 6-14 | 10620064 | Greasing Fitting | 2 |
Manual Power Unit (071103)





















