Air Source Heat Pump
S700, S1200
Installation and Service Manual
INTRODUCTION
This manual includes the necessary information about the unit. Please read this manual carefully before you install, operate, and maintain the unit.
By Fitting this Activair Air source Heat Pump, you agree to:
- The unit has been received in good condition.
- You have carried out a heat loss calculation and are sure that this heat pump is suitable.
- You have carried out a load and voltage test to determine the correct size of the breaker to be used.
- You meet the requirements of the appropriate Building Regulations
HEALTH AND SAFETY
INFORMATION FOR THE USER, INSTALLER, AND SERVICE ENGINEER
Under the Consumer Protection Act 1987 and the Health and Safety at Work Act 1974, it is a requirement to provide information on substances hazardous to health (COSHH Regulations 1998).
TR Engineering takes every reasonable care to ensure that its products are designed and constructed to meet these safety requirements when the products are professionally installed and used. To fulfill the requirements, products are comprehensively tested and examined before despatch. When working on the appliance, it is the responsibility of the user or engineer to ensure that personal protective clothing or equipment appropriate to parts that could be considered hazardous or harmful is worn.
This appliance may contain some of the items below:
Glass rope, mineral wool, insulation pads, ceramic fibre, and glass insulation.
When handling, avoid inhalation and contact with eyes. These may be harmful and cause irritation to the skin, eyes, nose, or throat. Use disposable gloves, face masks, and eye protection. After handling, wash hands and other exposed areas. When disposing of materials, limit dust and the risk of inhalation by using water spray. Ensure materials are securely wrapped. Seek urgent medical attention if inhaled or ingested. Exposure to eyes and skin should be followed by immediate cleansing of the affected areas and medical attention if necessary.
Glues, Sealants, and Paints
The glues, sealants, and paints used present no known hazards when the appliance is used in the manner for which it is intended.
TEST SPECIFICATION
EN 14825:2018
EN 14511 – 4:2018 Clause 4
Cycle diagram
The whole cycle diagram is shown below.

SAFETY PRECAUTIONS
To prevent injury to the user, other people, or property damage, the following instructions must be followed. Incorrect operation due to ignoring instructions may cause harm or damage.
Install the unit only when it complies with local regulations, by-laws, and standards. Check the main voltage and frequency. This unit is only suitable for earthed sockets.
The following safety precautions should always be considered:
- Be sure to read the following WARNING before installing the unit.
- Be sure to observe the cautions specified here as they include important items related to safety.
- After reading these instructions, be sure to keep it together with the manual in a handy place for future reference.
WARNING
Only to be installed by a professional person.
Incorrect installation could cause injury due to fire, electric shock, the unit falling, or leakage of water. Consult the dealer from whom you purchased the unit or a specialized installer.
Install the unit securely in a place.
When insufficiently installed, the unit could fall causing injury. When installing the unit in a small room, please take measures (like sufficient ventilation) to prevent the asphyxia caused by the leakage of refrigerant.
Use the specified electrical wires and attach the wires firmly to the terminal board (connection in such a way that the stress of the wires is not applied to the sections).
Incorrect connection and fixing could cause a fire.
Be sure to use the provided or specified parts for the installation work.
The use of defective parts could cause an injury due to fire, electric shocks, the unit falling, etc. Perform the installation securely and please refer to the installation instructions.
Incorrect installation could cause an injury due to fire, electric shocks, the unit falling, leakage of water, etc. Perform electrical work according to the installation manual and be sure to use a dedicated section.
If the capacity of the power circuit is insufficient or there is an incomplete electrical circuit, it could result in a fire or an electric shock.
The unit must always have an earthed connection.
If the power supply is not earthed, you may not connect the unit.
Never use an extension cable to connect the unit to the electric power supply.
If there is no suitable, earthed wall socket available, have one installed by a recognized electrician.
Do not move/repair the unit yourself.
Improper movement or repair on the unit could lead to water leakage, electrical shock, injury, or fire. Have any repairs and/or maintenance only carried out by a recognized service engineer.
Do not plug or unplug the power supply during the operation There is a risk of fire or an electric shock
Do not touch/operate the unit with wet hands
There is a risk of fire or an electric shock
Do not place a heater or other appliances near the power cable
There is a risk of fire or an electric shock
Be cautious that water could not be poured into the product directly, and do not allow water to run into electric parts
There is a risk of fire or an electric shock
If the supply cord is damaged, it must be replaced by the manufacturer or its service agent, or a similarly qualified person to avoid a hazard.
This appliance has not been designed for use by persons (including children) with reduced physical, sensorial, or mental faculties or by persons without any experience or knowledge of heating systems unless they act under the safety and supervision of a responsible person or have received prior training concerning the use of the appliance.
Children should be supervised to ensure that they do not play with the appliance
IF THE PRODUCT IS NOT TO BE USED FOR AN EXTENDED PERIOD OF TIME, WE STRONGLY RECOMMEND NOT SWITCHING ‘OFF’ THE POWER SUPPLY OF THE UNIT.
IF THE POWER IS NOT SUPPLIED, THE ANTI-FREEZE FUNCTION WILL NOT BE PERFORMED.
CAUTION
Do not install the unit in a place where there is a chance of flammable gas leaks.
If there is a gas leak and gas accumulates in the area surrounding the unit, it could cause an explosion.
Perform the drainage/piping work according to the installation instruction.
If there is a defect in the drainage/piping work, water could leak from the unit, and household goods could get wet and be damaged.
Do not clean the unit when the power is ‘on.’
Always shut ‘off’ the power when cleaning or servicing the unit. If not, it could cause an injury due to the high-speed running fan or an electrical shock.
Do not continue to run the unit when there is a suspected fault.
The power supply needs to be shut ‘off’ to stop the unit; otherwise, this may cause an electrical shock or fire.
Be cautious when unpacking and installing the product.
Sharp edges could cause injury. Especially watch the edges and the fins on the heat exchanger of the product.
Always check for gas (refrigerant) leakage after installation or repair of the product.
Low refrigerant levels may cause the failure of the product.
Keep level even when installing the product.
This is to avoid vibration or water leakage.
Do not place hands or fingers or others into the fan, or evaporator.
The ventilator runs at high speed, which could cause significant injury.
OPERATING THE UNIT
Operating the unit comes down to operating the digital controller.
NEVER LET THE DIGITAL CONTROLLER GET WET. THIS MAY CAUSE AN ELECTRIC SHOCK OR FIRE.
NEVER PRESS THE BUTTONS OF THE DIGITAL CONTROLLER WITH A HARD, POINTED OBJECT.
THIS MAY DAMAGE THE DIGITAL CONTROLLER.
NEVER INSPECT OR SERVICE THE DIGITAL CONTROLLER YOURSELF, ASK A QUALIFIED SERVICE PERSON TO DO THIS.
Features and functions
Basic controller functions
The basic controller functions are:
- Turning the heat pump ‘ON’/’OFF’.
- 24 hours real-time clock.
- Timer ‘ON’ and timer ‘OFF’.
- Parameter adjustment
User interface

Buttons
Unit ON/OFF button- Under unit unlock status, press this button for 1 second to switch the unit ON/OFF.
- Under another setting status, press this button to return to the main interface.
- Under locked screen status, press this button for 5 seconds to unlock the screen.
Mode button- Under the main interface, press this button to check the unit status
and
adjust button- Turn pages up and down to check, and modify parameters.
- Combining with
to query and change parameters. - Under unit ON status, press
and
set temperature in current mode. - Timer button
- Press this button for 10 seconds to set clock.
- Press this button to enter Timer ON/OFF setting mode, combing with
and
buttons to set 2 groups of Timer ON/OFF.
Controller operations
- Parameter query and settings
- User parameter query and settings (available when unit ON or OFF).
- On main interface screen, press
for 3 seconds to enter the user parameter query interface, press
and
the buttons to check each parameter. - On the user parameter query interface, press
to enter the parameter setting interface, press
and
buttons to modify the parameter value, and press
again to go back to the parameter query status. - Under the user parameter query or setting interface, if buttons are not pressed within 30 seconds, the user parameter query or setting interface will automatically exit and return to the main operation interface.
can be pressed to go back to the main operation interface. - Clock settings
- Under main operation interface screen, press
for 5 seconds to enter the clock setting interface. - On the clock setting interface screen, press on time, and the “hour” digit is flashing, then press
and
buttons to modify the value for “hour.” - After setting the “hour” digit, press
again, the “minute” digit is flashing, then press
and
buttons to modify the value for “minute.” - After setting the “minute” digit, press
again to confirm clock settings and go back to the main operation interface. - Under the clock setting interface, if buttons are not pressed within 30 seconds, the display will automatically
confirm the current clock settings and go back to the main operation interface. - Under the clock setting interface, press
to confirm clock settings and go back to the main operation interface. - Timer settings
- On main operation interface screen, press
to enter Timer setting interface. - Then press
and
to set Timers, there are 4 groups of Timers. - When Time 1 is flashing, press
to enter Timer 1 ON the “hour” digit setting which will flash, then press and buttons to set the value for the “hour” digit. - After setting Timer 1 ON the “hour” digit, press
again to enter into Timer 1 ON the “minute” digit which will flash, then press
and
buttons to set the value for Time 1 ON the “minute” digit. - After setting Timer 1 ON the “minute” digit, press
again to enter into Timer 1 OFF “hour” digit,
The setting way is the same as above. - When finished setting the Timer OFF time, press
again to confirm the current Timer settings, and enter Timer 2 ON/OFF settings, the operation is the same as Timer 1 settings, then back to the main operation interface. - On the Timer setting interface screen, press
for 5 seconds to cancel the current Timer ON/OFF settings. - On the Timer setting interface screen, if there is no press on button for continuous 30 seconds, the system will automatically confirm the current Timer settings and return to the main operation interface (Timer memory is available if power is off.).
- On the Timer setting interface screen, press
to confirm the current Timer settings and back to main operation interface. - Settings way for other groups of Timers is the same as Timer 1.
- Timers 1,2 are for unit ON/OFF, Timer 3 is for return water, and Timer 4 is for water refilling.
- Lock and unlock buttons
- Under locked button status, press
for 3 seconds, after a buzzer, the button will be unlocked. - Automatically lock buttons if there is no press on any button within 60 seconds.
- Cooling mode
- Press
for 5 seconds, can switch different modes: cooling, heating/hot water. - Forced defrosting
- Under unit ON status, press
for 3 seconds to enter forced defrosting. - Press
for a longer time till the unit turns off, 3 minutes later the forced defrosting will exit. Or if defrosting time reaches Parameter “H5”, the forced defrosting will exit as well. - Remove error history record
- On the error, history query interface screen, press
and
5 seconds to remove error history records. - Reset
- Under unit OFF status, press
and
for 5 seconds, and parameters will resume the initial factory default value.
PARAMETER CHECKING AND ADUSTMENT
Unit status query table
| Code | Parameter Name |
| A1 | Coil temperature |
| A2 | Return gas temperature |
| A3 | Exhaust gas temperature |
| A4 | Ambient temperature |
| A5 | Outlet water temperature |
| A6 | Return water temperature |
| A7 | Reserved |
| A8 | Compressor current |
| A9 | Opening of the EEV |
| A10 | Reserved |
| E1~E6 | Error code display |
Parameter list
Some parameters can be checked and adjusted by the controller. Below is the parameter list.
User parameters (can be adjusted by users.)
| Code | Parameter Name | Range | Default |
| L2 | Outlet water temperature variation for compressor start | 3℃~18℃ | 5℃ |
| L3 | Outlet water temperature set when heating | 32℃~40℃ Parameter F1 | 40℃ |
| L4 | Outlet water temperature set when cooling | 8-32℃ | 12℃ |
| L5 | Ambient temperature for electric heater start | 0℃~35℃ | 5℃ |
| L6 | Return water temperature | 30℃~40℃ | 40℃ |
| L7 | Allowable water-refill temperature | 20℃~40℃ | 20℃ |
| L8 | Compressor current | 0~40A | 0(”0” means no detection) |
Error code table
When an error occurs or the protection mode is set automatically, the wired controller will display the error message.
| Code | Protection/Failure Type | Code | Protection/Malfunction |
| Er01 | Phase dislocation | Er23 | Low outlet water temperature protection under cooling mode |
| Er02 | Phase loss | Er25 | Water level switch failure |
| Er03 | Water flow switch failure | Er27 | Outlet water temperature sensor failure |
| Er04 | Anti-freeze protection in winter | Er29 | Compressor suction gas temperature sensor failure |
| Er05 | High pressure protection | Er31 | Water pressure switch failure |
| Er06 | Low pressure protection | Er35 | Compressor high current protection |
| Er09 | Communication failure | Er44 | Low ambient temperature protection |
| Er12 | High compressor exhaust gas temp protection | Er45 | High outlet water temperature protection under heat mode |
| Er15 | Tank water temp sensor failure | ||
| Er16 | Coil temperature sensor failure | ||
| Er18 | Exhaust gas temp sensor failure | ||
| Er21 | Ambient temp sensor failure | ||
| Er22 | Return water temperature sensor failure |
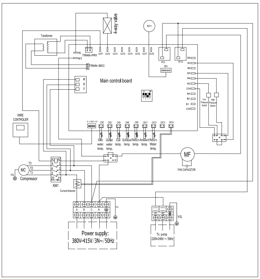
WIRING DIRGRAM

INSTALLATION OF THE UNIT
Installation guidelines
Precautions for selecting the location
- Choose a place solid enough to bear the weight and vibration of the unit, where the operation noise will not be amplified.
- Choose a location where the hot air discharged from the unit, or the operation noise will not cause a nuisance to the neighbors of the user.
- Avoid places near a bedroom and the like, so that the operation noise will cause no trouble.
- There must be sufficient space for carrying the unit into and out of the site.
- There must be sufficient space for air passage and no obstructions around the air inlet and the air outlet.
- Locate the unit so that the noise and the discharged hot air will not annoy others.
- The site must be free from the possibility of flammable gas leakage in a nearby place.
- Install units, power cords, and inter-unit cables at least 3m away from television and radio sets. This is to prevent interference with images and sounds.
- Depending on radio wave conditions, electromagnetic interference can still occur even if installed more than 3m away.
- In coastal areas or other places with salty atmospheres of sulfate gas, corrosion may shorten the life of the outdoor unit.
- Since the drain flows out of the outdoor unit, do not place anything under the unit which must be kept away from moisture.
Selecting a location in cold climates
WHEN OPERATING THE OUTDOOR UNIT IN A LOW OUTDOOR AMBIENT TEMPERATURE, BE SURE TO FOLLOW THE INSTRUCTIONS DESCRIBED BELOW.
- To prevent exposure to wind, install the outdoor unit with its suction side facing the wall.
- Never install the outdoor unit at a site where the suction side may be exposed directly to wind.
- To prevent exposure to wind, install a baffle plate on the air discharge side of the outdoor unit.
- In heavy snowfall areas, it is very important to select an installation site where the snow will not affect the unit. If lateral snowfall is possible, make sure that the heat exchanger coil is not affected by the snow (if necessary, construct a lateral canopy).
Installation space

Mounting the unit
When installing the outdoor unit, please refer to “MCS Installation guidelines” to select an appropriate location.
- Check the strength and level of the installation ground so that the unit will not cause any operating vibration or noise after installation.
- Prepare 4 sets of M8 foundation bolts, nuts, and washers each.
- Fix the unit securely by means of the foundation bolts in accordance with the foundation drawing. It is best to screw in the foundation bolts until their length remains 20mm above the foundation surface.
![]()
Water pipework
Checking the water circuit
The water circuits must be installed by a licensed technician and must comply with all current regulations.
THE UNIT IS ONLY TO BE USED IN A CLOSED WATER SYSTEM. APPLICATION IN AN OPEN WATER CIRCUIT CAN LEAD TO EXCESSIVE CORROSION OF THE WATER PIPING.
Before continuing the installation of the unit, check the following points:
- The maximum water pressure is 6 bar.
- Two isolation valves (not supplied) must be fitted to facilitate service and maintenance, please install one at each water inlet/outlet. Orientation of the integrated drain and fill valves is important for servicing.
- Drain taps must be provided at all low points of the system to permit complete drainage of the circuit during maintenance.
- Air vents must be provided at all high points of the system. The vents should be located at points that are easily accessible for servicing. Do the air purge during the installation.
- Take care that the components installed in the field piping can withstand the water pressure.
Connecting the water circuit
Water connections must be made in accordance with the diagram delivered with the unit, respecting the water inlet and outlet connections.
BE CAREFUL NOT TO DEFORM THE UNIT PIPING BY USING EXCESSIVE FORCE WHEN CONNECTING THE PIPING. DEFORMATION OF THE PIPING CAN CAUSE THE UNIT TO MALFUNCTION.
If air, moisture, or dust gets in the water circuit, problems may occur.
Therefore, always consider the following when connecting the water circuit:
- Use clean pipes only.
- Hold the pipe end downwards when removing burrs.
- Cover the pipe end when inserting it through a wall so that no dust and dirt can enter.
- Use a good thread sealant for the sealing of the connections.
- The sealing must be able to withstand the pressures and temperatures of the system.
- When using non-brass metallic piping, make sure to insulate both materials from each other to prevent galvanic corrosion.
- Because brass is a soft material, use appropriate tooling for connecting the water circuit. Inappropriate tooling will cause damage to the pipes.
THE UNIT IS ONLY TO BE USED IN A CLOSED WATER SYSTEM. APPLICATION IN AN OPEN WATER CIRCUIT CAN LEAD TO EXCESSIVE CORROSION OF THE WATER PIPING.
NEVER USE ZN-COATED PARTS IN THE WATER CIRCUIT. EXCESSIVE CORROSION OF THESE PARTS MAY OCCUR AS COPPER PIPING IS USED IN THE INTERNAL WATER CIRCUIT OF THE UNIT.
WHEN USING A 3-WAY VALVE OR A 2-WAY VALVE IN THE WATER CIRCUIT.
THE RECOMMENDED MAXIMUM CHANGEOVER TIME OF THE VALVE SHOULD BE LESS THAN 60 SECONDS.
Charging water
- Connect the water supply to a drain and fill valve.
NOTE
• Water quality must be according to EN directive 98/83 EC.
Piping insulation
The complete water circuit, inclusive of all piping, must be insulated to prevent and reduction of the heating capacity.
Field wiring
WARNING
- A main switch or other means for disconnection, having a contact separation in all poles, must be incorporated in the fixed wiring in accordance with relevant local and national legislation.
- Switch ‘off’ the power supply before making any connections.
- All field wiring and components must be installed by a qualified electrician and must comply with relevant European and national regulations.
- The field wiring must be carried out in accordance with the wiring diagram supplied with the unit and the instructions given below.
- Be sure to use a dedicated power supply. Never use a power supply shared by another appliance.
- Be sure to establish an earth. Do not earth the unit to a utility pipe, surge absorber, or telephone earth.
Incomplete earth may cause electrical shock. - Be sure to install an earth leakage protector.
Failure to do so may cause electrical shock.
Auxiliary switching
Terminal 7 on the PCB via a contactor (not supplied) has the ability to switch an auxiliary electric heater.
Use setting L5 from the Parameters list (Page 10) to specify at what ambient air temperature the electric heater operates, adjustable between 0℃ – 35℃
Pre-operation checks
Checks before initial start-up
SWITCH OFF THE POWER SUPPLY BEFORE MAKING ANY CONNECTIONS.
After the installation of the unit, check the following before switching on the circuit breaker:
- Field wiring
Make sure that the field wiring between the local supply panel and appliance has been carried out according to the instructions, the wiring diagrams, and according to European and national regulations. - Fuses or protection devices
Check that the fuses or the locally installed protection devices are of the size and type specified. Make sure that neither a fuse nor a protection device has been bypassed. - Earth wiring
Make sure that the earth wires have been connected properly and that the earth terminals are tightened. - Internal wiring
Visually check the switch box on loose connections or damaged electrical components. - Fixation
Check that the unit is properly fixed, to avoid abnormal noises and vibrations when starting up the unit. - Damaged equipment
Check the inside of the unit for damaged components or pipes. - Refrigerant leakage
Check the inside of the unit for refrigerant leakage. - Power supply voltage
Check the power supply voltage on the local supply panel. The voltage must correspond to the voltage on the identification label of the unit. - Water flow switch should be installed for the place where there is no constant sufficient water flow (Field supply)
- Isolation valves – Must be installed – Failure to do so will invalidate the warranty.
Make sure that the isolation valves are correctly installed and fully open.
OPERATING THE SYSTEM WITH CLOSED VALVES WILL DAMAGE THE PUMP!
MAINTENANCE
To ensure optimal availability of the unit, a number of checks and inspections on the unit and the field wiring must be carried out at regular intervals.
BEFORE CARRYING OUT ANY MAINTENANCE OR REPAIR ACTIVITY, ALWAYS SWITCH ‘OFF’ THE CIRCUIT
BREAKER ON THE SUPPLY PANEL, REMOVE THE FUSES, OR OPEN THE PROTECTION DEVICES OF THE UNIT.
MAKE SURE THAT BEFORE STARTING ANY MAINTENANCE OR REPAIR ACTIVITIES THE POWER SUPPLY TO THE OUTDOOR UNIT IS SWITCHED ‘OFF’.
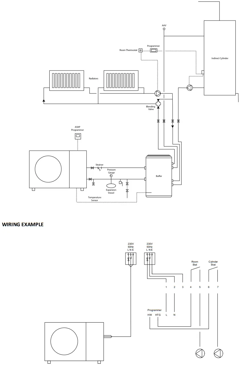
INSTALLATION PLAN EXAMPLE FOR COMPLETE SYSTEM

TROUBLESHOOTING
This section provides useful information for diagnosing and correcting certain issues which may occur.
General guidelines
Before starting the troubleshooting procedure, conduct a thorough visual inspection of the unit and look for obvious defects such as loose connections or defective wiring.
Before contacting your local dealer, read this chapter carefully, it will save you time and money.
WHEN CONDUCTING AN INSPECTION ON THE SWITCH BOX OF THE UNIT, ALWAYS MAKE SURE THAT THE MAIN SWITCH OF THE UNIT IS SWITCHED ‘OFF.’
When a safety device was activated, stop the unit, and find out why the safety device was activated before resetting it. Under no circumstances safety devices may be bridged or changed to a value other than the factory setting. If the cause of the problem cannot be found, call your local dealer/installer.
Error codes and Troubleshooting
When an error occurs or the protection mode is set automatically, the wired controller will display the error message.
| Protection/ Malfunction | Error code | Reasons | Correction Mode |
| Phase Dislocation | Er01 | Wrong connection of live wire | Reverse position of two of the live wires (3-Phase only). |
| Phase Loss | Er02 | Live wire loss, or without power. | 1) Check if wires are loose. 2) Check if any phase is without power (use a multimeter to check voltage). |
| Water flow switch failure | Er03 | 1) Inadequate water flow 2) Water flow switch damaged 3) Main PCB damaged | 1) Check the pump 2) Replace the water flow switch 3) Replace the PCB |
| Anti-freeze protection in winter | Er04 | This function occurs when the ambient temperature is too low. | No action needed |
| High pressure protection | Er05 | 1) Inadequate flow rate 2) Uncompressed gas in the refrigerant system 3) Overcharge with refrigerant 4) Water temperature setting too high 5) Outdoor fan ventilation is bad 6) Poor connection of pressure switch 7) Pressure switch failure 8) Main PCB damaged | 1) Check pump and water control valve 2) Discharge and then re-charge the refrigerant 3) Discharge some refrigerant 4) Set lower water temp 5) Check fan ventilation 6) Reconnect the switch 7) Replace the pressure switch 8) Replace the PCB |
| Low pressure protection | Er06 | 1) Undercharged refrigerant 2) Capillary or EEV blocked 3) Poor connection of pressure switch 4) Pressure switch failure 5) Main PCB damaged | 1) Add some refrigerant 2) Replace the capillary or EEV 3) Reconnect the switch 4) Replace the pressure switch 5) Replace the PCB |
| Communication failure | Er09 | Communication failure be- tween the LCD and PCB | 1) Check the wire connection between the LCD and PCB. 2) Replace LCD. |
| High compressor exhaust gas temperature protection | Er12 | 1) Refrigerant Under- charged 2) Reasons as Er05 | 1) Add some refrigerant 2) Similar corrections as Er05 |
| Tank water temperature sensor failure | Er15 | 1) Sensor open circuit 2) Sensor short circuit 3) Main PCB damaged | 1) Check the sensor connection 2) Replace the sensor 3) Replace the main PCB |
| Coil temperature sensor failure | Er16 | 1) Sensor open circuit 2) Sensor short circuit 3) Main PCB damaged | 1) Check the sensor connection 2) Replace the sensor 3) Replace the main PCB |
| Compressor exhaust gas temp. sensor failure | Er18 | 1) Sensor open circuit 2) Sensor short circuit 3) Main PCB damaged | 1) Check the sensor connection 2) Replace the sensor 3) Replace the main PCB |
| Ambient temporary sensor failure | Er21 | 1) Sensor open circuit 2) Sensor short circuit 3) Main PCB damaged | 1) Check the sensor connection 2) Replace the sensor 3) Replace the main PCB |
| Return water temp Sensor failure | Er22 | 1) Sensor open circuit 2) Sensor short circuit 3) Main PCB damaged | 1) Check the sensor connection 2) Replace the sensor 3) Replace the main PCB |
| Low outlet water temperature protection under cooling mode | Er23 | 1) Inadequate water flow rate 2) Low inlet water temp 3) Unreasonable anti-freeze protection temporary setting 4) Main PCB damaged | 1) Check the water filter and water circuit (no block) 2) Adjust the setting temp to the normal working range 3) Adjust to the right anti-freeze protection temp setting 4) Replace the main PCB |
| Water level switch failure | Er25 | 1) Connection terminals lose 2) Water level switch broken | 1) Check connections if good 2) Replace water level switch |
| Outlet water temperature sensor failure | Er27 | 1) Sensor open circuit 2) Sensor short circuit 3) Main PCB damaged | 1) Check the sensor connection 2) Replace the sensor 3) Replace the main PCB |
| Compressor suction gas temperature sensor failure | Er29 | 1) Sensor open circuit 2) Sensor short circuit 3) Main PCB damaged | 1) Check the sensor connection 2) Replace the sensor 3) Replace the main PCB |
| Water pressure switch failure | Er31 | 1) Connection terminals lose 2) Water pressure switch broken | 1) Check connections 2) Replace the water pressure switch |
| Compressor high current protection | Er35 | 1) Inadequate water flow rate under heat mode 2) If the ambient temperature is exceedingly high under heat mode 3) If fan motor broke under cool mode | 1) Check pump, filter, and water circuit (no block) 2) Check ambient/inlet/outlet water temps 3) Check compressor exhaust and suction gas temps 4) Check fan |
| Low ambient temp protection | Er44 | This function occurs when the ambient temperature is too low. | Check if the ambient temperature is below -10℃. |
| High outlet water temp protection under heat mode | Er45 | 1) Inadequate water flow rate 2) Set outlet water temperature is too high 3) Outlet water temperature sensor or main PCB damaged | 1) Check pump, filter, and water circuit (no block) 2) Adjust set outlet water temp to the normal working range 3) Replace outlet water temp sensor or main PCB |
TR ENGINEERING LTD CUSTOMER AFTER SALES SERVICE INFORMATION
The ASHP comes with a standard 1 Year warranty, this is automatically extended to 2 years free of charge providing the ASHP is registered within 30 days from the date of installation. Either by filling in a warranty card if one has been provided or online at: www.trianco.co.uk/product-registration
Please note you will require the full ASHP serial number to be able to register the boiler.
A step-by-step guide to reporting a fault with your appliance.
A qualified field SERVICE ENGINEER is available to attend to a breakdown or manufacturing fault occurring whilst the appliance is under warranty.
The appliance must be made available for service during normal working hours, Monday to Friday (no weekend work or bank holidays accepted).
A charge will be made where:
- Our Field Service Engineer finds no fault with the appliance.
- The cause of a breakdown is due to other parts of the plumbing/heating system or equipment not supplied by TR Engineering Ltd.
- Where the appliance falls outside the warranty period.
- The appliance has not been correctly installed, as recommended (see the installation, operating, and servicing instructions.)
NOTE: Over 50% of all service calls made are found to have no appliance fault.
What to do in the event of an appliance fault or breakdown:
Step 1: Always contact your installer in the first instance, who must thoroughly check all his work PRIOR to requesting a service visit from TR Engineering LTD.
Step 2: If your appliance has developed an in-warranty fault your installer should contact TR Engineering LTD for assistance from site.
What happens if my Installer/engineer is unavailable?
Step 3: Contact TR Engineering LTD. We will provide you with the name and telephone number of our Service Agent. However, a charge may apply if the fault is not covered by the appliance warranty (payment will be requested on-site by our independent Service Agent).
PLEASE NOTE: UNAUTHORISED INVOICES FOR ATTENDANCE AND REPAIR WORK CARRIED OUT ON THIS APPLIANCE BY ANY THIRD PARTY WILL NOT BE ACCEPTED BY TR ENGINEERING LTD
SERVICE CENTRE AND TECHNICAL SUPPORT
Tel: 0114 257 2300 Fax: 0114 257 1419
Hours of Business
Monday to Thursday 8.30am – 5pm
Friday 8.30am – 2.30pm
Technical Specification
| Model | Unit | FG 9007 | FG 9012 |
| Heating Capacity @ (A7/W35) | kW | 7.01 | 11.93 |
| Heating Input Power @ (A7/W35) | kW | 1.65 | 2.82 |
| COP @ (A7/W35) | 4.25 | 4.23 | |
| Heating Capacity @ (A7/W45) | kW | 6.96 | 11.50 |
| Heating Input Power @ (A7/W45) | kW | 2.05 | 3.46 |
| COP @ (A7/W45) | 3.40 | 3.33 | |
| Rated Input Current | A | 7.5 | 12.82 |
| Max Input Power | kW | 3.52 | 6.16 |
| Max Input Current | A | 16 | 28 |
| Required Flow Rate | m³/h | 1.2 | 2.1 |
| Weight | kg | 78 | 91 |
| Noise | dBA | 48 | 52 |
| Min Water Output Temperature | °C | 20 | 20 |
| Max Water Output Temperature | °C | 60 | 60 |
| Power Supply | 220V~50Hz | 220V~50Hz | |
| Pump | RS 25/7 EA | RS 25/12 EAX | |
| Min Working Pressure | bar | 12 | 12 |
| Max Working Pressure | bar | 42 | 42 |
| Working Ambient Temperature Range | °C | -15~43 | -15~43 |
| Required Air Flow | cfm | 3250 | 4500 |
| Refrigerant | g | R32/1300 | R32/1900 |
| Electrical Shock Protection | I | I | |
| Moisture Resistance | IPX4 | IPX4 | |
| Casing Finish | Grey | Grey |
Heating Performance
| Ambient temperature | -15 | -7 | 2 | 7 | 12 | 20 | 43 |
| 12kW | 5.7 | 7.2 | 10.2 | 12.2 | 14.3 | 15.7 | 21.2 |
| 7kW | 3.5 | 4.4 | 5.9 | 7.4 | 7.6 | 9 | 13.1 |

TR ENGINEERING LTD
UNIT 5
WORTLEY ROAD
ROTHERHAM
S 61 1LZ
Tel: (0114) 2572300
Fax: (0114) 2571419
www.trianco.co.uk
© TR Engineering Limited
Copyright in this brochure and the drawings and illustrations contained in it is vested in TR Engineering Limited and neither the brochure nor any part thereof may be reproduced without prior written consent.
TR Engineering Limited’s policy is one of continuous research and development. This may necessitate alterations to this specification.













