INTERMATIC IG2200 Flush Mount Kit Instruction Manual
IMPORTANT SAFETY INSTRUCTIONS
WARNING: Risk of Fire or Electric Shock
- Disconnect power at the circuit breaker(s) or disconnect switch(as) before installing or servicing.
- Installation and service to be performed by a qualified licensed technician or electrician.
- Installation and/or wiring must be in accordance with national and local electrical code requirements.
- Confirm Consumable Surge Protective Device (SPD) is rated for the correct voltage and current for your application.
- Bonding between conduit connection and enclosure is not automatic and must be provided as part of the installation. Only one connection may be made to SPD enclosure.
- For outdoor locations or wet locations (rain-tight), conduit hubs that comply with requirements of the UL514B (standard for fitting conduit and outlet boxes) are to be used.
- KEEP DOOR CLOSED AT ALL TIMES when not servicing.
APPLICATION NOTES
- Thoroughly read instructions before installing SPD unit.
- This product is designed to protect against momentary transient overvoltage events.
- This product does not protect against nearby lightning strikes.
- This device features internal protection that will disconnect the surge protective component at the end of its useful life but will maintain power to the load-now unprotected. If this situation is undesirable
for the application, follow the manufacturers instructions for replacing Consumable SPD module(s). - Observe warnings and instructions on front panel and unit label of product.
DEFINITIONS
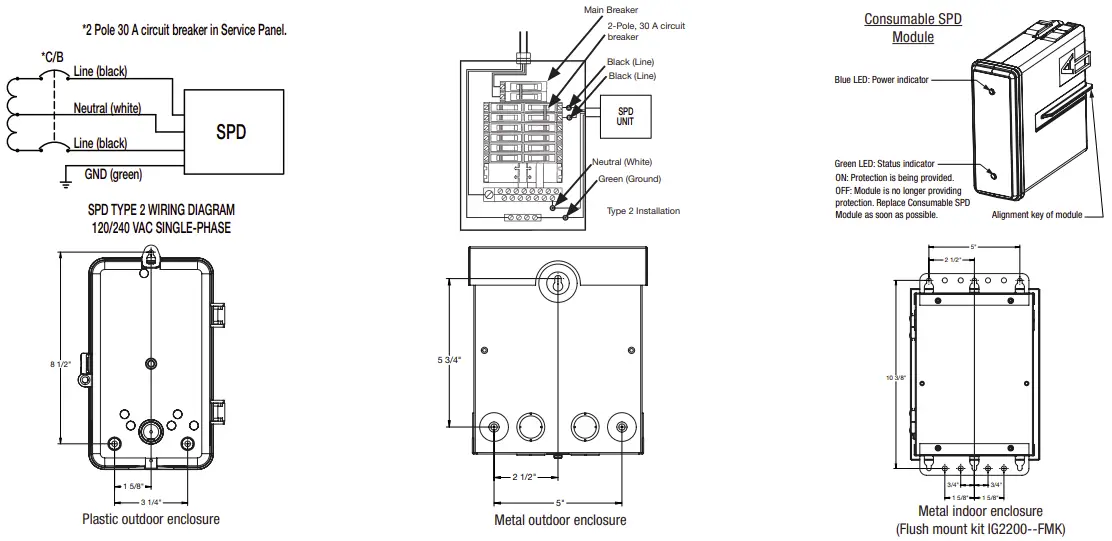
Type 2 SPD: A typical Type 2 SPD installation will be connected to the load side of the service panel and is intended to be installed with overcurrent protection to the SPD.
INSTALLATION INSTRUCTIONS
INSTALLATION
- Verify system voltage.
- Make sure SPD is correctly rated for system.
- Determine mounting location of SPD unit.
The SPD unit should be located as close as possible to the load to be protected to minimize all wire lengths. - Mount enclosure
- Remove dead front from SPD unit.
- Disconnect power at power source before installation.
- Remove needed knockout from SPD unit, once wire routing has been determined.
- Only one conduit connection may be made to SPD unit enclosure.
- Mount enclosure using suitable fasteners in locations shown below. Do not rely on conduit fitting to support SPD.
- Follow wiring diagram for all connections (Located within instruction sheet and SPD unit).
- Cut all wires to a minimum suitable length while maintaining a 4” recommended bend radius.
- Do not coil excess wire.
- Make sure all connections are secure.
- Replace dead front.
- Energize SPD unit
- Flip circuit breaker to ON position at main service panel or disconnect switch(es).
- Indicators: Each Consumable SPD Module has a blue LED to indicate the SPD unit has power and a green LED to indicate that the Consumable SPD Module is providing protection.
SERVICING INSTRUCTIONS:
The Consumable SPD Module will absorb the energy of the surges to protect the connected load. If the green LED is OFF, the Consumable SPD module is no longer providing protection and should be replaced as soon as possible
TO REPLACE CONSUMABLE SPD MODULE:
- POWER MUST BE REMOVED FROM THE CONSUMABLE SPD MODULE BEFORE REPLACING.
- Disconnect power at the POWER SOURCE before removing Consumable SPD Module from the SPD unit.
- Remove Consumable SPD Module to be replaced by firmly pulling straight out from SPD unit. The module door within the unit will close once the module is removed.
- Make sure Consumable SPD Module is correctly rated for system.
- Place new Consumable SPD Module back into SPD unit. Make sure module alignment key is oriented correctly when inserting.
- Make sure the Consumable SPD Module is fully seated.
- Re-energize SPD unit.
- Verify the blue and green LED’s within each Consumable SPD Module are lit.

TEN YEAR/ONE YEAR LIMITED PRODUCT AND TEN YEAR LIMITED CONNECTED EQUIPMENT WARRANTY FOR INTERMATIC SURGE PROTECTIVE DEVICES.
(1) What is Covered By This Limited Warranty
(A) Replacement of Product
Intermate Incorporated (“Intermate”) warrants to the original purchaser only, Intermate IG2200 Series Surge Protective Device Base Units shall be free from defects in material or workmanship for a period of ten years (120 months) from date of purchase or 126 months from date of manufacture.
The Consumable Modules limited warranty period is one year (12 months) from the date of purchase (18 months from the date of manufacture). If the purchaser discovers a defect in material or workmanship, the purchaser must promptly submit a warranty claim.
Upon a determination by Intermate that the Product is defective, Intermate, shall correct any defect in material or workmanship by replacing the Defective Product. Any repair by Intermate, including both parts and labor, shall be at Instamatic’s expense.
The foregoing remedy is the purchaser’s exclusive remedy for a breach of warranty.
The product must be installed in the appropriate application in complete accordance with the installation instructions.
All building wiring and other connections to the Product must conform to all applicable national, state, and local electrical codes; the Product must not be opened, modified, exposed to extreme heat or cold, submerged or subjected to abnormal use or service.
All products must be used in accordance with the instructions provided with the Product and the purchaser shall be solely responsible for selecting a Product model with specifications appropriate for the equipment to be protected.
Intermate shall determine, in its sole discretion, whether any Product returned by a purchaser has been used in accordance with its instructions, is an appropriate model for the purchaser’s use thereof, and whether the Product is defective.
(B) Repair or Reimbursement for Damage to Properly Connected Equipment
In addition to the above described limited Product warranty, Intermate warrants to the original purchaser of the Product for a period of ten years from the date of purchase of the
product, the following: In the event that any major household connected electrical equipment (as defined below) is damaged (the “Damaged Equipment”) as a direct result of the
failure of an in-warranty Product to protect the Damaged Equipment from Power Transients (as hereinafter defined) and all other conditions are satisfied, Instamatic’s option, either repair the Damaged Equipment or reimburse the purchaser of the defective product.
The limit of Instamatic’s liability under this warranty shall be the Fair Market Value (as hereinafter defined) of the Damaged Equipment or the deductible amount of the original purchaser’s homeowners insurance policy, whichever is less. In no event shall Intermate incur repair costs or reimburse the purchaser for an amount in excess of Twenty Five Thousand Dollars ($25,000.00).
As used herein, “major household connected electrical equipment” shall mean major household appliances and electronic devices, including refrigerators, freezers, air conditioners, stoves and ovens, microwave ovens, clothes washers and/or dryers, dishwashers, audio and stereo equipment or components, video equipment, televisions and computers.
Major household connected electrical equipment that normally requires an additional connection such as phone/modem connection, antenna or cable connection or other temporary or permanent connection must be properly connected to an Intermate listed Surge Protection Device that incorporates surge protection for both AC (power) and all other input connections, which is sold separately.
The Fair Market Value of the Damaged Equipment shall be the current value of the equipment specified in the most recent version of the Orion Blue Book (printed or on-line edition) by Orion Research Corporation. Promptly upon discovering any Damaged Equipment, the purchaser must submit a claim pursuant to the claim procedure provided below.
In no event may a purchaser initiate a claim later than (30) days after the Protected Equipment is damaged.
In order to receive the Connected Equipment protection provided in this Section, all of the following conditions must be satisfied with respect to the use of the Product: (a) the Product must be properly installed; (b) all building wiring and other connections to the Product and the Damaged Equipment must conform to all applicable federal, state and local electrical codes; (c) no ground wires or ground connections in addition to the AC power source can be used in connection with the Product or the Damaged Equipment; (d) Equipment with additional telephone or data/cable connections must be properly connected to an Intermate Listed Surge Protection Device (see www.Intermatic.com); and (e) the Product(s) and Protected Equipment must not be opened, modified, exposed to extreme heat
or cold, submerged or subjected to abnormal use or service.
For purposes of this Limited Warranty, a Power Transient shall mean over-voltage resulting from momentary voltage spikes or surges on an AC power line of magnitude that the Product, according to its specifications, is designed to stop before such spikes or surges affect downstream equipment.
(2) What is Not Covered By This Warranty
Intermate does not warrant (a) defects in the Product or damage to any equipment caused by the failure to properly install the Product, (b) damage caused by use of the Product for purposes other than those for which it was designed, (c) damage caused by disaster such as fire, flood and wind, (d) damage caused by unauthorized attachments or modification of the Product, (e) damage to the Product occurring during the shipment, or (f) electrical disturbances exceeding published product specifications, (g) damage to the Product caused by any other abuse or misuse by the purchaser, (h) damage due to direct or vicinity lightning strikes, This warranty applies to residential and commercial applications.
This device is not intended to provide protection during Utility voltage swells or loss of neutral conditions which are by definition not transient events and are not covered by this warranty.
(3) Disclaimer of Warranty
THE FOREGOING WARRANTIES ARE IN LIEU OF ALL OTHER EXPRESSED WARRANTIES. TO THE EXTENT ALLOWED BY LAW, ANY IMPLIED WARRANTIES OF MERCHANTABILITY OR FITNESS FOR A PARTICULAR PURPOSE ARE LIMITED IN DURATION OF THIS LIMITED WARRANTY.
(4) Limitation of Remedies
IN NO CASE SHALL INTERMATIC BE LIABLE FOR ANY SPECIAL, INCIDENTAL, OR CONSEQUENTIAL DAMAGES BASED UPON BREACH OF WARRANTY, BREACH OF CONTRACT, NEGLIGENCE, STRICT TORT, OR ANY OTHER LEGAL THEORY. SUCH EXCLUDED DAMAGES INCLUDE, BUT ARE NOT LIMITED TO, DAMAGE TO SOFTWARE, LOSS OF DATA, LOSS OF PROFITS, LOSS OF SAVINGS OR REVENUE, LOSS OF USE OF THE PRODUCT OR ANY ASSOCIATED EQUIPMENT, COST OF CAPITAL, COST OF ANY SUBSTITUTE EQUIPMENT, FACILITIES OR SERVICES, DOWNTIME, THE CLAIMS OF THIRD PARTIES INCLUDING CUSTOMERS, DAMAGE TO PROPERTY AND PERSONAL INJURY. SOME STATES DO NOT ALLOW LIMITS ON WARRANTIES OR ON REMEDIES FOR BREACH IN CERTAIN TRANSACTIONS, IN SUCH STATES, THE LIMITS IN THIS PARAGRAPH AND IN PARAGRAPH (3) MAY NOT APPLY.
(5) Time Limit for Bringing Suit
No action arising out of any claimed breach of warranty may be brought more than one year after the cause of action has occurred.
(6) No Other Warranties
Unless modified in writing signed by both parties, this agreement is understood to be the complete and exclusive agreement between the parties, superseding all prior agreements, oral or written, and all other communications between the parties relating to the subject matter of this agreement.
No employee of Intermate or any other party is authorized to make any warranty in addition to those made in this agreement.
This warranty is made by: Intermate Incorporated/After Sales Service, 1950 Innovation Way, Suite 300, Libertyville, IL. 60048/815-675-7000 http://www.intermatic.com
(7) Claim Procedure
In order to submit a claim for warranty service the original purchaser must:
(A) Contact the Intermatic Claims Center at 1-800-270-7227 before having the damaged equipment repaired.
(B) Request that an Incident Claim Report be written regarding the damage including descriptions and model identification (if available) of the equipment that was damaged.
Record the Warranty Claim Number for future reference.
(C) File a claim for the damaged equipment with your homeowners (or renter’s) insurance company.
(D) Send the INTERMATIC SURGE PROTECTIVE DEVICE to the Intermatic Warranty Coordinator at the address listed below. All returned devices must be plainly marked with the
Intermatic Warranty Claim Number.
(E) Send all of the following information in a single packet to the Intermatic Warranty Coordinator at the address listed below.
(1) Claimant’s name, address and telephone number.
(2) Original dated sales receipt for the Intermatic Surge Protection Device.
(3) Original report for repair work.
(4) The damage report
(5) A copy of the claim report by the homeowners (renter’s) insurance company.
(6) The Surge Protection Device.
(F) Address all communications and product returns to:
Intermatic Warranty Coordinator
1950 Innovation Way, Suite 300
Libertyville, Illinois 60048
Attn: Surge Claim Processor
Product & Installation Information
Purchase date:
Installation date:
Installed by:
Point of installation:
Breaker ratings if applicable:




















