MODERN FORMS FM-3708 37-Flush Mount

INSTALLATION INSTRUCTION
WARNING
IMPORTANT: NEVER attempt any work without shutting off the electricity.
- Read all instructions before installing.
- System is intended for installation by a qualified electrician in accordance with the National Electrical Code and local regulations.
- Go to the main fuse box, or circuit breaker. Place the main power switch in the “OFF” position and unscrew the fuse(s) or switch ”OFF” the circuit breaker switch(es) that control the power to the fixture or room that you are working on.
- Place the wall switch in the “OFF” position.
CAUTION
- All parts must be used as indicated in these instructions. Do not substitute any parts, leave parts out, or use any parts that are worn out or broken. Failure to follow this instruction could invalidate the ETL/CETL listing of this fixture.
- CAUTION When handling the fixture, do not apply pressure to the LEDs. Hold the fixture by the base only
HARDWARE
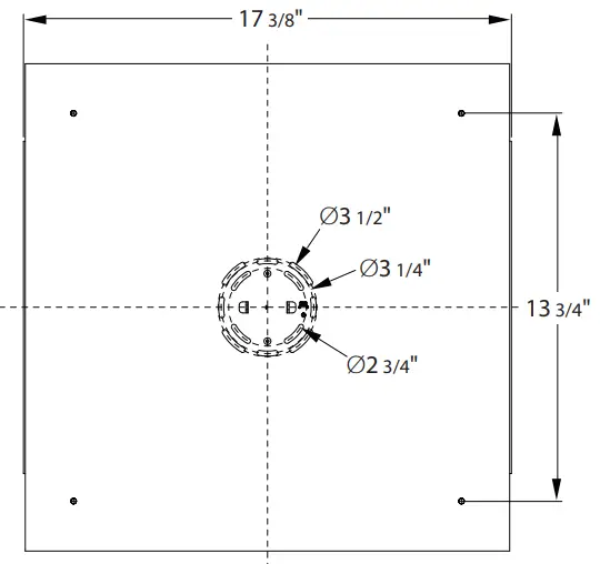
FIG. 1
Back Plate Dimensions
PREPARATION
- Shut off the power at the circuit breaker and remove existing fixture, including the crossbar.
- Carefully unpack your new fixture and lay out all the parts on a clear area. Be careful not to lose any small parts necessary for installation.
CONNECTING THE WIRES (Fig. 2) - Remove the mounting screws (C1) from the fixture.
- Unplug the male end connector to female end connector.
- Connect the transformer’s input wires to junction box wires as shown in Fig. 2, making sure that all wire connectors (A1) are secured.
- If your outlet box has a green or bare copper ground wire, connect the fixture’s ground wire to it.
- Otherwise, connect the fixture’s ground wire directly to the back plate using the green screw provided.
- After wires are connected, tuck them carefully inside the junction box.
- Requires Transformer to be recessed within the junction box.
MOUNTING THE FIXTURE (Fig. 1)
- Secure the mounting back plate to the junction box using junction box screws (B1). The side of the mounting back plate marked “GND” must face out.
- Connect the fixture’s wires to the transformer’s output wires with the male end connector and female end connector.
- Secure the fixture onto the mounting back plate with mounting screws (C1).
Fig. 2 Wiring
WARNING
IMPORTANT: NEVER attempt any work without shutting off the electricity.
- Read all instructions before installing.
- System is intended for installation by a qualified electrician in accordance with the National Electrical Code and local regulations.
- Go to the main fuse box, or circuit breaker. Place the main power switch in the “OFF” position and unscrew the fuse(s) or switch ”OFF” the circuit breaker switch(es) that control the power to the fixture or room that you are working on.
- Place the wall switch in the “OFF” position.
CAUTION
- All parts must be used as indicated in these instructions. Do not substitute any parts, leave parts out, or use any parts that are worn out or broken. Failure to follow this instruction could invalidate the ETL/CETL listing of this fixture.
- CAUTION When handling the fixture, do not apply pressure to the LEDs. Hold the fixture by the base only.
HARDWARE
FIG. 1
PREPARATION
- Shut off the power at the circuit breaker and remove existing fixture, including the crossbar.
- Carefully unpack your new fixture and lay out all the parts on a clear area. Be careful not to lose any small parts necessary for installation.
CONNECTING THE WIRES (Fig. 2) - Remove the mounting screws (C1) from the fixture.
- Unplug the male end connector from female end connector.
- Drill a hole in the wall aligned with the key holes located in the mounting plate, insert the plastic anchors (E1).
- Connect the transformer’s input wires to junction box wires as shown in Fig. 2, making sure that all wire connectors (A1) are secured.
- If your outlet box has a green or bare copper ground wire, connect the fixture’s ground wire to it. Otherwise, connect the fixture’s ground wire directly to the back plate using the green screw provided. After wires are connected, tuck them carefully inside the junction box.
- Requires Transformer to be recessed within the junction box.
- MOUNTING THE FIXTURE (Fig. 1)
- Secure the mounting back plate to the junction box using junction box screws (B1), fasten it to the wall using the wood screws (D1).
- The side of the mounting back plate marked “GND” must face out.
- Connect the fixture’s wires to the transformer’s output wires with the Bmale end connector and female end connector.
- Secure the fixture onto the mounting back plate with mounting screw (C1).
Back Plate Dimensions
Fig. 2 Wiring
- modernforms.com
- Phone (800) 526.2588
- Fax (800) 526.2585
- Headquarters/Eastern Distribution Center
- 44 Harbor Park Drive
- Port Washington, NY 11050
- Central Distribution Center
- 1600 Distribution Ct
- Lithia Springs, GA 30122
- Western Distribution Center
- 1750 Archibald Avenue Ontario, CA 91760
- Modern Forms retains the right to modify the design of our products at any time as part of the company’s continuous improvement program.





















