OASIS PWSBF VersaFiller Sports Water Bottle Filler

VERSAFILLER®
Drinking Fountain/VersaFiller Combo Installation Instructions
Models:
- PWSBF
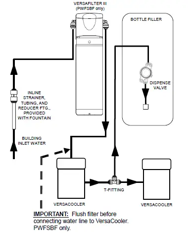
- PWFSBF with VersaFilter III
The VersaFiller is an extension of the Aqua Pointe® product line that mounts directly above Versacooler® I and II products. No additional electrical connections are required.
If installed onto a refrigerated cooler, then chilled water can be dispensed through the VersaFiller. Otherwise, room temperature water will be dispensed.
The VersaFiller is shipped partially assembled.
On the combo units, the cooler is plumbed and ready to attach to the VersaFiller.
When completed, the finished assembly will look like this:

Section 1: Getting Started
What’s Included

Tools required
- 3/8” pilot drill and either a step drill bit up to 7/8” diameter that will drill through SS top or 7/8” diameter punch die (retrofit version only)
- Electric drill; wrench for punch die
- Small tubing cutter for copper tubing
- 1/4“ nut driver
- # 2 Phillips screw driver
- #15 torx bit driver
Section 2: Rough In Drawing
Oasis PWSBF & PWFSBF: Versacooler® II Models PGAC, PG8AC with Hands-Free Bottle Filler
NOTES:
- TRAP, STOP VALVE AND ELECTRICAL OUTLET NOT FURNISHED.
- ALLOW4 INCHES 102 MM] MIN. PER SIDE FOR VENTILATION.
- RECOMMENDED ADULT BARRIER FREE HEIGHT INSTALLATION SHOWN. REDUCE HEIGHT BY 3 INCHES FOR INSTALLATIONS USED PRIMARILY BY CHILDREN AGES 12 AND YOUNGER. UNIT SHALL ALSO HAVE A MINIMUM CLEAR FLOOR SPACE 30[760] BY 48[1220]. ADJUST VERTICAL DIMENSIONS AS REQ’D TO COMPLY WITH FEDERAL. STATE, AND LOCAL CODES
- 115v GROUNDED NORTH AMERICAN DUPLEX RECEPTACLE REQUIRED THIS DRINKING WATER COOLER IS INTENDED TO BE CONNECTED TOA 20A MINIMUM GROUND FAULT CIRCUIT INTERRUPTING (GFCI) DEVICE TO MEET UL REQUIREMENTS
- ALL DIMENSIONS ARE IN INCHES. DIMENSIONS IN BRACKETS ARE IN MILLIMETERS.



Oasis PWSBF & PWFSBF : Versacooler® II Split Level Models with Hands-Free Bottle Filler

* On split level models, the Bottle Filler must be mounted on the low unit in order to meet ADA guidelines.
Section 3: Installation
Note: Proceed to Section 3B Step 5 “Final steps for both product families” if the cooler is purchased “Quasar Bottle Filler or Versa filler ready”.
A : Drilling hole in the top for water line connection.
- Disconnect power by UNPLUGGING unit. It might be necessary to remove the front panel to get access to the power.
- Turn OFF water supply to the unit. It might be necessary to remove the front panel to access the water stop valve.
- Place hole template onto cooler top so it is aligned with the left side of unit and wall. SEE NEXT PAGE FOR TEMPLATE
- Mark hole location
- Remove top from unit.
Remove top from cooler by removing six, #15 torx head screws on sides of top. 
- Using a step drill bit or 7/8” punch die, make a 7/8” hole through top. You may want to drill a pilot hole to get these started.
- Install snap bushing into hole to protect tubing from being cut.


USE THIS TEMPLATE TO MARK THE HOLE LOCATION ON COOLER TOP
Versacooler to Bottle Filler Plumbing Diagram

Split level Versa cooler to Bottle Filler Plumbing Diagram

B: Connecting the water line
Note: If you are retrofitting the Versa filler to an existing cooler, follow the instructions starting on page 11.
For the single “Versafiller ready” cooler, the tubing to connect to the Versafiller is found inside the compressor compartment.
This tubing supplies cold water from the cooling tank to the Versafiller.
Attach the ¼” OD tubing to cold tank drain fitting. Insulate the tubing with the provided insulation.

For split level “Versafiller ready” coolers, the tubing to plumb in the Versafiller is packaged in the non-refrigerated unit.
Remove tubing from bag.

First, remove plug from fitting on tank drain.

Next, insert end of tubing into fitting.

Tee and tubing to Versafiller are packaged with PWSBF unit.
One branch of tee will supply water to the non-refrigerated unit.
Other branch of tee will connect to Versafiller.
Note: “Versafiller ready” single units do not use the tee fitting.

Go to Step 5 Final steps for both product families:
To retrofit the Versafiller to an existing unit, follow the instructions below:
If the cooling tank is non-pressurized, then go to the “Pressurizing the cooling tank” addendum section on page 22. Otherwise, proceed to step 1 below. Non-pressurized units are single units made since December of 2009. Refer to the schematic below to identify the system that you have.

- With the cooler top removed, find the tubing going from the cooling tank outlet to the valve.
The TEE fitting (supplied) will need to connect between the cooling tank and valve.
For the P8AC Version: Versacooler II - Disconnect tubing from the elbow on the valve.

- Using the 38” piece of tubing provided, cut 6” and install it on the end of the TEE. Install the remaining tubing onto the branch of the TEE. Connect the other end of the TEE to the tank outlet tubing (tubing that was disconnected from the elbow).

- Route the TEE and tubing under the waste drain and connect the 6” length to the water valve elbow.
Go to Step 5 “Final steps for both product families:” - Remove tar tape from the insulation on the outlet tubing.

- Pull back insulation and cut the copper tubing with a tubing cutter. Cut where there is at least 1 inch of straight tubing on each side of the cut.

- Install TEE fitting by connecting the copper tubing to each end. Then install the 32” piece of plastic tubing to the TEE branch.

- Feed tubing up through the top and attach the top to the cooler.

Section 3: Installation of the Versafiller Sports Bottle Filler
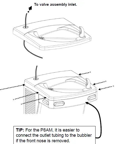
C: Mounting the frame to the wall
- Place rubber gasket on top of the cooler so it is centered left/right and against the wall.
- Set the wall frame onto the gasket. Center it left/right and push it against the wall and mark hole locations for wall fasteners. The gasket will set the frame at the proper height.

- Secure frame to the wall with fasteners (not provided). Pull plastic tubing up through the hole in the frame.
D: Installing and Flushing Filter Cartridge (PWFSBF only)
- Insert filter cartridge, rotate ¼ turn until locked.
- Route water supply plastic tubing that is attached to filter head inlet (left side) through hole in fame and top. Connect to fountain water supply.
- Route filter outlet tubing that is attached to the filter head outlet (right side) to fountain drain in top. Turn on the water to flush the filter. Flush the filter cartridge before connecting to fountain cooling tank inlet fitting.

E: Attaching the Tether
- Install bottle filler tether with the steps below.


- The tether keeps the bottle filler secured to the frame when changing the filter, if installed. Make sure the tether is installed properly to avoid accidental damage to the unit.

- Slide sponge tubing insulation over water line. Connect the tubing to the INLET elbow on the back of the VersaFiller assembly.

- Set the VersaFiller cabinet into place. MAKE SURE the cabinet fits into the groove in the rubber gasket on both sides and front of the wrapper.

- Attach VersaFiller assembly and top cap to the frame using the two (2) torx screws.

- Turn ON water supply and check for leaks. Press the activation button and release any trapped air from the system.
Plug in the power cord and replace the front panel IF it was removed earlier.
INSTALLATION COMPLETE
Addendum Section: Pressurizing Cooling Tank
The water should already be turned OFF and the power disconnected.
Unit as it appears with top removed

- STEP 1
Unplug un-insulated water line from water valve inlet (JG elbow located left side of water valve facing the front of the cooler). Set tubing aside (careful to not contaminate water contact end).
- STEP 2
Unplug tubing from JG elbow leading to cooling tank inlet.
- STEP 3
Plug un-insulated tubing that was removed in step 1 into JG elbow leading to the cooling tank from step 2.
- STEP 4
Unplug tubing that is connected to the water valve outlet (JG elbow located on the right side of valve facing the cooler).
- STEP 5
Connect tubing from step 4 to JG elbow on the left side of the valve.
- Step 6
Unplug JG tubing from the cooling tank outlet. Do not set it down.
- Step 7
Using tubing removed in step 6, plug into JG elbow on the right side of the valve. (be sure to rout the tubing under existing tubing installed in step 4 as shown)
- Step 8
Using tubing that is connected to the JG elbow left side of valve (done in step 4), and plug the other end to the JG fitting at the top of the cooling tank.
24 Return to Section 3 B Page 11, Step 1.
EXPLODED PARTS BREAKDOWN

| ITEM | QTY | P/N | Description | ITEM | QTY | P/N | Description | |
| 1 | 1 | 036687-003 | FRAME | 23 | 1 | 036686-001 | CAP, PWSBF | |
| 2 | 2 | 029994-103 | FTG, PP ELBOW, PLUG IN | 24 | 1 | 036691-006 | WRAPPER, PWSBF | |
| 3 | 1 | 030152-046-SP | TUBE, PE WHITE 38″ | 25 | 1 | 036206-005 | INSERT, NAMEPLATE AQUAPOINTE | |
| 4 | 1 | 030152-043-SP | TUBE, PE WHITE 8.5″ | 26 | 1 | 036190-003 | ALCOVE, EBF | |
| 5 | 2 | 017681-008-SP | INULATION, SPONGE TUBE 19″ | 27 | 8 | 026642-003 | SCREW, HEX HD TAPPING | |
| 6 | 1 | 029199-103 | FTG, PP UNION TEE WHITE | 28 | 2 | 031875-003 | SCREW, TRUSS HD TAPPING TORX | |
| 7 | 1 | 028482-001 | FTG, JG. REDUCING ELBOW | 29 | 1 | 028481-101 | FTG, PP UNION, ELBOW WHT 0.25″ | |
| 8 | 1 | 038029-001 | ADAPTER, FLOW NOZZLE | 30 | 1 | 027189-007 | BUSHING, SNAP | |
| 9 | 1 | 036209-003 | BRACKET, DISPENSE | 31 | 1 | 036191-002 | DRAIN, MSBF, SHORT | |
| 10 | 1 | 038032-001 | FLOW NOZZLE ASSY | 32 | 1 | 036689-001 | GASKET, PWSBF | |
| 11 | 1 | 032459P008 | LANYARD, BOTTLE FILLER | 33 | 1 | 034649-001 | SPRING | |
| 12 | 6 | 026642-003 | SCREW, HEX HD TAPPING | 34 | 1 | 036194-002 | BUTTON, PWSBF | |
| 13 | 1 | 035990-001 | HOLDER, CARTRIDGE STEM | 35 | 2 | 036049-002 | SCREW, OVAL HD PLASTITE | |
| 14 | 1 | 029967-005 | CARTRIDGE, 4.25# SPRING | 36 | 1 | 036695-001 | TRAY, GRILLE DRIP | |
| 15 | 1 | A020957 | NUT, RETAINING PLASTIC | 37 | 1 | 036688-001 | TRAY, DRIP PWSBF | |
| 16 | 1 | 030172-002 | PLUG, HOLE | 38 | 1 | 036697-001 | CAP, DRIP TRAY BOTTOM | |
| 17 | 2 | 028706-036 | SPACER, NON METAL | 39 | 2 | 026642-003 | SCREW, HEX HD TAPPING | |
| 18 | 2 | 016377-042 | WASHER, METAL | 40 | 1 | 038031-008 | LABEL, ALCOVE SENSOR | |
| 19 | 2 | 026642-003 | SCREW, HEX HD TAPPING | 41 | 1 | 036701-001 | DRIP TRAY ASSY., SERVICE | |
| 20 | 1 | 036690-001 | BRACKET, VALVE PWSBF | 42 | 1 | 036702-001 | BUTTON ASSY., PWSBF SERVICE | |
| 21 | 2 | 026670-007 | SCREW, HEX HD MACHINE | 43 | 1 | 036231-001-SP | VALVE ASSY., PWSBF DISPENSE | |
| 22 | 2 | 031875-003 | SCREW, TRUSS HD TAPPING TORX | |||||
| For PWFSBF Only | ||||||||
| 44 | 1 | 041410-002 | FILTER BRACKET FRAME ASSY | |||||
| 45 | 2 | 026642-004 | SCREW, HEX HD TAPPING | |||||
| 46 | 1 | 041146-001 | HEAD ASSY, MANIFOLD | |||||
| 47 | 1 | 029994-103 | FTG, PP ELBOW, PLUG IN | |||||
| 48 | 2 | 030152-046-SP | TUBE, PE WHITE 38″ | |||||
| 49 | 1 | 041145-001 | FILTER CARTRIDGE, VERSAFILTER III | |||||
Accessories
- Vandal resistant screw kit: P/N 036704-001, includes torx bits and replacement screws for items 27 and 33.
- Gasket, Sunroc/Haws : P/N 036689-101 (replaces item 35): KIT P/N 036752-001
- Gasket, Adapter Elkay/Halsey Taylor P/N 041114-001
P/N 030099-412 Rev J
Date: 5/2022
© 2022 LVD Acquisition, LLC
Oasis, Aqua Pointe, Versacooler and VersaFiller are registered trademarks of LVD Acquisition, LLC.
Haws is a registered trademark of HAWS Corporation.
Elkay and Halsey Taylor are registered trademarks owned or licensed by Elkay Sales Inc. and/or its parent Elkay Manufacturing Company
OASIS INTERNATIONAL
222 East Campus View Blvd. Columbus, OH 43235
614-861-1350
www.oasiscoolers.com

Remove top from cooler by removing six, #15 torx head screws on sides of top. 

For the P8AC Version: Versacooler II

Go to Step 5 “Final steps for both product families:”











INSTALLATION COMPLETE


























