Halsey Taylor HTHB-WF HydroBoost Surface Mount Bottle Filling Station

Product Information
The product models covered in this manual are HTHBSM-1A, HTHBSM-2A, HTHBSMWF-1A, HTHBSMWF-2A. The product is designed for indoor applications only and all service must be performed by authorized service personnel. The installer requires several tools and items that are not supplied with the product, including a service stop valve with 3/8 compression outlet, fasteners for wall type, slip joint drain union or compression clamp, and a 5/32 hex-wrench. The product is designed to operate on 20 to 105 PSI supply line pressure and requires a grounded three-prong electrical outlet with over-current protection and Ground Fault Circuit Interrupt protection (GFCI).
Product Usage Instructions
- Ensure that the installation location complies with all plumbing, electrical, and other applicable codes.
- Read the instructions carefully before starting the installation.
- Connect the power cord only to a grounded three-prong electrical outlet with over-current protection and GFCI.
- Ensure that the water supply is clean, clear, fresh potable drinking water only. Do not use with water that is microbiologically unsafe or of unknown quality without adequate disinfection before the system.
- If inlet pressure is above 105 PSI, install a pressure regulator in the supply line.
- Install the product according to the instructions provided in the manual and fasten it to the wall using the recommended mounting holes.
- Purge the water line and test for leakage. Correct any leakage.
- Ensure that the package contains all the required components such as nameplate, dispensing nozzle, top cover, rear cross member (on outer wrapper), sensor lens, alcove, outer wrapper, drain tray, and insulated waterline.
- Leave the instructions with the customer for future reference after installation.
IMPORTANT
THIS IS AN INDOOR APPLICATION ONLY! ALL SERVICE TO BE PERFORMED BY AN AUTHORIZED SERVICE PERSONNEL.
TOOLS/ITEMS REQUIRED
- BUT NOT SUPPLIED
- SERVICE STOP VALVE WITH 3/8″
- COMPRESSION OUTLET
- FASTENERS FOR WALL TYPE (8 REQ’D.)
- SLIP JOINT DRAIN UNION OR
- COMPRESSION CLAMP
- 5/32″ HEX-WRENCH
Installer
To assure you install this model easily and correctly, PLEASE READ THESE SIMPLE INSTRUCTIONS BEFORE STARTING THE INSTALLATION. CHECK YOUR INSTALLATION FOR COMPLIANCE WITH ALL PLUMBING, ELECTRICAL AND OTHER APPLICABLE CODES. FOLLOW ALL WARNINGS AND CAUTIONS CAREFULLY. After installation, leave these instructions with the customer for future reference.
Warnings
- Use with clean, clear, fresh potable drinking water only! Do not use with water that is microbiologically unsafe or of unknown quality without adequate disinfection before the system.
- Connect Power Cord only to a grounded three prong electrical outlet with electrical power that:
- a. MUST be rated for this product as specified on product data label.
- b. MUST have over-current protection (e.g. Fuse, Breaker).
- c. MUST have Ground Fault Circuit Interrupt protection (GFCI).
- d. These products are designed to operate on 20 to 105 PSI supply line pressure. If inlet pressure is above 105 PSI, a pressure regulator must be installed in supply line. Any damage caused by reason of connecting this product to supply line pressure lower than 20 PSI or higher than 105 PSI is not covered by warranty.
- WARNING: Cancer and Reproductive Harm – www.P65Warnings.ca.gov
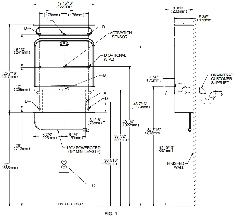
ROUGH-IN
HTHBSM, HTHBSM-220V, HTHBSM-WF, HTHBSM-WF-220V
LEGEND:
- A = RECOMMENDED WATER SUPPLY LOCATION ; 1/2″ IPS MAXIMUM PIPE SIZE. SERVICE STOP VALVE NOT FURNISHED.
- B = RECOMMENDED LOCATION FOR WASTE OUTLET 1-1/4″ O.D. MAXIMUM PIPE SIZE.
- C = ELECTRICAL OUTLET, THREE (3) CONDUCTOR GROUNDED. LOCATE WITHIN SAFE REACH OF POWERCORD.
- D = 7/16″ X 3/4″ OBROUND MOUNTING HOLES FOR FASTENING BACKPLATE TO WALL.
OPERATION OF QUICK CONNECT FITTINGS
INSTALLATION INSTRUCTIONS
Pre-Installation (reference Rough-In, Fig. 1, Page 2)
- Ensure Wall is structurally sound to bear the loads imparted by the HydroBoost® Surface Mount Bottle Filling Station (On-Wall Bottle Filler). If necessary, install a Wall Support Carrier (not supplied).
- Ensure Water Supply Line and Drain Line are sized and located as specified in the Rough-in diagram.
- Ensure electrical Wall Outlet is within reach of Power Cord and is live with electrical power. See Warnings.
- Test GFCI before proceeding: Push Test button to ensure power cuts off. Then push Reset before operating.
- Attach Service Stop Valve (not supplied) to Water Supply line orienting the 3/8″O.D. female compression outlet horizontally to the left. Purge water line and test for leakage. Correct any leakage.
- Ensure package contains the following components:

Wall Mounting (reference Rough-In, Fig. 1, Page 2)
- Remove Bottom Cover from Bottle Filler by removing two(2) screws from bottom of unit. Use a 5/32″ hex wrench (not supplied). Remove and place aside new Filter Cartridge shipped inside Bottle Filler.
- Remove Back Panel from Bottle Filler by removing two(2) screws from top of unit that secures the Top Cover.
- Fasten Back Panel to structurally secure wall thru eight(8) 7/16″ obround holes with fasteners appropriate for wall type. Locate Back Panel as specified in Rough-In. If necessary, attach to Wall Support Carrier (not supplied).
- Ensure Bottom Cover is not obstructed by the roughed-in Water and Drain Lines. Test by sliding Bottom Cover up into Back Panel opening. If Bottom Cover is prevented from seating properly, reposition Water and/or Drain Lines slightly until the Bottom Cover fits easily.
- Before hanging the On-Wall Bottle Filler, ensure the Insulated Waterline is routed inside of the Rear Cross Member. If outside the Cross Member, reposition to inside or else the unit cannot be installed properly.
- Hang the On-Wall Bottle Filler onto the Back Panel, aligning three(3) tabs into three(3) slots on Rear Cross Member.
- Secure Bottle Filler to Back Panel by replacing Top Cover on top of unit and fastening with two (2) supplied screws.
Plumbing Connections
- Ensure lines and ports remain clean and free of contaminants during assembly.
- Purge each component if necessary.
- To ensure quick-connect connections seal properly, follow instructions per Fig. 2, Page 2.
Connect Plumbing Lines
- Connect water supply line to unit:
- Filtered Units: Connect the 3/8″ O.D. copper tube (supplied factory attached on the Filter Head inlet port) to the 3/8″ Compression end of Service Stop Valve.
- Non-filtered Units: Connect the 3/8″O.D. poly tube with Insulation to the 3/8″ Compression end of Service Stop Valve.
- Connect water supply line from Filter:
- Filtered Units: Connect the quick-connect Reducing Union Adapter Fitting, located at end of 3/8″O.D. poly tube with Insulation, to the ¼” O.D. poly tube (supplied factory attached on the Filter Head outlet port).
- Non-filtered Units: No connections necessary.
- Connect the 1-1/4″O.D. Drain Tray Outlet to the in-wall Drain Line using a Slip Joint Drain Union or compression clamp (not supplied). Tighten all connections water tight.
- Install new Filter Cartridge by removing its protective cap, inserting into Filter Head and rotating Filter Cartridge clockwise until it bottoms-out into Filter Head.
- Turn water supply on, inspect for leaks and correct any leaks before continuing.
Connect Electrical Power:- For 120V Models: Plug Power Cord into wall outlet.
- For 220V Models: Thread one end of Power Cord Plug through Bottom Cover and into Power inlet of Bottle Filler, then plug other end of power cord into wall outlet. (See Fig. 4, Page 7.)
- Confirm unit is on:
- Filtered Units: Both the Filter Status Green LED and the Bottle Counter LCD on the Nameplate are illuminated.
- Non-Filtered Units: The Bottle Counter LCD on the Nameplate is illuminated.
- Ensure water dispenses: Activate unit by placing cup, hand or an opaque object in front of Sensor Lens and water should flow. It is normal for the water stream to sputter with air when the unit is new or a new filter cartridge is installed.
- Ensure a steady water flow is obtained: Activate unit per above and hold until all air entrapped in lines and filter is purged. Since unit only dispenses water for 20 seconds per activation, multiple activations may be required.
- Inspect for leaks and if any found, unplug unit and correct before continuing.
- If setting up the Control Board for the first time, go to Setting the Control Board (below) before continuing.
- For 220V Models: Place Cable Clamp (supplied) on Power Cord (See Fig. 4, Page 7) allowing sufficient slack for installing and removing Bottom Cover with cord plugged in and secure Clamp with Screw (supplied).
- Place Bottom Cover in position on underside of unit with long tab against wall and slide up into Back Panel opening. Secure with two supplied Allen head screws using a 5/32″ hex-wrench (not supplied).
- For 120V Models: For a clean appearance, gather and loop any extra Power Cord and secure to the underside of bottom Cover with supplied adhesive backed clip.
- For 120V Models: Plug Power Cord into wall outlet.
Changing the Filter
- Remove the Bottom Cover of the Bottle Filler by removing the two (2) screws.
- Remove filter from head by rotating filter counterclockwise.
- Remove new filter from carton, remove protective cap; cap may be placed on an old filter to reduce the chance of the water spilling from filter housing.
- Attach filter to filter head by firmly inserting into head and rotating filter clockwise.
- Activate sensor on Bottle Filler until approximately 1 gallon of water is dispensed. This flushing procedure purges air and fine carbon particles from the filter.
Instruction for Use
- To activate water flow, position mouth of water bottle or container under Dispensing Nozzle and in a continuous motion, swing and hold container in front of Sensor Lens. Hold until container is filled to level desired.
- To stop water flow, pull container away from Sensor Lens.
BF9 PROGRAM / SETTING THE CONTROL BOARD
VERIFY CONTROL BOARD SOFTWARE
- To verify the software program of the control board the unit will need to be shut down and restarted. The chiller (if present) does not need to be shut down and restarted.
- Shut down the unit by unplugging the power cord from the wall outlet.
- Restart the unit by plugging the power cord back into the wall outlet.
- Upon start up the bottle count display will show the software designation of BF9.
ACCESSING THE PROGRAMING BUTTON
- To access the program button, remove the two (2) screws holding the Bottom Cover in place. Button is located within finger reach from the underside of the unit on the front right hand side.
- When finished setting control board, reinstall Bottom Cover and secure with the same two (2) screws.
RESET THE FILTER MONITOR
- Instructions apply to filtered units only.
- Depress the program button for approximately 2 seconds until the display changes then release. The display will change and scroll through two messages:
“RST FLTR” – Reset Filter Monitor
“SETTINGS” – System Settings Sub Menu
If the program button is not pushed again the display will scroll through the two messages above for three cycles and then default back to bottle count and be back in run mode. - When the display changes to “RST FLTR”, depress the button again. The display will change to show “FLT =”. Depress the button again and the display will show “FLTR =0”
- The Green LED should be illuminated indicating that the visual filter monitor has been reset.
- There are three (3) LED’s that indicate the following:
Green: LED (Good) indicates that the filter is operating within 0% – 80% of its life.
Yellow: LED indicates that the filter is operating within 80% – 100% of its life.
Red: LED (Replace) indicates that the filter needs to be replaced since it has reached end of filter life.
SETTING RANGE OF THE IR SENSOR
- Depress the program button for approximately 2 seconds until the display changes then release. The display will change and scroll through two messages:
“RST FLTR” – Reset Filter Status LED “SETTINGS” – System Settings Sub Menu
If the program button is not pushed again the display will scroll through the two messages above for three cycles and then default back to bottle count and be back in run mode. - When the display changes to “SETTINGS”, depress the button again. The display will change to show “RNG SET“- Range set for IR sensor.
“UNIT TYP“ – Type of unit (REFRIG or NON-REFRIG) “RST BCNT“ – Reset bottle count - When display shows “RNG SET” push program button once the display will show current value (can be 1 – 10) i.e. “RNG = 3”.
- Once display shows current value push the program button to scroll through value of 1 – 10.
Select the desired range setting. - Once range is selected allow approximately 4 seconds to pass and then the display will go back to bottle counter and be in run mode.
- Test bottle filler by placing bottle or hand in front of sensor to make sure water is dispensed.
SETTING UNIT TYPE
- Depress the program button for approximately 2 seconds until the display changes then release. The display will change and scroll through two messages:
“RST FLTR” – Reset Filter Status LED “SETTINGS” – System Settings Sub Menu If the program button is not pushed again the display will scroll through the two messages above for three cycles and then default back to bottle count and be back in run mode. - When the display changes to “SETTINGS”, depress the button again. The display will change to show “RNG SET“- Range set for IR sensor.
“UNIT TYP“ – Type of unit (REFRIG or NON-REFRIG) “RST BCNT“ – Reset bottle count - When display shows “UNIT TYP” push program button once, the display will show current value Can be REFRIG or NON-REFRIG
- Push button once to change value. Once value is selected the display will show the new value. (Can be REFRIG or NON-REFRIG)
“REFRIG“ – stands for refrigerated product. In this setting the flow rate is estimated at 1.0 gallon per minute. “NON-REFRIG“ – stands for non-refrigerated product.
In this setting the flow rate is estimated at 1.5 gallons per minute. - Allow approximately 4 seconds to pass and the display will return to bottle counter and be in run mode.
RESETTING BOTTLE COUNT
- Depress the program button for approximately 2 seconds until the display changes then release. The display will change and scroll through two messages:
“RST FLTR” – Reset Filter Status LED “SETTINGS” – System Settings Sub Menu
If the program button is not pushed again the display will scroll through the two messages above for three cycles and then default back to bottle count and be back in run mode. - When the display changes to “SETTINGS”, depress the button again. The display will change to show “RNG SET“- Range set for IR sensor.
“UNIT TYP“ – Type of unit (REFRIG or NON-REFRIG) “RST BCNT“ – Reset bottle count
If the button is not pushed again the display will scroll through the three messages above for three cycles and return to run mode. - When display shows “RST BCNT” push program button once the display will show current value e.g. “00033183”.
- Once display shows current value push the program button once more to reset back to 0. The display will show BTLCT = 0 for approximately 2 seconds and then return to run mode showing 00000000 bottles.
- Testing the bottle counter:
REFRIG units: Place bottle or hand in front of sensor for approximately 9 seconds to see bottle counter count 00000001. NOTE: Bottle count is approximate and is dependent on water pressure and flow through the filter. NON-REFRIG units: Place bottle or hand in front of sensor for approximately 6 seconds to see bottle counter count 00000001. NOTE: Bottle count is approximate and is dependent on water pressure and flow restrictions.
BF11 – BF12 PROGRAM
VERIFY CONTROL BOARD SOFTWARE
- To verify the software program of the control board the unit will need to be shut down and restarted. The chiller (if present) does not need to be shut down and restarted.
- The units lower panel must be open to access the power cord and wall outlet.
- Shut down the unit by unplugging the power cord from the wall outlet.
- Restart the unit by plugging the power cord back into the wall outlet.
- Upon start up, the bottle count display will show the software designation of BF11 or BF12.
ACCESSING THE PROGRAMMING BUTTON
- To access the program button, remove the top cover of the bottle- filler. Remove the two (2) screws holding top cover to bottle-filler with a 5/32” allen wrench. Remove top cover. Do not discard mounting screws, they will be needed to reinstall the top cove after programming operations are completed. The programming button is located at the top right side of the unit on the control board. NOTE: When applicable, there is also an alternate reset button located on the lower part of the water cooler. After removing the bottom cover, the reset button will be located on the left side of the cooler, mounted on the side panel support.
RESET THE FILTER MONITOR
- Instructions apply to filtered units only.
- Depress the program button for approximately 2 seconds until the display changes then release. The display will change and scroll through two messages:
“RST FLTR” – Reset Filter Monitor “SETTINGS” – System Settings Sub Menu
If the program button is not pushed again the display will scroll through the two messages above for three cycles and then default back to bottle count and be back in run mode. - When the display changes to “RST FLTR”, depress the button again. The display will change to show “FLTR =”. Depress the button again and the display will show “FLTR =0”
- The Green LED should be illuminated indicating that the visual filter monitor has been reset.
SETTING RANGE OF THE IR SENSOR WHERE APPLICABLE
- Depress the program button for approximately 2 seconds until the display changes then release. The display will change and scroll through two messages:
“RST FLTR” – Reset Filter Status LED “SETTINGS” – System Settings Sub Menu
If the program button is not pushed again the display will scroll through the two messages above for three cycles and then default back to bottle count and be back in run mode. - When the display changes to “SETTINGS”, depress the button again. The display will change to show
“RNG SET” – Range set for IR sensor.
“UNIT TYP” – Type of unit (REFRIG or NON-RFRG)
“FLT SIZE” – Select filter capacity
“RST BCNT” – Reset bottle count - When display shows “RNG SET” push program button once the display will show current value (can be 1 – 10) e.g. “RNG = 3”.
- Once display shows current value push the program button to scroll through value of 1 – 10. Select the desired range setting, “1” being closest to sensor and “10” being farthest away.
- Once range is selected allow approximately 4 seconds to pass and then the display will go back to bottle counter and be in run mode.
- Test bottle filler by placing bottle or hand in front of sensor to make sure water is dispensed.
SETTING UNIT TYPE
- Depress the program button for approximately 2 seconds until the display changes then release. The display will change and scroll through two messages:
“RST FLTR” – Reset Filter Status LED “SETTINGS” – System Settings Sub Menu
If the program button is not pushed again the display will scroll through the two messages above for three cycles and then default back to bottle count and be back in run mode. - When the display changes to “SETTINGS”, depress the button again.The display will change to show“RNG SET” – Range set for IR sensor.
“UNIT TYP” – Type of unit (REFRIG or NON-RFRG) “FLT SIZE” – Select filter capacity
“RST BCNT” – Reset bottle count - When display shows “UNIT TYPE” push program button once the display will show current value. Can be REFRIG or NON-RFRG
- Push button once to change value. Once value is selected the display will show the new value. (Can be REFRIG or NON-RFRG)
“REFRIG“ – stands for refrigerated product. In this setting the flow rate is estimated at 1.0 gallon per minute.
“NON-RFRG“ – stands for nonrefrigerated product. In this setting the flow rate is estimated at 1.5 gallons per minute. Both “REFRIG“ and “NON-RFRG“ simulate 1 bottle equal to 20 oz. - Allow approximately 4 seconds to pass and the display will return to bottle counter and be in run mode.
RESETTING BOTTLE COUNT
- Depress the program button for approximately 2 seconds until the display changes then release. The display will change and scroll through two messages:
“RST FLTR” – Reset Filter Status LED “SETTINGS” – System Settings Sub Menu
If the program button is not pushed again the display will scroll through the two messages above for three cycles and then default back to bottle count and be back in run mode. - When the display changes to “SETTINGS”, depress the button again. The display will change to show:
“RNG SET”- Range set for IR sensor.
“UNIT TYP” – Type of unit (REFRIG or NON-RFRG)
“FLT SIZE” – Select filter capacity
“RST BCNT” – Reset bottle count
If the button is not pushed again the display will scroll through the four messages above for three cycles and return to run mode. - When display shows “RST BCNT” push program button once the display will show current value, e.g. “0033183”.
- Once display shows current value push the program button once more to reset back to 0. The display will show BTLCT = 0 for approximately 2 seconds and then return to run mode showing 00000000 bottles. NOTE: Once the bottle count is reset to zero there is no way to return to the previous bottle count.
- Testing the bottle counter:
REFRIG units: Place bottle or hand in front of sensor for approximately 9 seconds to see bottle counter count 00000001, (This is based on filling a 20 oz. bottle).
NON-RFRG units: Place bottle or hand in front of sensor for approximately 6 seconds to see bottle counter count 00000001, (This is based on filling a 20 oz bottle).
SETTING FILTER CAPACITY
- Depress the program button for approximately 2 seconds until the display changes then release. The display will change and scroll through two messages:
“RST FLTR” – Reset Filter Status LED “SETTINGS” – System Settings Sub Menu
If the program button is not pushed again the display will scroll through the two messages above for three cycles and then default back to bottle count and be back in run mode. - When the display changes to “SETTINGS”, depress the button again. The display will change to show:
“RNG SET“- Range set for IR sensor.
“UNIT TYP“ – Type of unit (REFRIG or NON-RFRG)
“FLT SIZE” – Select filter capacity
“RST BCNT“ – Reset bottle count
If the button is not pushed again the display will scroll through the four messages above for three cycles and return to run mode. - When display shows “FLT SIZE” push program button once. The display will show current value. Can be 3000GAL or 6000GAL.
- Push program button again to display the desired “FLT SIZE”.
- Allow approximately 4 seconds to pass and the display will return to bottle counter and be in run mode.




REPLACEMENT PART KITS
| REPLACEMENT PART KITS | |
| PART NO. | DESCRIPTION |
| 55898C_12PK 98543C 98544C 2000000503 98546C 98549C 98631C 2000000502 | Filter – WaterSentry® Plus (12Pack) Kit – Electrical Package Kit – EE Sensor Kit – Solenoid Valve Replacement Kit – Aerator Replacement Kit – Hardware & Waterway Parts Kit – Electrical Package 220V Kit – Solenoid Valve Replacement 220V |
1333 BUTTERFIELD ROAD,
DOWNERS GROVE, IL 60515
630.574.3500
www.halseytaylor.com
For parts, contact your local distributor or call 1.800.834.4816

























