GLOBAL INDUSTRIAL 761218 Wall Mounted Water Bottle Refilling Station User Manual
WARNING
- Keep compressor in upright position for 24 hours before water connections and initial power-on. Failure to do so will void warranty.
- For indoor commercial use only.
- All installation work must be performed by authorized service personnel.
- Two or more people are recommended to lift and install the unit.
- To avoid the risk of property damage and/or personal injury, mount the unit to a flat finished wall surface with adequate support.
- Check local codes for plumbing requirements prior to installation.
- Prior to initial installation, install a shut-off valve (not included) from the water supply.
- Thoroughly flush all water lines and fittings of all foreign matter before connecting to the cooler. Failure to do so will void warranty.
- Check for any leaks before initial operation.
- DO NOT attempt to repair or replace any part of your appliance unless it is specifically recommended in this manual. All other services should be referred to a qualified technician.
- For use with clean, clear potable drinking water only.
- Shut-off water supply during installation to reduce risk of water damage.
- Ensure proper ventilation by allowing appropriate clearance of housing louvers to the wall on each side of the cooler, as specified in rough-in guide.
- NEVER wire the compressor directly to an electrical supply.
- DO NOT allow children to play with the appliance.
- Interior of unit may contain sharp edges. Wear gloves when handling or servicing unit.
- Failure to follow installation instructions will void warranty.
Note: These fixtures are intended for indoor commercial use only. Do not expose to freezing temperatures. The grounding of electrical equipment to water lines is a common procedure. This grounding may be in the building or occur away from the building. This grounding can cause electric feedback into the water cooler creating an electrolysis which creates a metallic taste or causes the water metal content to increase. Connect to water supply using non-conductive materials.
Risk of Electrical Shock
- Disconnect power before servicing unit.
- Electric supply must be identical in voltage, cycle and phase to those specified in the specifications below.
Unit must be plugged into a GFCI outlet. - Always pull the plug – not the cord – when disconnecting from the outlet
- DO NOT use if the power cord is worn or damaged.
Power cords should only be replaced by qualified service technicians using genuine replacement parts. - Check local codes for electrical requirements.
- DO NOT disassemble or modify unit.
- Use Global Industrial filters only – Model 670336
Voltage/Hertz 115V/6014z *Chilling Capacity 8.0 GPH Full-Load Amps 1.9 Amps Rated Watts 185 W Rita Capacity 4750 or 3000 Gallons Quick-Fill Rate 1.0 GPM Water Row Laminar Overall Dimensions 181/2″W x 16HD x 3713A6’H Certification UL399 and CAN/CSA 222 No. 120 ADA Compliant ANSVNSF 372 ANSVNSF 42 and 53 (filter) - At 46° – 54° f) against ambient air temperature of 77° (F)
Package Contents
Box 1 – 761213 Top Assembly for Bottle Filler

Box 2 – 761212 Cooling System for Water Fountain

Note:
- Prior to installation, consult with local, state, and federal codes for proper mounting height.
- All installation and service should only be performed by authorized personnel.
- Dimensions shown below comply with ADA requirements at time of printing.
- Allow 4″ minimum clearance on both sides to allow for proper ventilation through cabinet louvers.
- Thoroughly flush all water lines and fittings of all foreign matter before connecting to the Cooling System. Failure to do so will void warranty
Required Tools
- Safety Glasses
- Safety Gloves
- Electric Drill
- Phillips Head Screwdriver
- Flathead Screwdriver
- Tape Measure
- Pencil
- Level Device
- (11) 75-lb. Capacity Flat Head Wall Anchors (appropriate for your wall type)
- (11) Flat Head Anchor Screws
WARNING
- Review manual thoroughly and verify rough-ins before installation. Keep these instructions in a safe location for future reference.
- Keep compressor in upright position for 24 hours before water connections and initial power-on. Failure to do so will void warranty.
- It is recommended to assemble this product on a tabletop or bench.
- Fixture must be mounted to a flat finished industry standard wall surface. The wall surface must have adequate support to secure the fixture, with the addition of wall anchors (not included) if required.
- All receptacles must be wired to a GFCI protected circuit. Fixture must be earth grounded per National Electric Code (NEC).
- Inspect fixture and all parts for damage.

Assembly Instructions
CONTENTS | ||
| Ref | Qty | Description |
| 1 | 1 | Cooling System |
| 2 | 1 | Lower Cover |
| 3 | 1 | Bottom Mounting Bracket |
| 4 | 1 | Bottle Filler Top Assembly |
| 5 | 1 | Back Plate |
| 6 | 1 | Top Mounting Bracket |
| 7 | 1 | Gasket |
| 8 | 1 | Stainless Steel Pan |
| 9 | 1 | Water Filter |
| 10 | 1 | Filter Access Door |
| H1 | 4 | M4 x 8mm Lg. Torx Pan Head Anti-Theft Screw ![]() |
| H2 | 1 | Torx Key ![]() |
| H3 | 2 | M6 x 20mm Lg. Phillips Truss Head Screw ![]() |
| H4 | 4 | #4 x 1/2 Lg. Phillips Pan Head Screw ![]() |
| H5 | 6 | M4 x .7x 8mm Lg. Phillips Flat Head Screw ![]() |
| H6 | 1 | Filler Access Door Key ![]() |
WARNING
Assembly and installation of equipment should be performed by 2 people.

Remove Lower Cover
Using the Anti-Theft Screw Star Key, remove the (4) screws at the bottom of the Lower Cover. Set Lower Cover aside and save screws for reinstallation.
Remove mounting bracket
Using a Phillips head screwdriver, remove the Mount Bracket from the rear of the Cooling System by removing (1) screw. Discard screw and set bracket aside.
Remove top mounting bracket
Using a Phillips head screwdriver, remove the Top Wall Mount Bracket fastened to the rear of the Bottle Filler Top Assembly by removing (1) screw. Discard screw and set bracket aside.
Remove back plate
Using a Phillips head screwdriver, remove Back Plate from the rear of the Bottle Filler Top Assembly by removing (3) screws. Set Back Plate aside and save screws for reinstallation.
Attach gasket
Attach Gasket to the bottom of the Bottle Filler Top Assembly as shown.
Note: Ensure gasket is seated properly and lies flat so there are no gaps.
Attach bottle filler
Flip Bottle Filler Top Assembly right-side-up and carefully feed connections though the Stainless Steel Pan hole. Ensure gasket is seated properly and lies flat. Attach Bottle Filler Top Assembly to the Stainless Steel Pan using (2) H3 screws.
Connect Water Lines

- Connect water line (#1) from the Stainless Steel Pan to the Water Control Valve (#1) in the Cooling System.
- Push line until locked into place.
- Connect the water line (#2) in the Bottle Filler Top Assembly to the Water Control Valve (#2) in the Cooling System.
- Push line until locked into place.
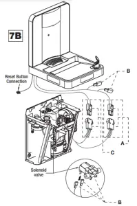
Connect Wire Connectors

- Connect white Activation Connector (C) to Power Supply (C) in the Cooling System.
- Connect white Activation Connector (A) to Power Supply (A).
- Connect the 2 Activation Connectors (B) to the Solenoid Valve (B).
Attach stainless steel pan

- Feed the Reset Button Connection through the Cooling System’s frame and carefully lower the Stainless Steel Pan on top of the Cooling System.
- Attach the Stainless Steel Pan to the Cooling System using (2) H4 screws.
CAUTION
Avoid crossing wires against sharp edges
Attach back plate
Reattach the Back Plate onto the rear of the Bottle Filler Top Assembly using the (3) screws previously removed, plus (6) (H5) screws. Unit is now ready for mounting
Attach mounting brackets to wall
- Affix stencil with tape to appropriate wall. It is recommended to use a level to ensure the stencil is hung straight horizontally.
- Drill (9) holes appropriate for the wall anchors (75 lb. minimum each) as indicated on the top and bottom mounting brackets on the stencil. Use appropriate anchors for your wall type.
- Drill 2 holes appropriate for the wall anchors (75 lb. minimum each) as indicated on the bottom support holes on the stencil. Use appropriate anchors for your wall type.
- Remove stencil from the wall and install top and bottom brackets onto the wall using appropriate anchors.

Note: To comply with ADA requirements, the base of stencil must be installed 11″ to 143/4″ from the floor. See Rough-in Guide for additional ADA requirements.
Note: Before installing brackets to the wall, assure power source, water line and drain aligns to opening on unit
Hanging assembled unit to wall
Carefully hang assembled bottle filler onto the wall by lowering onto both top and bottom wall mount brackets.

CAUTION
Once assembled, do not lift unit by Bottle Filler Top Assembly. Use two people when lifting. Always wear work gloves when lifting
Valve Control

- Ensure both water control valves are turned to the closed position.
- Attach 2 screws (not included) through the frame of the Cooling System and into the bottom support holes previously drilled into the wall.
- Connect the building’s water supply to the Filter Head Connection. This connection must be made through the back of the Cooling System.
- Connect the internal drain line to the building’s external drain. This connection must be made through the back of the Cooling System.
Install water filter

- Remove the receiver protective cover from the water filter.
- Insert filter into the filter head by turning clockwise until locked into place.
- Turn both water control valves to the open position.
- Check all connections for leaks. If leaks are detected ensure all connections are tight and are fully inserted
- Turn on buildings water supply and check all connections for leaks.
- Fix any leaks before continuing.
- Plug power cord into outlet.
Check local codes for plumbing requirements prior to installation
Note: If cooling system is on its side or back for more than 10 minutes, allow it to stand in the upright position for 24 hours before water connections and initial power-on. - Remove the filter access door using the provided key.

Reattach lower cover

- Reattach the Lower Cover to the Cooling System using (4) H1 anti-theft screws.
- Fasten the Lower Cover to the bottom of the Stainless Steel Pan using (2) H1 anti-theft screws.
WARNING
Risk Of Electrical Shock
- Turn off power prior to performing any maintenance.
- Verify supply voltage accuracy.
- Ensure all electrical and grounded connections are in accordance with the National Electrical Code and any other applicable local code requirements.
- All wiring connections should be capped with approved wire connectors.
The warnings, precautions, and instructions discussed cannot cover all possible conditions and situations that may occur. Failure to heed these warnings may result in property damage and personal injury.
General Safety Information - To reduce the risk of property damage, personal injury, electric shock, falling equipment, and other hazards please read all instructions and warnings.
- Installation, service, and maintenance should be
- All parties must follow proper safety procedures and precautions at all times.
- Do Not Install Damaged Products!
Connect reset cable to activation button

- Connect the Reset Button connection cable to the Activation Buttons located at the top of the filter access door frame.
- Reinstall the filter access door using the provided key.
- Unit is now ready for use.
Operation
Note: Initial water flow may have sputter due to air in the water lines; this will be eliminated once air is purged from all water lines.
To operate bottle filler, verify proper dispensing by placing bottle, hand or any opaque object in front of the sensor area.
To operate drinking fountain, push front or side activation buttons on the stainless steel pan to dispense cooled filtered water from the bubbler.
When unit is plugged in for the first time, the LCD will display: 00000000. If not, the filter monitor needs to be reset – refer to Resetting Filter Monitor section below.
Adjusting Settings
Water Flow Pressure: Adjust the water flow pressure as needed by turning the water control valve. Turn clockwise to decrease the water pressure, or counterclockwise to increase the water pressure.
Note: When adjusting, aim water flow to the center of the stainless steel pan.
Note: Initial dispenses may have air in line which may cause a sputter. Allow a few seconds for air to be purged from the water line.
Water Temperature: Machine comes with a preset water temperature of around 45°F. If a different temperature is required, remove Lower Cover and access the thermostat on the front housing frame. Using a flathead screwdriver, turn thermostat screw clockwise to lower temperature setting.
Note: Please allow 5-10 minutes for water temperature to change.
Installing/Replacing Filter


- Remove filter access door on the lower cover using the provided key (H6).
- Grasp old filter and turn counterclockwise to remove from the filter head.
- Press and hold ENTER button for 5 seconds to reset this bottle counter number to zero 00000000.
- Tap SET button 1 time or wait 5 seconds to return to standard bottle counter view.
Replacement Filters: Model 670336
For more information visit: globalindustrial.com or call 1-800-645-2982.
Programming Settings
Accessing the Programming Buttons:
To access the programming buttons, open the filter access door on the lower cover using the provided key (H6). The two program buttons are located on the top of the filter access door frame.


Resetting Filter Status
- Press and hold ENTER button for 5 seconds, until Reset Ft is displayed on the LCD screen.
- Tap SET button to select.
- Press and hold SET button for 5 seconds to reset filter status. The LCD screen will display 0000 and the LCD filter status bar will reset to the full 5 bars.
Select Filter Size
- Press and hold ENTER button for 5 seconds until Reset Ft is displayed on the LCD screen. Tap ENTER button. The LCD screen will display: Ft Size.
- Tap SET button to access Filter Size mode.
- Tap SET to toggle between 1500, 3000, and 3600 gallon filter size options, or No Ft to bypass filter size if a filter is not being used. Note: For filter capacities higher than 3600 gallons, select 3600.
- Tap ENTER button to confirm your filter size.
Resetting Bottle Counter:
- Press and hold ENTER button for 5 seconds.
- Tap ENTER button until Reset Ft is displayed on the LCD screen, then tap SET button
- Press and hold SET button for 5 seconds to reset bottle counter number to zero 00000000.

- Tap ENTER button 1 time to return to standard bottle counter view
Note: If a selection is not made within 2 minutes, system will automatically return to the standard bottle counter view
Filter Status Lights | |
| When filter level is at 100% | 5 LED bars will be displayed |
| When fitter level is at 80% | 4 LED bars will be displayed |
| When fitter level is at 60% | 3 LED bars will be displayed |
| When fitter level is at 40% | 2 LED bars will be displayed |
| When fitter level is at 20% | 1 LED bar will be displayed |
| When fitter level is at 10% | 1 LED bar will be displayed and will FLASH |
| LCD will FLASH between “CHG Fan and the bottle count | |
| When filter level is at 0% | 0 LED bars will be displayed |
| CD will FLASH between ‘CHG FLT” entire time | |
Maintenance
WARNING
ALWAYS disconnect power and shut-off main water supplier prior to maintenance. Observe entire unit for possible water leakage.
- Inspect Cooling System every 6 months for leakage, proper operation and performance.
- When cleaning, do not use harsh chemicals, abrasive or petroleum based cleaners. Doing so will void warranty.
- Exterior parts can be cleaned using a soft cloth with mild detergents or soapy water. Do not use steel soap pads. Rinse and towel dry.
- Extra caution should be used to clean mirror finished stainless steel panels, as they can be easily scratched.
- Periodically clean cabinet ventilation louvers and condenser fins with a vacuum cleaner, or air hose to avoid excess dirt.
- Periodically remove the Lower Cover of the Cooling System the and clean out water drain.
Troubleshooting
| Issue | Possible Cause | Suggested Action |
| Water temperature not cool | The thermostat is set too high | Lower the water temperature on the thermostat (see Adjusting Settings. page 10). |
| No power to unit |
| |
| Restricted or no water flow | Water control valve(s) are closed | Access water control valve and turn on Adjust water flow pressure as needed |
| Blockage in water line | Check water supply lines and flush out any blockage | |
| Noisy operation | Condenser fan blades not turning freely | Clear fan blades free from any restrictions |
| Hardware rattling | Ensure hardware is tightened | |
| Water not dispensing properly to bottle | Infrared sensor range needs to be adjusted | The infrared sensitivity range is factory preset. If this range requires adjusting. it can be set with a sensitivity range from 01 (minimum sensitivity) to 10 (maximum sensitivity).
|



























