KEUCO 59557 IXMO 2-Way Stop and Diverter Valve

Important information, please read!


These instructions are for both the installer for installation and the user for operation and maintenance of the product. After installation, please hand them over to the user to keep.
Symbols and explanations
- Attention! Warning against bodily injury or damage to property.
- Note, tip or reference
- Correct installation/test of functionality
- Incorrect installation
- Observe installation details
- Cold water
- Water flow
- Hot water
- Optional/accessories
Technical specifications
Flow at 3 bar pressure
- Diverter valve: approx. 22 l/min
- Wall outlet for shower hose: approx. 13 l/min
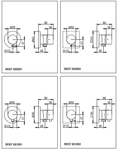
Installation dimensions
Installation, refer to picture
Use only neutrally netting silicone.
Operation, refer to picture 11 on page 10
Servicing, refer to picture 12 on page 10 Assemble in reverse order.
- Cartridge nut torque: 20-30 Nm
For spare parts with order numbers
For warranty and care information please refer to the attached warranty and care instructions.




KEUCO UK Ltd
Amersham House
Mill Street
GB-Berkhamsted HP4 2DT
Phone: +44 10442865220
E-Mail: [email protected]




















