KEUCO 59556 010101 Shut-Off Changeover Valve

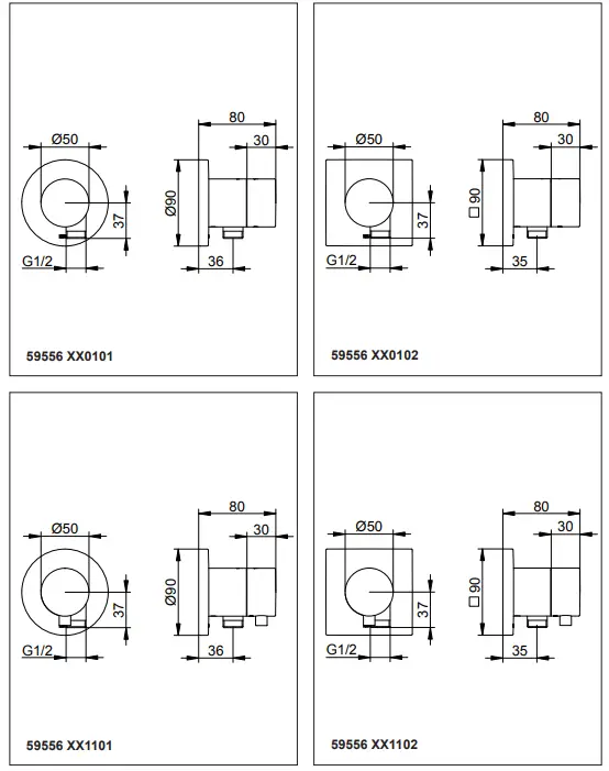
Mounting dimensions

These instructions are for both the installer for installation and the user for operation and maintenance of the product. After installation, please hand them over to the user to keep.
Symbols and explanations

Technical specifications
Flow at 3 bar pressure
- Diverter valve: approx. 24 l/min
- Wall outlet for shower hose: approx. 17 l/min
Installation dimensions, refer to page 2
Installation, refer to picture 1 on page 8
Use only neutrally netting silicone.
Operation, refer to picture 11 on page 10
Servicing, refer to picture 12 on page 10
Assemble in reverse order.
- Cartridge nut torque: 20-30 Nm
For spare parts with order numbers, refer to page 11 For warranty and care information please refer to the attached warranty and care instructions.
INSTALLATION INSTRUCTION







Spare parts

ABOUT COMPANY
- KEUCO UK Ltd
- Amersham House
- Mill Street
- GB-Berkhamsted HP4 2DT
- Phone: +44 10442865220
- E-Mail: [email protected]




















