SWAN VHF-150 Radio 2 Meter

SPECIFICATIONS
- POWER RATfNG
240 watts P.E.P. inpul m SSB mode. I 50 watts DC input in CW or FM. - FREQUENCY RANGE
143 – 149 MHz - TUBES
I – 5894B - DRIVE REQUIREMENTS
6 to LO watts - METERING
Cathode Current 0-400 ma. and Relative Output - Dimensions
13″ wide X 5-3/4″ high X l 0-3/4″ deep - WEIGHT
23 pounds - POWER SUPPLY
- Self-contained, 117 VAC, 50-60 Hertz. Silicon rectifiers, Con1puter grade electrolytic capacitors, 100 and. filtering at 1050 VDC rating.
- 230 volt, 50-60 liberty model available on special order.
- Mobile operation on 12-volt DC with Swan Model I 4C Converter accessory
- Output coupling: Tuned link
- Transmit-Receive relay control for operation, vith transceiver


INTRODUCTION
The Swan Model VHF-150 A1nplifier is designed for use on the 2 n1etcr amateur hand in either CW/F\I or SSB modes of operation. The frequency range of the a1nplificr is 143 to 149. The amplifier can be operated fixed or portable, and with the addition of the: Swan model 14C DC converter, may be operated 1nobilc. The an1plificr is biased Class C for C\V/FM operation and Class AB2 for SSB operation. With a drive input of 6 to 10 \Valls, power input to the final exceeds 240 watc~ 1′.E.P. 1n SSB, aud 150 watts l)C in C’\V/FM. A.C. input ( to the power supply is 117 volts. 50-60 llert7. ,\ 230 VAC 50-60 HcrlL tnndcl is available on special order. Provi~ion ha, hecn n1ade for Transn1it-Rcccivc relay control operation -.1nth a transceiver.
INSTALLATION
GENERAL
Although the VJIF-150 was designed specifically for use with the Swan FM-2X transceiver. it can be used with any other 2 1neter exciters or transceiver. as long as the ill put to the VHF-150 does not exceed 12 watts. For the following discussion of installation, the Swan FM-2X was used as the transceiver.
FIXED OR PORTABLE OPERATION
Refer to the pictorial in Figure 3 when taking the installation. Connect a short length of coaxial cable (RG58U or RG8U) from the output of the F\1-2X transceiver to the INPUT connector on the rear of the VIIF-150. A PL-259-type connector is required at the amplifier end of the cable. This ability should be as short as practical and preferably not 1nore than 5 feet in length. Connect the relay control cable from the auxiliary relay jack on the rear of the Fr-.1-2X transceiver to the relay control jack on the rear of the VHF-150. Connect the antenna coaxial cable or dummy load to the OLTTPUT connector on the rear of the V fF-150. If an is to be installed, connect it between the OUTPUT connector and the antenna.
MOBILE OPERATION
Refer to Figure 4 when making the installation. Connect a short length of coaxial cable (RG58E or RG8U) from the output of the FM-2X transceiver to the INPUT connector on the rear of the VHF-150. A PL-259-type connector is required for all the amplifier ends of the cable. This cable should be as short as practical and preferably not more than 5 feet in length. Remove the 117-volt AC supply from the FM-2X transceiver 12-volt DC power cord supplied with the FM-2X. by connecting two conductor cables (24 AWG stranded parallel cable or equivalent) to the two top pins of the plug (the pins having no wires already soldered to them). (See Figure 4.) Connect a phono plug on the other end. Plug the FM-2X power cord into the rear of the FM-2X. Connect the relay control cable to the relay control jack on the rear of the VHF-1S0. Model 14C DC converter to the rear of the VHF-150 Modify the Install the Swan using the 8-32 screw provided. Connect the VHF-150 o a 12-volt IX° power source as shown in Figure 4. Connect LHC antenna coaxial cable to the OUTPUT connector on the rear of the VHF-150.


TRANSCEIVERS OTHER THAN SWAN
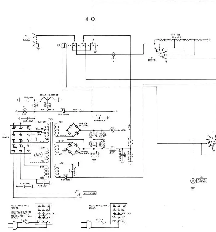
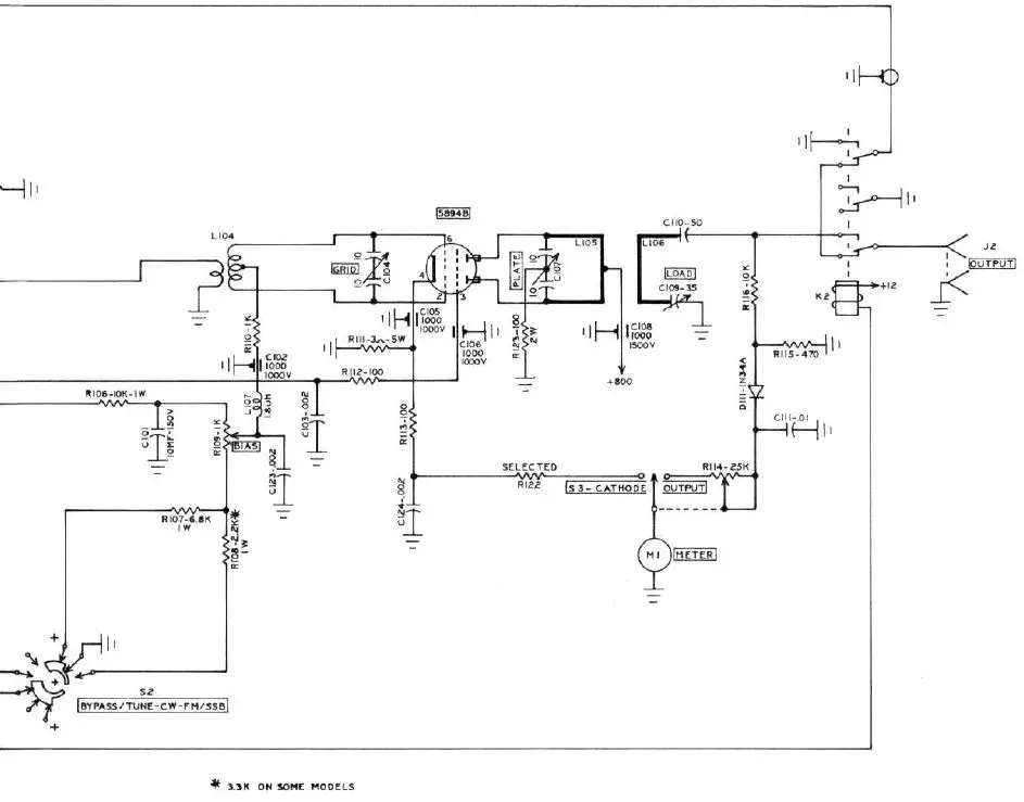
For transceivers other than Swan, refer to the VHF-150 schematic, Figure 5, for the necessary connections to the relay circuit.
CONTROL FUNCTIONS, FRONT PANEL
PLATE
Resonates the amplifier plate circuit (Minimum capacity at 0, Maximum capacity at 10).
LOAD
Adjust the loading of the amplifier into the antenna (minimum capacity at 0, Maximum capacity at 10).
DRIVE
Adjust the drive level into the grid circuit of the amplifier. Maximum drive at 1. minimum drive at 5. Do not exceed T2 watts at the input connector on the rear of the amplifier.
GRID
Resonates gid or input tuned circuit of the amplifier.
NOTE
WITH THE POWER SWITCH IN THE “OFF” POSITION, FHE FM-2x OPERATES “BAREFOOT”, DIRECTLY THROUGH TO THE ANTENNA
PWR ON
Turns the power to the amplifier.
BYPASS TUNE-CW-FM SSB
BYPASS
No screen voltage was applied to the 5894B amplifier tube. Antenna relays will not operate. The cutoff bias was applied to grids of 5894B. The transceiver operates “BAREFOOT” through the amplifier without having to disconnect the transceiver from the amplifier.
TUNE-CW-FM
Screen voltage and bias applied to 5894B tube. Antenna relays operate normally:
SSB
Applies proper bias to 5894B for linear operation of the amplifier.
CATHODE CURRENT OUTPUT METERING
In CATHODE CURRENT position, (Counterclockwise until the switch snaps), the meter reads cathodic current 0-400 ma. meter in the RELATIVE OUTPUT circuit. The more clockwise the switch is rotated, the greater the reading of the meter. Rotation of switch clockwise płaces.
CONTROL FUNCTIONS, REAR PANEL POWER CONNECTOR
15-pin power connector. 117 VAC or 230 VAC power cord plugs into the connector. For the 12-14 voll DC operation, the Swan model 14C DC converter attaches to the connector.
RELAY CONTROL
Phono jack – Relay control cable from transceiver or exciter plugs into jack.
INPUT
Coaxial connector, output from transceiver or exciter plugs into this connector.
P.A. BIASS
Sets idling current for 5894B amplifier tube. (60 ma.)
OUTPUT
Coaxial connector, output from the amplifier into the antenna.
GND
Connection for grounding chassis of VHF-150.
OPERATION
Before connecting any cables to the Swan VHF-1S0, per. form the following steps:
- IMPORTANT: Locate the 5894B amplifier tube compartment and remove the packing material from the tube.
- Turn the PWR ON switch located on the front panel to the OFF” (Down) position.
- Rotate the BYPASS TUNE-CW-FM SSB function switch to the BYPASS position.
- Rotate the OUTPUT METERING switch to the CATH ODE CURRENT position (Full counterclockwise position until the switch snaps).
- Connect a wire from the earth’s ground to the ground stud provided on the rear of the chassis.
- Connect the 117 VAC or 230 VAC power supply cable to the 15-pin connector on the rear of the chassis. The amplifier is to be used mobile, connect the Swan model 14C DC converter 1o the 15-pin connector.
AMPLIFIER TUNING
- Connect a1nplifier to antenna or dum1ny load.
- Connect relay control cable from Swan FM-2X transceiver to RELAY C(JNTROL phone jack on rear of chassis.
- Connect the output from the Swan fM-2X transceiver to the INPUT connector on the rear of the VHF-150 chassis.
- Connect the power cable to 117 volts AC (230 volts AC if VHF-150 is wired for 230 volts). If using l\1obile. connect the amplifier to 12 VDC. (See Figure 4.)
- Turn the PWR ON switch to the “ON” (up) position. Indicator light ate below 1neter will content.
- Allow 2 annuli for war111up of the amplifier.
- Place the channel switch on the Swan FM-2X to a channel Huit does not have a crystal installed, or disconnect the coaxial cable between the output of the Fl\1-2X, and the input to the VIIF-50.
- Place the BYPASS TURN-CW-FM SSH function switch in the SSH position
- Depress the 1nike switch on the FM-2X microphone, and adjust the P.A. BIAS control on the rear of the amplifier until the meter reads 60 ma. of cathode current. Release the mike switch.
- Place the channel switch on FM-2X to a channel that has a crystal installed, or reconnect the coaxial cable between the output of FM-2X and the input of VHF-I 50.
- Set LOAD control to O (n1inilnum position).
- Set DRIVE control tu position No. 5
- Place the BYPASS TUNE-CW-FM SSB function switch in the TUNE-CW-FM position.
- Depress the mike switch and adjust the GRID control for the MAXIMUM reading on the meter.
CAUTION
DO NOT HOLD MIKE SWITCH DEPRESSED FOR MORE THAN 5 SECONDS AT THIS TIME. THE PLATE CIRCUIT IS NOT AT RESONANCE YET AND THE 5894B AMPLIFIER TUBE WILL DRAW EXCESSIVE CURRENT. - Again depress the mike switch, and rapidly tune This PLATE control for a “DIP” on the meter. action is known as “resonating” the plate circuit, and is extremely vital to preserving tube life.
NOTE
IF YOU HAVE NOT FOUND THE “DIP” IN 5 SEC ONDS, RELEASE THE MIKE SWITCH AND WAIT 30 SECONDS BI: FORE TRYING AGAIN. - Continue tuning the GRID and PLATE controls the meter reads Maximum for the GRID until control and Mininrum (“DIP”) for the PLATE control.
- Set DRIVE control to position No. 3.
- Rotate the OUTPUT METERING control fully clockwise.
- Depress the mike switch and advance the LOAD control to approximately 5. This should cause an increase in meter readings. Alternately adjust LOAD and PLATE controls until a maximum reading is If meter pegs rotate obtained on the meter. meter control counterclockwise until a lower level on the meter is obtained.
- Rotate the OUTPUT METERING control to the CATH LODE CURRENT position (switch snaps). Depress the mike switch and check plate tuning for a “DIP”. If the meter is on the “DIP” or only slightly leave on “DIP”. The amplifier should be drawing approximately 180 to 200 ma. of cathodic current if a large adjustment is necessary to “DIP” the meter. improper lunging of the VIIF-150 or a high VSWR in the antenna is indicated.
- Rotate the OUTPUT METERING switch clockwise to Relative Output. Normally, the VHF-150 should have the DRIVI control set at position N. 3 when used with ihe Swan FM-2X. Position No. 1 and No. 2 will give CXcessive drive which causes harmonics and other spurious outputs. In cases where the FM-2X has exceptionally good output, (12 to 13 watts), position No. 4 may be used. When using the VHE-150 with other equipment, the position of the DRIVI: control will vary depending on the drive available. Use the position on the DRIVE control that Just gives you lull output. Advancing it farther t) squeeze out an extra watt or two only gives you stronger spurious signal possibilities, without really gaining anything at the receiving end.
- The VHF-]50 is now properly tuned and ready for ON-THE-AIR operation. Select the proper mode of operation for your particular exciter or transceiver. For the Swan FM-2X transceiver, set the BYPASS TUNE-CW-FM SSB function switch in the TUNE-CW-FM position. Do not attempt to transmit CW or FM with the function switch in the SSB position. While SSB will operate in the TUNE-CWFM position, linear operation is not possible, and distortion of the SSB signal will take place.
SSB OPERATION
The tuning procedure for SSB operation is the same as previously described. The idling current will be 60 ma, whenever the mike switch is depressed, and the BYPASS TUNE CW FM SSB function switch is in the SSB position. This allows the amplifier to operate linearly. During voice modulation, the plate current should average about 125 ma. on voice peaks. Actually, the plate current will be approx matchy 180 to 200 ma., but due to meter damping, will indicate an average of about 125 ma.
CW OPERATION
The tuning procedure for CW operation is the same as previously described. Rotating the BYPASS TUNE-CW-FM SSB function switch to the TUNE-CW-FM position biases the $894B tube to the cutoff for Class C operation. Plale current during steady tone key down operation should be approximalcly 180 to 200 ma.
WARNING
DANGEROUS VOLTAGES EXIST IN THE P.A. ENCLOSURE, AND ALSO UNDER THE CHASSIS ON THE DIODE AND CAPACITOR MOUNTING BOARDS. BEFORE WORKING ON AMPLIFIER, BE SURE TO WAIT 5 MINUTES, OR GROUND THE 800 VOLTS DC LINE UNDER THE CHASSIS AT THE CAPACITOR BOARD, AFTER REMOv. ING AC OR DC INPUT VOLTAGES.
MAINTENANCE
There will be little maintenance required in the VHE-150 amplifier. The 5894B tube will provide thousands of service hours when operated according to instructions. Deterioration of a tube will generally is indicated by a change in idling current or inability to draw normal plate current or both. However, except for occasional field problems which may occur with any electronic device, the tube may be expected to operate month after month and year after year with no problems.
Other components are also operating conservatively, and well within nominal ratings. The electrolytic filter capacitors in the power supply are computer-grade, meaning that they have a much higher degree of purity and quality control than conventional types. expectancy of these filters is approximately 10 years. The silicon diodes used in the power supply are here medically sealed and are not likely to even tail or wear out.
PARTS LIST



SCHEMATIC DIAGRAM, SAN M0DEL VHF-150 AMPLIFIER SWAN ELECTRONICS, Oceanside, California.





















