ALINCO ALR22T Mobile VHF Transceiver
INTRODUCTION
Congratulations, you are now the owner of one of the best of “ALINCO’S” many products, the ALR-22T/E, ALR-22HT/E.
Your ALR-22T/E, ALR-22HT/E has been manufactured and tested very carefully at the factory and will give you satisfactory operation for many years.
SPECIFICATIONS
General
| Frequency Coverage | 144.000 – 147.995MHz (ALR-22E, 22HE: 144.000 – 145.9875MHz) |
| Frequency Resolution | 5KHz step 800 channels at VFO-A (12.5KHz: 22E, 22HE) 25KHz step 160 channels at VFO-B |
| Antenna Impedance | 50 ohms unbalanced |
| Power Supply Requirement | 13.8 Volts D.C. |
| Current Drain at 13.8V | Receiving Squelched: does not exceed 300mA Transmitting High: 25 W Approx. 5A 45 Watts Approx. 7.5A Low: 5 W Approx. 2.5A |
| Dimension | 140mm(W) x 40mm(H) x 164mm(D) (5-1/2″) X (1-9/16″) X (6-1/2″) |
| Weight | Approx. 1 .2Kgs. (2.64 Lbs.) |
Transmitter
| Output Power | High: 22T/E … 25 Watts 22HT/E … 45 Watts Low: Approx. 5 Watts |
| Emission Mode | 16F3 |
| Modulation System | Variable Reactance F .M. |
| Max. Frequency Deviation | ±5KHz |
| Spurious Emission | More than 60dB below carrier |
| Microphone | Electret Condenser Microphone |
| Operating Mode | Simplex Duplex ±600KHz from receive frequency or odd splits |
| DTMF Encoder/Decoder | Built in (ALR-22T, 22HT) |
Receiver
| Receiving System | Superheterodyne, dual corwension |
| Modulation acceptance | 16F3 |
| Intermediate Frequency | 1st 21.6MHz 2nd 455KHz |
| Sensitivity | 12dB SINAD less than 0.16µV |
| Selectivity | More than ±6KHz at -6dB Less than ±12KHz at -60dB |
| Audio Power Output | More than 2 Watts (8 ohms -10% Distortion) |
| Speaker Impedance | 8 ohms |
CONTROL FUNCTION
Front PANEL
- ON/OFF and Volume Control
When this control is turned completely counterclockwise, the power is OFF. Rotate clockwise to increase audio output. - Squelch Control
When no signal is present in the receive mode, adjust this control clockwise until the noise threshold is reached and RX LED will disappear. In scan operation this control must be set to the threshold point. - Main Dial
in VFO-A, Rotating this control clockwise one step increases the frequency
in on the LCD by 5KHz (12.5KHz – ALR-22E, 22HE.) Rotating counter clockwise decreases.
When in VFO-B, the above changes are in ±25KHz steps.
The main dial is also used to set the sub-audible tone according to table A. (ALR-22T, 22HTonly) - (4 & 51 MHz UP/DOWN Controls
By pressing this button, the frequency shown on the LCD is increased, or decreased, in the direction indicated, by 1 MHz.
Keeping either buttons pressed, the frequency will change UP or DOWN rapidly by 20 steps per second. - Scan/PRI (Scan and Priority Channel Button)
This button is used for normal scanning and memory scanning. - A/BITS (VFO-A, VFO-B and Channel Spacing)
This button is used to select VFO-A or VFO-B or to set channel spacing 5, 10, 15, 20, 25KHz (12.5 or 25KHz) respectively. - MR/CHECK (Memory Recall/Offset Frequency Check)
Pressing this button, selects the memory channel. - MW/SKIP Button (Memory Write/Memory Skip Button)
Used for memory storage and in memory scanning. - LOCK/DUAL Button
Pressing this button, stops all function keys except the P.T.T. switch.
Also used for VFO-A/VFO-B odd split operation. - CALL 1/CALL 2 Button
Used to recall MEMORY CHANNEL 1 or 2 for immediate use. - TONE/TONE NO. Button (ALR-22E, 22HE: TONE Button)
Press this button once, ENCODER shows on the LCD.
Press it once more, ENCODER and DECODER show up on the LCD.
Pressing it third time, will disable the Tone function.
(ALR-22E, 22HE: Press this button, a carrier with 1750Hz tone will be transmitted.) - +/-/OW (Offset Write Function)
By pressing this t.utton, ±600KHz duplex mode will be operated and the duplex+ or – will appear on the LCD.
When the+ or – are not present on the LCD, the transceiver is in the Simplex mode. - F (Function) Button
By pressing this key once, F (LED) is lit, the red command buttons are activated.
When it is pressed again, F (LED) will go out and the white buttons are activated. - TX LED
By pressing P.T.T., the red LED lights indicating transmit. - FLED
Indicates red command functions when lit. - RX LED
When a signal is received or the squelch is opened, this LED will light. - H/L Button
This button is used to set output power to HIGH and LOW.
In the HIGH (out) position, the output power is 25W/22T or E, 45W/22HT or Eat 13.8V.
In the LOW (locked-in) position, the output power is approx. 5W. - LCD Display

REAR PANEL
- Antenna Connector
Used to connect the antenna to the set.
Use a PL259 antenna-plug with 50 Ohms impedance. - Power Connector
- External Speaker Jack
When an external speaker (Imp.: 8 Ohms) is used, connect it to this jack. - Microphone Jack
An electret condenser microphone is supplied with the transceiver. Plug it into this 8-pin Jack. - Cooling Fun (Thermal Controlled) (ALR-22HT/E only)

UPPER PANEL
- BZ (Buzzar) Switch
Switches the beep sound ON or OFF. - Time Selection Switch
When a signal stops the scanning function, the unit will resume scanning immediately upon loss of signal when in the “S” position.
When in the “L” position, the unit waits for 4 seconds before the scanning resumes. - Speed selection Switch
Selects the scanning speed:
S (slow): 1 /4 second per channel
F (fast): 1 /20 second per channel - Reset Button
When the power switch is ON, push this button and all memory data will be cleared.
INSTALLATION
MOBILE INSTALLATION
- Location
The transceiver may be installed in any position in your car. where the controls and microphone are easily accessible and safe operation of the vehicle or the performance of the set will not be interfered with.
Refer to the diagrams for installation of the Mounting Bracket.:

- Power Requirements
The transceiver can be operated from any regulated 12 or 13.8V negative ground source
For mobile use, power connections should be made directly to the battery to minimize the possible ignition noise pickup.
BASE STATION INSTALLATION
For fixed base operation, a 13.SV D.C. Power Supply capable of providing at least SA continuously is required.
The “ALI NCO” EPS-11 OM D.C. Power Supply is suitable for this purpose.
Connect the red lead of the power cable to the Positive (+) terminal, and the black lead to the Negative 1-1 terminal of EPS-11 OM.
OPERATION
Setting the Frequency
- VFO selection
First press the reset switch on the top, then turn the transceiver ON/OFF switch on. If VFO-A is selected, the LCD will indicate 145.000MHz. If VFO-B is selected, the LCD will indicate 144.000MHz. - Set the frequency by using main dial (3), Rotate this control clockwise, to increase the frequency by 5KHz (VFO-A) or 25KHz (VFO-BI.
- To adjust the channel spacing, depress F and then TS,
The LCD will display channel spacing. If you desire channel spacing other than 5KHz (12.5KHz) or 25KHz (25KHzl, rotate the main dial (31 or UP/DOWN buttons on Microphone or on radio front to the desired spacing (5, 10, 15, 20 or 25KHzl (E: 12.5 or 25KHz),
- Notice: The beep will sound when pressing UP and DOWN buttons.
To return to frequency display, press the A/B button.
Selection of Memory Channels
- Press the MR button to get memory mode. Then press the UP and DOWN buttons, to select the memory location number desired (from number 01 to 21),
Note: If UP or DOWN buttons are depressed more than 0.5 sec, the memory channel numbers will change very rapidly.
- To store a frequency in memory:
- First depress the MR button to get to the memory mode. “M” shows on the right hand side of the LCD. To change memory location, depress UP or DOWN buttons to set the memory number_
- Once you select the memory location, depress the A/B button to get to a VFO.
Use the main dial and UP or DOWN buttons to set the frequency you desire to store. - To store, press the MW button and the frequency is stored in the memory location selected.
Example: To store f = 145.550MHz in memory location 20
- a) Press MR … M will appear
- b) Change the number using UP/DOWN buttons until you reach 20.
- c) Press the A/B button as desired.
- d) Use the main dial or UP/DOWN buttons to set the frequency ie: VFO-B – 145.550.
- e) Press the MW button to complete the store function.
CALL CHANNEL
This feature brings the frequency stored in
or
to the memory simply press CALL 1 for the 01 location or F, CALL 2 for the 02 location.
Scanning Operation
- Normal Scanning
By pressing SCAN, the transceiver will start scanning all channels with 5KHz (12.5KHz) spacing on VFO-A and 25KHz (25KHz) spacing on VFO-B.- The spacing can be set to 5, 10, 15, 20, 25KHz ( 12.5 or 25KHz) as desired.
- The scanning will stop on a strong signal. If you want to resume scanning, just press the SCAN button and the scanning will stop. Use the main dial to move the frequency UP, then press SCAN again to resume scanning.
Note: a) You can control the scanning speed by using the speed switch on the top of the transceiver [S (slow) – F (fast) I . b) The time switch also determines when to resume scanning after the signal disappears.
S (short) Immediately, L (long) after 4 sec.
- Program Scanning
Store the lower and upper frequency of the segment of the band you wish to scan in memory location number 20 and 21 respectively.
Example: You would like to scan from 145.000MHz to 146.000MHz:- First press the MR switch and select memory M location 20 by using the UP and DOWN buttons.

- Press the A/B button to select the lower frequency by means of the main Ai or UP and DOWN buttons 145.000MHz. Store this in memory 20.
- Repeat a) and b) for or
and frequency 146.000. - Return to memory 20, then press SCAN. The radio will scan from 145.000MHz to 146.000MHz.
- By pressing SCAN button, you will return transceiver to normal operation.
- First press the MR switch and select memory M location 20 by using the UP and DOWN buttons.
- Memory Scanning
This feature is used to scan the memory channels. Press MR and then SCAN. To stop memory scan, press the SCAN button again. - Memory Skip
This feature is to skip any memory channel during scanning.
To skip a channel in the memory:- Press MR. Then use the UP and DOWN buttons to set the memory channel number you want to skip.
- Press F, then M-Skip, the decimal point of the frequency shown on the LCD will disappear, and this frequency will be skipped from the memory during memory scanning.
To return the skipped memory, select the skipped memory number, then press F then M-Skip again. The decimal point will return back.
Priority
Press MR and select the memory number you wish to designate the priority channel.
Return to the VFO by pressing A/B button. Select the frequency you wish to listen to. Now press the F button and the PRI button. The transceiver will now receive the VFO frequency for approx. 5 seconds and then “CHECK” the priority channel for approx. 1 second.
Tone Squelch (ALR-22T, 22HT only)
- To set the tone squelch feature:
- Press F, then the TONE button.
A number will appear on LCD. - Select the tone frequency according to the table below by rotating the main dial.

- Press the TONE button. This will put the transceiver in VFO-A or VFO-B as previously set, and the ENC indicator will appear on the LCD.
- By pressing P.T.T., the tone will be transmitted.
- Press F, then the TONE button.
- Tone Squelch Operation (CTCSS)
- By pressing the TONE button again, the DEC indicator will appear on the 1 LCD and the receiver is put in the CTCSS mode.

Note: You can store both features as well as the channel frequency in the memory.
- By pressing the TONE button again, the DEC indicator will appear on the 1 LCD and the receiver is put in the CTCSS mode.
Tone Frequency Table (Table A)
| Tone Channel | Tone Freq. | Tone Channel | Tone Freq. | Tone Channel | Tone Freq. | Tone Channel | Tone Freq. |
| 00 | 10 | 94.8Hz | 20 | 136.5Hz | 30 | 192.8Hz | |
| 01 | 67 Hz | 11 | 100.0Hz | 21 | 141.3Hz | 31 | 203.5Hz |
| 02 | 71.9Hz | 12 | 103.5Hz | 22 | 146.2Hz | 32 | 210.7Hz |
| 03 | 74.4Hz | 13 | 107.2Hz | 23 | 151.4Hz | 33 | 218.1Hz |
| 04 | 77.0Hz | 14 | 110.9Hz | 24 | 156.7Hz | 34 | 225.7Hz |
| 05 | 79.7Hz | 15 | 114.8Hz | 25 | 162.2Hz | 35 | 233.6Hz |
| 06 | 82.5Hz | 16 | 118.8Hz | 26 | 167.9Hz | 36 | 24 .8Hz |
| 07 | 85.4Hz | 17 | 123.0Hz. | 27 | 173.8Hz | 37 | 250.3Hz |
| 08 | 88.5Hz | 18 | 127.3Hz | 28 | 179.9Hz | ||
| 09 | 91.5Hz | 19 | 131.8Hz | 29 | 186.2Hz | _ | , |
Offset Function
- Offset setting
This feature is used to offset the TX frequency, either with 5MHz or set to any desired non-standard offset.- Press the F, then the OW button.
- Use the main dial, UP/DOWN buttons or UP/DOWN buttons of the microphone, to select offset desired.

- Offset Operation
- After selecting the desired offset, press the +/- button to return to VFO lor VFO-B.as desired. 1
- Press +/- button again and DUP- will appear on the LCD or press+/- L~ on again to get DUP+ as desired.
- You can now store the offset selected in the memory you choose.

Note: You must return the VFO to 0.60 offset before you attempt to operate or store “Normal” offset in memory.
- Dual Operation
This feature is used to operate VFO-A and VFO-B.- Press A/B button first.
- Press A/B button again: set “OTHER” frequency.
- Press F button and DUAL button. The transceiver will now listen on the VFO displayed and transmit the other VFO: ie: If listening to VFO-A, will transmit VFO-B and Vice-Versa.
Note: Always make sure the transmitting VFO is in the “SIMPLEX” mode or your intended transmit frequency will be offset as indicated.
- Check Operation
This feature is used for to detect whether the offset frequency is busy or not (either + or -l.
To operate this feature, press F then keep press and hold the CHECK button to “CHECK” the offset frequency for a signal.
The Microphone
This is a electret condenser microphone with 16 buttons DTMF pad (ALR-22T, 22HT). Also, on top of microphone are UP/DOWN buttons for frequency controlling functions.
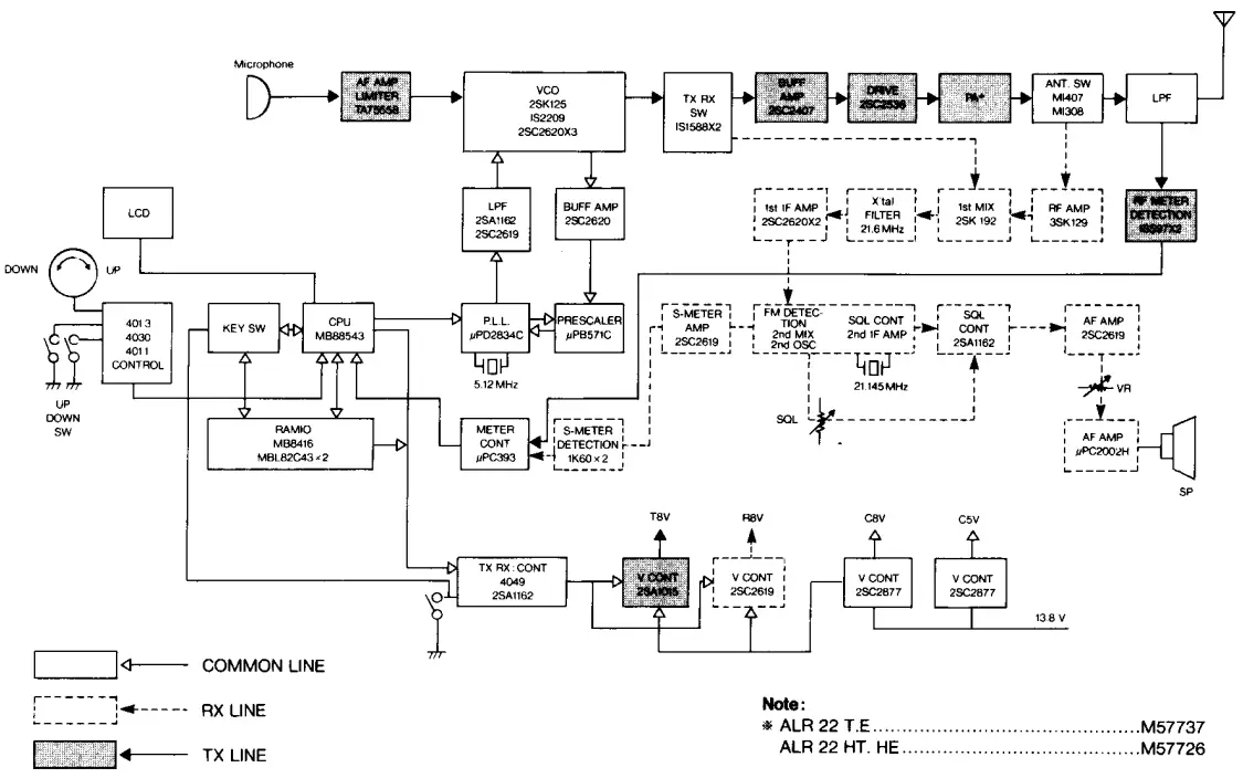
BLOCK DIAGRAM

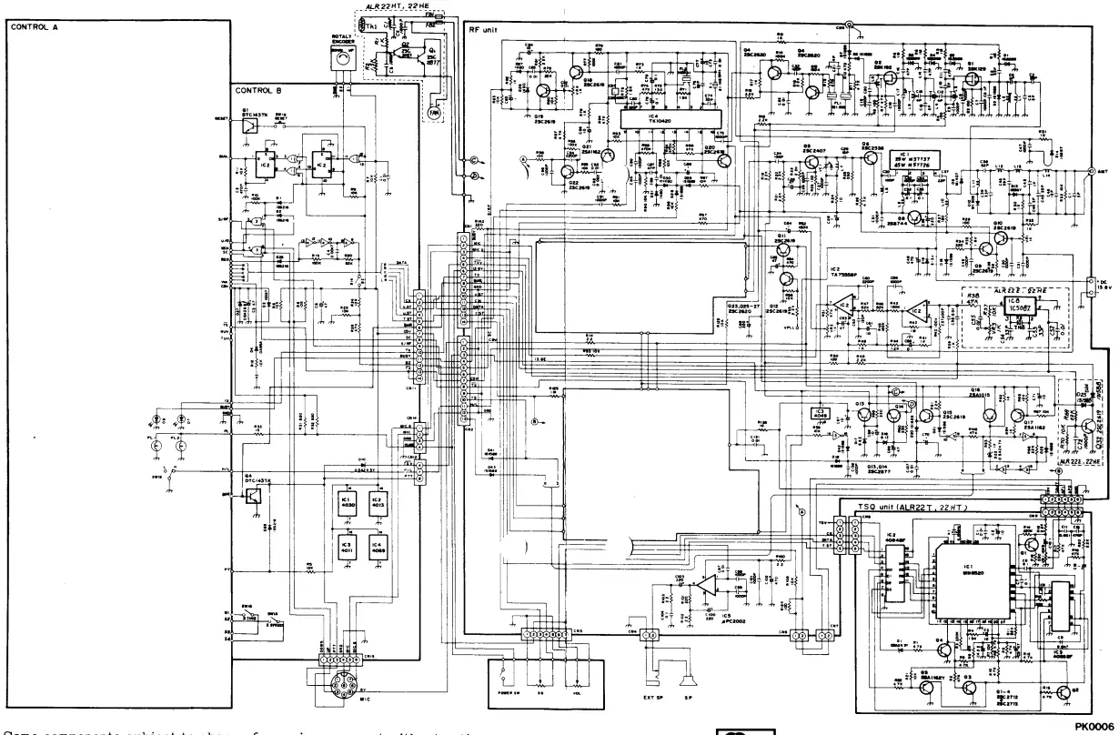
SCHEMATIC DIAGRAM

































