Instructions for use / assembly instructions
Safety Notes
Gloves should be worn during installation to prevent crushing and cutting injuries.
Installation Instructions
The fitting must be installed, flushed and tested after the valid norms!
Do not use silicone containing acetic acid!
Assembly


Spare parts


XXX = Colors
000 = chrome plated
400 = white/chrome plated
820 = brushed nickel
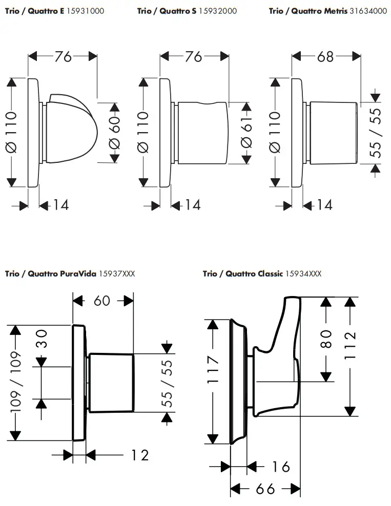
Dimensions

Test certificate
| P-IX | DVGW | SVGW | WRAS | KIWA | NF | ACS | ETA | |
| 15931000 | X | X | X | |||||
| 15932000 | X | X | X | |||||
| 15934XXX | ||||||||
| 15937XXX | X | |||||||
| 31634000 |
Hansgrohe · Postfach 1145 · D-77761 Schiltach · Telefon +49 (0) 78 36/51-1282 · Telefax +49 (0) 7836/511440
E-Mail: [email protected] · Internet: www.hansgrohe.com



















