hansgrohe 04814XX0 3-Inch Diverter Tub Spout
Installation Considerations
- For best results, Hansgrohe recommends that this unit be installed by a licensed, professional plumber.
- Please read over these instructions thoroughly before beginning installation. Make sure that you have all tools and supplies needed to complete the installation.
- Warning: 04815XX0 only: This diverter tub spout is for use with a pressure balance valve only. Do not use with a thermostatic mixing valve or with the Hansgrohe Pressure Balance Valve with 2-Way Diverter.
- Keep this booklet and the receipt (or other proof of date and place of purchase) for this product in a safe place. The receipt is required should it be necessary to request warranty parts.
Locarno
- 04814XX0

Locarno
- 04815XX0

Tools Required

Installation

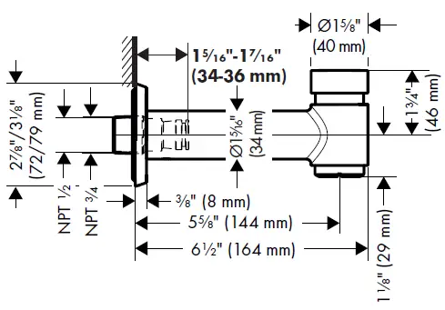
- Requires ½” NPT male nipple recessed ⅜” (10 mm) behind surface of finished wall.
- Loosen the screw. Remove the mounting piece from the spout.
- Wrap the threads on the nipple with plumber’s tape.
- 04815XX0: Install the mounting piece. Tighten using a ⁷⁄₁₆” Allen wrench (not included).
- 04814XX0: Install the mounting piece. Tighten using an 8 mm Allen wrench (not included).

- Requires ¾” female threaded pipe fitting recessed ⅜” (10 mm) behind surface of finished wall.
- Loosen the screw. Remove the mounting piece from the spout.
- Wrap the mounting piece with plumber’s tape.
- 04815XX0: Install the mounting piece. Tighten using a ⁷⁄₁₆” Allen wrench (not included).
- 04814XX0: Install the mounting piece. Tighten using an 8 mm Allen wrench (not included).

- WARNING: Seal the wall around the mounting piece using waterproof sealant.
- Failure to seal the wall may result in water damage.
- Install the spout.
- Tighten the screw.
Replacement Parts
Locarno
- 04814XX0

Locarno
- 04815XX0

XX = Colors
- 00 = Chrome
- 25 = Brushed Gold Optik
- 67 = Matte Black
- 82 = Brushed Nickel
- 83 = Polished Nickel
Cleaning Recommendation for Hansgrohe Products
Modern bathroom faucets, kitchen faucets and shower products are made from different materials to comply with the needs of the market with regard to design and functionality. To avoid damage to the product, it is necessary to take proper care of it.
For best results
- Prevent the buildup of mineral scale and /or soap residue by cleaning your Hansgrohe product(s) when needed.
- Select a cleaning agent specifically intended for the type of product.
- Do not use these types of cleaners as they will cause damage to your Hansgrohe product:
- Any cleaning agent containing hydrochloric acid, formic acid, lye, or acetic acid.
- Abrasive cleaning powders, pads, or brushes.
- Steam cleaners.
- “No rinse” cleaning agents.
- Always follow the instructions provided by the manufacturer of the cleaning agent.
- Do not mix cleaning agents, unless directed by the manufacturer.
- Do not spray cleaners directly onto the product as drops could enter openings and gaps and cause damage.
- When using spray cleaners, spray the cleaner onto a soft cloth or sponge.
- Always rinse your Hansgrohe product thoroughly with clear water and polish dry with a soft cloth after cleaning.
Important
- Residue from soaps and shampoos can cause damage. Rinse the product with clean water after each use.
- Residue from basin/tub/tile cleaner can cause damage to faucets and fittings. Immediately rinse any overspray from the Hansgrohe product.
- Do not store any cleaning agents under your Hansgrohe product, such as in a vanity unit, as the fumes may damage the product.
- Damage to the product caused by improper care or the use of improper cleaning agents is not covered by the warranty.
- If a component of the product is damaged, replace it, as there is risk of injury.
Hansgrohe, Inc. Limited Warranty
Offering our customers the highest quality at all times is a fundamental part of the Hansgrohe, Inc. company philosophy. We offer consumers a limited warranty on our hansgrohe® and AXOR® branded products. This warranty is limited to products manufactured by Hansgrohe, Inc. that are purchased from a Hansgrohe, Inc. authorized seller by a consumer in the United States or Canada after September 1, 2019, and installed in either the United States or in Canada.
WARRANTY
Hansgrohe, Inc. warrants to the original consumer purchaser that hansgrohe and AXOR products will be free from defects in material and workmanship for as long as the original consumer purchaser owns both the product and the home in which the product was originally installed. For commercial purchasers, the warranty period is (a) one (1) year for hansgrohe products and (b) five (5) years for AXOR products, in each case from the date of purchase. The warranty period for products in the Rubbed Bronze, Matte Black and Matte White finishes are three (3) years from the date of purchase. This warranty is non-transferable.
WHAT WE WILL DO
Hansgrohe, Inc., at its option, will replace any product or part of the product that proves defective in workmanship and/ or material, under normal installation, use, service and maintenance. If Hansgrohe, Inc. is unable to provide a replacement part or product and repair is not practical or cannot be made in timely fashion, Hansgrohe, Inc. may elect to refund the purchase price in exchange for the return of the defective product. REPAIR OR REPLACEMENT (OR, IN LIMITED CIRCUMSTANCES, REFUND OF THE PURCHASE PRICE) AS PROVIDED UNDER THIS LIMITED WARRANTY IS THE EXCLUSIVE REMEDY OF THE PURCHASER.
WHAT IS NOT COVERED BY THE WARRANTY
Because Hansgrohe, Inc. is unable to control the quality of hansgrohe or AXOR products sold by unauthorized sellers, unless otherwise prohibited by law, this warranty does not cover hansgrohe or AXOR products purchased from unauthorized sellers. Authorized sellers can be found on hansgrohe and AXOR branded websites. Labor and other expenses for disconnection, deinstallation, or return of the product for warranty service (including but not limited to proper packaging and shipping costs), or for installation or reinstallation of the product are not covered by this warranty.
Hansgrohe, Inc. shall not be liable for any damage to the product resulting from
- reasonable wear and tear
- outdoor use
- misuse (including use of the product for an unintended application)
- freezing water
- excessive water pressure
- pipe corrosion in the home in which the product is installed
- abuse, neglect or improper or incorrectly performed installation, maintenance or repair, including the use of abrasive or caustic cleaning agents or “no-rinse” cleaning products.
This warranty does not cover: (i) accessories, connected materials and products, or related products not manufactured by Hansgrohe, Inc. (ii) any hansgrohe or AXOR product sold for display purposes or (iii) hansgrohe or AXOR products purchased from unauthorized sellers.
WHAT YOU MUST DO TO OBTAIN WARRANTY SERVICE OR INFORMATION
Contact your retailer, or contact Technical Service at:
- Hansgrohe, Inc.
- 1492 Bluegrass Lakes Parkway
- Alpharetta, GA 30004
- Toll-free 800 -334- 0455
In requesting warranty service, you will need to provide:
- The sales receipt or other evidence of the date and place of purchase.
- A description of the problem.
- Delivery of the product or the defective part, postage prepaid and carefully packed and insured, to:
- Hansgrohe, Inc.
- 1492 Bluegrass Lakes Parkway
- Alpharetta, GA 30004
- Toll-free 800 -334- 0455
When warranty service is completed, any repaired or replacement product or part will be returned to you postage prepaid.
REVISED SEPTEMBER 1, 2019.
Limitation on Duration of Implied Warranties: Some States do not allow limitations on how long an implied warranty lasts, so the below limitations may not apply to you. TO THE MAXIMUM EXTENT PERMITTED BY APPLICABLE LAW, ANY IMPLIED WARRANTY, INCLUDING THE IMPLIED WARRANTIES OF MERCHANTABILITY AND OF FITNESS FOR A PARTICULAR PURPOSE, IS LIMITED TO THE STATUTORY PERIOD OR THE DURATION OF THIS WARRANTY, WHICHEVER IS SHORTER.
Limitation of Special, Incidental or Consequential Damages
Some States do not allow the exclusion or limitation of incidental or consequential damages, so the below limitations and exclusions may not apply to you. TO THE MAXIMUM EXTENT PERMITTED BY APPLICABLE LAW, THIS WARRANTY DOES NOT COVER, AND HANSGROHE, INC. SHALL NOT BE LIABLE FOR, ANY SPECIAL, INCIDENTAL OR CONSEQUENTIAL DAMAGES (INCLUDING LABOR CHARGES TO REPAIR, REPLACE, INSTALL OR REMOVE THIS PRODUCT), WHETHER ARISING OUT OF BREACH OF ANY EXPRESS OR IMPLIED WARRANTY, BREACH OF CONTRACT, TORT, OR OTHERWISE. HANSGROHE, INC. SHALL NOT BE LIABLE FOR ANY DAMAGE TO THE PRODUCT RESULTING FROM REASONABLE WEAR AND TEAR, OUTDOOR USE, MISUSE (INCLUDING USE OF THE PRODUCT FOR AN UNINTENDED APPLICATION), FREEZING WATER, EXCESSIVE WATER PRESSURE, PIPE CORROSION IN THE HOME IN WHICH THE PRODUCT IS INSTALLED, ABUSE, NEGLECT OR IMPROPER OR INCORRECTLY PERFORMED INSTALLATION, MAINTENANCE OR REPAIR, INCLUDING THE USE OF ABRASIVE OR CAUSTIC CLEANING AGENTS OR\ “NO-RINSE” CLEANING PRODUCTS.
Notice to residents of the State of New Jersey: The provisions of this warranty, including its limitations, are intended to apply to the fullest extent permitted by the laws of the State of New Jersey. This warranty gives you specific legal rights, and you may also have other rights which vary from state to state.
PRODUCT INSTRUCTIONS AND QUESTIONS
Upon purchase or prior to installation, please carefully inspect your product for any damage or visible defect. Prior to installing, always carefully study the enclosed instructions on the proper installation and the care and maintenance of this product. If you have questions at any time about the use, installation or performance of your product, or the Limited Warranty, please write us or call us toll-free at 800 -334- 0455.
Hansgrohe, Inc.
- 1490 Bluegrass Lakes Parkway Alpharetta, GA 30004
- Tel: 800-334-0455
- Fax: 770-889-1783
- www.hansgrohe-usa.com
US – Installation Instructions Part No. 90729921 Revised 10/2022



















