
![]()
![]()
76410821 Fineries Tub Spout
Owner’s Manual
| Brand Art. Name Art. Nr. Surface Pos. | hansgrohe Finoris Tub Spout 76410821 brushed nickel 1 |
Product Picture

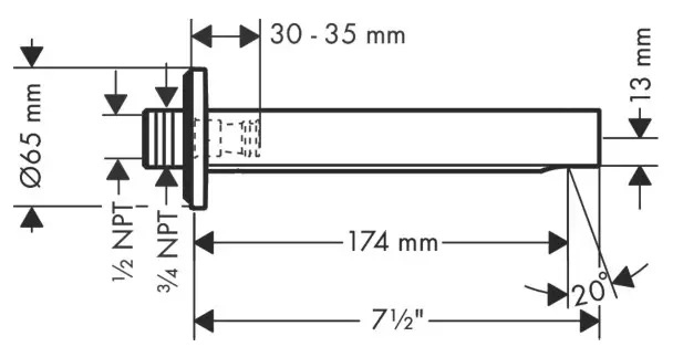
Drawing

Features
• Includes: Tub spout, Escutcheon, Assembly instructions
Technology

![]()

![]()
![]()
76410821 Fineries Tub Spout
Owner’s Manual
| Brand Art. Name Art. Nr. Surface Pos. | hansgrohe Finoris Tub Spout 76410821 brushed nickel 1 |


• Includes: Tub spout, Escutcheon, Assembly instructions

![]()
Download manual
Here you can download full pdf version of manual, it may contain additional safety instructions, warranty information, FCC rules, etc.