
THE BROWNSTONE
Hardware kit for sliding single wood door.
MODEL No. SDH-SW04-SS
304 Grade Stainless Steel
INSTALLATION MANUAL

TOOLS REQUIRED

- Plumb Line
- Pencil
- Phillips Head Screwdriver
- 8mm Routing Drill Bit
- 10mm Drill Bit
- 5.5mm Drill Bit
- Level
- Tape Measure
- Power Drill
INCLUDED IN KIT
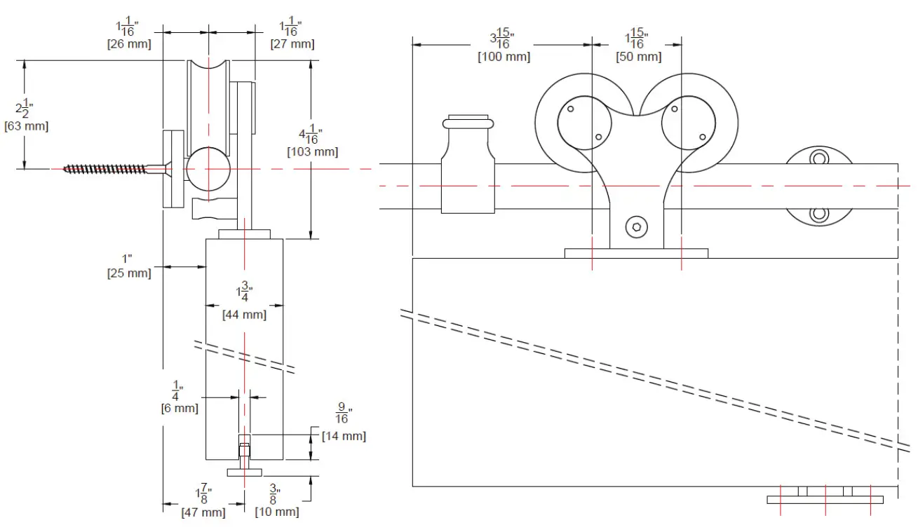
| A | 78-3/4″ Rail | x1 |
| B | Door Roller Hardware | x2 |
| C | End Bracket | x2 |
| D | Center Bracket | x2 |
| E | ST4.8×50 Bolt | x4 |
| F | ST5.5×32 Screw | x3 |
| G | Floor Anchor | x3 |
| H | Routed Floor Guide | x1 |
| I | Door Stop | x2 |
| J | 4mm/6mm Allen Keys | x1 |
Architectural Products by Outwater assumes no liability for improper installation.
THE BROWNSTONE

NOTES
Minimum door overlap on guide is 1-15/16″
To obtain maximum weight capacity, all fasteners must be mounted into solid wood studs or wall blocking or mounted to a header board.
Adjustable mounting brackets allow for standard 16″ U.S. stud spacing, or any variation.
Consult a structural engineer if you have questions about what type of wall blocking is required.

Find the centerline of the track. Using a level, mark a horizontal line twice the door width long. Mark the bracket screw locations into the wall blocking. Attach the wall portion of the brackets as shown.
Attach the track to the wall brackets as shown.
Architectural Products by Outwater assumes no liability for improper installation.
- Remove the anti-rise pin from the door roller using the provided 4mm Allen key. The bottom of the doors should be routed at this time in order to accept the floor guide.
- Drill holes centered in the door thickness for the door roller anchors using an 8mm routing drill bit.
Attach the door to the rail.Plumb the door and mark the positions of the floor guides. Mount the floor guides to the floor.
Adjust the door stops accordingly. Tighten the set screw with sufficient force to drive the set screw into the bar after making the final adjustment.
Reattach the anti-rise pin to the door rollers

Architectural Products by Outwater assumes no liability for improper installation.
Attach the door to the rail.Plumb the door and mark the positions of the floor guides. Mount the floor guides to the floor.
Adjust the door stops accordingly. Tighten the set screw with sufficient force to drive the set screw into the bar after making the final adjustment.

















