RELIABILT 07-3044 Oil-Rubbed Bronze Interior J-strap Barn Door Kit

RELIABILT and logo design are trademarks or registered trademarks of LF, LLC. All rights reserved.
MODEL#07-3044
PREPARATION
MEASUREMENTS
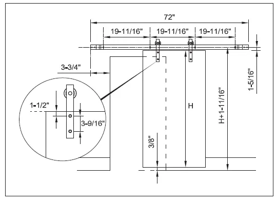
- A. Overall track length: 72″.
- B. Door Weight Capacity 200Lbs.
- C. Fits Openings Up to 36in.
- D. Hole spacing: 19-11/16′.
- E. Distance from door top side to holes on the wal: 1-5/16″.
- F. Distance from door entrance side to the nearest pre-drilled hole line: 3-3/4″.
- G. Distance from the bottom to the floor: 3/8″.
- H. Door height: H.
- I. Recommended height of the holes: H+1-11/16″
- J. Recommended door thickness: 1-3/8″ to 1-9/16″.
TOOL REQUIRED
Notice: IF the door thickness is over 1-9/16″, you may choose longer bolts for installment.
PACKAGE CONTENTS
HARDWARE CONTENTS
INSTALLATION OVERVIEW
Reminder: If you are installing the track on drywall, do NOT install it directly onto the drywall. Drywall installation: Install a 1″x4’or 1’x6″ header board above the door opening directly into studs. The header board must be solid wood and shall measure at least the full length or longer than the track. Use a 38″ drill bit to drill holes that are 2″ or deeper. Concrete/Block/Brick Wal installation: Please make sure the hex bolt must be embedded into floor anchor.
- Drywall Installation with header board (not included) Concrete/Block/Brick Wall Installation without header board.
WARNING: DO NOT install track directly in drywall. To ensure the stability and security of the door, install a header board above the door opening. Using a 1in(T) x 6in(w) board, place the track on the board and mark the length. Cut the board to match exact length of the track as marked.
- By using level, place the track horizontally against the board, and use a pencil to mark where the hole should be. Recommended height of the pre-holes to the floor is H+1-11/16.

- Drywall Installation. Secure the plastic anchor into the pre-drilled hole first, then install lag screw to the anchor.

- Insert door stoppers on either side of track.

- When installing foor guide, mortise a groove 1/4″ (1/4″-3/8″ based on door thickness) wide by 3/4″ deep into the bottom center of door’s edge.

- Secure hangers on the door, ensuring to keep them straight, according to the dimensions shown below. The recommended door thickness is 1-3/8 to 1-9/16′. Use a 3/8″ drl bit to drill holes.

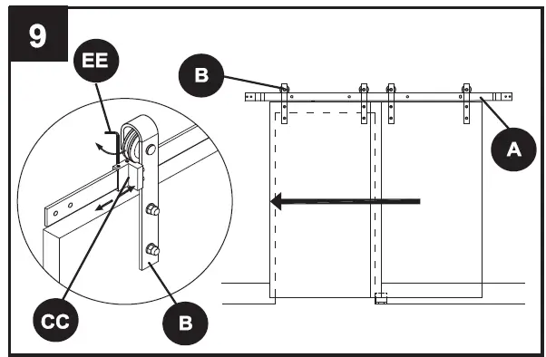
- Position each anti-jump disc 1/2″ from the front edge of the door, but please keep the anti-jump disc loose enough for further rotation.

- Swivel the anti-jump disks away from the door (about 180 degrees) hang the do0or over the track. Slide door from open to dose to ensure all parts are operating smoothly.

- Adjust the door stopper in desired positions with hex key.

- Mark holes with a pencil, and make sure the pre-drilled hole is, then install the floor guide.

- Mark holes with a pencil, and make sure the pre-drilled hole, then install the floor guide.

Printed in China






























