INSTALLATION MANUAL
Ambient Air Curtain
Model SR-AMC

General
This user’s guide is meant for the installer and for the end user. It’s a reference to operation and installation of an SR-AMC air curtain. For safety sake and to guarantee correct operation, it is essential that you read this manual thoroughly before starting
the installation, including all tips and warnings.
Keep this manual with the appliance and see to it that it is included when the appliance is moved or sold, to ensure that everyone is informed about the use and safety aspects of the device throughout its lifetime.
1.1 Description
The Air Curtain Module consists of a metal casing with a bladed fan and motor on top, secured by a fan guard. There is a discharge nozzle with louvers on the opposite side, which enables the airflow to be directed in the desired direction. An air curtain consist of multiple Air Curtain Modules with an assembly set.
1.2 Function
The air curtain functions as an invisible door/segregation and has insulation properties, this can reduce energy losses up to 80% with an open door. The air curtain can be used with chilled or heated spaces. In most circumstances an air curtain is used to minimize heat losses with an open door, it could also be used as a segregation between a non or limited heated space and warmer heated space.
For example between a storage space and workshop. The airspeed can be controlled by an optional 5 stage speed controller, which can be used to adjust airspeed for different heights (widths), difference in forced ventilation (negative pressure) within the building or for variation in weather influences. The switch has a stage that cuts off power to the installation. (stage 0).
The air curtain can be activated through the use of a door switch, which triggers a relay which in turn sends the power to the air curtain.
1.3 Warranty
Operation/installation of appliances not according to this manual will void the warranty. It’s not allowed to change the specifications or to make modifications of any kind, on this appliance.
Technical Data
2.1 Table with data
Because the SR-AMC air curtain consist of multiple modular sections, a variation of different widths or heights (ver- tidal installation) can be constructed. Theoretical there isn’t a limit to the amount of coupled modules, but every 10 connected modules must be succored/supported at each end.
If more than 10 modules are used there needs to be a another power source, because the internal wiring is designed for a maximum amperage of 10A.
| Number of Modules | 1 | 2 | 3 | 4 | 5 | 6 | 7 | 8 | 9 | 10 | ||
| Length | mm | 520 | 1020 | 1520 | 2020 | 2520 | 3020 | 3520 | 4020 | 4520 | 5020 | |
| Suspension height | Minimum | m | 1.5 | |||||||||
| Maximum | m | 4.5 | ||||||||||
| Air volume (cold) | m3/h | 1,900 | 3,800 | 5,700 | 7,600 | 9,500 | 11,400 | 13,300 | 15,200 | 17,100 | 19,000 | |
| Electrical supply | V | 230V 1 Phase N & E 50Hz | ||||||||||
| Protection rating | IP | IP20 | ||||||||||
| Power consumption | A | 1.0 | 2.0 | 3.0 | 4.0 | 5.0 | 6.0 | 7.0 | 8.0 | 9.0 | 10.0 | |
| Sound power level @ 5m | dB(A) | 64 | 67 | 69 | 70 | 71 | 72 | 73 | 73 | 73 | 74 | |
| Weight | kg | 12 | 24 | 36 | 48 | 60 | 72 | 84 | 96 | 108 | 120 | |

2.2 Pre-check
Before installation, please check (i.e. on the data badge) if the appliance is in accordance with the order and whether it suites the local and present provisions ( electrical supply etc.). Also check after installation that operation of the appliance can’t form any hazard caused by moisture and dust, or can cause injuries to people.
Installation
3.1 Suspension
Every unit has 4 ‘pop nuts’ at each corner, in the illustration on page 3, the dimensions are depicted with the notification H-H.
By using these ‘pop nuts’ one can mount the air curtain to the wall or ceiling with brackets or M10 studs. These are not included (as standard).
The coupled modules have to be suspended or supported at each end. The maximum non-supported or suspended coupled units is set at 10 modules (5m) to prevent sagging.
3.2 Calculating number of modules
Each module is 500mm long. One can find the number of modules with resulting length in the data table on page3.
The air curtain has to be wider than the door opening to provide an effective barrier and prevent air ingress at the ends (see Fig.2).
Calculation: Measure the width of the door in cm and divide with 50, the resulting number is the minimum number of modules. Almost always there is an extra module needed for sufficient overlap.
3.3 Positioning
Make sure the air curtain has undisrupted flow of intake air and blown air, there should be a minimum distance of 0.5m between ceiling or overhead door.
Horizontal mounting is preferred above vertical mounting, as this enables the air curtain to also serve as a recirculation fan and the air stream will be warmer than on floor level.
The side of the air stream should be as close as possible to the edge of the door opening, the further the air curtain is placed away from the door opening the less effective it becomes.
The distance to the wall with our horizontal brackets is variable between 41-368mm, with the vertical brackets this is between 0-300mm.
The maximum mounting height is 4.5m. In case of vertical mounting the maximum door width for one air curtain is 4.5m. For other dimensions ask your supplier for advice.
With use of the adjustable louvres, one can change the direction of the air stream, the louvres may not be set at extreme angles, because this has a negative effect on the efficiency of the fans.
![]() | ![]() | ![]() |
Electrical Connection
WARNING! Before starting installation make sure that that electrical group you are working on, has been shut off. The appliance must be earthed.
4.1 230Vac supply
The installation must comply with all applicable local and/or national standards i.e. NEN 1010.
There should be a suitable electrical group with a main fuse. There is an electrical diagram further on in this guide.
The electrical supply is 230Vac (50 Hz) with earth.
4.1.2 Isolation switch or power plug
The appliance has to be equipped with a 230 Volt isolation switch or power plug. This switch should be suitable for the maximum accumulated amperage. This switch should disconnect phase and neutral (not earth) and have at least an 3mm contact opening.
Switches or power plugs must be accessible at all times.
For power supply the unit has been provided with a 3-pole power plug (female). The installer should connect a 3-wire mains cable and a power plug to it.
4.2 Connection options
4.2.1. Connection without speed control
With the interference of an isolation switch or power plug the air curtain can be connected to the mains. If the connection is made the fans will run continually at full speed. See sect6.2
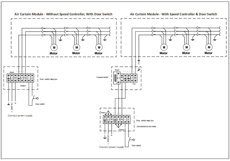
4.2.2. Connection with door switch
The air curtain can be activated as the door opens. This can be done with the use of a door switch, which powers the relay of the relay box (article GA4100) and activates the air curtain. See sect6.3.
4.2.3. Connection with speed control.
The airspeed can be adjusted with the 5-step switch for different heights (widths), difference in forced ventilation (negative pressure) within the building or for variation in weather influences. Step 0 can be used to shut off the power.
Function:
The 5-stage speed control is installed in between the power source. Depending on the chosen stage, the fan will turn fast or slowly.
Before installation consult the manual of the 5-stages switch. See sect6.2 and 6.3.
Setting, Operation and Maintenance
WARNING!: Before starting maintenance make sure that the power group you are working on has been shut off!
The appliance should have earth!
5.1 Operation
With the 5-step switch one can adjust the airspeed on ground level, as explained in sect4.2.
The airspeed on ground level should not be too low otherwise the air curtain coverage cannot withstand any wind load. Too high airspeed at ground level will lead to unnecessary turbulence and excessive sound. The ideal flow profile is depicted in the illustration below (Fig. 5), one can roughly check this by feeling with the hands, or ‘tuft testing’ with a strip of paper to visualize the airflow profile. Of course an anemometer would be best. If there is a strong wind load on the door opening, one can turn up the airspeed.
The air curtain isolates the interior space, thus it can be used in summer. Not only to repel the heat , but also to prevent the ingress of flying insects.
ATTENTION!: Do not set the louvers in an (sloping) angle greater than 20°. This will decrease the air output.
![]() | ![]() |
5.2 Maintenance
In spaces with heavy dust it might be necessary to clean the fan guard with compressed air once a year. If the fan guard is covered with severe dust the fan will have diminished suction capabilities.
Assembly and Electrical Instructions
6.1 Assembly GVACM+GA8700
The SR-AMC modules and assembly set have to be assembled as depicted with use of included parkers (key size 7).

6.2 Electrical connections with and without speed controller

6.3 Electrical connections using door switch with and without speed controller

Attachment
7.1 Installation vertical mounting set

7.2 Installation horizontal mounting set

Recycling
The meaning of the symbol on the material, its accessory or packaging indicates that this product shall not be treated as regular waste. Please, dispose of this equipment at your applicable collection point for the recycling of electrical and electronic equipments waste. In the European Union and Other European countries which there are separate collection systems for used electrical and electronic product. By ensuring the correct disposal of this product, you will help prevent potentially hazardous to the environment and to human health, which could otherwise be caused by unsuitable waste handling of this product. The recycling of materials will help conserve natural resources. Please do not therefore dispose of your old electrical and electronic equipment with your regular waste.
Tel: +44(0)1473 830 551
Fax: +44(0)1473 832055
www.spaceray.co.uk
[email protected]
Gas Fired Products (UK) Ltd
Chapel Lane
Claydon
Ipswich
Suffolk, IP6 0JL
Industrial & Commercial
Heating Equipment Association
FACTORIES: IPSWICH, ENGLAND – CHARLOTTE, N.C, U.S.A
SR-AMC Manual April 2023






















