Go Power GP-TS-30 30 Amp Transfer Switch User Manual
Congratulations on purchasing your Go Power! 30-amp Transfer Switch
Product Packaging
Please safely store the packing the IC Series was delivered in or recycle the packaging components as outlined below:
INTRODUCTION
The Go Power! 30-amp Transfer Switch (TS-30) provides automatic power switching between two separate 120 volt AC input sources, including power cords, onboard generators, or onboard inverters. The TS-30 will sense the presence of available power supplies and automatically select the proper one.
The TS-30 can be installed at the electrical entry of the RV on the line side of the main distribution panel, or it can be installed on the load side of the panel between the main panel and a sub panel, allowing switching for either the entire electrical load or only designated circuits.
INSTALLATION
READ AND FOLLOW ALL SAFETY INSTRUCTIONS
DISCONNECT POWER
Make sure the generator is off, the external power cord is unplugged, and the inverter, if any, is shut off.
MOUNTING LOCATIONS
The TS-30 mounting location may be on any interior surface where the unit will be out of direct weather. The chosen location must be accessible after installation is complete to facilitate future servicing. If possible, mount the TS-30 near the power cord entry or the location of the generator output. Typical locations include under counter cabinets, below closet compartments, inside the bed pedestal or cabinets, overhead cabinets, under-floor storage compartments accessed from the vehicle exterior, etc.
CAUTION: To prevent exposure to foreign contaminants, do not mount the transfer switch in an engine compartment under kitchen sink drains or water pipes within the battery compartment or any compartment designed for storage of flammable liquids such as gasoline.
ELECTRICAL PREPARATION
Any numbered knockout on the TS-30 can be used for installation. Choose a knockout that will facilitate installation and service within the selected mounting area.
MOUNTING
Mount the TS-30 with screws through holes provided in bottom corners of the can. The unit should be screwed to a solid surface firmly enough to hold its weight during vehicle operation.
ELECTRICAL CONNECTIONS
- Attach an 8-gauge chassis ground wire to the transfer switch ground bar. A direct access hole to the ground bar is provided through the enclosure for convenience.
- Determine proper connections of wire conductors to electrical terminals. On 120 VAC wiring the ground wire is bare or green, the neutral wire is white, and the hot wire is black.
- Strip the outer jacket from all of the incoming cables and strip insulation from all ends of the copper conductors. Insert cables through clamps in openings. Do not tighten cable clamps at this time.
- Route internal ground wires around lower area of enclosure and secure to ground wires away from electrical contacts on components to avoid the possibility of electrical short-circuit.
- Connect the ground wires to the ground bar. Tighten terminals to a minimum of 20 inch-pounds.
- Connect the neutral (white) wire connections.
- Connect the hot wire(s) (black).
- To connect the wire leads, strip the wire insulation 0.5 inches, insert the bare wire into the vacant hole and drop the lever down to secure the wire in the connector.
- Tighten cable clamps on switch enclosure.
- Attach lid. The lid is designed to snap on and should not open without deliberate effort.
TIMING DELAY
The transfer switch will have a delay as it switches from one source to another. The delay can be eliminated by placing a jumper across two pins on the timing board within the unit.
The hybrid system involves pulling a line from the main distribution panel through to a second transfer switch to only power circuits in a coach. Verify all connections are tightened. (See Figure 2.5.1 and 2.5.2 below)
INSTALLATION BETWEEN POWER CORD AND GENERATOR (CONFIGURATIONS A, B)
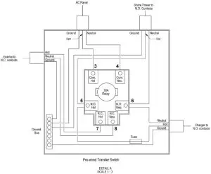
- Connect the power cord leads to terminal 7 and 8 (on the narrow end of the relay); these are the normally closed (N.C.) contacts. (See Diagram 1 on page 6 for numbered locations).
- Connect the generator leads to terminals 5 and 6 (on the shoulders of the relay); these are the normally open (N.O.) contacts.
- Connect output to panel to terminals 3 and 4 (on the wide end of the relay). The TS-30 is designed with a time delay module to provide generators a brief warm-up period before supplying the load. See Diagram 1 on the next page.
NOTE
Ensure the inverter never provides power to the charger. Chargers should be wired to the Transfer Switch as per these diagrams.
Diagram 1 – Typical Generator Power Cord Connection
INSTALLATION BETWEEN INVERTER AND ALTERNATING SOURCE (CONFIGURATION C)
- For installation between inverter (default) and another power supply (dominant), such as the output from a prior power cord/ generator transfer switch. These connections will allow any other supply to dominate the inverter, and the inverter output will pass through the normally closed contacts of the switch. This allows the inverter to operate only in the absence of the other power supplies, which is ideal for inverters. Three AC sources require two transfer switches.
- Connect the inverter to terminals 7 and 8, and connect the other power supply (output from the first transfer switch) to 5 and 6. Output terminals always remain the same. (See Diagram 1 above for number locations)

INSTALLATION IN HYBRID SYSTEM FOR DESIGNATED CIRCUITS (CONFIGURATION D)
The TS-30 A can be installed between inverter (default) and a circuit panel supplied by a larger amp alternating power supply (dominant).
- Connect the inverter to terminals 7 and 8.
- Connect the 30-amp branch circuit to 5 and 6.
- Connect the designated circuit panel to the output terminals to connections 3 and 4.
The inverter will only supply the load in the absence of the 50-amp power supply, in which case, only the load designated to the 30-amp branch circuit is supplied. The timer delay bypass switch on the TS-30 should be in the ON position.
OPERATIONAL TESTING
READ AND FOLLOW ALL SAFETY INSTRUCTIONS
The following diagrams on pages 12-15 show how the IC Series inverter/charger is typically installed in a mobile RV application. The diagrams show where the Inverter/Charger is installed and how the mobile power system can be integrated with a Go Power! RV Solar Kit (sold separately by Go Power; please contact us directly.)
- Plug in the power cord. If the main panel circuit breakers are switched on, RV load should operate normally. Unplug the power cord.
- Start the generator. There is a pre-programmed 20-30 second delay in the transfer switch. The delay is designed to allow the generator a brief warm-up period. When the delay completes its cycle the switch should engage and the RV load should operate normally. An audible click should sound as the switch engages.
- Shut down the generator. As the generator winds down the switch should disengage without chatter or cycling. An audible click should sound as the switch disengages.
- Plug in the power cord. Start the generator. After the preprogrammed delay, the switch should transfer power automatically from the power cord to the generator. Listen for the audible click as the switch transfers, as there will likely be no other indication that the switch has engaged. Shut down the generator and unplug the power cord.
- On transfer switch arrangements with three power supplies, plug in the power cord, start the generator, and turn on the inverter. With all three supplies energized at the same time, the switch will select the generator for the primary supply choice. Shut down the generator. The switch will transfer to the power cord. Unplug the power cord. The switch will transfer to the inverter. The inverter should always be connected so that it is only selected in the absence of both the other supplies.
TROUBLESHOOTING
LOW VOLTAGE
Low voltage is harmful to most appliances. Contactor-based transfer switches are also affected by low voltage; if the voltage level drops far enough the contactor points will “chatter”. Sustained contact chattering can cause transfer switch damage. Switches that have been damaged by chattering need to be returned to the factory for replacement.
GENERAL LOW VOLTAGE
Low voltage can be caused by low voltage conditions such as an RV park with inadequate wiring for crowded camper conditions where everyone’s electricity suffers (brownout). In this case a voltmeter will be helpful and will show a low voltage reading from the park receptacle, even before the RV is plugged in. When you experience general low voltage conditions, remember that brownouts can be harmful to most appliances. A better alternative might be to utilize the generator until park voltage conditions improve.
LOCALIZED LOW VOLTAGE
Low voltage conditions can be caused by specific situations such as an additional cord, which is too long and too small for the load. Do not attempt to extend the RV power cord by using a 16-gauge 100-foot extension cord, or any cord not rated for an RV-size load. A localized low voltage condition will result when a load is turned on which is larger than that which the cord is designed for. As soon as the RV tries to draw more current than the amount for which the cord is rated, the voltage will fall within the length of the cord, and the RV will experience low voltage. This is especially noticeable during in rush current situations such as an air conditioner start-up.
This affects contactor-based transfer switches. The compressor will try to start; the voltage will drop, which will cause the contactor to drop out, at which point the voltage will rise to the pre-in rush level. The contacts will chatter when the A/C compressor kicks in, however the voltage may read normal. Most meters are not fast enough to record this voltage drop. You can test for low voltage readings during this inrush cycle by reading voltage at the contactor terminals while manually holding the contactor plunger down in its closed position. This will override the chattering condition and the meter will have time to register the reduced voltage. If this condition exists, identify and correct the low voltage situation before proceeding further.
Batteries are capable of providing very large currents in case of a short circuit. If this occurs with no DC overcurrent protection, it will result in overheating and melting of the cables and possibly serious injury and/or fire.
DC overcurrent protection is not included with the IC Series. It must be installed between the Inverter/Charger and battery bank for safety reasons and to comply with code regulations.
Use a very fast acting DC fuse or circuit breaker in the positive cable, the fuse should be installed as close to possible to the battery positive terminal. Ideally the fuse/circuit breaker should be installed within 18” (45cm of the battery). The fuse required for DC Cable lengths up to 5ft is detailed in the above table.
n all installations a battery disconnect switch is required. If you install a circuit breaker for overcurrent protection this will suffice as a disconnect switch. If you install a fuse for overcurrent protection, then a separate disconnect switch will need to be installed.
PHYSICAL INTERFERENCE
Some transfer switch models have wiring connections made by wire nuts on 6″ leads. Occasionally on these models, the wiring connections will get folded into the can in such a manner that the wiring will interfere with the physical operation of the relay. Visually inspect for free operation of the relay(s)
TESTING FOR PROPER CIRCUIT BOARD OPERATION
- Disconnect all AC power from the RV and make sure the generator is OFF.
- Remove the cover from the ATS sliding a screwdriver blade under the edge of the cover and pry off.
- Start the generator and wait 20-45 seconds to see if the relay will energize. If the relay does not energize, go to Step 4. If the does energize, but the generator still does not provide 120VAC power to the RV, use an AC Voltmeter to check for 120VAC at the Normally Open (NO) terminals of the relay. If 120VAC power is present at the NO terminals of the relay, there is a wiring issue between the ATS and the RV AC distribution panel. If no voltage is measured on the NO terminals, the entire unit will need to be replaced.
- With the generator running, use an insulated screwdriver to carefully push down on the center arm of the relay until the center arm of the relay makes contact with the NO contacts of the relay. If AC power is now present in the RV, the circuit board in the ATS has failed and must be replaced.
RELAY CONTRACTS BURNED AND PITTED
If the Relay Contacts are burned and pitted, there is an issue with the generator and its voltage is dropping below 90VAC under load. If this problem occurs, you will need to repair or replace the generator and complete ATS.
HI-POT TESTING
(MANUFACTURING COMPANIES ONLY)
If the hi-pot test is performed from the plug on the power cord, the test may only hi-pot the cord itself; it may not test the RV wiring beyond the switch. The hi-pot test should be performed from either the transfer switch output or from the main panel.
Test as follows:
- Turn on all circuit breakers in the panel.
- Make sure the generator is off.
- Make sure the power cord is unplugged. Verify that the prongs on the power cord plug are protected so that the hi-pot voltage won’t cause a fault reading from a short, or cause bodily injury from electrical shock.
- Turn off or disconnect all appliances that would be damaged by the hi pot test.
- Connect the hi-pot leads to:
- Transfer switch ground bar
- Transfer switch output terminals hot 1, hot 2 (if present), and neutral.
- Energize the hi-pot and conduct test. This will hi-pot test for leakage (short) between the current-carrying conductors and the ground in the entire 120/240 VAC circuitry beyond the transfer switch. In most cases it will also test the power cord itself. Turn off the hi-pot.
- Do not test the transfer switch generator input. The hi-pot will damage the time delay control module in the transfer switch. If the generator wires to the switch must be checked, disconnect the generator wires from the transfer switch and connect hi-pot test leads to the loose wires. Reconnect wires after testing.
- If hi-pot test fails, there is a short in the system. The next step is to isolate the location of the short. Turn off the main breaker in panel and hi-pot test again. If the test still fails, the fault is between the switch and the panel. Test cord for shorted plug. If the test passes, turn on the main breaker, and turn on all branch breakers except one. Retest each branch circuit individually until the shorted circuit is isolated. Repair the fault and retest. The hi-pot test is successful when there are no more fault indications.
GENERATOR NOTE
It is never advisable to start or stop a generator under load. To prolong the life of this transfer switch, and the life of the air conditioner, microwave oven, and other appliances, always turn those appliances off before starting or stopping the generator.
MEDICAL APPLICANCES
Go Power! will not knowingly sell a Go Power! Automatic Transfer Switch for any life-support application. It is strongly recommended that you do not operate any life support equipment from a transfer switch. If the switch should malfunction, or fail to operate due to other external conditions, it is possible that all connected appliances, including any life support equipment, will also shut down, resulting in a risk of medical complications and potential loss of life.
CAUTION
Note
Do not install this or any electrical accessory in the battery compartment, or a compartment intended for storing flammable liquids or liquids, which produce flammable or explosive fumes such as gasoline, etc. There are
components in the Transfer Switch, which, in their normal operation, may cause arcing. In addition, the act of turning on a light switch or unplugging the cord on an electrical appliance can cause a spark, which can ignite
any combustible liquids or vapors. Therefore, do not install a transfer switch in a compartment intended for storing flammable liquids, and never store flammable liquids inside a compartment containing any electrical device.
WARNINGS
WARNING: Torque all connections as per instructed on the label. Excessive torque may cause damage to connections leading to a fire causing property damage, serious injury, or death.
WARNING: SHOCK HAZARD – Due to the high voltages associated with its operation, only qualified service personnel should install or troubleshoot this transfer switch. All applicable codes and standards must be met when installing this device. See wiring diagram inside of the cover and on the back of this page. Improper handling or installation may cause serious injury or death.
WARNING: The TS-30 transfer switch is not ignition protected and should not be mounted in the same compartment as the batteries or flammable materials such as gasoline. Do not mount the transfer switch in the generator or LP Gas Compartment. A fire, causing property damage, serious injury, or death could result.
DISCLAIMER OF LIABILITY & WARRANTY
Visit gpelectric.com for additional product warranty information.
All Go Power!™ Transfer Switches come with a two-year warranty. Go Power!™ warranties all Go Power!™ Transfer Switches in the continental United States and Canada from defects in materials or workmanship under normal use for two years from date of retail purchase and will repair or replace any Go Power!™ Transfer Switch under warranty found to be defective free of charge. This warranty is not valid against defects resulting from, but not limited to:
- Misuse and/or abuse, neglect, or accident
- Exceeding the unit’s design limits
- Improper installation, including, but not limited to, improper environmental protection and improper hook-up
- Acts of God, including lightning, floods, earthquakes, fire and high winds
- Damage in handling, including damage encountered during shipment or installation
- Outdoor weather
REPAIR AND RETURN INFORMATION
Visit gpelectric.com to read the “frequently asked questions” section of our website to troubleshoot the problem. If trouble persists:
- Fill out our online Contact Us form or Live Chat with us at gpelectric.com
- Email [email protected]
- Return defective product to place of purchase
© 2020 Go Power!
Worldwide Technical Support and Product Information gpelectric.com
Go Power!
201-710 Redbrick Street Victoria, BC, V8T 5J3
Tel: 1.866.247.6527
MOBI_MAN_GP-TS-30-RevE



















