Go Power GP-TS-50 50 Amp Transfer Switch

INTRODUCTION
The Go Power!™ Transfer Switch 50 (TS-50) provides automatic power switching between two separate 120-volt AC input sources, these sources will each contain two 120-volt 50-amp inputs or a single 120-volt 50 amp input. Sources can include power cords, generators or onboard inverters. The ATS will sense the presence of available power supplies and automatically select the proper source.
The TS-50 can be installed at the electrical entry of the RV on the line side of the main distribution panel, or it can be installed on the load side of the panel between the main panel and a sub-panel, allowing switching for either the entire electrical load or only designated circuits switch ground bar. A direct access hole to the ground bar is provided through the enclosure for convenience.
Determine proper connections of wire conductors to electrical terminals. For 120 VAC wiring, the ground wire is bare or green, the neutral wire is white, and the hot wire is black.
INSTALLATION
READ AND FOLLOW ALL SAFETY INSTRUCTIONS!
DISCONNECT POWER
Make sure the generator is off, the external power cord is unplugged, and the inverter if any, is shut off.
MOUNTING LOCATION
The TS-50 mounting location may be on any interior surface where the unit will be out of direct weather. The chosen location must be accessible after installation is complete to facilitate future servicing. If possible, mount the TS-50 near the power cord entry or the location of the generator output. Typical locations include under-counter cabinets, below-closet compartments, inside-the-bed pedestal or cabinets, overhead cabinets, under-floor storage compartments accessed from the vehicle exterior, etc.
ELECTRICAL PREPARATION
Use knockouts 12, 5, and 6 when installing the TS-50. Do not use knockouts 3, 4, 7, and 8 when preparing the TS-50 for installation.
MOUNTING
Mount the TS-50 with screws through holes provided in the bottom corners of the can. The unit should be screwed to a solid surface firmly enough to hold its weight during vehicle operation.
ELECTRICAL CONNECTIONS
- Attach an 8 gauge chassis ground wire to the transfer switch ground bar. A direct access hole to the ground bar is provided through the enclosure for convenience.
- Determine proper connections of wire conductors to electrical terminals. On 120 VAC wiring, the ground wire is bare or green, the neutral wire is white, and the hot wire is black. On 240 VAC wiring, there are two hot wires; one is black, and the other is red.
- Strip the outer jacket from all of the incoming cables. Strip insulation from all ends of the copper conductors. Insert cables through clamps in openings. Do not tighten cable clamps at this time.
- Route internal ground wires around the lower area of the enclosure and secure ground wires away from electrical contacts on components to avoid the possibility of electrical short-circuit.
- Connect the ground wires to the ground bar. Tighten terminals to a minimum of 20-inch pounds.
- Connect the neutral (white) wire connections.
- Connect the hot wire(s). If there is a black wire and a red wire (for 240 VAC), it does not matter which is hot 1 and which is hot 2.
- In some applications, it may be desirable to feed a 120-volt supply, such as an inverter, into both hot legs of a transfer switch, so that the 120-volt supply can operate the entire RV load. Although discretion is advised in designing this into the system, it is acceptable, as long as the connection to both hot legs is accomplished on the input side of the transfer switch. To do this, connect the hot from the 120-volt supply, such as an inverter, to hot 1, and then attach a jumper wire of the same gauge from hot 1 to hot 2.
Consideration should be given to the following:- The entire load must be 120 volts; you cannot operate a 240-volt load from a 120-volt supply.
- There may be a load that would be undesirable to run from this particular 120-volt supply; that load should be isolated when the 120-volt supply is operating. The TS-50 is sometimes used as a ‘lock-out’ switch to prevent specific loads from being operated from designated supplies. Example: preventing a battery charger or air conditioner from running from an inverter, yet operating from a generator or power cord.
- Tighten cable clamps on the switch enclosure.
- Attach lid. The lid is designed to snap on and should not open without deliberate effort.
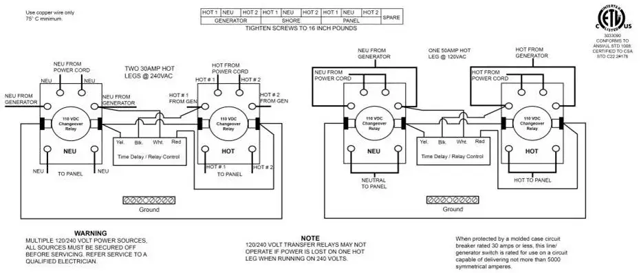
Installation Between Powercord and Generator (Configuration A)
The TS-50 is designed with an easy-to-wire bridge. Refer to Diagram 1 for wiring lug designations.
- Connect the power cord neutral to the power cord lug labeled NEUTRAL WHT.
- Connect power cord hot 1 and hot 2 to power cord lugs HOT 1 BLK and HOT 2 RED.
- Connect the generator neutral(s) to the generator lug labeled NEUTRAL WHT.
- Connect generator hot 1 and hot 2 to generator lugs HOT 1 BLK and HOT 2 RED.
- Connect the output to a panel or other destination to the applicable “panel” lugs. The bypass switch should be in the “off” position (marked “1”).
Installation Between Inverter and Alternating Source (Configuration B)
For installation between an inverter (default) and another power supply (dominant), such as the output from a prior power cord/ generator transfer switch, connect the inverter neutral to “power cord lug labeled NEUTRAL WHT, and connect the inverter hot to “power cord” lugs labeled HOT 1 BLK and HOT 2 RED. Connect the alternate power supply neutral to “generator” lug NEUTRAL WHT.
Connect alternate power supply hot 1 and hot 2 to “generator” lugs HOT 1 BLK and HOT 2 RED. Connect the output to applicable “panel” lugs. These connections will allow any other supply to dominate the inverter, and the inverter output will pass through the normally closed contacts of the switch. This allows the inverter to operate only in the absence of the other power supplies, which is ideal for inverters.
Installation In Hybrid System With TS-30 For Designated Circuits (Configuration C)
Install the TS-50 on the line side of the main distribution panel as illustrated in Configuration A. The TS-30 can be installed between the inverter (default) and a circuit panel supplied by the larger amp alternating power supply (dominant). Connect the inverter to terminals 7 and 8, and connect the 30-amp branch circuit to 5 and 6. Connect the designated circuit panel to the output terminals. The inverter will only supply the load in the absence of the 50 amp power supply, in which case, only the load designated to the 30 amp branch circuit is supplied. The timer delay bypass switch on the TS-30 should be in the ON position.
DIAGRAM 1




OPERATION
READ AND FOLLOW ALL SAFETY INSTRUCTIONS!
- Plug in the power cord. If the main panel circuit breakers are switched on, the RV load should operate normally. Unplug the power cord.
- Start the generator. There is a preprogrammed 20-30 second delay in the transfer switch. The delay is designed to allow the generator a brief warm-up period. When the delay completes its cycle the switch should engage and the RV load should operate normally. An audible click should sound as the switch engages.
- Shut down the generator. As the generator winds down the switch should disengage without chatter or cycling. An audible click should sound as the switch disengages.
- Plug in the power cord. Start the generator. After the preprogrammed delay, the switch should transfer power automatically from the power cord to the generator. Listen for the audible click as the switch transfers, as there will likely be no other indication that the switch has engaged. Shut down the generator and unplug the power cord.
- On transfer switch arrangements with three power supplies, plug in the power cord, start the generator and turn on the inverter. With all three supplies energized at the same time, the switch will select the generator for the primary supply choice. Shut down the generator. The switch will transfer to the power cord. Unplug the power cord.
The switch will transfer to the inverter. The inverter should always be connected so that it is only selected in the absence of both the other supplies.
TROUBLESHOOTING
LOW VOLTAGE
Low voltage is harmful to most appliances. Contractor-based transfer switches are also affected by low voltage; if the voltage level drops far enough the contractor points will “chatter”. Sustained contact chattering can cause transfer switch damage. Switches that have been damaged by chattering need to be returned to the factory for replacement.
GENERAL LOW VOLTAGE
Low voltage can be caused by low voltage conditions such as an RV park with inadequate wiring for crowded camper conditions where everyone’s electricity suffers (brownout). In this case, a voltmeter will be helpful and will show a low voltage reading from the park receptacle, even before the RV is plugged in. When you experience general low voltage conditions, remember, that brownouts can be harmful to most appliances. A better alternative might be to utilize the generator until park voltage conditions improve.
LOCALIZED LOW VOLTAGE
Low voltage conditions can be caused by specific situations such as an additional cord that is too long and too small for the load. Do not attempt to extend the RV power cord by using a 16-gauge 100-foot extension cord, or any cord not rated for an RV-size load. A localized low voltage condition will result when a load is turned on that is larger for which the cord is designed. As soon as the RV tries to draw more current than the amount for which the cord is rated, the voltage will fall within the length of the cord, and the RV will experience low voltage. This is especially noticeable during in rush current situations such as an air conditioner start-up. Contractor-based transfer switches are affected by this. The compressor will try to start, and the voltage will drop, which will cause the contractor to drop out, at which point the voltage will rise to the pre-in rush level. The contacts will chatter when the A/C compressor kicks in, however, the voltage may read normally.
Most meters are not fast enough to record this voltage drop. You can test for low voltage readings during this inrush cycle by reading voltage at the contractor terminals while manually holding the contractor plunger down in its closed position. This will override the chattering condition and the meter will have time to register the reduced voltage. If this condition exists, identify and correct the low voltage situation before proceeding further.
PHYSICAL INTERFERENCE
Some transfer switch models have wiring connections made by wire nuts on 63 leads. Occasionally on these models, the wiring connections will get folded into the box in such a manner that the wiring will interfere with the physical operation of the relay. Visually inspect for free operation of the relay(s).
HI-POT TESTING
(MANUFACTURING COMPANIES ONLY)
NOTE:
If the hi-pot test is performed from the plug on the power cord, the test may only hi-pot the cord itself; it may not test the RV wiring beyond the switch. The hi-pot test should be performed from either the transfer switch output or from the main panel. Test as follows:
- Turn on all circuit breakers in the panel.
- Make sure the generator is off.
- Make sure the power cord is unplugged. Verify that the prongs on the power cord plug are protected so that the hipot voltage won’t cause a fault reading from a short, or cause bodily injury from electrical shock.
- Turn off or disconnect all appliances that would be damaged by the hi-pot test.
- Connect the hi-pot leads to:
- Transfer switch ground bar
- Transfer switch output terminals hot 1, hot 2 (if present), and neutral.
- Energize the hi-pot and conduct the test. This will hi-pot test for leakage (short) between the current-carrying conductors and the ground in the entire 120/240 VAC circuitry beyond the transfer switch. In most cases, it will also test the power cord itself. Turn off the hi-pot.
- Do not test the transfer switch generator input. The hi-pot will damage the time delay control module in the transfer switch. If the generator wires to the switch must be checked, disconnect the generator wires from the transfer switch and connect the hi-pot test leads to the loose wires. Reconnect wires after testing.
- If the hi-pot test fails, there is a short in the system. The next step is to isolate the location of the short. Turn off the main breaker in the panel and hi-pot test again. If the test still fails, the fault is between the switch and the panel. Test cord for shorted plug. If the test passes, turn on the main breaker, and turn on all branch breakers except one. Retest each branch circuit individually until the shorted circuit is isolated. Repair the fault and retest. The hi-pot test is successful when there are no more fault indications.
GENERATOR NOTE
It is never advisable to start or stop a generator under load. To prolong the life of this transfer switch, and the life of the air conditioner, microwave oven and other appliances, always turn those appliances off before starting or stopping the generator.
MEDICAL APPLIANCES
Go Power!™ will not knowingly sell a Go Power!™ Automatic Transfer Switch for any life-support application. It is strongly recommended that you DO NOT operate any life support equipment from a transfer switch. If the switch should malfunction, or fail to operate due to other external conditions, it is possible that all connected appliances, including any life support equipment, will also shut down, resulting in a risk of medical complications and potential loss of life.
CAUTION!
Do not install this or any electrical accessory in the battery compartment, or a compartment intended for storing flammable liquids or liquids that produce flammable or explosive fumes such as gasoline, etc. There are components in the Transfer Switch that, in their normal operation, may cause arcing. In addition, the act of turning on a light switch or unplugging the cord on an electrical appliance can cause a spark, which can ignite any combustible liquids or vapors. Therefore, do not install a transfer switch in a compartment intended for storing flammable liquids, and never store flammable liquids inside a compartment containing any electrical device.
WARRANTY
Go Power! warrants this product for a period of five (5) years from the date of shipment from its factory. This warranty is valid against defects in materials and workmanship for the five (5) year warranty period. It is not valid against defects resulting from, but not limited to:
- Misuse and/or abuse, neglect or accident
- Exceeding the unit’s design limits
- Improper installation, including, but not limited to, improper environmental protection and improper hook-up
- Acts of God, including lightning, floods, earthquakes, fire, and high winds
- Damage in handling, including damage encountered during shipment
This warranty shall be considered void if the warranted product is in any way opened or altered. The warranty will be void if any eyelet, rivets, or other fasteners used to seal the unit are removed or altered, or if the unit’s serial number is in any way removed, altered, replaced, defaced, or rendered illegible.
REPAIR AND RETURN INFORMATION
Visit www.gpelectric.com to read the “frequently asked questions” section of our website to troubleshoot the problem. If trouble persists:
- Fill out our online Contact Us form or Live Chat with us
- Email [email protected]
- Return defective product to the place of purchase.
© 2022 Go Power!
Worldwide Technical Support and Product Information gpelectric.com Go Power! | Dometic 201-710 Redbrick Street Victoria, BC, V8T 5J3 Tel: 1.866.247.6527
MOBI_MAN_GP-TS-50_RevE.



















