GENERAC RTSY 100-200A SE Automatic Transfer Switch User Manual
DANGER!
NOT INTENDED FOR USE IN CRITICAL LIFE SUPPORT APPLICATIONS.
THIS PRODUCT CAN BE INSTALLED BY THE HOMEOWNER. HOWEVER, IF YOU ARE UNCOMFORTABLE WITH THE SKILLS OR TOOLS REQUIRED, HAVE A QUALIFIED ELECTRICIAN OR CONTRACTOR PERFORM THE INSTALLATION.
DEADLY EXHAUST FUMES! OUTDOOR INSTALLATION ONLY!
SAVE THESE INSTRUCTIONS! Read the following information carefully before attempting to install, operate or service this equipment. Also read the instructions and information on tags, decals, and labels that may be affixed to the transfer switch. Replace any decal or label that is no longer legible.
DANGER! Connection of a generator to an electrical system normally supplied by an electric utility shall be by means of suitable transfer equipment so as to isolate the electric system from utility distribution system when the generator is operating (Article 701 Legally Required Standby Systems or Article 702 Optional Standby Systems, as applicable). Failure to isolate electric system by these means may result in damage to generator and may result in injury or death to utility workers due to backfeed of electrical energy.
The manufacturer cannot anticipate every possible circumstance that might involve a hazard. The warnings in this manual, and on tags and decals affixed to the unit are, therefore, not all-inclusive. If using a procedure, work method or operating technique the manufacturer does not specifically recommend, ensure that it is safe for others. Also make sure the procedure, work method or operating technique chosen does not render the transfer switch unsafe.
Throughout this publication, and on tags and decals affixed to the generator, DANGER, WARNING, CAUTION and NOTE blocks are used to alert personnel to special instructions about a particular operation that may be hazardous if performed incorrectly or carelessly. Observe them carefully. Their definitions are as follows:
DANGER!
After this heading, read instructions that, if not strictly complied with, will result in serious personal injury, including death.
WARNING!
California Proposition 65
Engine exhaust and some of its constituents are known to the state of California to cause cancer, birth defects, and other reproductive harm.
WARNING!
California Proposition 65
This product contains or emits chemicals known to the state of California to cause cancer, birth defects, and other reproductive harm.
Safety Rules
WARNING
After this heading, read instructions that, if not strictly complied with, could result in serious personal injury, including death.
CAUTION!
After this heading, read instructions that, if not strictly complied with, might result in minor or moderate injury
NOTE:
After this heading, read instructions that, if not strictly complied with, may result in damage to equipment and/or property.
These safety warnings cannot eliminate the hazards that they indicate. Common sense and strict compliance with the special instructions while performing the service are essential to preventing accidents.
Four commonly used safety symbols accompany the DANGER, WARNING and CAUTION blocks. The type of information each indicates follows
This symbol points out important safety information that, if not followed, could endanger personal safety and/or property.
This symbol points out potential explosion hazard.
This symbol points out potential fire hazard.
This symbol points out potential electrical shock hazard
GENERAL HAZARDS
- Any AC generator that is used for backup power if a NORMAL (UTILITY) power source failure occurs, must be isolated from the NORMAL (UTILITY) power source by means of an approved transfer switch. Failure to properly isolate the NORMAL and STANDBY power sources from each other may result in injury or death to electric utility workers, due to backfeed of electrical energy.
- Improper or unauthorized installation, operation, service or repair of the equipment is extremely dangerous and may result in death, serious personal injury, or damage to equipment and/or personal property.
- Extremely high and dangerous power voltages are present inside an installed transfer switch. Any contact with high voltage terminals, contacts or wires will result in extremely hazardous, and possibly LETHAL, electric shock. DO NOT WORK ON THE TRANSFER SWITCH UNTIL ALL POWER VOLTAGE SUPPLIES TO THE SWITCH HAVE BEEN POSITIVELY TURNED OFF.
- Competent, qualified personnel should install, operate and service this equipment. Adhere strictly to local, state and national electrical and building codes. When using this equipment, comply with regulations the National Electrical Code (NEC), CSA Standard; C22.1 Canadian Electric Code and Occupational Safety and Health Administration (OSHA) have established.
- Never handle any kind of electrical device while standing in water, while barefoot, or while hands or feet are wet. DANGEROUS ELECTRICAL SHOCK MAY RESULT.
- Remove all jewelry (such as rings, watches, bracelets, etc.) before working on this equipment.
- If work must be done on this equipment while standing on metal or concrete, place insulative mats over a dry wood platform. Work on this equipment only while standing on such insulative mats.
- Never work on this equipment while physically or mentally fatigued.
- Keep the transfer switch enclosure door closed and bolted at all times. Only qualified personnel should be permitted access to the switch interior.
- In case of an accident caused by electric shock, immediately shut down the source of electrical power. If this is not possible, attempt to free the victim from the live conductor but AVOID DIRECT CONTACT WITH THE VICTIM. Use a nonconducting implement, such as a dry rope or board, to free the victim from the live conductor. If the victim is unconscious, apply first aid and get immediate medical help.
- When an automatic transfer switch is installed for a standby generator set, the generator engine may crank and start at any time without warning. To avoid possible injury that might be caused by such sudden start-ups, the system’s automatic start circuit must be disabled before working on or around the generator or transfer switch. Then place a “DO NOT OPERATE” tag on the transfer switch and on the generator. Remove the Negative (Neg) or (–) battery cable.
For authorized service, reference the dealer locator number found inside the generator owner’s manual.
General Information
INTRODUCTION
This manual has been prepared especially for the purpose of familiarizing personnel with the design, application, installation, operation and servicing of the applicable equipment. Read the manual carefully and comply with all instructions. This will help to prevent accidents or damage to equipment that might otherwise be caused by carelessness, incorrect application, or improper procedures.
Every effort has been expended to make sure that the contents of this manual are both accurate and current. The manufacturer, however, reserves the right to change, alter or otherwise improve the product or manual at any time without prior notice.
UNPACKING
Carefully unpack the transfer switch. Inspect closely for any damage that might have occurred during shipment. The purchaser must file with the carrier any claims for loss or damage incurred while in transit.
Check that all packing material is completely removed from the switch prior to installation.
EQUIPMENT DESCRIPTION
The automatic transfer switch is used for transferring electrical load from a UTILITY (NORMAL) power source to an GENERATOR (STANDBY) power source. Such a transfer of electrical loads occurs automatically when the UTILITY power source has failed or is substantially reduced and the GENERATOR source voltage and frequency have reached an acceptable level. The transfer switch prevents electrical feedback between two different power sources (such as the UTILITY and GENERATOR sources) and, for that reason, codes require it in all standby electric system installations.
The transfer switch consists of a transfer mechanism, UTILITY SERVICE DISCONNECT circuit breaker, a control relay, fuses, terminal strip, and fuse holder for connection of sensing wires.
This transfer switch is suitable for use as service equipment.
TRANSFER SWITCH MECHANISM
These switches (Figure 1.1) are used with a single-phase system, when the single-phase NEUTRAL line is to be connected to a Neutral Lug and is not to be switched.
Solderless, screw-type terminal lugs are standard
| Switch | Wire | Conductor Tightening |
| Rating | Range | Torque |
| 100A | #14-1/0 AWG | 50 in-lbs |
| 200A | #6-250 MCM | 275 in-lbs. |
This transfer switch is suitable for control of motors, electric discharge lamps, tungsten filament and electric heating equipment where the sum of motor full load ampere ratings and the ampere ratings of other loads do not exceed the ampere rating of the switch and the tungsten load does not exceed 30 percent of the switch rating.
This UL listed transfer switch is for use in optional standby systems only (NEC article 702)
This transfer switch is suitable for use on a circuit capable of 22,000 rms (200A) and 10,000 (100A) symmetrical amperes, 240 VAC maximum
Figure 1.1 — Typical ATS Transfer Mechanism
UTILITY SERVICE DISCONNECT CIRCUIT BREAKER
The utility service and generator disconnect circuit breakers for the 100 amp models are:
- Type BQ, 2-pole
- 120/240VAC, 100A
- 50/60 Hertz
- Heating, Air Conditioning and Refrigeration (HACR) rated
- Wire range: #1 – #8 AWG.
- The conductor tightening torque is 50 in-lbs.
The utility service circuit breaker for the 150/200 amp models are:
- Type 225AF, 2-pole
- 120/240VAC, 150A/200A
- 50/60 Hertz
- Wire range: 300 MCM – 6 STR (Line), 250 MCM – 6 STR (Load – ATS)
- The conductor tightening torque is 375 in-lbs. (Line), 275 in-lbs. (Load – ATS)
OVERLOAD PREVENTION CONTROL BOARD (OPCB
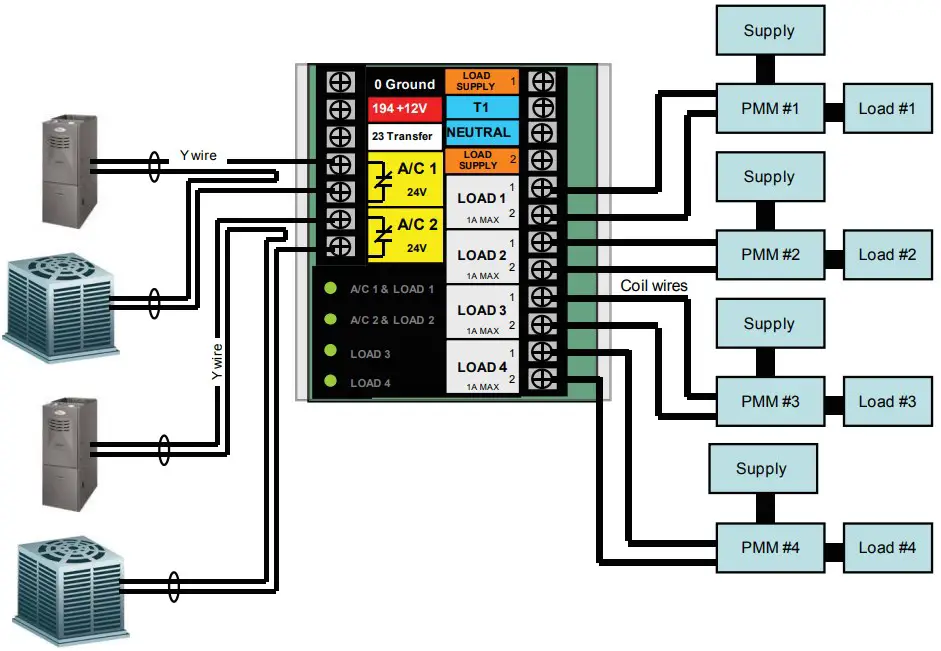
The Overload Prevention Control Board is designed to prevent an overload on the generator when it is supplying the customer loads (see Figure 1.2). Up to six loads can be managed by the OPCB; 2 air conditioner loads and 4 other loads. The OPCB manages the loads by “shedding” the connected loads in the event of a drop in generator frequency (overload). Loads to be “shed” are grouped in 4 priority levels on the OPCB.
- Priority 1 and 2 has connections for both one air conditioner and one contactor. Both an air conditioner and a contactor can be used at the same time if desired. To control an air conditioner, no additional equipment is required. Internal relays interrupt the thermostat 24VAC control signal to disable the air conditioner load.
- Priority 3 and 4 have connections for one contactor only.
- Four LEDs, located on the Overload Prevention Control Board, will indicate when a load priority level is enabled. When loads are connected, the LEDs will be illuminated.
- Any loads, including central air conditioners, can be controlled via a contactor that must be purchased separately. Up to four contactors can be controlled by the Overload Prevention Control Board (24 Vac or 120 Vac is supplied through the OPCB to energize each contactor coil).
- Generator overload condition is determined by generator frequency. Loads are shed when the frequency is <58Hz for 3 seconds or <50Hz for ½ Second (For 60Hz).
The OPCB has a Test button which forces the unit to act as if an overload has occurred. This button operates even when the transfer signal is inactive.
Figure 1.2 — Overload Prevention Control Board
TRANSFER SWITCH DATA DECAL
A DATA DECAL is permanently affixed to the transfer switch enclosure. Use this transfer switch only with the specific limits shown on the DATA DECAL and on other decals and labels that may be affixed to the switch. This will prevent damage to equipment and property.
When requesting information or ordering parts for this equipment, make sure to include all information from the DATA DECAL.
Record the Model and Serial numbers in the space provided below for future reference.
MODEL #
SERIAL #
TRANSFER SWITCH ENCLOSURE
The standard switch enclosure is a National Electrical Manufacturer’s Association (NEMA) and UL 3R type. UL and NEMA 3R (indoor/outdoor rated) type enclosures primarily provide a degree of protection against falling rain and sleet; undamaged by the formation of ice on the enclosure.
SAFE USE OF TRANSFER SWITCH
Before installing, operating or servicing this equipment, read the SAFETY RULES (inside front cover) carefully. Comply strictly with all SAFETY RULES to prevent accidents and/or damage to the equipment. The manufacturer recommends that a copy of the SAFETY RULES are posted near the transfer switch. Also, be sure to read all instructions and information found on tags, labels and decals affixed to the equipment.
Three publications that outline the safe use of transfer switches are the following:
- NFPA 70; National Electrical Code
- NFPA 70E; Standard for Electrical Safety in the Workplace
- UL 1008, STANDARD FOR SAFETY-AUTOMATIC TRANSFER SWITCHES
NOTE:
It is essential to use the latest version of any standard to ensure correct and current information
INTRODUCTION TO INSTALLATION
This equipment has been wired and tested at the factory. Installing the switch includes the following procedures:
- Mounting the enclosure.
- Connecting power source leads and load leads.
- Connecting the generator sensing and transfer relay circuits.
- Connecting any auxiliary contact (if needed)
- Connect Overload Prevention Control Board loads (as required)
- Testing functions.
MOUNTING
Mounting dimensions for the transfer switch enclosure are in this manual. Enclosures are typically wall-mounted. See the “Installation Diagram”.
CAUTION!
Handle transfer switches carefully when installing. Do not drop the switch. Protect the switch against impact at all times, and against construction grit and metal chips. Never install a transfer switch that has been damaged.
Installation
This transfer switch is mounted in a UL type 3R enclosure. It can be mounted outside or inside and should be based on the layout of installation, convenience and proximity to the utility supply and load center.
Install the transfer switch as close as possible to the electrical loads that are to be connected to it. Mount the switch vertically to a rigid supporting structure. To prevent switch distortion, level all mounting points. If necessary, use washers behind mounting holes to level the unit.
CONNECTING POWER SOURCE AND LOAD LINES
DANGER
Make sure to turn OFF both the UTILITY (NORMAL) and GENERATOR (STANDBY) power supplies before trying to connect power source and load lines to the transfer switch. Supply voltages are extremely high and dangerous. Contact with such high voltage power supply lines causes extremely hazardous, possibly lethal, electrical shock
Wiring diagrams and electrical schematics are provided in this manual.
NOTE:
All installations must comply with national, state and local codes. It is the responsibility of the installer to perform an installation that will pass the final electrical inspection.
The utility supply connection is made at the UTILITY SERVICE DISCONNECT circuit breaker terminals. The generator and customer load connections are made at the transfer switch mechanism, inside the switch enclosure.
Conductor sizes must be adequate to handle the maximum current to which they will be subjected, based on the 75°C column of tables, charts, etc. used to size conductors. The installation must comply fully with all applicable codes, standards and regulations.
All power cables must enter the enclosure through the knockouts provided. If not using the knockouts, conduit entry into the enclosure must be at or below knockouts to maintain the Type 3R rating. Conduits should be arranged to provide separation between the Utility and Generator supply conductors inside the enclosure.
Before connecting wiring cables to terminals, remove any surface oxides from the cable ends with a wire brush. If ALUMINUM conductors are used, apply corrosion inhibitor to conductors. Tighten terminal lugs to the torque values on “Utility Service Disconnect Circuit
Breaker”, and on the decal located on the inside of the door. After tightening terminal lugs, carefully wipe away any excess corrosion inhibitor.
CAUTION!
Use a torque wrench to tighten the conductors, being sure not to overtighten, or damage to the switch base could occur. If not tightened enough, a loose connection would result, causing excess heat which could damage the switch base
Connect power source load conductors to clearly marked transfer mechanism terminal lugs as follows
- Connect UTILITY (NORMAL) power source cables to UTILITY SERVICE DISCONNECT circuit breaker.
- Connect the GENERATOR (STANDBY) source power cables to switch terminals E1, E2.
- Connect customer LOAD leads to switch terminals T1, T2. Conductors must be properly supported, of approved insulative qualities, protected by approved conduit, and of the correct wire gauge size in accordance with applicable codes.
Be sure to maintain proper electrical clearance between live metal parts and grounded metal. Allow at least 1/2 inch for 100-400 amp circuits.
CONNECTING START CIRCUIT WIRES
Control system interconnections (Electrical Data section) consist of UTILITY 1 (N1), UTILITY 2 (N2) and LOAD (T1), and leads 23, 0 and 194. Recommended wire gauge sizes for this wiring depends on the length of the wire, as recommended in the following chart:
| MAXIMUM WIRE LENG | RECOMMENDED WIRE SIZE |
| 1-115 ft (1-35m) | No. 18 AWG. |
| 116-185 ft (36-56m) | No. 16 AWG. |
| 186-295 ft (57-89m) | No. 14 AWG |
| 296-460 ft (90-140m) | No. 12 AWG. |
OVERLOAD PREVENTION CONTROL BOARD (OPCB)
The OPCB can control an air conditioner (24 Vac) directly or a separate contactor (24 Vac or 120 Vac operating coil) which can control any load connected to it. See Figure 2.1.
The Power Management Module (PMM) is not supplied with the transfer switch. It can be purchased separately from the manufacturer. The PMM is for use with the Overload Prevention Control Board (OPCB) mounted in the transfer switch. The OPCB is designed and connected to power the PMM contactor operating coil. The OPCB is supplied by a 24 Vac supply, class 2 power supply transformer, connected to the LOAD supply in the RTS. (Each output is limited to 1 amp) The PMM contactor coil connections are made at the OPCB terminal strip.
Connect the PMM contactor coil to OPCB contactor terminals (1, 2, 3 or 4). The selection of contactor terminal used will depend on the priority of the load being controlled. This is a 24 Vac circuit and wiring methods for class 2 should be used. Use ¼” quick connect terminals to make the contactor coil connections on the PMM. See Figure 2.1.
A grommet is provided to route Class 2 wiring through. The grommet can be used in any knockout for NEMA 1 installations. The grommet can only be used in the bottom knockouts for NEMA 3R installations.
Figure 2.1 — Overload Prevention Control
Control of Air Conditioner Load
- Route the thermostat cable (from the furnace to the outdoor air conditioner unit) to the transfer switch.
- Connect the wire to the terminal strip terminals (Air 1) on the OPCB as shown in Figure 2.1. These are normally closed contacts which open upon load shed conditions. Route thermostat wire away from High voltage wires.
- If required, connect the second air conditioner to the terminal strip terminals (Air 2).
| Contact Ratings | |
| Air 1 & 2 | 24 VAC, 5.0 Amps Ma |
Control of a Separate Contactor
A separate contactor relay module can be purchased from the manufacturer. This model is supplied in a 24 Vac or 120 Vac coil version.
- Mount the contactor module and connect the load to the main contacts.
- Connect the contactor coil to the desired OPCB L1-L4 terminals on the terminal strip.
- Connect additional Power Management Module contactors in a similar fashion.
NOTE:
It will be necessary to determine the order of “shedding” the connected loads and connect the loads to the OPCB in that order. One is the highest priority and four is the lowest priority.
LOAD SHED SEQUENCE OF OPERATION
When configured for full functionality, six loads are organized into four priority groups. Priority 1 (A/C 1) and the associated general use contactor (Load 1) is the highest priority and is usually the first load(s) reconnected (except in fast load shed mode). Priority 4 (Load 4) is the lowest priority and is usually the last load reconnected (except in fast load shed mode). The priority groups are as follows: Priority Group 1
- A/C 1 and Load 1
Priority Group 2 - A/C 2 and Load 2
Priority Group 3 - Load 3
Priority Group 4 - Load 4
Since A/C is typically considered the most important, it is hardwired as the two highest priority levels (A/C 1, A/C 2). Two other loads that may be considered of equivalent importance are wired to the associated general use contactors (Load 1, Load 2). Loads of lesser importance are wired to the remaining contactors (Load 3, Load 4).
If the OPCB is fully functional and managing six connected loads, and an event occurs which causes a load to increase beyond the capacity of the generator, the OPCB identifies an overload condition and instantly sheds all loads. After five minutes elapses, the OPCB reconnects the loads associated with Priority Group 1 (A/C 1, Load 1), and then reconnects the remaining loads at fifteen second intervals.
If the OPCB sees another overload while it is reconnecting loads, the offending load is shed and locked out for 30 minutes. The next load in the sequence is then reconnected. This process continues until all loads have tried to reconnect (Figure 2.2).
Figure 2.2 — Standard Load Shed
CONNECTION OF POWER SUPPLY FOR CONTACTORS
The Overload Prevention Control Board (OPCB) can be powered from either a 24 Vac or 120 Vac power supply. The 24 Vac supply is from a class 2 transformer that can be purchased from the manufacturer. Mounting holes are provided in the enclosure subplate for mounting of the transformer. The 120 Vac supply is fused at 5 amps and is factory connected to OPCB terminals labeled “T1 and “Neutral”.
24 VAC SUPPLY
Transformer connection are made as shown in Figure 2.3.
- Blue wire – OPCB “LOAD SUPPLY 1” terminal
- Black wire – OPCB “T1” terminal
- White wire – OPCB “NEUTRAL” terminal
- Yellow wire – OPCB “LOAD SUPPLY 2” terminal
Figure 2.3 — 24 Vac Supply Connections
Operation
120 VAC SUPPLY
Install the following jumpers on the OPCB (Figure 2.4).
- Load Supply 1 to T1
- Load Supply 2 to Neutral
CAUTION!
Load supply voltage on the OPCB terminals must match the PMM contactor coil voltage, or the equipment will be damaged.
Figure 2.4 — 120 Vac Supply Connections
FUNCTIONAL TESTS AND ADJUSTMENTS
Following transfer switch installation and interconnection, inspect the entire installation carefully. A competent, qualified electrician should inspect it.
The installation should comply strictly with all applicable codes, standards, and regulations. When absolutely certain the installation is proper and correct, complete a functional test of the system.
CAUTION!
Perform functional tests in the exact order presented in this manual, or damage could be done to the switch.
IMPORTANT: Before proceeding with functional tests, read and make sure all instructions and information in this section are understood. Also read the information and instructions of labels and decals affixed to the switch. Note any options or accessories that might be installed and review their operation.
MANUAL OPERATION
DANGER!
Do NOT manually transfer under load. Disconnect transfer switch from all power sources by approved means, such as the main circuit breaker(s).
A manual HANDLE is shipped with the transfer switch. Manual operation must be checked BEFORE the transfer switch is operated electrically. To check manual operation, proceed as follows:
- Put the generator into the OFF mode.
- Turn OFF both UTILITY (service disconnect circuit breaker) and GENERATOR (generator main line circuit breaker) power supplies to the transfer switch.
- Note position of transfer mechanism main contacts by observing the moveable contact carrier arm. This can be viewed through the long narrow slot in the inside cover of the ATS. The top of the moveable contact carrier arm is yellow to be easily identified.
- Manual operation handle in the UP position – LOAD terminals (T1, T2) are connected to UTILITY terminals (N1, N2).
- Manual operation handle in the DOWN position – LOAD terminals (T1, T2) are connected to EMERGENCY terminals (E1, E2)
CAUTION!
Do not use excessive force when operating the transfer switch manually or damage could be done to the manual handle.
CLOSE TO UTILITY SOURCE SIDE
Before proceeding, verify the position of the switch by observing the position of manual operation handle in Figure 3.1. If the handle is UP, the contacts are closed in the NORMAL (UTILITY) position, no further action is required. If the handle is DOWN, proceed with Step 1.
Step 1: With the handle inserted into the moveable contact carrier arm, move handle UP. Be sure to hold on to the handle as it will move quickly after the center of travel.
Step 2: Remove manual operating handle from moveable contact carrier arm. Return handle to storage bracket.
CLOSE TO GENERATOR SOURCE SIDE
position of the manual operation handle in Figure 3.1. If the handle is DOWN, the contacts are closed in the GENERATOR (STANDBY) position. No further action is required. If the handle is UP, proceed with Step 1.
Step 1: With the handle inserted into the moveable contact carrier arm, move the handle DOWN. Be sure to hold on to the handle as it will move quickly after the center of travel.
Step 2: Remove manual operating handle from moveable contact carrier arm. Return handle to storage bracket.
Figure 3.1 — Actuating Transfer Switch
RETURN TO UTILITY SOURCE SIDE
Step 1: Manually actuate switch to return manual operating handle to the UP position.
Step 2: Remove manual operating handle from moveable contact carrier arm. Return handle to storage bracket.
VOLTAGE CHECKS
- 1. Turn ON the UTILITY power supply to the transfer switch using
the UTILITY SERVICE DISCONNECT circuit breaker.|
DANGER!
ROCEED WITH CAUTION. THE TRANSFER SWITCH IS NOW ELECTRICALLY HOT. CONTACT WITH LIVE TERMINALS RESULTS IN EXTREMELY HAZARDOUS AND POSSIBLY FATAL ELECTRICAL SHOCK. - With an accurate AC voltmeter, check for correct voltage. Measure across ATS terminal lugs N1 and N2. Also check N1 to NEUTRAL and N2 to NEUTRAL.
- When certain that UTILITY supply voltage is correct and compatible with transfer switch ratings, turn OFF the UTILITY supply to the transfer switch.
- Set the generator to the MANUAL mode. The generator should crank and start.
- Let the generator stabilize and warm up at no-load for at least five minutes.
- Set the generator’s main circuit breaker (CB1) to its ON or CLOSED position.
DANGER!
PROCEED WITH CAUTION. GENERATOR OUTPUT VOLTAGE IS NOW BEING DELIVERED TO TRANSFER SWITCH TERMINALS. CONTACT WITH LIVE TERMINALS RESULTS IN EXTREMELY DANGEROUS AND POSSIBLY FATAL ELECTRICAL SHOCK. - With an accurate AC voltmeter and frequency meter, check the no-load, voltage and frequency. Measure across ATS terminal lugs E1 to E2. Also check E1 to NEUTRAL and E2 to NEUTRAL.
a. Frequency ………………………………………. 60-62 Hertz
b. Terminals E1 to E2 ………………………….. 240-246 VAC
c. Terminals E1 to NEUTRAL ……………….. 120-123 VAC
d. Terminals E2 to NEUTRAL ……………….. 120-123 VAC - Set the generator’s main circuit breaker (CB1) to its OFF or OPEN position.
- Set the generator to the OFF mode to shut down the generator.
NOTE:
Do NOT proceed until generator AC output voltage and frequency are correct and within stated limits. If the no-load voltage is correct but no-load frequency is incorrect, the engine governed speed may require adjustment. If no-load frequency is correct but voltage is not, the voltage regulator may require adjustment.
GENERATOR TESTS UNDER LOAD
- Set the generator’s main circuit breaker to its OFF or OPEN position.
- Set the UTILITY SERVICE DISCONNECT circuit breaker to the OFF or OPEN position.
- Manually actuate the transfer switch main contacts to their GENERATOR (STANDBY) position. Refer to “Manual Operation”.
- To start the generator, put it into the MANUAL mode. When engine starts, let it stabilize for a few minutes.
- Turn the generator’s main circuit breaker to its ON or CLOSED position. The generator now powers all LOAD circuits. Check generator operation under load as follows:
- Turn ON electrical loads to the full rated wattage/amperage capacity of the generator. DO NOT OVERLOAD.
- With maximum rated load applied, check voltage and frequency across transfer switch terminals E1 and E2. Voltage should be greater than 230VAC and frequency should be greater than 59 Hertz. Also, verify that the gas pressure remains within acceptable parameters (see the generator Installation Guidelines manual).
- Let the generator run under rated load for at least 30 minutes. With unit running, listen for unusual noises, vibration, overheating, etc., that might indicate a problem.
- When checkout under load is complete, turn the generator’s main circuit breaker to its OFF or OPEN position.
- Let the generator run at no-load for several minutes. Then, shut down by putting it into the OFF mode.
CHECKING AUTOMATIC OPERATION
To check the system for proper automatic operation, proceed as follows:
- Ensure that the generator is in it’s OFF mode.
- Install front cover of the transfer switch.
- Turn ON the utility power supply to the transfer switch, using the means provided (such as a utility main line circuit breaker).
NOTE:
Transfer Switch will transfer back to utility position. 4. Set the generator’s main circuit breaker to its ON (or CLOSED) position. - Push the generator’s AUTO mode button. The system is now ready for automatic operation.
- Turn OFF the utility power supply to the transfer switch. With the generator ready for automatic operation, the engine should crank and start when the utility source power is turned OFF after a second delay (factory default setting). After starting, the transfer switch should connect load circuits to the standby side after a five (5) second delay. Let the system operate through its entire automatic sequence of operation.
With the generator running and loads powered by generator AC output, turn ON the utility power supply to the transfer switch. The following should occur:
- After approximately 15 seconds, the switch should transfer loads back to the utility power source.
- Approximately one minute after re-transfer, the engine should shut down.
With the generator in the AUTOMATIC mode, the system is now set for fully automatic operation.
TESTING OVERLOAD PREVENTION CONTROL BOARD (OPCB)
A Test pushbutton is provided on the bottom of the OPCB to test the operation of the tested functions. The Test button will work when the ATS is in the Utility or the Generator position.
- Turn the Utility supply on to the ATS.
- Press the TEST pushbutton on the OPCB.
- Verify that all of the connected loads to be “shed” become disabled. The method of verification will depend on the type of load.
- After five (5) minutes verify AC 1 and Load 1 are energized Status LED AC 1 and Load 1 is ON.
- After another 15 seconds, verify AC 2 and Load 2 are energized Status LED AC 2 and Load 2 are ON.
- After another 15 seconds, verify Load 3 is energized Status Load 3 is ON.
- After another 15 seconds, verify Load 4 is energized Status Load 4 is ON.
INSTALLATION SUMMARY
- Ensure that the installation has been properly performed as
outlined by the manufacturer and that it meets all applicable laws and codes. - Test and confirm proper operation of the system as outlined in the appropriate installation and owner’s manuals.
- Educate the end-user on the proper operation, maintenance and service call procedures.
Important! If the end user ever finds it necessary to turn the generator off during prolonged utility outages to conserve on fuel, educate them on these simple, but important steps:
To turn the generator OFF (while running in AUTO and online):
- Turn OFF (or OPEN) the main Utility disconnect.
- Turn OFF (or OPEN) the Main Line Circuit Breaker (MLCB) on the generator.
- Turn the generator OFF.
To turn the generator back ON:
- Put the generator back into AUTO and allow to start and warmup for a few minutes.
- Turn ON (or CLOSE) the MLCB on the generator.
The system will now be operating in its automatic mode. The main utility disconnect can be turned ON (or CLOSED), but to shut the unit off, this complete process must be repeated.
Installation Diagrams

























