WARRIOR 190102000010 High Quality Automatic Transfer Switch

INSTALLATION
ATS systems are designed for when there is a drop or loss of incoming mains power, ATS panels are designed to automatically start and stop a generator for emergency backup power supply.
When mains power supply is low or lost the generator will start in within 6 seconds and then supply power to consumer unit or switch. When mains incoming power supply returns the ATS panel will automatically transfer back to incoming mains power supply and then stop the generator within approx. 15 seconds.
This system uses SCM core and digital technics to control and manage the automatic working system.
EASY INSTALLATION AND OPERATION
Automatic working with no maintenance required. If transfer panel has a fault it will register a solid RED fault light on the panel and indicate user/engineer to inspect and re-set. Don’t worry about incoming mains supply and generator power supply LED on at the same time this is normal when changing over.
There is a battery charger inside the ATS panel, this will ensure when your generator isn’t running that the battery will charge thoroughly.
OPERATION
Use the ATS input cable (Supplied) to connect the ATS panel to the generator control panel. Turn the ignition switch on the front panel of the generator to the ‘OFF’ position for diesel generators and the ‘ON’ position for petrol generators.
AUTOMATIC POSITION SETUP
Press AUTO button, the solid GREEN indicator LED will illumi-nate, ATS system is now set and in automatic mode.
ATS SYSTEM WORKING
When in AUTO mode, if there is drop or loss in incoming mains power the ATS system will automatically open air damper con-trol and start the generator in approx. 3 seconds. The generator will run for 5-6 seconds and then apply load to the ATS panel and then the consumer unit.
THE ATS PANEL WILL ATTEMPT TO START THE GENERATOR 3 TIMES
WARNING
If generator cannot start successfully within 3 attempts the solid RED indicator light will illuminate. You will need to inspect the reason why it hasn’t started and reset the ATS panel to remove the illuminated ‘RED’ fault light by pressing the Auto/Manual button once.
GENERATOR START/STOP
When mains power supply is lost, the generator will attempt to start within 5 seconds.
If unsuccessful, the generator will wait a further 5 seconds before attempting to start again. If after 3 attempts, it still cannot start, the ‘RED’ fault light will illuminate.
NOTICE
If the generator fails to start and the ‘RED’ fault light is illuminated then there could be an issue with generator or ATS panel and it needs to be investigated
COMMON FAULTS:
- Auto/Manual button wrong position
- ATS communication lead unplugged
- Ignition key wrong position
- Generator battery low or dead
- RUN lever wrong position
- Fuel supply issue
If all the above have been checked first then an experienced engineer needs to attend to investigate or call repair centre immediately.
When mains power supply returns, ATS panel will transfer load to incoming mains supply and generator will stop running approx. 15 seconds later.
Manual Start
In the event of a panel failure you can use the manual lever override inside the ATS panel.
WARNING
High voltage. A qualified electrician should only be used. Always Isolate the incoming power supply before opening the panel door.
If you don’t need the ATS panel to work automatically you can use the manual feature by pressing the ‘Auto/Manual’ button on the front of the panel.
- Switch: Controls internal wiring power. If switch is turned to the position ‘I’ ATS panel is turned ‘ON’ and will start generator automatically if incoming power drops or is lost. If switch is in the position ‘0’ ATS panel is turned OFF and no power from either incoming or generator.
- Manual mode: Turn safety key (Supplied) first to manual position on switch and then turn handle to ‘II’ to activate manual generator supply mode. WARNING Whilst in manual mode you DO NOT try use auto mode without first turning the safety key back to auto position.
- Manual handle: Before using manual handle, WARNING mains power supply needs to be isolated and turned ‘OFF’. DO NOT try to change switch from auto to manual without first isolating incoming supply.
- Padlock: Maintenance only. Turn the switch & handle to position “0” then lift up the padlock. When the padlock is in place the internal handle is isolated, switch and manual handle will now not work.
AUTOMATIC AIR DAMPER CONTROL
If generator have air damper control to start, ATS panel will automatically open and close it before generator starts and stops.
Battery maintenance
ATS panel will charge the battery automatically, charging current is 2A.
Original family use power supply system:
- Mains power
- Air Switch
- Switch
- Switch
- Lightin
- Lightin
- Socket
- Socket
- Socket

With ATS system:
- ATS system
- City power
- Input
- Power
- Output
- Generator
- Input
- Connect the main power of generator set
- Generator control panel
- Generator
- Joint for connecting generator control panel
ATS SWITCH
When handle & switch is turned to position ‘0’ it will turn off both city power and standby power.
Operation indicator shows the electric power state.
”I” Incoming Supply,
”0” is Double power OFF and isolated,
“II” is Generator supply.
WARNING
When mains power supply is lost, the generator will attempt to start within 5 seconds.
If unsuccessful, the generator will wait a further 5 seconds before attempting to start again. If after 3 attempts, it still cannot start, the ‘RED’ fault light will illuminate.
- Input power
- Operation Indicator
- Key Switch
- Padlock
- Output power

- Handle
ATS MODE
- ATS power must be equal or smaller than the incoming main supply.
- AIR-BREAKER can be installed to protect ATS system when connecting mains power cable to ATS panel.
- Generator ignition key MUST be in the ‘OFF’ position on the generator front panel to enable the generator to AUTO stop & start. Note: If the ignition key is in the wrong position generator will start but not auto stop.
- Before using the ATS panel in automatic mode you should run the generator with the ATS panel unplugged.
- Run the generator with the ATS in the “Manual” position first (Auto/Manual Button), stop generator and then you can choose “AUTO” to test if working automatically.
- Turn air-breaker switch to “ON” position when ATS system is in use. (If installed)
- Only qualified electrician can open panel for inspection and repair, DANGER High Voltage
- Press ‘AUTO’ button on the front panel, Mains incoming supply should be Illuminated
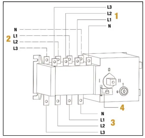
WIRING DIAGRAM 415V 3 PHASE
N: Neutral Wire
- Input City Power
- Generator Standby Power
- Output Power
- Padlock
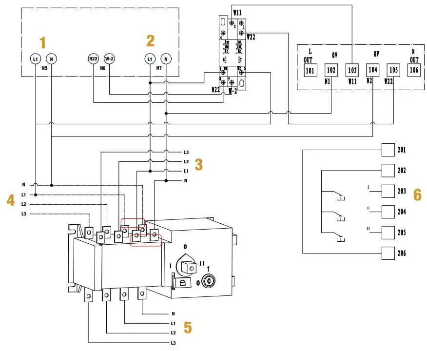
ATS Port Configuration
- 12v Power +
- 12v Power –
- Start Relay
- Fuel Oil
- (& 6) Judge frequency of flywheel
WIRING DIAGRAM FOR BOTH 3 PHASE (415V) & SINGLE PHASE (230V)
- 230v Generator Supply
- 230v Incoming Supply
- 415v Incoming Supply
- 415v Generator Supply
- Output
- Switch
Connecting up 230v Single Phase
Using ‘neutral’ and ‘L1’ (Common) connect up incoming and output as indicated in the above illustration. No other wires should be connected otherwise the ATS switch will not work.
Connecting up 415v 3 Phase
Using ‘neutral’ and ‘L1’, L2 , L3(Common) connect up incoming and output as indicated in the above illustration.
Earthing
All earthing should be to the casing, if terminal isn’t already provided a suitable earth bolt needs to be installed.
Service & Technical Contacts
United Kingdom:
BPE Holdings
Unit 17-18
Bradley Hall Trading Estate Bradley Lane, Standish Wigan, WN6 0XQ, UK
Tel: +44 (0) 1942 715 407
[email protected]























