TRADITIONELLE DEUTSCHE QUALITÄT
Owner’s Manual
Please read this manual carefully before use!
Automatic Transfer Switch (ATS) Unit
KS ATS 4/32 -12
KS ATS 4/32 -15

TRADITIONELLE DEUTSCHE QUALITÄT
ABBREVIATIONS AND ACRONYMS:
ATS means Automatic Transfer Switch (ATS) unit.
PREFACE 
Thank you for your purchase of Könner & Söhnen products. This manual contains a brief description of safety, use and debugging. More information can be found on the official manufacturer’s website in the support section: ks-power.de/betriebsantleitungen.
You can also go to the support section and download the full version of the manual by scanning the QR code, or on the website of the official importer of Könner & Söhnen products: www.ks-power.de.
| We care about the environment, therefore, we consider it expedient to save paper and leave in print a short description of the most important sections.
![]()
Be sure to read the full version of the manual before getting started!
The manufacturer of Könner & Söhnen products may make some modifications that may not be reflected in this manual. The manufacturer reserves the right to make changes in the product design, configuration and construction. The images and drawings in this manual are for reference only and may differ from the actual components and inscriptions on the products.
Contact information that you are free to use in case of any problems can be found at the end of this manual. All information in this manual is correct to the best of our knowledge and belief at the date of its publication. The current list of service centers can be found on the official importer’s website: www.ks-power.de.
![]()
![]()
WARNING – DANGER!
Failure to observe the recommendation marked with this sign may result in serious injury or death to the operator or unauthorized persons.
![]()
PLEASE NOTE!
Useful information on the use of the device.
SAFETY PRECAUTIONS 1
– The design of the device includes live parts and assemblies.
– The device may only be operated by trained personnel.
– Make sure the device is grounded before use.
– Place the device so that the control panel is easily accessible.
– Place the device on a flat, solid surface.
– Read the manual carefully.
– Maintenance and repairs should only be carried out by qualified service technicians.
WORK AREA 1.1
– Do not use the product near flammable gases, liquids or dust.
– Ensure that the work area is always kept clean and well lit to avoid injuries.
– Keep unauthorized persons, children and animals away from the running product.
ELECTRICAL SAFETY 1.2
![]()
WARNING – DANGER!
The product is energized. Observe safety precautions to avoid electric shock.
– Avoid operating the product in high-humidity environments. Do not allow moisture to enter the product, as this increases the risk of electric shock.
– Avoid direct contact with grounded surfaces (pipes, radiators, etc.).
– Be careful when working with the power cord. Replace it immediately in case of damage, as damaged power cord increases the risk of electric shock.
– All product connections must be carried out by a certified electrician in accordance with all electrical codes and regulations.
– Do not operate the product with your feet in the water, on wet or damp soil.
– Do not touch live parts of the product.
– Keep all electrical equipment dry and clean. Replace damaged or worn wiring. Worn, damaged, or rusted terminals must be replaced as well.
PERSONAL SAFETY 1.3
– Do not operate the product when you are tired or under the influence of potent drugs, alcohol or medication. During operation, inattention can cause serious injury.
– Make sure there are no foreign objects on the product when it is turned on.
– Do not overload the product, use it for its intended purpose only.
![]()
PLEASE NOTE!
The total power of power consumers connected to the ATS unit must not exceed the maximum permissible power for this ATS unit model.
SAFETY SYMBOLS 2

а. Use caution when operating the device.
b. Read this owner’s manual carefully before operating the device.
с. If the generator is turned off, disconnect all power consumers connected to this device.
d. Avoid high humidity.
e.Caution! Risk of electric shock!
f. Keep unauthorized persons and children away from the work area of the generator.
g.The device must be grounded.
h.Wear safety gloves when operating the device.
PRODUCT DESCRIPTION 3
The ATS unit (Automatic Transfer Switch) is designed to automatically control the generator set and switch the power supply from the mains to the backup generator and vice versa in automatic or manual mode. The ATS unit controls the generator set using 8-core wires. The user can start/stop the generator automatically/manually, effectively monitor the output voltage of the generator, mains and load.
ATS UNIT SPECIFICATIONS 4
| Model | KS ATS 4/32-12 | KS ATS 4/32-15 | |||
| Generator voltage | 230 V | 400 V | 230 V | 400 V | |
| Mains voltage | 230 V | 400 V | 230 V | 400 V | |
| Maximum current (A) | 64 | 32 | 64 | 32 | |
| Power (kW) | 14.0 | 21.0 | 14.0 | 21.0 | |
| Net dimensions (L*W*H) (mm) | 220*150*370 | 220*150*370 | |||
| Frequency (Hz) | 50 | 50 | |||
| Gross weight (kg) | 6,1 | 6,1 | |||
| Ambient conditions | Operating conditions | -10 °С – +55 °С | |||
| Storage temperature | -10°С – +70°С | ||||
| Relative humidity | ≤60% | ||||
| Altitude above sea level (m) | ≤ 300 | ||||
SCOPE OF SUPPLY 4.1
Package contents:
– 1x ATS unit;
– 1x control cable.
GENERAL VIEW OF THE ATS UNIT 5
The ATS unit consists of a housing that can be mounted on a wall. The ATS unit is connected to the generator set via a special control cable (included) and a power cable. The integrated clamping terminals are used to connect the generator output, redundant electrical devices and AC mains.
![]()
PLEASE NOTE!
Place the device so that the control panel is easily accessible.
The front panel of the ATS unit consists of control buttons and operation indicators.
Fig. 1

- Power switch
- Alarm buzzer
- ATS mode switch
on the left – manual control
on the right – automatic control - Generator/Mains switch
(ATS manual control button) - Generator set manual control button
(manual start/stop) - Summer/Winter switch
on the left – summer mode (start time 10 seconds)
on the right – winter mode (start time 25 seconds) - Mains indicator
On – power is supplied
Off – no power - Load indicator at the output is
on – ATS unit is enabled
Off – ATS unit is disabled - Generator power indicator
On – generator power is supplied
Off – no generator power - Generator engine operating indicator
On – engine starts and works properly
Flashing – start error
Off – engine stopped
OPERATING THE ATS UNIT 6
The ATS unit automatically starts the generator and transfers load to it when the main power supply is disconnected.
ATS unit has two modes:
– Manual mode
– Automatic mode
MANUAL MODE 6.1
If the ATS unit operates in manual mode, no mains voltage control is provided; the generator can only be controlled in manual mode.
After connecting to the ATS unit, the generator can be controlled using buttons 4 and 5 on the control panel. The time required to warm up the engine before connecting the load is adjusted by the operator. The load should be connected during stable operation of the generator set.
TO OPERATE THE ATS UNIT IN MANUAL MODE, PROCEED AS FOLLOWS:
- Connect the ATS unit to the generator set and mains (see Diagram 1).
- Turn on the power using the power switch (1).
- Set the ATS mode switch (3) to manual mode.
- Turn the ignition key on the generator panel to “ON”.
- Press the button (5) on the ATS unit to start the generator set. During stable operation of the generator, press the button (4) to connect the load.
Diagram 1
![]() | ![]() | ![]() |
![]() | ![]() | ![]() |
| MAINS | LOAD | GENERATOR |
AUTOMATIC MODE 6.2
In automatic mode, the ATS unit continuously monitors the presence of the mains voltage. The mains indicator (7) is on when the mains voltage is present.
When the mains supply is absent for 5 seconds, the ATS unit gives a signal to start the generator engine.
While the engine receives a start signal, the air choke switches to mid-position and the time of the electric starter relay is 4 seconds.
After the generator receives the voltage output signal, the ATS unit switches the air choke to the open position (within 5 seconds in summer mode and within 15 seconds in winter mode after the engine starts).
In the absence of the voltage output signal after disconnecting the electric starter relay, the system will make another 5 attempts to start the engine.
If after the 5th attempt the engine does not start, the system will display an error message and the engine operating indicator (10) will flash.
If the engine starts successfully, the engine operating indicator (10) and the generator power indicator (9) will glow steadily. After the engine starts successfully, the system will pause to warm up the engine before connecting the load.
In summer mode the delay will be 10 seconds, in winter mode the delay will be 25 seconds. After this time, power switches will turn on and power consumers will be supplied by the generator. The output load indicator (8) will further glow steadily.
When the mains supply is restored, the system switches the load to the mains supply within 3 seconds. If the mains voltage remains stable for 10 seconds, the ATS unit gives a signal to stop the generator.
TO OPERATE THE ATS UNIT IN AUTOMATIC MODE, PROCEED AS FOLLOWS:
- Connect the ATS unit to the generator set and mains.
- Connect the line of primary power consumers “Load”.
- Turn on the ATS power using the power switch (1).
- Select summer or winter mode with the switch (6).
- Set the ATS unit to “AUTO” with the mode switch (3).
- Turn the ignition key on the generator panel to “ON”.
If the ATS unit detects the mains voltage, it will automatically switch to “standby” mode and power consumers will be supplied from the mains.
In the event of power outage, the ATS unit automatically starts the generator set according to the operation principle of the ATS unit and switches the power supply to the backup generator. The generator battery is also charged from the mains in automatic mode.
When the mains supply is disabled, the system starts the generator engine in the manner described above and switches the power supply of the redundant devices to the generator.
![]()
PLEASE NOTE!
In the “Auto” mode, the battery is automatically charged.
When the ATS unit is in automatic mode, the generator can be controlled in automatic mode. When power consumers are supplied from the mains, the generator is disabled
After the mains voltage is disabled, the ATS unit will start the backup generator within 4±2 seconds, which will turn on in 4 seconds. After the generator starts, there is a delay for air choke adjustment (5±1 seconds in the warm season and 15±1 seconds in the cold season).
The time interval between the generator start and the connection of the load is 10±1 seconds in the warm season and 25±1 seconds in the cold season. When the mains supply is restored, the generator stops after 15±2 seconds. When power consumers are supplied from the mains, the generator battery is simultaneously charged by the ATS unit with a voltage of 13.2 V.
If ATS unit fails to start the generator set in automatic mode on the first try, it will restart. After three failed attempts, an alarm is triggered.
After resetting the ATS unit and turning on the power, the ATS unit will automatically restart the generator.
CONNECTING THE GENERATOR AND ATS UNIT TO THE MAINS SUPPLY 7
Fig. 2

- MAINS SUPPLY
- ATS UNIT
- ATS CONTROL CABLE
- GENERATOR
- ELECTRIC METER
- POWER CONSUMERS
Fig. 3

- 8-pin ATS output on the generator panel
- 8-pin ATS output on the ATS unit
- Automatic start cable
The ATS socket is located on the generator panel. Connect the ATS unit to the ATS input on the generator panel using the control cable (included).
In practice, there are different options for supplying electricity, and different rules for connecting it. Therefore, the diagrams for equipment installation given in the operating manual are for informational purposes only and are not instructions for installation. The decision on how to properly connect the equipment in each individual case must be made by a certified electrician who performs the installation. The manufacturer is not responsible for incorrect installation, and is not responsible for any material and physical damage that may result from improper installation or operation of the equipment.
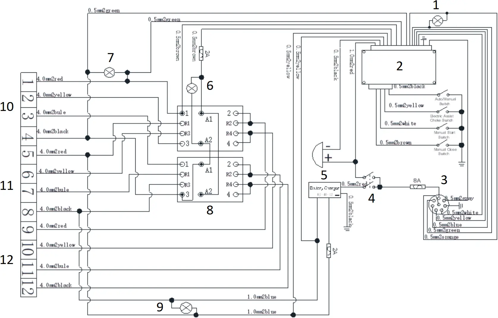
ELECTRICAL DIAGRAM 8
Diagram 2

- Engine lamp
- ATS controller
- 8-core cable
- Power switch
- Alarm buzzer
- Close lamp
- Generator lamp
- СJX2-320В contactor
- Mains power lamp
- Generator
- Mains
- Load
MAINTENANCE 9
The device is energized, which is life threatening.
![]()
PLEASE NOTE!
Equipment maintenance must only be carried out by qualified personnel. During maintenance work, be sure to disconnect the mains and generator set to prevent inadvertent switching on of the ATS unit.
Follow all instructions in the manual! The current list of service centers can be found on the exclusive importer’s website: www.ks-power.de.
STORAGE AND TRANSPORTATION 10
When transporting and storing the device, keep the device away from moisture.
If you are not going to use the ATS unit for a long time, be sure to turn it off and disconnect it from the mains supply. It is recommended to keep the device in a dry, well-ventilated area and not expose it to high humidity, corrosive hazardous gases and dust. Keep away from children and animals.
WARRANTY PROVISIONS 11
The international manufacturer warranty is 1 year. The warranty period starts from the date of purchase. In cases when warranty period is longer than 1 year according to local legislation please contact your local dealer. The Seller which sells the product is responsible for granting the warranty. Please contact the Seller for warranty. Within the warranty period, if the product fails because of defects in the production process, it will be exchanged on the same product or repaired.
All faults caused by the manufacturer during the warranty period will be eliminated free of charge. Warranty repair is carried out only if you have a fully completed warranty card, the Buyer’s signature of acceptance of the warranty terms, as well as a document supporting the purchase (cash receipt, sales slip or invoice). In the absence thereof, as well as in the event of errors or corrections not authenticated by the seller’s seal or illegible inscriptions in the warranty card or tear-off coupon, no warranty repair is carried out, no objections to quality are accepted and the warranty card is withdrawn by the service center as invalid. The device is accepted for repair clean and full.

CONTACTS
Deutschland:
DIMAX International GmbH
Flinger Broich 203 -FortunaPark-
40235 Düsseldorf, Deutschland
www.ks-power.de
Ihre Bestellungen
[email protected]
Kundendienst, technische Fragen
und Unterstützung
[email protected]
Garantie, Reparatur und Service
[email protected]
Sonstiges
[email protected]
___________________________
Polska:
DIMAX International
Poland Sp.z o.o.
Polen, Warczawska,
306B 05-082 Stare Babice,
www.ks-power.pl
[email protected]
___________________________
Україна:
ТОВ «Техно Трейд КС»,
вул. Електротехнічна 47, 02222,
м. Київ, Україна
www.ks-power.com.ua
[email protected]
___________________________
Россия:
ТД «Рус Энержи К&С» 129090,
г.Москва, проспект Мира,
д.19, стр.1, эт.1, пом.1,
комн.6б, офис 99В
www.ks-power.ru
___________________________
TRADITIONELLE DEUTSCHE QUALITÄT





















